Samurai Transfer Case Diagram . We are your source for everything samurai from oe to complete custom. This page shows the installation of trail gear 6.5 crawler gears for the samurai transfer case. Rocky road provides 6.5:1 and 4.16 samurai transfer case gear ratios In these instructions, we refer to the different transfer case housing sections by name. Get stock gearing back with our samurai gear kits. 6.5 transfer case gear kit install. The photo below shows each of the housings and its. Not only does it give you great information on how. Transfer case shifter bushing replacement. The transfer case diagram of the suzuki samurai shows the different components such as the input shaft, output shaft, gears, and shift fork. Oem oil seal transfer suzuki samurai (made in japan) n223802. Samurai transfer case manual (.pdf) suzuki samurai transfer case. Armor, drivetrain, steering, suspension, engine, body, and more! Find the suzuki samurai transfer case diagram to help you understand the components and functionality of this important part of your.
from mungfali.com
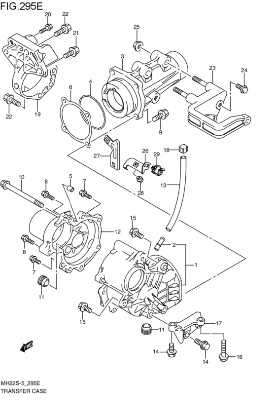
Find the suzuki samurai transfer case diagram to help you understand the components and functionality of this important part of your. This page shows the installation of trail gear 6.5 crawler gears for the samurai transfer case. Armor, drivetrain, steering, suspension, engine, body, and more! 6.5 transfer case gear kit install. Rocky road provides 6.5:1 and 4.16 samurai transfer case gear ratios The transfer case diagram of the suzuki samurai shows the different components such as the input shaft, output shaft, gears, and shift fork. Oem oil seal transfer suzuki samurai (made in japan) n223802. The photo below shows each of the housings and its. In these instructions, we refer to the different transfer case housing sections by name. Transfer case shifter bushing replacement.
Suzuki Samurai Transfer Case Diagram
Samurai Transfer Case Diagram Not only does it give you great information on how. 6.5 transfer case gear kit install. We are your source for everything samurai from oe to complete custom. Oem oil seal transfer suzuki samurai (made in japan) n223802. Armor, drivetrain, steering, suspension, engine, body, and more! Get stock gearing back with our samurai gear kits. The transfer case diagram of the suzuki samurai shows the different components such as the input shaft, output shaft, gears, and shift fork. Rocky road provides 6.5:1 and 4.16 samurai transfer case gear ratios In these instructions, we refer to the different transfer case housing sections by name. Find the suzuki samurai transfer case diagram to help you understand the components and functionality of this important part of your. The photo below shows each of the housings and its. Not only does it give you great information on how. This page shows the installation of trail gear 6.5 crawler gears for the samurai transfer case. Transfer case shifter bushing replacement. Samurai transfer case manual (.pdf) suzuki samurai transfer case.
From serresstudios2.blogspot.com
42 suzuki samurai transfer case diagram Samurai Transfer Case Diagram Armor, drivetrain, steering, suspension, engine, body, and more! Get stock gearing back with our samurai gear kits. Samurai transfer case manual (.pdf) suzuki samurai transfer case. The transfer case diagram of the suzuki samurai shows the different components such as the input shaft, output shaft, gears, and shift fork. We are your source for everything samurai from oe to complete. Samurai Transfer Case Diagram.
From mungfali.com
Suzuki Samurai Transfer Case Diagram Samurai Transfer Case Diagram Get stock gearing back with our samurai gear kits. Rocky road provides 6.5:1 and 4.16 samurai transfer case gear ratios Transfer case shifter bushing replacement. The photo below shows each of the housings and its. Oem oil seal transfer suzuki samurai (made in japan) n223802. 6.5 transfer case gear kit install. Armor, drivetrain, steering, suspension, engine, body, and more! In. Samurai Transfer Case Diagram.
From mungfali.com
Suzuki Samurai Transfer Case Diagram Samurai Transfer Case Diagram The photo below shows each of the housings and its. Transfer case shifter bushing replacement. Rocky road provides 6.5:1 and 4.16 samurai transfer case gear ratios Samurai transfer case manual (.pdf) suzuki samurai transfer case. Armor, drivetrain, steering, suspension, engine, body, and more! We are your source for everything samurai from oe to complete custom. 6.5 transfer case gear kit. Samurai Transfer Case Diagram.
From mungfali.com
Suzuki Samurai Transfer Case Diagram Samurai Transfer Case Diagram Oem oil seal transfer suzuki samurai (made in japan) n223802. Rocky road provides 6.5:1 and 4.16 samurai transfer case gear ratios Not only does it give you great information on how. In these instructions, we refer to the different transfer case housing sections by name. Samurai transfer case manual (.pdf) suzuki samurai transfer case. Armor, drivetrain, steering, suspension, engine, body,. Samurai Transfer Case Diagram.
From mungfali.com
Suzuki Samurai Transfer Case Diagram Samurai Transfer Case Diagram Armor, drivetrain, steering, suspension, engine, body, and more! We are your source for everything samurai from oe to complete custom. Get stock gearing back with our samurai gear kits. Transfer case shifter bushing replacement. In these instructions, we refer to the different transfer case housing sections by name. Find the suzuki samurai transfer case diagram to help you understand the. Samurai Transfer Case Diagram.
From www.pinterest.fr
Samurai Transfercase Exploded View. All Parts Available through Low Samurai Transfer Case Diagram Get stock gearing back with our samurai gear kits. Rocky road provides 6.5:1 and 4.16 samurai transfer case gear ratios Oem oil seal transfer suzuki samurai (made in japan) n223802. 6.5 transfer case gear kit install. The photo below shows each of the housings and its. This page shows the installation of trail gear 6.5 crawler gears for the samurai. Samurai Transfer Case Diagram.
From mungfali.com
Suzuki Samurai Transfer Case Diagram Samurai Transfer Case Diagram Armor, drivetrain, steering, suspension, engine, body, and more! Rocky road provides 6.5:1 and 4.16 samurai transfer case gear ratios This page shows the installation of trail gear 6.5 crawler gears for the samurai transfer case. In these instructions, we refer to the different transfer case housing sections by name. 6.5 transfer case gear kit install. The transfer case diagram of. Samurai Transfer Case Diagram.
From mungfali.com
Suzuki Samurai Transfer Case Diagram Samurai Transfer Case Diagram This page shows the installation of trail gear 6.5 crawler gears for the samurai transfer case. We are your source for everything samurai from oe to complete custom. Get stock gearing back with our samurai gear kits. Oem oil seal transfer suzuki samurai (made in japan) n223802. Armor, drivetrain, steering, suspension, engine, body, and more! Not only does it give. Samurai Transfer Case Diagram.
From mungfali.com
Suzuki Samurai Transfer Case Diagram Samurai Transfer Case Diagram Get stock gearing back with our samurai gear kits. 6.5 transfer case gear kit install. We are your source for everything samurai from oe to complete custom. The transfer case diagram of the suzuki samurai shows the different components such as the input shaft, output shaft, gears, and shift fork. The photo below shows each of the housings and its.. Samurai Transfer Case Diagram.
From peacecommission.kdsg.gov.ng
Building A Stronger Suzuki Samurai Transfer Case Samurai Transfer Case Diagram We are your source for everything samurai from oe to complete custom. Samurai transfer case manual (.pdf) suzuki samurai transfer case. Rocky road provides 6.5:1 and 4.16 samurai transfer case gear ratios Transfer case shifter bushing replacement. The photo below shows each of the housings and its. Get stock gearing back with our samurai gear kits. Not only does it. Samurai Transfer Case Diagram.
From mungfali.com
Suzuki Samurai Transfer Case Diagram Samurai Transfer Case Diagram Samurai transfer case manual (.pdf) suzuki samurai transfer case. We are your source for everything samurai from oe to complete custom. Get stock gearing back with our samurai gear kits. The photo below shows each of the housings and its. The transfer case diagram of the suzuki samurai shows the different components such as the input shaft, output shaft, gears,. Samurai Transfer Case Diagram.
From design1systems.com
Understanding the Suzuki Samurai Transfer Case A Comprehensive Diagram Samurai Transfer Case Diagram Samurai transfer case manual (.pdf) suzuki samurai transfer case. The transfer case diagram of the suzuki samurai shows the different components such as the input shaft, output shaft, gears, and shift fork. We are your source for everything samurai from oe to complete custom. Transfer case shifter bushing replacement. 6.5 transfer case gear kit install. Armor, drivetrain, steering, suspension, engine,. Samurai Transfer Case Diagram.
From mungfali.com
Suzuki Samurai Transfer Case Diagram Samurai Transfer Case Diagram Rocky road provides 6.5:1 and 4.16 samurai transfer case gear ratios Transfer case shifter bushing replacement. The photo below shows each of the housings and its. Get stock gearing back with our samurai gear kits. Not only does it give you great information on how. We are your source for everything samurai from oe to complete custom. In these instructions,. Samurai Transfer Case Diagram.
From catalog.udlvirtual.edu.pe
Suzuki Samurai Transfer Case Parts Diagram Catalog Library Samurai Transfer Case Diagram Oem oil seal transfer suzuki samurai (made in japan) n223802. In these instructions, we refer to the different transfer case housing sections by name. We are your source for everything samurai from oe to complete custom. Get stock gearing back with our samurai gear kits. The photo below shows each of the housings and its. Find the suzuki samurai transfer. Samurai Transfer Case Diagram.
From mungfali.com
Suzuki Samurai Transfer Case Diagram Samurai Transfer Case Diagram Armor, drivetrain, steering, suspension, engine, body, and more! In these instructions, we refer to the different transfer case housing sections by name. Samurai transfer case manual (.pdf) suzuki samurai transfer case. Rocky road provides 6.5:1 and 4.16 samurai transfer case gear ratios The transfer case diagram of the suzuki samurai shows the different components such as the input shaft, output. Samurai Transfer Case Diagram.
From mungfali.com
Suzuki Samurai Transfer Case Diagram Samurai Transfer Case Diagram Transfer case shifter bushing replacement. 6.5 transfer case gear kit install. In these instructions, we refer to the different transfer case housing sections by name. Oem oil seal transfer suzuki samurai (made in japan) n223802. We are your source for everything samurai from oe to complete custom. Rocky road provides 6.5:1 and 4.16 samurai transfer case gear ratios Find the. Samurai Transfer Case Diagram.
From www.youtube.com
Samurai transfer case YouTube Samurai Transfer Case Diagram Oem oil seal transfer suzuki samurai (made in japan) n223802. Armor, drivetrain, steering, suspension, engine, body, and more! 6.5 transfer case gear kit install. Transfer case shifter bushing replacement. Samurai transfer case manual (.pdf) suzuki samurai transfer case. We are your source for everything samurai from oe to complete custom. The photo below shows each of the housings and its.. Samurai Transfer Case Diagram.
From mungfali.com
Suzuki Samurai Transfer Case Diagram Samurai Transfer Case Diagram Rocky road provides 6.5:1 and 4.16 samurai transfer case gear ratios We are your source for everything samurai from oe to complete custom. In these instructions, we refer to the different transfer case housing sections by name. Armor, drivetrain, steering, suspension, engine, body, and more! This page shows the installation of trail gear 6.5 crawler gears for the samurai transfer. Samurai Transfer Case Diagram.
From mavink.com
Samurai Transfer Case Exploded View Samurai Transfer Case Diagram Samurai transfer case manual (.pdf) suzuki samurai transfer case. Get stock gearing back with our samurai gear kits. We are your source for everything samurai from oe to complete custom. Transfer case shifter bushing replacement. In these instructions, we refer to the different transfer case housing sections by name. Rocky road provides 6.5:1 and 4.16 samurai transfer case gear ratios. Samurai Transfer Case Diagram.
From mungfali.com
Suzuki Samurai Transfer Case Diagram Samurai Transfer Case Diagram Rocky road provides 6.5:1 and 4.16 samurai transfer case gear ratios This page shows the installation of trail gear 6.5 crawler gears for the samurai transfer case. We are your source for everything samurai from oe to complete custom. Oem oil seal transfer suzuki samurai (made in japan) n223802. Not only does it give you great information on how. The. Samurai Transfer Case Diagram.
From mungfali.com
Suzuki Samurai Transfer Case Diagram Samurai Transfer Case Diagram The transfer case diagram of the suzuki samurai shows the different components such as the input shaft, output shaft, gears, and shift fork. This page shows the installation of trail gear 6.5 crawler gears for the samurai transfer case. Samurai transfer case manual (.pdf) suzuki samurai transfer case. Transfer case shifter bushing replacement. Rocky road provides 6.5:1 and 4.16 samurai. Samurai Transfer Case Diagram.
From mungfali.com
Suzuki Samurai Transfer Case Diagram Samurai Transfer Case Diagram The transfer case diagram of the suzuki samurai shows the different components such as the input shaft, output shaft, gears, and shift fork. This page shows the installation of trail gear 6.5 crawler gears for the samurai transfer case. Armor, drivetrain, steering, suspension, engine, body, and more! Rocky road provides 6.5:1 and 4.16 samurai transfer case gear ratios Find the. Samurai Transfer Case Diagram.
From mungfali.com
Suzuki Samurai Transfer Case Diagram Samurai Transfer Case Diagram The transfer case diagram of the suzuki samurai shows the different components such as the input shaft, output shaft, gears, and shift fork. Find the suzuki samurai transfer case diagram to help you understand the components and functionality of this important part of your. In these instructions, we refer to the different transfer case housing sections by name. Not only. Samurai Transfer Case Diagram.
From mungfali.com
Suzuki Samurai Transfer Case Diagram Samurai Transfer Case Diagram Not only does it give you great information on how. The photo below shows each of the housings and its. The transfer case diagram of the suzuki samurai shows the different components such as the input shaft, output shaft, gears, and shift fork. Oem oil seal transfer suzuki samurai (made in japan) n223802. Samurai transfer case manual (.pdf) suzuki samurai. Samurai Transfer Case Diagram.
From mungfali.com
Suzuki Samurai Transfer Case Diagram Samurai Transfer Case Diagram Samurai transfer case manual (.pdf) suzuki samurai transfer case. Not only does it give you great information on how. Armor, drivetrain, steering, suspension, engine, body, and more! Transfer case shifter bushing replacement. Find the suzuki samurai transfer case diagram to help you understand the components and functionality of this important part of your. We are your source for everything samurai. Samurai Transfer Case Diagram.
From mungfali.com
Suzuki Samurai Transfer Case Diagram Samurai Transfer Case Diagram Find the suzuki samurai transfer case diagram to help you understand the components and functionality of this important part of your. Rocky road provides 6.5:1 and 4.16 samurai transfer case gear ratios The transfer case diagram of the suzuki samurai shows the different components such as the input shaft, output shaft, gears, and shift fork. This page shows the installation. Samurai Transfer Case Diagram.
From mungfali.com
Suzuki Samurai Transfer Case Diagram Samurai Transfer Case Diagram The photo below shows each of the housings and its. Find the suzuki samurai transfer case diagram to help you understand the components and functionality of this important part of your. The transfer case diagram of the suzuki samurai shows the different components such as the input shaft, output shaft, gears, and shift fork. In these instructions, we refer to. Samurai Transfer Case Diagram.
From mungfali.com
Suzuki Samurai Transfer Case Diagram Samurai Transfer Case Diagram Not only does it give you great information on how. In these instructions, we refer to the different transfer case housing sections by name. The photo below shows each of the housings and its. We are your source for everything samurai from oe to complete custom. Oem oil seal transfer suzuki samurai (made in japan) n223802. Armor, drivetrain, steering, suspension,. Samurai Transfer Case Diagram.
From mungfali.com
Suzuki Samurai Transfer Case Diagram Samurai Transfer Case Diagram 6.5 transfer case gear kit install. Find the suzuki samurai transfer case diagram to help you understand the components and functionality of this important part of your. Armor, drivetrain, steering, suspension, engine, body, and more! Samurai transfer case manual (.pdf) suzuki samurai transfer case. Get stock gearing back with our samurai gear kits. Transfer case shifter bushing replacement. This page. Samurai Transfer Case Diagram.
From mungfali.com
Suzuki Samurai Transfer Case Diagram Samurai Transfer Case Diagram Samurai transfer case manual (.pdf) suzuki samurai transfer case. The photo below shows each of the housings and its. Get stock gearing back with our samurai gear kits. The transfer case diagram of the suzuki samurai shows the different components such as the input shaft, output shaft, gears, and shift fork. Find the suzuki samurai transfer case diagram to help. Samurai Transfer Case Diagram.
From design1systems.com
Understanding the Suzuki Samurai Transfer Case A Comprehensive Diagram Samurai Transfer Case Diagram Samurai transfer case manual (.pdf) suzuki samurai transfer case. Find the suzuki samurai transfer case diagram to help you understand the components and functionality of this important part of your. Oem oil seal transfer suzuki samurai (made in japan) n223802. The photo below shows each of the housings and its. We are your source for everything samurai from oe to. Samurai Transfer Case Diagram.
From mungfali.com
Suzuki Samurai Transfer Case Diagram Samurai Transfer Case Diagram The transfer case diagram of the suzuki samurai shows the different components such as the input shaft, output shaft, gears, and shift fork. In these instructions, we refer to the different transfer case housing sections by name. Transfer case shifter bushing replacement. Find the suzuki samurai transfer case diagram to help you understand the components and functionality of this important. Samurai Transfer Case Diagram.
From mungfali.com
Suzuki Samurai Transfer Case Diagram Samurai Transfer Case Diagram Not only does it give you great information on how. The transfer case diagram of the suzuki samurai shows the different components such as the input shaft, output shaft, gears, and shift fork. The photo below shows each of the housings and its. In these instructions, we refer to the different transfer case housing sections by name. This page shows. Samurai Transfer Case Diagram.
From sidetrackedoffroad.com
Samurai Transfer Case Rebuild Kits Samurai Transfer Case Diagram This page shows the installation of trail gear 6.5 crawler gears for the samurai transfer case. Rocky road provides 6.5:1 and 4.16 samurai transfer case gear ratios Samurai transfer case manual (.pdf) suzuki samurai transfer case. Oem oil seal transfer suzuki samurai (made in japan) n223802. The photo below shows each of the housings and its. Transfer case shifter bushing. Samurai Transfer Case Diagram.
From mungfali.com
Suzuki Samurai Transfer Case Diagram Samurai Transfer Case Diagram Transfer case shifter bushing replacement. We are your source for everything samurai from oe to complete custom. 6.5 transfer case gear kit install. The transfer case diagram of the suzuki samurai shows the different components such as the input shaft, output shaft, gears, and shift fork. Samurai transfer case manual (.pdf) suzuki samurai transfer case. This page shows the installation. Samurai Transfer Case Diagram.