Do Brake Lights Need A Relay . Here is a more detailed list of the signs of a bad or failing brake light switch to look for: The most common symptoms of a bad brake light switch are trouble starting the car, malfunctions with the brake lights, issues moving the gear selector, and illuminated dashboard lights. Bulbs in sockets connected to a wiring harness. A brake light switch is sometimes called a brake relay. The short answer is no. At one end, you have the lights themselves: Installing a brake light relay can greatly improve the safety of your vehicle by ensuring that the brake lights are bright and responsive. However, if you are installing a supplemental towed vehicle braking system that pushes or pulls. This is the switch that tells your car’s computer and lights that you’ve pressed the brakes. At the other end is the brake switch,. The brake light wiring system in most cars is not overly complex. Brake lights do not need a relay.
from www.2carpros.com
A brake light switch is sometimes called a brake relay. However, if you are installing a supplemental towed vehicle braking system that pushes or pulls. The short answer is no. The brake light wiring system in most cars is not overly complex. Installing a brake light relay can greatly improve the safety of your vehicle by ensuring that the brake lights are bright and responsive. Brake lights do not need a relay. Bulbs in sockets connected to a wiring harness. Here is a more detailed list of the signs of a bad or failing brake light switch to look for: At the other end is the brake switch,. At one end, you have the lights themselves:
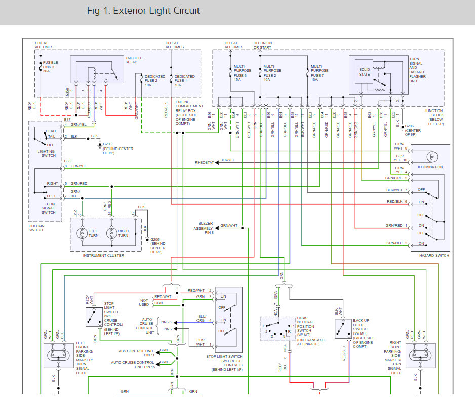
No Taillights Brake Lights or Running Lights, Need Relay Location
Do Brake Lights Need A Relay The short answer is no. At one end, you have the lights themselves: The most common symptoms of a bad brake light switch are trouble starting the car, malfunctions with the brake lights, issues moving the gear selector, and illuminated dashboard lights. Here is a more detailed list of the signs of a bad or failing brake light switch to look for: A brake light switch is sometimes called a brake relay. The short answer is no. Brake lights do not need a relay. This is the switch that tells your car’s computer and lights that you’ve pressed the brakes. At the other end is the brake switch,. Bulbs in sockets connected to a wiring harness. However, if you are installing a supplemental towed vehicle braking system that pushes or pulls. Installing a brake light relay can greatly improve the safety of your vehicle by ensuring that the brake lights are bright and responsive. The brake light wiring system in most cars is not overly complex.
From www.youtube.com
How Do Brake Lights & Turn Signals Work With RVibrakes? 🚙 YouTube Do Brake Lights Need A Relay Brake lights do not need a relay. However, if you are installing a supplemental towed vehicle braking system that pushes or pulls. Here is a more detailed list of the signs of a bad or failing brake light switch to look for: At one end, you have the lights themselves: The most common symptoms of a bad brake light switch. Do Brake Lights Need A Relay.
From discover.hubpages.com
Why Don't My Brake Lights Work? HubPages Do Brake Lights Need A Relay The short answer is no. The brake light wiring system in most cars is not overly complex. Here is a more detailed list of the signs of a bad or failing brake light switch to look for: However, if you are installing a supplemental towed vehicle braking system that pushes or pulls. Installing a brake light relay can greatly improve. Do Brake Lights Need A Relay.
From www.carid.com
Standard® RY100 Brake Light Relay Do Brake Lights Need A Relay The most common symptoms of a bad brake light switch are trouble starting the car, malfunctions with the brake lights, issues moving the gear selector, and illuminated dashboard lights. A brake light switch is sometimes called a brake relay. This is the switch that tells your car’s computer and lights that you’ve pressed the brakes. At the other end is. Do Brake Lights Need A Relay.
From www.oznium.com
Installing a Rear Brake Light Kill Switch Top Forum Picks Oznium Blog Do Brake Lights Need A Relay The most common symptoms of a bad brake light switch are trouble starting the car, malfunctions with the brake lights, issues moving the gear selector, and illuminated dashboard lights. The short answer is no. Here is a more detailed list of the signs of a bad or failing brake light switch to look for: This is the switch that tells. Do Brake Lights Need A Relay.
From manuallistsupergene.z5.web.core.windows.net
Wiring For Electric Brakes Do Brake Lights Need A Relay The short answer is no. The most common symptoms of a bad brake light switch are trouble starting the car, malfunctions with the brake lights, issues moving the gear selector, and illuminated dashboard lights. This is the switch that tells your car’s computer and lights that you’ve pressed the brakes. Here is a more detailed list of the signs of. Do Brake Lights Need A Relay.
From joitddzff.blob.core.windows.net
How To Tell If A Car Relay Is Blown at Elizabeth Broadway blog Do Brake Lights Need A Relay A brake light switch is sometimes called a brake relay. Brake lights do not need a relay. At the other end is the brake switch,. However, if you are installing a supplemental towed vehicle braking system that pushes or pulls. The short answer is no. Bulbs in sockets connected to a wiring harness. Installing a brake light relay can greatly. Do Brake Lights Need A Relay.
From diagramlibrarycroquet.z21.web.core.windows.net
12v Relay Wiring Diagram Spotlights Do Brake Lights Need A Relay Brake lights do not need a relay. However, if you are installing a supplemental towed vehicle braking system that pushes or pulls. A brake light switch is sometimes called a brake relay. This is the switch that tells your car’s computer and lights that you’ve pressed the brakes. Here is a more detailed list of the signs of a bad. Do Brake Lights Need A Relay.
From www.youtube.com
How to wire headlight relays YouTube Do Brake Lights Need A Relay The short answer is no. Installing a brake light relay can greatly improve the safety of your vehicle by ensuring that the brake lights are bright and responsive. Here is a more detailed list of the signs of a bad or failing brake light switch to look for: At one end, you have the lights themselves: However, if you are. Do Brake Lights Need A Relay.
From www.2carpros.com
No Taillights Brake Lights or Running Lights, Need Relay Location Do Brake Lights Need A Relay A brake light switch is sometimes called a brake relay. The most common symptoms of a bad brake light switch are trouble starting the car, malfunctions with the brake lights, issues moving the gear selector, and illuminated dashboard lights. At the other end is the brake switch,. Bulbs in sockets connected to a wiring harness. Here is a more detailed. Do Brake Lights Need A Relay.
From guidebadeweltxg.z4.web.core.windows.net
4 Pin Relay Wiring Diagram For Lights Do Brake Lights Need A Relay Here is a more detailed list of the signs of a bad or failing brake light switch to look for: A brake light switch is sometimes called a brake relay. Brake lights do not need a relay. Bulbs in sockets connected to a wiring harness. The most common symptoms of a bad brake light switch are trouble starting the car,. Do Brake Lights Need A Relay.
From klatspsla.blob.core.windows.net
What Size Wire For Relay at Donna Barrett blog Do Brake Lights Need A Relay A brake light switch is sometimes called a brake relay. However, if you are installing a supplemental towed vehicle braking system that pushes or pulls. The short answer is no. Brake lights do not need a relay. The most common symptoms of a bad brake light switch are trouble starting the car, malfunctions with the brake lights, issues moving the. Do Brake Lights Need A Relay.
From diagramenginealex.z6.web.core.windows.net
Wiring For Trailer Brakes And Tail Lights Do Brake Lights Need A Relay At one end, you have the lights themselves: However, if you are installing a supplemental towed vehicle braking system that pushes or pulls. At the other end is the brake switch,. This is the switch that tells your car’s computer and lights that you’ve pressed the brakes. A brake light switch is sometimes called a brake relay. The most common. Do Brake Lights Need A Relay.
From exoojvsdc.blob.core.windows.net
Automotive Relay Explained at Cynthia Dominguez blog Do Brake Lights Need A Relay At the other end is the brake switch,. Here is a more detailed list of the signs of a bad or failing brake light switch to look for: The short answer is no. However, if you are installing a supplemental towed vehicle braking system that pushes or pulls. A brake light switch is sometimes called a brake relay. This is. Do Brake Lights Need A Relay.
From www.etrailer.com
How to Wire a Third Brake Light on Trailer Do Brake Lights Need A Relay Bulbs in sockets connected to a wiring harness. The short answer is no. This is the switch that tells your car’s computer and lights that you’ve pressed the brakes. Here is a more detailed list of the signs of a bad or failing brake light switch to look for: Brake lights do not need a relay. Installing a brake light. Do Brake Lights Need A Relay.
From www.infinitybox.com
Turn Signals & Brake Lights Infinitybox Do Brake Lights Need A Relay At one end, you have the lights themselves: A brake light switch is sometimes called a brake relay. Bulbs in sockets connected to a wiring harness. The brake light wiring system in most cars is not overly complex. However, if you are installing a supplemental towed vehicle braking system that pushes or pulls. The most common symptoms of a bad. Do Brake Lights Need A Relay.
From enginelibmisallying.z14.web.core.windows.net
How To Rewire Brake Lights Do Brake Lights Need A Relay Bulbs in sockets connected to a wiring harness. The brake light wiring system in most cars is not overly complex. This is the switch that tells your car’s computer and lights that you’ve pressed the brakes. However, if you are installing a supplemental towed vehicle braking system that pushes or pulls. At one end, you have the lights themselves: Installing. Do Brake Lights Need A Relay.
From exybozcyi.blob.core.windows.net
What Amp Relay Do I Need at Elise Hester blog Do Brake Lights Need A Relay A brake light switch is sometimes called a brake relay. However, if you are installing a supplemental towed vehicle braking system that pushes or pulls. At one end, you have the lights themselves: Here is a more detailed list of the signs of a bad or failing brake light switch to look for: The short answer is no. The most. Do Brake Lights Need A Relay.
From loekiizfe.blob.core.windows.net
A Vast Majority Of Brake Lights And Turn Signal Systems Are Equipped Do Brake Lights Need A Relay Bulbs in sockets connected to a wiring harness. However, if you are installing a supplemental towed vehicle braking system that pushes or pulls. This is the switch that tells your car’s computer and lights that you’ve pressed the brakes. A brake light switch is sometimes called a brake relay. At one end, you have the lights themselves: Brake lights do. Do Brake Lights Need A Relay.
From fixlibraryvormerkene1.z4.web.core.windows.net
4 Pin Relay Wiring Diagram For Lights Do Brake Lights Need A Relay The most common symptoms of a bad brake light switch are trouble starting the car, malfunctions with the brake lights, issues moving the gear selector, and illuminated dashboard lights. A brake light switch is sometimes called a brake relay. However, if you are installing a supplemental towed vehicle braking system that pushes or pulls. Bulbs in sockets connected to a. Do Brake Lights Need A Relay.
From mydiagram.online
[DIAGRAM] 5 Pin Relay Wiring Diagram Dexter Brakes Do Brake Lights Need A Relay Installing a brake light relay can greatly improve the safety of your vehicle by ensuring that the brake lights are bright and responsive. This is the switch that tells your car’s computer and lights that you’ve pressed the brakes. The most common symptoms of a bad brake light switch are trouble starting the car, malfunctions with the brake lights, issues. Do Brake Lights Need A Relay.
From libloynutational.z21.web.core.windows.net
Light Bar Relay Wiring Do Brake Lights Need A Relay Brake lights do not need a relay. Here is a more detailed list of the signs of a bad or failing brake light switch to look for: However, if you are installing a supplemental towed vehicle braking system that pushes or pulls. Bulbs in sockets connected to a wiring harness. Installing a brake light relay can greatly improve the safety. Do Brake Lights Need A Relay.
From exokyzcva.blob.core.windows.net
Discovery 1 Headlight Relay Location at Ben Hanna blog Do Brake Lights Need A Relay At one end, you have the lights themselves: Brake lights do not need a relay. At the other end is the brake switch,. The most common symptoms of a bad brake light switch are trouble starting the car, malfunctions with the brake lights, issues moving the gear selector, and illuminated dashboard lights. The brake light wiring system in most cars. Do Brake Lights Need A Relay.
From www.samarins.com
Brake light switch symptoms, problems, testing, replacement Do Brake Lights Need A Relay At the other end is the brake switch,. This is the switch that tells your car’s computer and lights that you’ve pressed the brakes. Brake lights do not need a relay. Here is a more detailed list of the signs of a bad or failing brake light switch to look for: Installing a brake light relay can greatly improve the. Do Brake Lights Need A Relay.
From joievahza.blob.core.windows.net
Brake Light Wiring Switch Is Broken at Brandon Spadafora blog Do Brake Lights Need A Relay This is the switch that tells your car’s computer and lights that you’ve pressed the brakes. However, if you are installing a supplemental towed vehicle braking system that pushes or pulls. Brake lights do not need a relay. Here is a more detailed list of the signs of a bad or failing brake light switch to look for: Installing a. Do Brake Lights Need A Relay.
From guidediagrambumfreezer.z21.web.core.windows.net
How To Wire A Relay For Headlights Do Brake Lights Need A Relay Installing a brake light relay can greatly improve the safety of your vehicle by ensuring that the brake lights are bright and responsive. At the other end is the brake switch,. At one end, you have the lights themselves: The short answer is no. However, if you are installing a supplemental towed vehicle braking system that pushes or pulls. Bulbs. Do Brake Lights Need A Relay.
From guidefixkuester.z19.web.core.windows.net
How To Wire A Standard Automotive Relay Do Brake Lights Need A Relay Bulbs in sockets connected to a wiring harness. Brake lights do not need a relay. At the other end is the brake switch,. Installing a brake light relay can greatly improve the safety of your vehicle by ensuring that the brake lights are bright and responsive. The short answer is no. This is the switch that tells your car’s computer. Do Brake Lights Need A Relay.
From wiringdiagramall.blogspot.com
Wiring Diagram For Light Relay Do Brake Lights Need A Relay This is the switch that tells your car’s computer and lights that you’ve pressed the brakes. Bulbs in sockets connected to a wiring harness. The most common symptoms of a bad brake light switch are trouble starting the car, malfunctions with the brake lights, issues moving the gear selector, and illuminated dashboard lights. At one end, you have the lights. Do Brake Lights Need A Relay.
From priuschat.com
Do brake lights come on each time you apply the brakes? PriusChat Do Brake Lights Need A Relay The most common symptoms of a bad brake light switch are trouble starting the car, malfunctions with the brake lights, issues moving the gear selector, and illuminated dashboard lights. At one end, you have the lights themselves: At the other end is the brake switch,. This is the switch that tells your car’s computer and lights that you’ve pressed the. Do Brake Lights Need A Relay.
From dxoraxdoz.blob.core.windows.net
Brake Light Switch Is Defective at Martha Blum blog Do Brake Lights Need A Relay Here is a more detailed list of the signs of a bad or failing brake light switch to look for: The short answer is no. The most common symptoms of a bad brake light switch are trouble starting the car, malfunctions with the brake lights, issues moving the gear selector, and illuminated dashboard lights. Brake lights do not need a. Do Brake Lights Need A Relay.
From joiuxewlt.blob.core.windows.net
How To Turn On Chevy Hazard Lights at Catherine Dombroski blog Do Brake Lights Need A Relay Here is a more detailed list of the signs of a bad or failing brake light switch to look for: This is the switch that tells your car’s computer and lights that you’ve pressed the brakes. The brake light wiring system in most cars is not overly complex. Bulbs in sockets connected to a wiring harness. At the other end. Do Brake Lights Need A Relay.
From circuitlibbottega.z21.web.core.windows.net
Peterbilt Relays Behind Dash Diagram Do Brake Lights Need A Relay At one end, you have the lights themselves: The short answer is no. At the other end is the brake switch,. The brake light wiring system in most cars is not overly complex. A brake light switch is sometimes called a brake relay. Installing a brake light relay can greatly improve the safety of your vehicle by ensuring that the. Do Brake Lights Need A Relay.
From dxopalyhp.blob.core.windows.net
Brake Lights Va Code at Yvette Phillips blog Do Brake Lights Need A Relay Brake lights do not need a relay. This is the switch that tells your car’s computer and lights that you’ve pressed the brakes. The short answer is no. A brake light switch is sometimes called a brake relay. Here is a more detailed list of the signs of a bad or failing brake light switch to look for: However, if. Do Brake Lights Need A Relay.
From exohxqmhd.blob.core.windows.net
How Do Headlight Relays Work at Jonathan Collins blog Do Brake Lights Need A Relay Installing a brake light relay can greatly improve the safety of your vehicle by ensuring that the brake lights are bright and responsive. At one end, you have the lights themselves: This is the switch that tells your car’s computer and lights that you’ve pressed the brakes. At the other end is the brake switch,. The short answer is no.. Do Brake Lights Need A Relay.
From loeffnhiv.blob.core.windows.net
How To Wire Led Brake Lights at Charles Lomanto blog Do Brake Lights Need A Relay Installing a brake light relay can greatly improve the safety of your vehicle by ensuring that the brake lights are bright and responsive. The short answer is no. At the other end is the brake switch,. Here is a more detailed list of the signs of a bad or failing brake light switch to look for: Brake lights do not. Do Brake Lights Need A Relay.
From driverlessrevolutions.com
Do Brake Lights Come On When Car Is Off? Explained Do Brake Lights Need A Relay At one end, you have the lights themselves: Here is a more detailed list of the signs of a bad or failing brake light switch to look for: However, if you are installing a supplemental towed vehicle braking system that pushes or pulls. Brake lights do not need a relay. The most common symptoms of a bad brake light switch. Do Brake Lights Need A Relay.