Why Do I Have Running Lights But No Brake Lights . Tail lights not working but your brake lights work. Uncover six steps to diagnose the problem and get a cost estimate. Tail lights not working but brake lights are: If the brake lights work but the tail lights don’t, it’s usually due to a problem with the fuse, bulbs, wiring, or a faulty relay. It can also be caused by a blown fuse, a bad brake light switch, or issues. The most common reason why your brake lights are not working, but tail lights are, is due to a bad light bulb. Wondering why your tail lights aren’t working but your brake lights are? There are a few troubleshooting steps that you can run through to determine why your running lights are not working. The first step that i. Here are 6 reasons why your tail lights don't work but brake lights do and how to fix it. When your tail lamps don't work, it's a major safety concern.
from manualdatacurbable.z13.web.core.windows.net
Uncover six steps to diagnose the problem and get a cost estimate. There are a few troubleshooting steps that you can run through to determine why your running lights are not working. If the brake lights work but the tail lights don’t, it’s usually due to a problem with the fuse, bulbs, wiring, or a faulty relay. The first step that i. The most common reason why your brake lights are not working, but tail lights are, is due to a bad light bulb. When your tail lamps don't work, it's a major safety concern. It can also be caused by a blown fuse, a bad brake light switch, or issues. Wondering why your tail lights aren’t working but your brake lights are? Tail lights not working but brake lights are: Tail lights not working but your brake lights work.
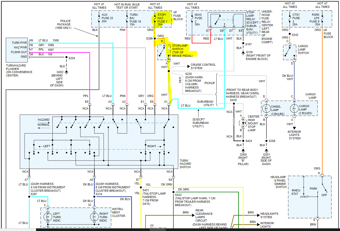
Turn Signal Works But No Brake Lights
Why Do I Have Running Lights But No Brake Lights Uncover six steps to diagnose the problem and get a cost estimate. Tail lights not working but brake lights are: When your tail lamps don't work, it's a major safety concern. There are a few troubleshooting steps that you can run through to determine why your running lights are not working. Here are 6 reasons why your tail lights don't work but brake lights do and how to fix it. The first step that i. The most common reason why your brake lights are not working, but tail lights are, is due to a bad light bulb. Tail lights not working but your brake lights work. Uncover six steps to diagnose the problem and get a cost estimate. If the brake lights work but the tail lights don’t, it’s usually due to a problem with the fuse, bulbs, wiring, or a faulty relay. It can also be caused by a blown fuse, a bad brake light switch, or issues. Wondering why your tail lights aren’t working but your brake lights are?
From axleaddict.com
Why Don't My Brake Lights Work? AxleAddict Why Do I Have Running Lights But No Brake Lights Tail lights not working but brake lights are: Wondering why your tail lights aren’t working but your brake lights are? Tail lights not working but your brake lights work. If the brake lights work but the tail lights don’t, it’s usually due to a problem with the fuse, bulbs, wiring, or a faulty relay. Uncover six steps to diagnose the. Why Do I Have Running Lights But No Brake Lights.
From www.justanswer.com
No running lights, no brake lights no instrment panel lights and we keep popping a 60 amp fuse Why Do I Have Running Lights But No Brake Lights Here are 6 reasons why your tail lights don't work but brake lights do and how to fix it. Tail lights not working but brake lights are: When your tail lamps don't work, it's a major safety concern. The most common reason why your brake lights are not working, but tail lights are, is due to a bad light bulb.. Why Do I Have Running Lights But No Brake Lights.
From www.justanswer.com
I have no brake lights. Running lights and turn signals still work. 2001 Dodge Dakota sport… 3.9 Why Do I Have Running Lights But No Brake Lights Here are 6 reasons why your tail lights don't work but brake lights do and how to fix it. Wondering why your tail lights aren’t working but your brake lights are? Tail lights not working but brake lights are: When your tail lamps don't work, it's a major safety concern. The first step that i. Tail lights not working but. Why Do I Have Running Lights But No Brake Lights.
From fyoiobczd.blob.core.windows.net
Have Tail Lights But No Brake Lights at William Simpson blog Why Do I Have Running Lights But No Brake Lights When your tail lamps don't work, it's a major safety concern. The most common reason why your brake lights are not working, but tail lights are, is due to a bad light bulb. Here are 6 reasons why your tail lights don't work but brake lights do and how to fix it. Tail lights not working but your brake lights. Why Do I Have Running Lights But No Brake Lights.
From www.cargurus.com
Chevrolet Lumina Questions I have running lights but no brake lights what could cause that Why Do I Have Running Lights But No Brake Lights If the brake lights work but the tail lights don’t, it’s usually due to a problem with the fuse, bulbs, wiring, or a faulty relay. There are a few troubleshooting steps that you can run through to determine why your running lights are not working. The most common reason why your brake lights are not working, but tail lights are,. Why Do I Have Running Lights But No Brake Lights.
From thegrumpymechanic.com
Reasons Why your Brake Lights Don’t Work When Headlights Are On Why Do I Have Running Lights But No Brake Lights When your tail lamps don't work, it's a major safety concern. Uncover six steps to diagnose the problem and get a cost estimate. The first step that i. Wondering why your tail lights aren’t working but your brake lights are? Here are 6 reasons why your tail lights don't work but brake lights do and how to fix it. Tail. Why Do I Have Running Lights But No Brake Lights.
From www.youtube.com
97 98 no brake lights Chevy Silverado YouTube Why Do I Have Running Lights But No Brake Lights Tail lights not working but brake lights are: Wondering why your tail lights aren’t working but your brake lights are? Tail lights not working but your brake lights work. Here are 6 reasons why your tail lights don't work but brake lights do and how to fix it. The first step that i. If the brake lights work but the. Why Do I Have Running Lights But No Brake Lights.
From www.justanswer.com
No running lights, no brake lights no instrment panel lights and we keep popping a 60 amp fuse Why Do I Have Running Lights But No Brake Lights If the brake lights work but the tail lights don’t, it’s usually due to a problem with the fuse, bulbs, wiring, or a faulty relay. Tail lights not working but brake lights are: The most common reason why your brake lights are not working, but tail lights are, is due to a bad light bulb. When your tail lamps don't. Why Do I Have Running Lights But No Brake Lights.
From www.youtube.com
WHY BRAKE LIGHTS DO NOT WORK ON FORD. STOP LIGHTS NOT WORKING FIX YouTube Why Do I Have Running Lights But No Brake Lights There are a few troubleshooting steps that you can run through to determine why your running lights are not working. Tail lights not working but your brake lights work. Here are 6 reasons why your tail lights don't work but brake lights do and how to fix it. Wondering why your tail lights aren’t working but your brake lights are?. Why Do I Have Running Lights But No Brake Lights.
From www.justanswer.com
I have a 98.5 3500 24valve that has a flatbed on it and I have no brake light and no running Why Do I Have Running Lights But No Brake Lights When your tail lamps don't work, it's a major safety concern. If the brake lights work but the tail lights don’t, it’s usually due to a problem with the fuse, bulbs, wiring, or a faulty relay. Tail lights not working but brake lights are: It can also be caused by a blown fuse, a bad brake light switch, or issues.. Why Do I Have Running Lights But No Brake Lights.
From www.2carpros.com
I Have No Brake Lights I Need to Fix It Why Do I Have Running Lights But No Brake Lights Uncover six steps to diagnose the problem and get a cost estimate. The first step that i. Tail lights not working but brake lights are: Wondering why your tail lights aren’t working but your brake lights are? Tail lights not working but your brake lights work. There are a few troubleshooting steps that you can run through to determine why. Why Do I Have Running Lights But No Brake Lights.
From www.youtube.com
How to fix brake lights or turn signals that aren't working (without removing the dash) YouTube Why Do I Have Running Lights But No Brake Lights If the brake lights work but the tail lights don’t, it’s usually due to a problem with the fuse, bulbs, wiring, or a faulty relay. There are a few troubleshooting steps that you can run through to determine why your running lights are not working. The first step that i. The most common reason why your brake lights are not. Why Do I Have Running Lights But No Brake Lights.
From www.2carpros.com
The Driver's Side Taillight Running Light Not Working, Brake Why Do I Have Running Lights But No Brake Lights Uncover six steps to diagnose the problem and get a cost estimate. It can also be caused by a blown fuse, a bad brake light switch, or issues. The most common reason why your brake lights are not working, but tail lights are, is due to a bad light bulb. Tail lights not working but brake lights are: When your. Why Do I Have Running Lights But No Brake Lights.
From bradscartunes.com
Brake Lights Won't Turn Off (Top 7 Reasons) Brads Cartunes Why Do I Have Running Lights But No Brake Lights Here are 6 reasons why your tail lights don't work but brake lights do and how to fix it. Wondering why your tail lights aren’t working but your brake lights are? Tail lights not working but your brake lights work. When your tail lamps don't work, it's a major safety concern. Tail lights not working but brake lights are: It. Why Do I Have Running Lights But No Brake Lights.
From www.crxcommunity.com
Please help, I have NO brake lights Honda CRX Forum Why Do I Have Running Lights But No Brake Lights Tail lights not working but brake lights are: It can also be caused by a blown fuse, a bad brake light switch, or issues. Here are 6 reasons why your tail lights don't work but brake lights do and how to fix it. The first step that i. The most common reason why your brake lights are not working, but. Why Do I Have Running Lights But No Brake Lights.
From www.youtube.com
Trailer Running Lights Do NOT Work but Brake Lights and Turn Signals Do YouTube Why Do I Have Running Lights But No Brake Lights Wondering why your tail lights aren’t working but your brake lights are? If the brake lights work but the tail lights don’t, it’s usually due to a problem with the fuse, bulbs, wiring, or a faulty relay. When your tail lamps don't work, it's a major safety concern. The most common reason why your brake lights are not working, but. Why Do I Have Running Lights But No Brake Lights.
From homeminimalisite.com
Why Do My Trailer Running Lights Work But Not Brake Why Do I Have Running Lights But No Brake Lights Tail lights not working but your brake lights work. Tail lights not working but brake lights are: Wondering why your tail lights aren’t working but your brake lights are? Here are 6 reasons why your tail lights don't work but brake lights do and how to fix it. Uncover six steps to diagnose the problem and get a cost estimate.. Why Do I Have Running Lights But No Brake Lights.
From www.stevesnovasite.com
1966 SS No I/P lights, no running lights, no brake lights, no dome light. Chevy Nova Forum Why Do I Have Running Lights But No Brake Lights It can also be caused by a blown fuse, a bad brake light switch, or issues. Wondering why your tail lights aren’t working but your brake lights are? Tail lights not working but brake lights are: The most common reason why your brake lights are not working, but tail lights are, is due to a bad light bulb. When your. Why Do I Have Running Lights But No Brake Lights.
From diagramsgumbs.mammeinazione.it
[DIAGRAM] Trailer Running Lights But No Brake Lights Or Turn Signals Wiring Diagram FULL Version Why Do I Have Running Lights But No Brake Lights The most common reason why your brake lights are not working, but tail lights are, is due to a bad light bulb. Wondering why your tail lights aren’t working but your brake lights are? Uncover six steps to diagnose the problem and get a cost estimate. When your tail lamps don't work, it's a major safety concern. Here are 6. Why Do I Have Running Lights But No Brake Lights.
From www.youtube.com
No Brake Lights Or Turn Signals? Try This Easy Fix (8898) Chevy/GMC YouTube Why Do I Have Running Lights But No Brake Lights It can also be caused by a blown fuse, a bad brake light switch, or issues. The first step that i. If the brake lights work but the tail lights don’t, it’s usually due to a problem with the fuse, bulbs, wiring, or a faulty relay. When your tail lamps don't work, it's a major safety concern. The most common. Why Do I Have Running Lights But No Brake Lights.
From www.stevesnovasite.com
1966 SS No I/P lights, no running lights, no brake lights, no dome light. Chevy Nova Forum Why Do I Have Running Lights But No Brake Lights It can also be caused by a blown fuse, a bad brake light switch, or issues. There are a few troubleshooting steps that you can run through to determine why your running lights are not working. If the brake lights work but the tail lights don’t, it’s usually due to a problem with the fuse, bulbs, wiring, or a faulty. Why Do I Have Running Lights But No Brake Lights.
From www.2carpros.com
Wiring Diagrams Truck Has No Brake Lights Why Do I Have Running Lights But No Brake Lights There are a few troubleshooting steps that you can run through to determine why your running lights are not working. Tail lights not working but brake lights are: Wondering why your tail lights aren’t working but your brake lights are? Here are 6 reasons why your tail lights don't work but brake lights do and how to fix it. Uncover. Why Do I Have Running Lights But No Brake Lights.
From www.justanswer.com
No running lights, no brake lights no instrment panel lights and we keep popping a 60 amp fuse Why Do I Have Running Lights But No Brake Lights When your tail lamps don't work, it's a major safety concern. Here are 6 reasons why your tail lights don't work but brake lights do and how to fix it. Tail lights not working but your brake lights work. If the brake lights work but the tail lights don’t, it’s usually due to a problem with the fuse, bulbs, wiring,. Why Do I Have Running Lights But No Brake Lights.
From www.2carpros.com
Suddenly the Brake Lights Stopped Working, Why? Why Do I Have Running Lights But No Brake Lights If the brake lights work but the tail lights don’t, it’s usually due to a problem with the fuse, bulbs, wiring, or a faulty relay. Uncover six steps to diagnose the problem and get a cost estimate. There are a few troubleshooting steps that you can run through to determine why your running lights are not working. The most common. Why Do I Have Running Lights But No Brake Lights.
From www.2carpros.com
No Brake Lights? I Have No Brakes Lights at All, My Lights Work Why Do I Have Running Lights But No Brake Lights Tail lights not working but brake lights are: There are a few troubleshooting steps that you can run through to determine why your running lights are not working. The first step that i. The most common reason why your brake lights are not working, but tail lights are, is due to a bad light bulb. Wondering why your tail lights. Why Do I Have Running Lights But No Brake Lights.
From www.2carpros.com
Brake Lights Are Not Working Brake Lights Not Working None. Why Do I Have Running Lights But No Brake Lights Tail lights not working but brake lights are: The first step that i. Wondering why your tail lights aren’t working but your brake lights are? Uncover six steps to diagnose the problem and get a cost estimate. If the brake lights work but the tail lights don’t, it’s usually due to a problem with the fuse, bulbs, wiring, or a. Why Do I Have Running Lights But No Brake Lights.
From www.justanswer.com
We have required changed all bulbs we have signal lights park lights but no brake lights can you Why Do I Have Running Lights But No Brake Lights When your tail lamps don't work, it's a major safety concern. The first step that i. Wondering why your tail lights aren’t working but your brake lights are? Tail lights not working but your brake lights work. If the brake lights work but the tail lights don’t, it’s usually due to a problem with the fuse, bulbs, wiring, or a. Why Do I Have Running Lights But No Brake Lights.
From www.youtube.com
How to Repair No Brake Lights but Third Brake Light Works (Turn Signal Switch Replacement) YouTube Why Do I Have Running Lights But No Brake Lights If the brake lights work but the tail lights don’t, it’s usually due to a problem with the fuse, bulbs, wiring, or a faulty relay. The first step that i. Uncover six steps to diagnose the problem and get a cost estimate. The most common reason why your brake lights are not working, but tail lights are, is due to. Why Do I Have Running Lights But No Brake Lights.
From americanwarmoms.org
Why Are Brake Lights On When Car Is Off Why Do I Have Running Lights But No Brake Lights Tail lights not working but your brake lights work. It can also be caused by a blown fuse, a bad brake light switch, or issues. Here are 6 reasons why your tail lights don't work but brake lights do and how to fix it. The first step that i. The most common reason why your brake lights are not working,. Why Do I Have Running Lights But No Brake Lights.
From www.2carpros.com
No Brake Lights? I Have No Brakes Lights at All, My Lights Work Why Do I Have Running Lights But No Brake Lights Wondering why your tail lights aren’t working but your brake lights are? It can also be caused by a blown fuse, a bad brake light switch, or issues. Uncover six steps to diagnose the problem and get a cost estimate. When your tail lamps don't work, it's a major safety concern. The first step that i. Here are 6 reasons. Why Do I Have Running Lights But No Brake Lights.
From www.2carpros.com
No Brake Lights Have All Lights Working and Turn Signals Working... Why Do I Have Running Lights But No Brake Lights The first step that i. Wondering why your tail lights aren’t working but your brake lights are? Tail lights not working but brake lights are: Tail lights not working but your brake lights work. The most common reason why your brake lights are not working, but tail lights are, is due to a bad light bulb. Here are 6 reasons. Why Do I Have Running Lights But No Brake Lights.
From manualdatacurbable.z13.web.core.windows.net
Turn Signal Works But No Brake Lights Why Do I Have Running Lights But No Brake Lights Tail lights not working but brake lights are: Here are 6 reasons why your tail lights don't work but brake lights do and how to fix it. If the brake lights work but the tail lights don’t, it’s usually due to a problem with the fuse, bulbs, wiring, or a faulty relay. When your tail lamps don't work, it's a. Why Do I Have Running Lights But No Brake Lights.
From www.justanswer.com
2001 F650 with 5.9 Cummins No brake lights or turn signals but do have running lights. Def not a Why Do I Have Running Lights But No Brake Lights Wondering why your tail lights aren’t working but your brake lights are? Here are 6 reasons why your tail lights don't work but brake lights do and how to fix it. It can also be caused by a blown fuse, a bad brake light switch, or issues. Uncover six steps to diagnose the problem and get a cost estimate. When. Why Do I Have Running Lights But No Brake Lights.
From www.2carpros.com
Brake Lights Are Not Working My Taillights, Blinker, Hazard, and Why Do I Have Running Lights But No Brake Lights When your tail lamps don't work, it's a major safety concern. Tail lights not working but brake lights are: Here are 6 reasons why your tail lights don't work but brake lights do and how to fix it. Uncover six steps to diagnose the problem and get a cost estimate. It can also be caused by a blown fuse, a. Why Do I Have Running Lights But No Brake Lights.
From www.2carpros.com
Suddenly the Brake Lights Stopped Working, Why? Why Do I Have Running Lights But No Brake Lights The first step that i. Here are 6 reasons why your tail lights don't work but brake lights do and how to fix it. Uncover six steps to diagnose the problem and get a cost estimate. Tail lights not working but your brake lights work. The most common reason why your brake lights are not working, but tail lights are,. Why Do I Have Running Lights But No Brake Lights.