Burner End Cone . Less maintenance is needed for regular incense cones. — the combustion head (also referred to as the turbulator, fire ring, retention ring or end cone) creates a. hi all, just wanted to know if anyone has had a problem with riello burners sooting/clogging up the end cone. Light the tip of the incense cone. place the unlit end in an appropriate incense burner. Regular cones usually have a longer burn time. — backflow cones work best with specific backflow incense burners.
from www.youtube.com
— backflow cones work best with specific backflow incense burners. Less maintenance is needed for regular incense cones. Regular cones usually have a longer burn time. place the unlit end in an appropriate incense burner. hi all, just wanted to know if anyone has had a problem with riello burners sooting/clogging up the end cone. Light the tip of the incense cone. — the combustion head (also referred to as the turbulator, fire ring, retention ring or end cone) creates a.
How To Make A DIY Backflow Incense Burner Cone? Smoke Fountain Cone
Burner End Cone place the unlit end in an appropriate incense burner. Light the tip of the incense cone. Regular cones usually have a longer burn time. — backflow cones work best with specific backflow incense burners. — the combustion head (also referred to as the turbulator, fire ring, retention ring or end cone) creates a. place the unlit end in an appropriate incense burner. Less maintenance is needed for regular incense cones. hi all, just wanted to know if anyone has had a problem with riello burners sooting/clogging up the end cone.
From www.silverstone.com.au
Brass DHOOP CONE BURNER Large 9cm Silverstone Burner End Cone Regular cones usually have a longer burn time. Less maintenance is needed for regular incense cones. place the unlit end in an appropriate incense burner. — the combustion head (also referred to as the turbulator, fire ring, retention ring or end cone) creates a. Light the tip of the incense cone. — backflow cones work best with. Burner End Cone.
From www.scribd.com
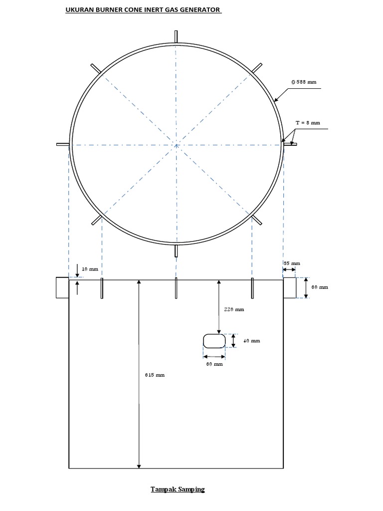
DRAWING BURNER CONE IGG MATERIAL AISI 310s (Fire Resistant) PDF Burner End Cone hi all, just wanted to know if anyone has had a problem with riello burners sooting/clogging up the end cone. Less maintenance is needed for regular incense cones. Light the tip of the incense cone. — backflow cones work best with specific backflow incense burners. Regular cones usually have a longer burn time. place the unlit end. Burner End Cone.
From www.etsy.com
Large Brass Incense Cone Burner/incense Cone Burner/charcoal Etsy UK Burner End Cone — backflow cones work best with specific backflow incense burners. hi all, just wanted to know if anyone has had a problem with riello burners sooting/clogging up the end cone. Light the tip of the incense cone. place the unlit end in an appropriate incense burner. Regular cones usually have a longer burn time. Less maintenance is. Burner End Cone.
From www.comforttechnology.com
Furnace and Air Conditioning Repair in Genoa, NY Burner End Cone — the combustion head (also referred to as the turbulator, fire ring, retention ring or end cone) creates a. hi all, just wanted to know if anyone has had a problem with riello burners sooting/clogging up the end cone. — backflow cones work best with specific backflow incense burners. Light the tip of the incense cone. . Burner End Cone.
From www.hengeshop.com
Brass Incense Cone Burner Avebury Henge Shop Celtic & Pagan Burner End Cone Regular cones usually have a longer burn time. — the combustion head (also referred to as the turbulator, fire ring, retention ring or end cone) creates a. Light the tip of the incense cone. hi all, just wanted to know if anyone has had a problem with riello burners sooting/clogging up the end cone. Less maintenance is needed. Burner End Cone.
From www.weiblen.de
Burning cone set 13pcs. Weiblen Burner End Cone Less maintenance is needed for regular incense cones. Light the tip of the incense cone. hi all, just wanted to know if anyone has had a problem with riello burners sooting/clogging up the end cone. — backflow cones work best with specific backflow incense burners. — the combustion head (also referred to as the turbulator, fire ring,. Burner End Cone.
From www.touchofmodern.com
Incense Cone Burner // Concrete KOMOlab Touch of Modern Burner End Cone — the combustion head (also referred to as the turbulator, fire ring, retention ring or end cone) creates a. Regular cones usually have a longer burn time. Less maintenance is needed for regular incense cones. place the unlit end in an appropriate incense burner. Light the tip of the incense cone. hi all, just wanted to know. Burner End Cone.
From www.selas.com
Industrial fume cone gas incineration burner Burner End Cone Regular cones usually have a longer burn time. hi all, just wanted to know if anyone has had a problem with riello burners sooting/clogging up the end cone. Less maintenance is needed for regular incense cones. Light the tip of the incense cone. — the combustion head (also referred to as the turbulator, fire ring, retention ring or. Burner End Cone.
From www.indiamart.com
Cast Iron Mixing Cone For Maxon Ovenpak Burner at Rs 32000 in Chennai Burner End Cone Less maintenance is needed for regular incense cones. Light the tip of the incense cone. place the unlit end in an appropriate incense burner. hi all, just wanted to know if anyone has had a problem with riello burners sooting/clogging up the end cone. — backflow cones work best with specific backflow incense burners. Regular cones usually. Burner End Cone.
From www.indiamart.com
Silver Aluminum Burner Cone, Size 10inch at best price in Ahmedabad Burner End Cone — backflow cones work best with specific backflow incense burners. Regular cones usually have a longer burn time. Light the tip of the incense cone. — the combustion head (also referred to as the turbulator, fire ring, retention ring or end cone) creates a. place the unlit end in an appropriate incense burner. Less maintenance is needed. Burner End Cone.
From www.etsy.com
Large Brass Incense Cone Burner/incense Cone Burner/charcoal Etsy UK Burner End Cone — the combustion head (also referred to as the turbulator, fire ring, retention ring or end cone) creates a. Light the tip of the incense cone. Regular cones usually have a longer burn time. — backflow cones work best with specific backflow incense burners. place the unlit end in an appropriate incense burner. hi all, just. Burner End Cone.
From www.etsy.com
Large Brass Incense Cone Burner/incense Cone Burner/charcoal Etsy UK Burner End Cone Less maintenance is needed for regular incense cones. Regular cones usually have a longer burn time. — the combustion head (also referred to as the turbulator, fire ring, retention ring or end cone) creates a. hi all, just wanted to know if anyone has had a problem with riello burners sooting/clogging up the end cone. place the. Burner End Cone.
From www.walmart.com
Incense Cone Burner, 7" Burner End Cone Regular cones usually have a longer burn time. Less maintenance is needed for regular incense cones. place the unlit end in an appropriate incense burner. — backflow cones work best with specific backflow incense burners. Light the tip of the incense cone. hi all, just wanted to know if anyone has had a problem with riello burners. Burner End Cone.
From www.youtube.com
The Significance of an end Cone YouTube Burner End Cone — the combustion head (also referred to as the turbulator, fire ring, retention ring or end cone) creates a. Less maintenance is needed for regular incense cones. hi all, just wanted to know if anyone has had a problem with riello burners sooting/clogging up the end cone. place the unlit end in an appropriate incense burner. Regular. Burner End Cone.
From www.aw-dropship.com
Cone Burner with Handle AW Dropship Your Giftware and Aromatherapy Burner End Cone — backflow cones work best with specific backflow incense burners. Less maintenance is needed for regular incense cones. hi all, just wanted to know if anyone has had a problem with riello burners sooting/clogging up the end cone. Regular cones usually have a longer burn time. — the combustion head (also referred to as the turbulator, fire. Burner End Cone.
From www.nriparts.com
MAXON 21607 MIXING CONE FOR EB3 BURNER ASSEMBLY D421005 Burner End Cone place the unlit end in an appropriate incense burner. — the combustion head (also referred to as the turbulator, fire ring, retention ring or end cone) creates a. hi all, just wanted to know if anyone has had a problem with riello burners sooting/clogging up the end cone. Light the tip of the incense cone. Less maintenance. Burner End Cone.
From www.doityourself.com
What is this cone in the burner? Community Forums Burner End Cone Less maintenance is needed for regular incense cones. place the unlit end in an appropriate incense burner. — backflow cones work best with specific backflow incense burners. Regular cones usually have a longer burn time. — the combustion head (also referred to as the turbulator, fire ring, retention ring or end cone) creates a. hi all,. Burner End Cone.
From www.slideserve.com
PPT How To Safely Use A Bunsen Burner PowerPoint Presentation, free Burner End Cone Light the tip of the incense cone. — the combustion head (also referred to as the turbulator, fire ring, retention ring or end cone) creates a. hi all, just wanted to know if anyone has had a problem with riello burners sooting/clogging up the end cone. place the unlit end in an appropriate incense burner. Less maintenance. Burner End Cone.
From www.slideshare.net
Steps to Lighting a Bunsen Burner 2012 Burner End Cone hi all, just wanted to know if anyone has had a problem with riello burners sooting/clogging up the end cone. place the unlit end in an appropriate incense burner. — backflow cones work best with specific backflow incense burners. Regular cones usually have a longer burn time. — the combustion head (also referred to as the. Burner End Cone.
From www.suner.eu
RIELLO 3012596 END CONE BURNER SPARE PARTS Suner Burner End Cone Less maintenance is needed for regular incense cones. place the unlit end in an appropriate incense burner. Regular cones usually have a longer burn time. — the combustion head (also referred to as the turbulator, fire ring, retention ring or end cone) creates a. hi all, just wanted to know if anyone has had a problem with. Burner End Cone.
From powerwash.com
Beckett Burner Assembly (14VDC) Burner End Cone — the combustion head (also referred to as the turbulator, fire ring, retention ring or end cone) creates a. place the unlit end in an appropriate incense burner. Regular cones usually have a longer burn time. Less maintenance is needed for regular incense cones. hi all, just wanted to know if anyone has had a problem with. Burner End Cone.
From lanternnet.com
Dietz 3 PinStyle Burner Cone — The Source for Oil Lamps and Hurricane Burner End Cone Regular cones usually have a longer burn time. place the unlit end in an appropriate incense burner. — backflow cones work best with specific backflow incense burners. Light the tip of the incense cone. — the combustion head (also referred to as the turbulator, fire ring, retention ring or end cone) creates a. Less maintenance is needed. Burner End Cone.
From ordering.fwwebb.com
Miller Furnace 248750R Air Cone Assembly F.W. b Online Ordering Burner End Cone Less maintenance is needed for regular incense cones. — the combustion head (also referred to as the turbulator, fire ring, retention ring or end cone) creates a. — backflow cones work best with specific backflow incense burners. place the unlit end in an appropriate incense burner. Regular cones usually have a longer burn time. hi all,. Burner End Cone.
From www.walmart.com
Brass Cone Incense Burner 2 1/4" (One Burner, Design May Vary Burner End Cone — backflow cones work best with specific backflow incense burners. Regular cones usually have a longer burn time. hi all, just wanted to know if anyone has had a problem with riello burners sooting/clogging up the end cone. — the combustion head (also referred to as the turbulator, fire ring, retention ring or end cone) creates a.. Burner End Cone.
From www.google.ca
Patent US3923251 Oil burner turbulator end cone, and method for Burner End Cone — the combustion head (also referred to as the turbulator, fire ring, retention ring or end cone) creates a. Regular cones usually have a longer burn time. Light the tip of the incense cone. Less maintenance is needed for regular incense cones. place the unlit end in an appropriate incense burner. — backflow cones work best with. Burner End Cone.
From www.thompsonfoundry.com
Diffuser Cone & Shield Burner Thompson Foundry Burner End Cone Light the tip of the incense cone. place the unlit end in an appropriate incense burner. hi all, just wanted to know if anyone has had a problem with riello burners sooting/clogging up the end cone. Less maintenance is needed for regular incense cones. — backflow cones work best with specific backflow incense burners. Regular cones usually. Burner End Cone.
From www.etsy.com
Small Brass Incense Cone Burner/incense Cone Burner Etsy UK Burner End Cone — the combustion head (also referred to as the turbulator, fire ring, retention ring or end cone) creates a. Light the tip of the incense cone. — backflow cones work best with specific backflow incense burners. Regular cones usually have a longer burn time. place the unlit end in an appropriate incense burner. hi all, just. Burner End Cone.
From arkadysonline.com
4.5" HINGED BRASS CONE BURNER Burner End Cone hi all, just wanted to know if anyone has had a problem with riello burners sooting/clogging up the end cone. place the unlit end in an appropriate incense burner. — backflow cones work best with specific backflow incense burners. Less maintenance is needed for regular incense cones. Light the tip of the incense cone. — the. Burner End Cone.
From lanternnet.com
C.T. Ham 9 Burner Cone — The Source for Oil Lamps and Hurricane Lanterns Burner End Cone hi all, just wanted to know if anyone has had a problem with riello burners sooting/clogging up the end cone. Regular cones usually have a longer burn time. Less maintenance is needed for regular incense cones. — the combustion head (also referred to as the turbulator, fire ring, retention ring or end cone) creates a. Light the tip. Burner End Cone.
From www.youtube.com
How To Make A DIY Backflow Incense Burner Cone? Smoke Fountain Cone Burner End Cone Less maintenance is needed for regular incense cones. place the unlit end in an appropriate incense burner. Light the tip of the incense cone. Regular cones usually have a longer burn time. — backflow cones work best with specific backflow incense burners. — the combustion head (also referred to as the turbulator, fire ring, retention ring or. Burner End Cone.
From www.aw-dropship.com
Large Cone Burner with Handle AW Dropship Your Giftware and Burner End Cone place the unlit end in an appropriate incense burner. Less maintenance is needed for regular incense cones. hi all, just wanted to know if anyone has had a problem with riello burners sooting/clogging up the end cone. — the combustion head (also referred to as the turbulator, fire ring, retention ring or end cone) creates a. Regular. Burner End Cone.
From heavenandnaturestore.com
Brass Cone Burner Heaven & Nature Store Burner End Cone hi all, just wanted to know if anyone has had a problem with riello burners sooting/clogging up the end cone. Regular cones usually have a longer burn time. Less maintenance is needed for regular incense cones. Light the tip of the incense cone. place the unlit end in an appropriate incense burner. — backflow cones work best. Burner End Cone.
From www.walmart.com
Lynn Manufacturing 1046 Riello and Carlin 3.5" Burner Head (End Cone Burner End Cone hi all, just wanted to know if anyone has had a problem with riello burners sooting/clogging up the end cone. Light the tip of the incense cone. place the unlit end in an appropriate incense burner. — backflow cones work best with specific backflow incense burners. Less maintenance is needed for regular incense cones. — the. Burner End Cone.
From www.iss-shop.com
Repair Service Repair of the Inert Gas System of Smit Sinus Gas Burner End Cone Less maintenance is needed for regular incense cones. place the unlit end in an appropriate incense burner. Light the tip of the incense cone. — the combustion head (also referred to as the turbulator, fire ring, retention ring or end cone) creates a. — backflow cones work best with specific backflow incense burners. Regular cones usually have. Burner End Cone.
From lanternnet.com
W.T.Kirkman Brass Tubular 10 Burner Cone — The Source for Oil Lamps Burner End Cone — backflow cones work best with specific backflow incense burners. hi all, just wanted to know if anyone has had a problem with riello burners sooting/clogging up the end cone. Light the tip of the incense cone. Regular cones usually have a longer burn time. place the unlit end in an appropriate incense burner. — the. Burner End Cone.