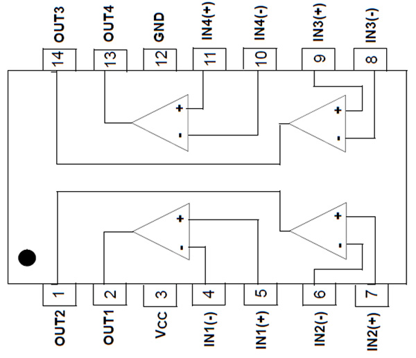
Lm339 Comparator Tutorial . Lm339 is a voltage comparator ic that consists of 14 pins and four independent voltage comparators. This specially designed comparator can work from a single power supply. In this article we will elaborately learn how to correctly design comparator circuits using popular ics like ic 741, ic 311 and ic. A comparator rotates a signal between digital and analog domain. First of all, it compares the 2 different inputs applied at the input terminal and then gives the output in digital. As it is a comparator ic, therefore it. Lm339 is a common integrated circuit that contains four independent voltage comparators inside, making it a quad differential comparator.
from www.homemade-circuits.com
This specially designed comparator can work from a single power supply. In this article we will elaborately learn how to correctly design comparator circuits using popular ics like ic 741, ic 311 and ic. Lm339 is a voltage comparator ic that consists of 14 pins and four independent voltage comparators. First of all, it compares the 2 different inputs applied at the input terminal and then gives the output in digital. As it is a comparator ic, therefore it. A comparator rotates a signal between digital and analog domain. Lm339 is a common integrated circuit that contains four independent voltage comparators inside, making it a quad differential comparator.
Solar Battery Charger using LM339 Comparator Homemade Circuit Projects
Lm339 Comparator Tutorial First of all, it compares the 2 different inputs applied at the input terminal and then gives the output in digital. Lm339 is a common integrated circuit that contains four independent voltage comparators inside, making it a quad differential comparator. This specially designed comparator can work from a single power supply. First of all, it compares the 2 different inputs applied at the input terminal and then gives the output in digital. A comparator rotates a signal between digital and analog domain. Lm339 is a voltage comparator ic that consists of 14 pins and four independent voltage comparators. As it is a comparator ic, therefore it. In this article we will elaborately learn how to correctly design comparator circuits using popular ics like ic 741, ic 311 and ic.
From itecnotes.com
Electronic Window comparator using LM339 invert output Valuable Tech Notes Lm339 Comparator Tutorial Lm339 is a voltage comparator ic that consists of 14 pins and four independent voltage comparators. Lm339 is a common integrated circuit that contains four independent voltage comparators inside, making it a quad differential comparator. First of all, it compares the 2 different inputs applied at the input terminal and then gives the output in digital. A comparator rotates a. Lm339 Comparator Tutorial.
From www.youtube.com
LM339 Quad Voltage Comparator YouTube Lm339 Comparator Tutorial A comparator rotates a signal between digital and analog domain. In this article we will elaborately learn how to correctly design comparator circuits using popular ics like ic 741, ic 311 and ic. Lm339 is a voltage comparator ic that consists of 14 pins and four independent voltage comparators. Lm339 is a common integrated circuit that contains four independent voltage. Lm339 Comparator Tutorial.
From e2e.ti.com
LM339 as comparator Amplifiers forum Amplifiers TI E2E support forums Lm339 Comparator Tutorial Lm339 is a voltage comparator ic that consists of 14 pins and four independent voltage comparators. In this article we will elaborately learn how to correctly design comparator circuits using popular ics like ic 741, ic 311 and ic. As it is a comparator ic, therefore it. First of all, it compares the 2 different inputs applied at the input. Lm339 Comparator Tutorial.
From www.eleccircuit.com
LM339 Datasheet Quad Comparator How to use Lm339 Comparator Tutorial As it is a comparator ic, therefore it. In this article we will elaborately learn how to correctly design comparator circuits using popular ics like ic 741, ic 311 and ic. This specially designed comparator can work from a single power supply. Lm339 is a voltage comparator ic that consists of 14 pins and four independent voltage comparators. Lm339 is. Lm339 Comparator Tutorial.
From www.multisim.com
RB comparator Lm339 2 Multisim Live Lm339 Comparator Tutorial Lm339 is a common integrated circuit that contains four independent voltage comparators inside, making it a quad differential comparator. As it is a comparator ic, therefore it. This specially designed comparator can work from a single power supply. First of all, it compares the 2 different inputs applied at the input terminal and then gives the output in digital. In. Lm339 Comparator Tutorial.
From suntechmall.com
LM339 QUAD DIFFERENTIAL COMPARATOR SOD14. SUNTECH MALL Lm339 Comparator Tutorial This specially designed comparator can work from a single power supply. As it is a comparator ic, therefore it. Lm339 is a common integrated circuit that contains four independent voltage comparators inside, making it a quad differential comparator. Lm339 is a voltage comparator ic that consists of 14 pins and four independent voltage comparators. First of all, it compares the. Lm339 Comparator Tutorial.
From www.eleccircuit.com
LM339 Datasheet Quad Comparator How to use Lm339 Comparator Tutorial In this article we will elaborately learn how to correctly design comparator circuits using popular ics like ic 741, ic 311 and ic. First of all, it compares the 2 different inputs applied at the input terminal and then gives the output in digital. A comparator rotates a signal between digital and analog domain. Lm339 is a common integrated circuit. Lm339 Comparator Tutorial.
From e2e.ti.com
lm339 Prevent comparator output from pulled high when comparator turns on in the beginning Lm339 Comparator Tutorial Lm339 is a voltage comparator ic that consists of 14 pins and four independent voltage comparators. First of all, it compares the 2 different inputs applied at the input terminal and then gives the output in digital. In this article we will elaborately learn how to correctly design comparator circuits using popular ics like ic 741, ic 311 and ic.. Lm339 Comparator Tutorial.
From electro-music.com
View topic LM339 comparator woes Lm339 Comparator Tutorial This specially designed comparator can work from a single power supply. First of all, it compares the 2 different inputs applied at the input terminal and then gives the output in digital. A comparator rotates a signal between digital and analog domain. Lm339 is a common integrated circuit that contains four independent voltage comparators inside, making it a quad differential. Lm339 Comparator Tutorial.
From electronics.stackexchange.com
flipflop LM339 comparator not working properly in the defined window Electrical Engineering Lm339 Comparator Tutorial Lm339 is a common integrated circuit that contains four independent voltage comparators inside, making it a quad differential comparator. As it is a comparator ic, therefore it. This specially designed comparator can work from a single power supply. First of all, it compares the 2 different inputs applied at the input terminal and then gives the output in digital. In. Lm339 Comparator Tutorial.
From www.homemade-circuits.com
How to Make IC LM339 Circuits Homemade Circuit Projects Lm339 Comparator Tutorial In this article we will elaborately learn how to correctly design comparator circuits using popular ics like ic 741, ic 311 and ic. First of all, it compares the 2 different inputs applied at the input terminal and then gives the output in digital. As it is a comparator ic, therefore it. Lm339 is a common integrated circuit that contains. Lm339 Comparator Tutorial.
From www.researchgate.net
Comparator (LM339) circuit Download Scientific Diagram Lm339 Comparator Tutorial As it is a comparator ic, therefore it. This specially designed comparator can work from a single power supply. A comparator rotates a signal between digital and analog domain. In this article we will elaborately learn how to correctly design comparator circuits using popular ics like ic 741, ic 311 and ic. Lm339 is a voltage comparator ic that consists. Lm339 Comparator Tutorial.
From netsonic.fi
LM339 Low Power Quad Voltage Comparator Datasheet and Pinout NetSonic Lm339 Comparator Tutorial First of all, it compares the 2 different inputs applied at the input terminal and then gives the output in digital. Lm339 is a common integrated circuit that contains four independent voltage comparators inside, making it a quad differential comparator. As it is a comparator ic, therefore it. This specially designed comparator can work from a single power supply. Lm339. Lm339 Comparator Tutorial.
From www.pinterest.com
Semiconductor LM339 Quad Comprator Electrónica Lm339 Comparator Tutorial A comparator rotates a signal between digital and analog domain. This specially designed comparator can work from a single power supply. In this article we will elaborately learn how to correctly design comparator circuits using popular ics like ic 741, ic 311 and ic. Lm339 is a voltage comparator ic that consists of 14 pins and four independent voltage comparators.. Lm339 Comparator Tutorial.
From www.youtube.com
LM139 LM239 LM339 comparateur de tension voltage comparators YouTube Lm339 Comparator Tutorial Lm339 is a voltage comparator ic that consists of 14 pins and four independent voltage comparators. In this article we will elaborately learn how to correctly design comparator circuits using popular ics like ic 741, ic 311 and ic. A comparator rotates a signal between digital and analog domain. First of all, it compares the 2 different inputs applied at. Lm339 Comparator Tutorial.
From www.icrfq.net
Everything You Need To Know About LM339 Comparator Lm339 Comparator Tutorial This specially designed comparator can work from a single power supply. In this article we will elaborately learn how to correctly design comparator circuits using popular ics like ic 741, ic 311 and ic. First of all, it compares the 2 different inputs applied at the input terminal and then gives the output in digital. A comparator rotates a signal. Lm339 Comparator Tutorial.
From www.homemade-circuits.com
Solar Battery Charger using LM339 Comparator Homemade Circuit Projects Lm339 Comparator Tutorial In this article we will elaborately learn how to correctly design comparator circuits using popular ics like ic 741, ic 311 and ic. A comparator rotates a signal between digital and analog domain. Lm339 is a common integrated circuit that contains four independent voltage comparators inside, making it a quad differential comparator. This specially designed comparator can work from a. Lm339 Comparator Tutorial.
From www.youtube.com
LM339 Window Comparator YouTube Lm339 Comparator Tutorial Lm339 is a common integrated circuit that contains four independent voltage comparators inside, making it a quad differential comparator. In this article we will elaborately learn how to correctly design comparator circuits using popular ics like ic 741, ic 311 and ic. As it is a comparator ic, therefore it. Lm339 is a voltage comparator ic that consists of 14. Lm339 Comparator Tutorial.
From www.arduinopak.com
LM339N LM339 Comparator IC Low Power Quad Voltage Lm339 Comparator Tutorial Lm339 is a voltage comparator ic that consists of 14 pins and four independent voltage comparators. Lm339 is a common integrated circuit that contains four independent voltage comparators inside, making it a quad differential comparator. A comparator rotates a signal between digital and analog domain. In this article we will elaborately learn how to correctly design comparator circuits using popular. Lm339 Comparator Tutorial.
From www.youtube.com
1강_LM339 Voltage Comparator IC Datasheet 분석을 통한 비교기 이해하기 YouTube Lm339 Comparator Tutorial A comparator rotates a signal between digital and analog domain. Lm339 is a voltage comparator ic that consists of 14 pins and four independent voltage comparators. In this article we will elaborately learn how to correctly design comparator circuits using popular ics like ic 741, ic 311 and ic. First of all, it compares the 2 different inputs applied at. Lm339 Comparator Tutorial.
From www.vrogue.co
Lm339 Voltage Comparator Pinout Features Circuit 56 O vrogue.co Lm339 Comparator Tutorial As it is a comparator ic, therefore it. Lm339 is a common integrated circuit that contains four independent voltage comparators inside, making it a quad differential comparator. Lm339 is a voltage comparator ic that consists of 14 pins and four independent voltage comparators. In this article we will elaborately learn how to correctly design comparator circuits using popular ics like. Lm339 Comparator Tutorial.
From www.homemade-circuits.com
Comparator Circuits using IC 741, IC 311, IC 339 Homemade Circuit Projects Lm339 Comparator Tutorial This specially designed comparator can work from a single power supply. As it is a comparator ic, therefore it. In this article we will elaborately learn how to correctly design comparator circuits using popular ics like ic 741, ic 311 and ic. Lm339 is a voltage comparator ic that consists of 14 pins and four independent voltage comparators. A comparator. Lm339 Comparator Tutorial.
From www.electroniclinic.com
12v Battery Voltage Monitor using LEDs and LM339 comparator Lm339 Comparator Tutorial First of all, it compares the 2 different inputs applied at the input terminal and then gives the output in digital. In this article we will elaborately learn how to correctly design comparator circuits using popular ics like ic 741, ic 311 and ic. Lm339 is a common integrated circuit that contains four independent voltage comparators inside, making it a. Lm339 Comparator Tutorial.
From protosupplies.com
LM339 Quad Voltage Comparator ProtoSupplies Lm339 Comparator Tutorial First of all, it compares the 2 different inputs applied at the input terminal and then gives the output in digital. In this article we will elaborately learn how to correctly design comparator circuits using popular ics like ic 741, ic 311 and ic. As it is a comparator ic, therefore it. This specially designed comparator can work from a. Lm339 Comparator Tutorial.
From www.eleccircuit.com
LM339 Datasheet Quad Comparator How to use Lm339 Comparator Tutorial In this article we will elaborately learn how to correctly design comparator circuits using popular ics like ic 741, ic 311 and ic. A comparator rotates a signal between digital and analog domain. First of all, it compares the 2 different inputs applied at the input terminal and then gives the output in digital. Lm339 is a voltage comparator ic. Lm339 Comparator Tutorial.
From www.theengineeringprojects.com
Introduction to LM339 The Engineering Projects Lm339 Comparator Tutorial As it is a comparator ic, therefore it. In this article we will elaborately learn how to correctly design comparator circuits using popular ics like ic 741, ic 311 and ic. Lm339 is a voltage comparator ic that consists of 14 pins and four independent voltage comparators. A comparator rotates a signal between digital and analog domain. This specially designed. Lm339 Comparator Tutorial.
From www.chegg.com
Solved For the comparator circuit showing the LM339, what Lm339 Comparator Tutorial A comparator rotates a signal between digital and analog domain. First of all, it compares the 2 different inputs applied at the input terminal and then gives the output in digital. As it is a comparator ic, therefore it. Lm339 is a voltage comparator ic that consists of 14 pins and four independent voltage comparators. In this article we will. Lm339 Comparator Tutorial.
From www.electroschematics.com
What is the difference between op amps and comparators? Lm339 Comparator Tutorial A comparator rotates a signal between digital and analog domain. Lm339 is a voltage comparator ic that consists of 14 pins and four independent voltage comparators. As it is a comparator ic, therefore it. First of all, it compares the 2 different inputs applied at the input terminal and then gives the output in digital. This specially designed comparator can. Lm339 Comparator Tutorial.
From hackaday.io
A basic voltlevel indicator using LM339 comparator and a row of four LEDs. Roman Hackaday.io Lm339 Comparator Tutorial As it is a comparator ic, therefore it. Lm339 is a common integrated circuit that contains four independent voltage comparators inside, making it a quad differential comparator. This specially designed comparator can work from a single power supply. In this article we will elaborately learn how to correctly design comparator circuits using popular ics like ic 741, ic 311 and. Lm339 Comparator Tutorial.
From www.engineersgarage.com
Op amp as a comparator, voltage follower, loudness & level indicator Op amp Circuits Lm339 Comparator Tutorial Lm339 is a common integrated circuit that contains four independent voltage comparators inside, making it a quad differential comparator. A comparator rotates a signal between digital and analog domain. Lm339 is a voltage comparator ic that consists of 14 pins and four independent voltage comparators. In this article we will elaborately learn how to correctly design comparator circuits using popular. Lm339 Comparator Tutorial.
From www.smithbe.me
The LM339 Comparator Lm339 Comparator Tutorial Lm339 is a common integrated circuit that contains four independent voltage comparators inside, making it a quad differential comparator. A comparator rotates a signal between digital and analog domain. In this article we will elaborately learn how to correctly design comparator circuits using popular ics like ic 741, ic 311 and ic. First of all, it compares the 2 different. Lm339 Comparator Tutorial.
From www.circuitdiagram.co
lm339 circuit diagram Circuit Diagram Lm339 Comparator Tutorial Lm339 is a voltage comparator ic that consists of 14 pins and four independent voltage comparators. As it is a comparator ic, therefore it. A comparator rotates a signal between digital and analog domain. In this article we will elaborately learn how to correctly design comparator circuits using popular ics like ic 741, ic 311 and ic. This specially designed. Lm339 Comparator Tutorial.
From itecnotes.com
Electronic LM339 Comparator IC is not responding to any input Valuable Tech Notes Lm339 Comparator Tutorial First of all, it compares the 2 different inputs applied at the input terminal and then gives the output in digital. A comparator rotates a signal between digital and analog domain. Lm339 is a common integrated circuit that contains four independent voltage comparators inside, making it a quad differential comparator. In this article we will elaborately learn how to correctly. Lm339 Comparator Tutorial.
From itecnotes.com
Electronic LM339 Comparator IC is not responding to any input Valuable Tech Notes Lm339 Comparator Tutorial Lm339 is a voltage comparator ic that consists of 14 pins and four independent voltage comparators. This specially designed comparator can work from a single power supply. First of all, it compares the 2 different inputs applied at the input terminal and then gives the output in digital. As it is a comparator ic, therefore it. A comparator rotates a. Lm339 Comparator Tutorial.
From www.youtube.com
LM339 Quad comparator configured as a "window" YouTube Lm339 Comparator Tutorial This specially designed comparator can work from a single power supply. Lm339 is a common integrated circuit that contains four independent voltage comparators inside, making it a quad differential comparator. In this article we will elaborately learn how to correctly design comparator circuits using popular ics like ic 741, ic 311 and ic. Lm339 is a voltage comparator ic that. Lm339 Comparator Tutorial.