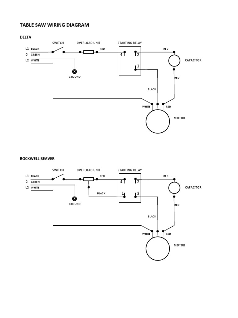
Delta Table Saw Wiring Diagram . Search our documents library for owner’s manuals, parts lists, and other supporting documents. This diagram can help you troubleshoot issues, identify faulty connections, and ensure proper installation of replacement parts. Perhaps someone who has done it can. 10'' left tilting arbor saw.
from farasfeleena.blogspot.com
This diagram can help you troubleshoot issues, identify faulty connections, and ensure proper installation of replacement parts. 10'' left tilting arbor saw. Perhaps someone who has done it can. Search our documents library for owner’s manuals, parts lists, and other supporting documents.
Delta Table Saw Wiring Diagram FarasFeleena
Delta Table Saw Wiring Diagram This diagram can help you troubleshoot issues, identify faulty connections, and ensure proper installation of replacement parts. This diagram can help you troubleshoot issues, identify faulty connections, and ensure proper installation of replacement parts. Perhaps someone who has done it can. Search our documents library for owner’s manuals, parts lists, and other supporting documents. 10'' left tilting arbor saw.
From farasfeleena.blogspot.com
Delta Table Saw Wiring Diagram FarasFeleena Delta Table Saw Wiring Diagram Perhaps someone who has done it can. 10'' left tilting arbor saw. Search our documents library for owner’s manuals, parts lists, and other supporting documents. This diagram can help you troubleshoot issues, identify faulty connections, and ensure proper installation of replacement parts. Delta Table Saw Wiring Diagram.
From wiringdiagram.2bitboer.com
delta table saw wiring diagram Wiring Diagram Delta Table Saw Wiring Diagram Perhaps someone who has done it can. Search our documents library for owner’s manuals, parts lists, and other supporting documents. 10'' left tilting arbor saw. This diagram can help you troubleshoot issues, identify faulty connections, and ensure proper installation of replacement parts. Delta Table Saw Wiring Diagram.
From wiringdiagram.2bitboer.com
Wiring Diagram For Delta Table Saw Wiring Diagram Delta Table Saw Wiring Diagram Perhaps someone who has done it can. This diagram can help you troubleshoot issues, identify faulty connections, and ensure proper installation of replacement parts. Search our documents library for owner’s manuals, parts lists, and other supporting documents. 10'' left tilting arbor saw. Delta Table Saw Wiring Diagram.
From diagramdatacarolyn.z13.web.core.windows.net
Delta Table Saw Motor Wiring Diagram Delta Table Saw Wiring Diagram This diagram can help you troubleshoot issues, identify faulty connections, and ensure proper installation of replacement parts. Perhaps someone who has done it can. 10'' left tilting arbor saw. Search our documents library for owner’s manuals, parts lists, and other supporting documents. Delta Table Saw Wiring Diagram.
From faceitsalon.com
Delta Table Saw Motor Wiring Diagram Database Delta Table Saw Wiring Diagram This diagram can help you troubleshoot issues, identify faulty connections, and ensure proper installation of replacement parts. 10'' left tilting arbor saw. Perhaps someone who has done it can. Search our documents library for owner’s manuals, parts lists, and other supporting documents. Delta Table Saw Wiring Diagram.
From wiringschema.com
[DIAGRAM] Delta Shopmaster Table Saw Wiring Diagram Delta Table Saw Wiring Diagram Search our documents library for owner’s manuals, parts lists, and other supporting documents. Perhaps someone who has done it can. 10'' left tilting arbor saw. This diagram can help you troubleshoot issues, identify faulty connections, and ensure proper installation of replacement parts. Delta Table Saw Wiring Diagram.
From enginefixyan.z13.web.core.windows.net
Delta Table Saw Motor Wiring Diagram Delta Table Saw Wiring Diagram 10'' left tilting arbor saw. Search our documents library for owner’s manuals, parts lists, and other supporting documents. This diagram can help you troubleshoot issues, identify faulty connections, and ensure proper installation of replacement parts. Perhaps someone who has done it can. Delta Table Saw Wiring Diagram.
From farasfeleena.blogspot.com
Delta Table Saw Wiring Diagram FarasFeleena Delta Table Saw Wiring Diagram 10'' left tilting arbor saw. This diagram can help you troubleshoot issues, identify faulty connections, and ensure proper installation of replacement parts. Perhaps someone who has done it can. Search our documents library for owner’s manuals, parts lists, and other supporting documents. Delta Table Saw Wiring Diagram.
From www.scribd.com
Table Saw Wiring Diagram Delta PDF Delta Table Saw Wiring Diagram Search our documents library for owner’s manuals, parts lists, and other supporting documents. 10'' left tilting arbor saw. This diagram can help you troubleshoot issues, identify faulty connections, and ensure proper installation of replacement parts. Perhaps someone who has done it can. Delta Table Saw Wiring Diagram.
From techdiagrammer.com
Understanding the Wiring Diagram of a Delta Table Saw Delta Table Saw Wiring Diagram This diagram can help you troubleshoot issues, identify faulty connections, and ensure proper installation of replacement parts. Perhaps someone who has done it can. Search our documents library for owner’s manuals, parts lists, and other supporting documents. 10'' left tilting arbor saw. Delta Table Saw Wiring Diagram.
From www.circuitdiagram.co
Delta Table Saw Motor Wiring Diagram Circuit Diagram Delta Table Saw Wiring Diagram Perhaps someone who has done it can. This diagram can help you troubleshoot issues, identify faulty connections, and ensure proper installation of replacement parts. Search our documents library for owner’s manuals, parts lists, and other supporting documents. 10'' left tilting arbor saw. Delta Table Saw Wiring Diagram.
From enstitch.blogspot.com
Delta Table Saw Motor Wiring Diagram Enstitch Delta Table Saw Wiring Diagram Search our documents library for owner’s manuals, parts lists, and other supporting documents. Perhaps someone who has done it can. 10'' left tilting arbor saw. This diagram can help you troubleshoot issues, identify faulty connections, and ensure proper installation of replacement parts. Delta Table Saw Wiring Diagram.
From circuitlibprankle.z5.web.core.windows.net
Delta Saw Wiring Diagram Delta Table Saw Wiring Diagram 10'' left tilting arbor saw. This diagram can help you troubleshoot issues, identify faulty connections, and ensure proper installation of replacement parts. Search our documents library for owner’s manuals, parts lists, and other supporting documents. Perhaps someone who has done it can. Delta Table Saw Wiring Diagram.
From techdiagrammer.com
Understanding the Wiring Diagram of a Delta Table Saw Delta Table Saw Wiring Diagram This diagram can help you troubleshoot issues, identify faulty connections, and ensure proper installation of replacement parts. 10'' left tilting arbor saw. Perhaps someone who has done it can. Search our documents library for owner’s manuals, parts lists, and other supporting documents. Delta Table Saw Wiring Diagram.
From www.circuitdiagram.co
Delta Table Saw Motor Wiring Diagram Circuit Diagram Delta Table Saw Wiring Diagram This diagram can help you troubleshoot issues, identify faulty connections, and ensure proper installation of replacement parts. Perhaps someone who has done it can. 10'' left tilting arbor saw. Search our documents library for owner’s manuals, parts lists, and other supporting documents. Delta Table Saw Wiring Diagram.
From odineba5xschematic.z14.web.core.windows.net
Delta Table Saw Switch Wiring Diagram Delta Table Saw Wiring Diagram This diagram can help you troubleshoot issues, identify faulty connections, and ensure proper installation of replacement parts. Search our documents library for owner’s manuals, parts lists, and other supporting documents. Perhaps someone who has done it can. 10'' left tilting arbor saw. Delta Table Saw Wiring Diagram.
From wiringschema.com
[DIAGRAM] Delta Shopmaster Table Saw Wiring Diagram Delta Table Saw Wiring Diagram This diagram can help you troubleshoot issues, identify faulty connections, and ensure proper installation of replacement parts. Perhaps someone who has done it can. Search our documents library for owner’s manuals, parts lists, and other supporting documents. 10'' left tilting arbor saw. Delta Table Saw Wiring Diagram.
From guidelistwosaddlebags.z14.web.core.windows.net
Delta Table Saw Switch Wiring Diagram Delta Table Saw Wiring Diagram Perhaps someone who has done it can. This diagram can help you troubleshoot issues, identify faulty connections, and ensure proper installation of replacement parts. 10'' left tilting arbor saw. Search our documents library for owner’s manuals, parts lists, and other supporting documents. Delta Table Saw Wiring Diagram.
From gambr.co
️Delta Table Saw Wiring Diagram Free Download Gambr.co Delta Table Saw Wiring Diagram 10'' left tilting arbor saw. This diagram can help you troubleshoot issues, identify faulty connections, and ensure proper installation of replacement parts. Perhaps someone who has done it can. Search our documents library for owner’s manuals, parts lists, and other supporting documents. Delta Table Saw Wiring Diagram.
From userdatazweig.z21.web.core.windows.net
Delta Table Saw Switch Wiring Diagram Delta Table Saw Wiring Diagram This diagram can help you troubleshoot issues, identify faulty connections, and ensure proper installation of replacement parts. Perhaps someone who has done it can. 10'' left tilting arbor saw. Search our documents library for owner’s manuals, parts lists, and other supporting documents. Delta Table Saw Wiring Diagram.
From usermanualstomatal.z21.web.core.windows.net
Delta Table Saw Wiring Diagram Delta Table Saw Wiring Diagram 10'' left tilting arbor saw. This diagram can help you troubleshoot issues, identify faulty connections, and ensure proper installation of replacement parts. Search our documents library for owner’s manuals, parts lists, and other supporting documents. Perhaps someone who has done it can. Delta Table Saw Wiring Diagram.
From wiringschema.com
[DIAGRAM] Delta Shopmaster Table Saw Wiring Diagram Delta Table Saw Wiring Diagram 10'' left tilting arbor saw. This diagram can help you troubleshoot issues, identify faulty connections, and ensure proper installation of replacement parts. Perhaps someone who has done it can. Search our documents library for owner’s manuals, parts lists, and other supporting documents. Delta Table Saw Wiring Diagram.
From usermanualstomatal.z21.web.core.windows.net
Delta Table Saw Switch Wiring Diagram Delta Table Saw Wiring Diagram This diagram can help you troubleshoot issues, identify faulty connections, and ensure proper installation of replacement parts. Search our documents library for owner’s manuals, parts lists, and other supporting documents. 10'' left tilting arbor saw. Perhaps someone who has done it can. Delta Table Saw Wiring Diagram.
From www.pinterest.com
Delta Table Saw Wiring Diagram Wiring diagram, Electric motor wiring Delta Table Saw Wiring Diagram Search our documents library for owner’s manuals, parts lists, and other supporting documents. This diagram can help you troubleshoot issues, identify faulty connections, and ensure proper installation of replacement parts. Perhaps someone who has done it can. 10'' left tilting arbor saw. Delta Table Saw Wiring Diagram.
From schematicdbunexacted.z14.web.core.windows.net
Delta Saw 28 640 Wiring Diagram Delta Table Saw Wiring Diagram This diagram can help you troubleshoot issues, identify faulty connections, and ensure proper installation of replacement parts. Search our documents library for owner’s manuals, parts lists, and other supporting documents. 10'' left tilting arbor saw. Perhaps someone who has done it can. Delta Table Saw Wiring Diagram.
From schematiclisteva.z19.web.core.windows.net
Delta Table Saw Motor Wiring Diagram Delta Table Saw Wiring Diagram This diagram can help you troubleshoot issues, identify faulty connections, and ensure proper installation of replacement parts. 10'' left tilting arbor saw. Search our documents library for owner’s manuals, parts lists, and other supporting documents. Perhaps someone who has done it can. Delta Table Saw Wiring Diagram.
From wiringdiagram.2bitboer.com
wiring diagram delta jointer Wiring Diagram Delta Table Saw Wiring Diagram Search our documents library for owner’s manuals, parts lists, and other supporting documents. 10'' left tilting arbor saw. This diagram can help you troubleshoot issues, identify faulty connections, and ensure proper installation of replacement parts. Perhaps someone who has done it can. Delta Table Saw Wiring Diagram.
From manuallibgoodwin.z19.web.core.windows.net
Delta Table Saw Wiring Delta Table Saw Wiring Diagram Perhaps someone who has done it can. This diagram can help you troubleshoot issues, identify faulty connections, and ensure proper installation of replacement parts. 10'' left tilting arbor saw. Search our documents library for owner’s manuals, parts lists, and other supporting documents. Delta Table Saw Wiring Diagram.
From schematicgesindetq.z4.web.core.windows.net
Delta Table Saw Switch Wiring Diagram Delta Table Saw Wiring Diagram 10'' left tilting arbor saw. This diagram can help you troubleshoot issues, identify faulty connections, and ensure proper installation of replacement parts. Search our documents library for owner’s manuals, parts lists, and other supporting documents. Perhaps someone who has done it can. Delta Table Saw Wiring Diagram.
From techdiagrammer.com
Understanding the Wiring Diagram of a Delta Table Saw Delta Table Saw Wiring Diagram Perhaps someone who has done it can. Search our documents library for owner’s manuals, parts lists, and other supporting documents. 10'' left tilting arbor saw. This diagram can help you troubleshoot issues, identify faulty connections, and ensure proper installation of replacement parts. Delta Table Saw Wiring Diagram.
From guidewiringtimothy.z21.web.core.windows.net
Delta Table Saw Switch Wiring Diagram Delta Table Saw Wiring Diagram Search our documents library for owner’s manuals, parts lists, and other supporting documents. Perhaps someone who has done it can. 10'' left tilting arbor saw. This diagram can help you troubleshoot issues, identify faulty connections, and ensure proper installation of replacement parts. Delta Table Saw Wiring Diagram.
From www.circuitdiagram.co
Delta Table Saw Motor Wiring Diagram Circuit Diagram Delta Table Saw Wiring Diagram Perhaps someone who has done it can. Search our documents library for owner’s manuals, parts lists, and other supporting documents. This diagram can help you troubleshoot issues, identify faulty connections, and ensure proper installation of replacement parts. 10'' left tilting arbor saw. Delta Table Saw Wiring Diagram.
From manualwiringwexler.z19.web.core.windows.net
Delta Table Saw Motor Wiring Diagram Delta Table Saw Wiring Diagram Search our documents library for owner’s manuals, parts lists, and other supporting documents. 10'' left tilting arbor saw. This diagram can help you troubleshoot issues, identify faulty connections, and ensure proper installation of replacement parts. Perhaps someone who has done it can. Delta Table Saw Wiring Diagram.
From www.scribd.com
DELTA 10'' Table Saw Homecraft (Modern)Model 34695.Big Schematic Delta Table Saw Wiring Diagram Perhaps someone who has done it can. Search our documents library for owner’s manuals, parts lists, and other supporting documents. 10'' left tilting arbor saw. This diagram can help you troubleshoot issues, identify faulty connections, and ensure proper installation of replacement parts. Delta Table Saw Wiring Diagram.
From wiringschema.com
[DIAGRAM] Delta Shopmaster Table Saw Wiring Diagram Delta Table Saw Wiring Diagram 10'' left tilting arbor saw. Perhaps someone who has done it can. Search our documents library for owner’s manuals, parts lists, and other supporting documents. This diagram can help you troubleshoot issues, identify faulty connections, and ensure proper installation of replacement parts. Delta Table Saw Wiring Diagram.