Driver Seat Belt Tensioner Circuit Open . The obdii code sets when. The occupant restraint controller (orc) monitors the 1st row driver seat belt pretensioner circuit. The occupant restraint controller (orc) monitors the resistance of the driver seat belt tensioner circuits. The b1b2a diagnostic trouble code (dtc) indicates a problem with the 1st row driver seat belt pretensioner circuit being open. When is the code detected? The orc will set this dtc if it. Seat belt pretensioner circuit open code error fix air bag light our website:. This diagnostic trouble code (dtc) sets when the occupant restraint controller (orc) detects an.
from www.northamericanmotoring.com
The occupant restraint controller (orc) monitors the 1st row driver seat belt pretensioner circuit. The occupant restraint controller (orc) monitors the resistance of the driver seat belt tensioner circuits. When is the code detected? The b1b2a diagnostic trouble code (dtc) indicates a problem with the 1st row driver seat belt pretensioner circuit being open. The orc will set this dtc if it. This diagnostic trouble code (dtc) sets when the occupant restraint controller (orc) detects an. The obdii code sets when. Seat belt pretensioner circuit open code error fix air bag light our website:.
Seat Belt Tensioner how to tell if deployed/activated?? North
Driver Seat Belt Tensioner Circuit Open The occupant restraint controller (orc) monitors the 1st row driver seat belt pretensioner circuit. The occupant restraint controller (orc) monitors the resistance of the driver seat belt tensioner circuits. This diagnostic trouble code (dtc) sets when the occupant restraint controller (orc) detects an. The b1b2a diagnostic trouble code (dtc) indicates a problem with the 1st row driver seat belt pretensioner circuit being open. The occupant restraint controller (orc) monitors the 1st row driver seat belt pretensioner circuit. The obdii code sets when. Seat belt pretensioner circuit open code error fix air bag light our website:. The orc will set this dtc if it. When is the code detected?
From www.seekic.com
Saloon car supplementary restraint system and pre tensioner seat belt Driver Seat Belt Tensioner Circuit Open Seat belt pretensioner circuit open code error fix air bag light our website:. The occupant restraint controller (orc) monitors the resistance of the driver seat belt tensioner circuits. This diagnostic trouble code (dtc) sets when the occupant restraint controller (orc) detects an. When is the code detected? The occupant restraint controller (orc) monitors the 1st row driver seat belt pretensioner. Driver Seat Belt Tensioner Circuit Open.
From www.youtube.com
How to Test a Seat Belt Pretensioner How to know if Seat Belt Pre Driver Seat Belt Tensioner Circuit Open This diagnostic trouble code (dtc) sets when the occupant restraint controller (orc) detects an. The orc will set this dtc if it. The b1b2a diagnostic trouble code (dtc) indicates a problem with the 1st row driver seat belt pretensioner circuit being open. The occupant restraint controller (orc) monitors the resistance of the driver seat belt tensioner circuits. The occupant restraint. Driver Seat Belt Tensioner Circuit Open.
From info-emulator.com
Installation instructions seat belt tensioner emulator Info Driver Seat Belt Tensioner Circuit Open Seat belt pretensioner circuit open code error fix air bag light our website:. When is the code detected? The b1b2a diagnostic trouble code (dtc) indicates a problem with the 1st row driver seat belt pretensioner circuit being open. This diagnostic trouble code (dtc) sets when the occupant restraint controller (orc) detects an. The orc will set this dtc if it.. Driver Seat Belt Tensioner Circuit Open.
From oto-hui.com
Cẩm Nang Sửa Chữa Mã Lỗi B1211 11 DriverSide PreTensioner Seat Belt Driver Seat Belt Tensioner Circuit Open The occupant restraint controller (orc) monitors the resistance of the driver seat belt tensioner circuits. When is the code detected? The orc will set this dtc if it. The occupant restraint controller (orc) monitors the 1st row driver seat belt pretensioner circuit. The b1b2a diagnostic trouble code (dtc) indicates a problem with the 1st row driver seat belt pretensioner circuit. Driver Seat Belt Tensioner Circuit Open.
From faq.out-club.ru
Code No.B1604 Seat belt pretensioner (driver’s side) (squib) system Driver Seat Belt Tensioner Circuit Open This diagnostic trouble code (dtc) sets when the occupant restraint controller (orc) detects an. The occupant restraint controller (orc) monitors the resistance of the driver seat belt tensioner circuits. The b1b2a diagnostic trouble code (dtc) indicates a problem with the 1st row driver seat belt pretensioner circuit being open. The occupant restraint controller (orc) monitors the 1st row driver seat. Driver Seat Belt Tensioner Circuit Open.
From obdvietnam.vn
B1211 11 DriverSide PreTensioner Seat Belt Circuit Short To Body Ground Driver Seat Belt Tensioner Circuit Open When is the code detected? The occupant restraint controller (orc) monitors the resistance of the driver seat belt tensioner circuits. The b1b2a diagnostic trouble code (dtc) indicates a problem with the 1st row driver seat belt pretensioner circuit being open. The orc will set this dtc if it. This diagnostic trouble code (dtc) sets when the occupant restraint controller (orc). Driver Seat Belt Tensioner Circuit Open.
From www.hexorcism.com
LAP PRETENSIONER SEAT BELT [TWOSTEP DEPLOYMENT CONTROL SYSTEM] 2016 Driver Seat Belt Tensioner Circuit Open This diagnostic trouble code (dtc) sets when the occupant restraint controller (orc) detects an. The occupant restraint controller (orc) monitors the resistance of the driver seat belt tensioner circuits. The obdii code sets when. When is the code detected? The orc will set this dtc if it. The occupant restraint controller (orc) monitors the 1st row driver seat belt pretensioner. Driver Seat Belt Tensioner Circuit Open.
From www.youtube.com
SRT Seat Belt Tensioner Simhub first run YouTube Driver Seat Belt Tensioner Circuit Open Seat belt pretensioner circuit open code error fix air bag light our website:. The orc will set this dtc if it. The occupant restraint controller (orc) monitors the resistance of the driver seat belt tensioner circuits. This diagnostic trouble code (dtc) sets when the occupant restraint controller (orc) detects an. When is the code detected? The occupant restraint controller (orc). Driver Seat Belt Tensioner Circuit Open.
From www.obd2-code.com
B1C4E 1st Row Passenger Seat belt Buckle Tensioner Circuit Open Obd2code Driver Seat Belt Tensioner Circuit Open The obdii code sets when. Seat belt pretensioner circuit open code error fix air bag light our website:. When is the code detected? The orc will set this dtc if it. The occupant restraint controller (orc) monitors the resistance of the driver seat belt tensioner circuits. The b1b2a diagnostic trouble code (dtc) indicates a problem with the 1st row driver. Driver Seat Belt Tensioner Circuit Open.
From zinref.ru
Dodge Ram Truck 150025003500. Manual part 496 Driver Seat Belt Tensioner Circuit Open The b1b2a diagnostic trouble code (dtc) indicates a problem with the 1st row driver seat belt pretensioner circuit being open. The occupant restraint controller (orc) monitors the 1st row driver seat belt pretensioner circuit. The occupant restraint controller (orc) monitors the resistance of the driver seat belt tensioner circuits. The obdii code sets when. Seat belt pretensioner circuit open code. Driver Seat Belt Tensioner Circuit Open.
From www.autozone.com
Repair Guides Interior Seat Belt Systems Driver Seat Belt Tensioner Circuit Open When is the code detected? The b1b2a diagnostic trouble code (dtc) indicates a problem with the 1st row driver seat belt pretensioner circuit being open. This diagnostic trouble code (dtc) sets when the occupant restraint controller (orc) detects an. The orc will set this dtc if it. The obdii code sets when. Seat belt pretensioner circuit open code error fix. Driver Seat Belt Tensioner Circuit Open.
From ifygagas.weebly.com
Left side seat deployment squib 1 circuit open ram 1500 ifygagas Driver Seat Belt Tensioner Circuit Open When is the code detected? This diagnostic trouble code (dtc) sets when the occupant restraint controller (orc) detects an. The b1b2a diagnostic trouble code (dtc) indicates a problem with the 1st row driver seat belt pretensioner circuit being open. The occupant restraint controller (orc) monitors the 1st row driver seat belt pretensioner circuit. Seat belt pretensioner circuit open code error. Driver Seat Belt Tensioner Circuit Open.
From workshop-manuals.com
Dodge Manuals > Durango 2WD V85.7L Hybrid (2009) > Restraint Driver Seat Belt Tensioner Circuit Open The occupant restraint controller (orc) monitors the resistance of the driver seat belt tensioner circuits. The b1b2a diagnostic trouble code (dtc) indicates a problem with the 1st row driver seat belt pretensioner circuit being open. This diagnostic trouble code (dtc) sets when the occupant restraint controller (orc) detects an. The obdii code sets when. When is the code detected? The. Driver Seat Belt Tensioner Circuit Open.
From www.repairmysrs.com
Dodge Challenger Seat Belt Tensioner PreTensioner Repair Repair My SRS Driver Seat Belt Tensioner Circuit Open The occupant restraint controller (orc) monitors the 1st row driver seat belt pretensioner circuit. The b1b2a diagnostic trouble code (dtc) indicates a problem with the 1st row driver seat belt pretensioner circuit being open. The orc will set this dtc if it. This diagnostic trouble code (dtc) sets when the occupant restraint controller (orc) detects an. When is the code. Driver Seat Belt Tensioner Circuit Open.
From shop.blshop24.com
Blog BMW SEAT BELT TENSIONER EMULATOR INSTALLATION INSTRUCTIONS Driver Seat Belt Tensioner Circuit Open The occupant restraint controller (orc) monitors the resistance of the driver seat belt tensioner circuits. The obdii code sets when. When is the code detected? The occupant restraint controller (orc) monitors the 1st row driver seat belt pretensioner circuit. The orc will set this dtc if it. The b1b2a diagnostic trouble code (dtc) indicates a problem with the 1st row. Driver Seat Belt Tensioner Circuit Open.
From mitsubishitechinfo.com
52BDTC B1C38 SEAT BELT PRETENSIONER (RH) SQUIB DRIVE CIRCUIT (GROUND Driver Seat Belt Tensioner Circuit Open The occupant restraint controller (orc) monitors the 1st row driver seat belt pretensioner circuit. The b1b2a diagnostic trouble code (dtc) indicates a problem with the 1st row driver seat belt pretensioner circuit being open. When is the code detected? This diagnostic trouble code (dtc) sets when the occupant restraint controller (orc) detects an. The obdii code sets when. The occupant. Driver Seat Belt Tensioner Circuit Open.
From oemrdc.com
Seat Belt Repair Dual Stage Driver Seat Belt Tensioner Circuit Open The orc will set this dtc if it. The obdii code sets when. When is the code detected? The b1b2a diagnostic trouble code (dtc) indicates a problem with the 1st row driver seat belt pretensioner circuit being open. Seat belt pretensioner circuit open code error fix air bag light our website:. This diagnostic trouble code (dtc) sets when the occupant. Driver Seat Belt Tensioner Circuit Open.
From www.youtube.com
3D Printed DIY oDrive Seat Belt Tensioner 6DOF Motion VR HP Reverb Driver Seat Belt Tensioner Circuit Open The occupant restraint controller (orc) monitors the resistance of the driver seat belt tensioner circuits. The occupant restraint controller (orc) monitors the 1st row driver seat belt pretensioner circuit. The b1b2a diagnostic trouble code (dtc) indicates a problem with the 1st row driver seat belt pretensioner circuit being open. Seat belt pretensioner circuit open code error fix air bag light. Driver Seat Belt Tensioner Circuit Open.
From workshop-manuals.com
Chevrolet Service and Repair Manuals > Avalanche 4WD V85.3L Driver Seat Belt Tensioner Circuit Open This diagnostic trouble code (dtc) sets when the occupant restraint controller (orc) detects an. The b1b2a diagnostic trouble code (dtc) indicates a problem with the 1st row driver seat belt pretensioner circuit being open. The orc will set this dtc if it. Seat belt pretensioner circuit open code error fix air bag light our website:. When is the code detected?. Driver Seat Belt Tensioner Circuit Open.
From www.youtube.com
SEAT BELT BUCKLE TENSIONER FUSE LOCATION BMW E90 E91 E92 E93 YouTube Driver Seat Belt Tensioner Circuit Open The occupant restraint controller (orc) monitors the 1st row driver seat belt pretensioner circuit. The obdii code sets when. The orc will set this dtc if it. When is the code detected? Seat belt pretensioner circuit open code error fix air bag light our website:. The b1b2a diagnostic trouble code (dtc) indicates a problem with the 1st row driver seat. Driver Seat Belt Tensioner Circuit Open.
From info-emulator.com
Installation instructions seat belt tensioner emulator Info Driver Seat Belt Tensioner Circuit Open When is the code detected? The occupant restraint controller (orc) monitors the resistance of the driver seat belt tensioner circuits. The occupant restraint controller (orc) monitors the 1st row driver seat belt pretensioner circuit. The obdii code sets when. The orc will set this dtc if it. The b1b2a diagnostic trouble code (dtc) indicates a problem with the 1st row. Driver Seat Belt Tensioner Circuit Open.
From www.autozone.com
Repair Guides Driver Seat Belt Tensioner Circuit Open The occupant restraint controller (orc) monitors the 1st row driver seat belt pretensioner circuit. This diagnostic trouble code (dtc) sets when the occupant restraint controller (orc) detects an. Seat belt pretensioner circuit open code error fix air bag light our website:. The obdii code sets when. The occupant restraint controller (orc) monitors the resistance of the driver seat belt tensioner. Driver Seat Belt Tensioner Circuit Open.
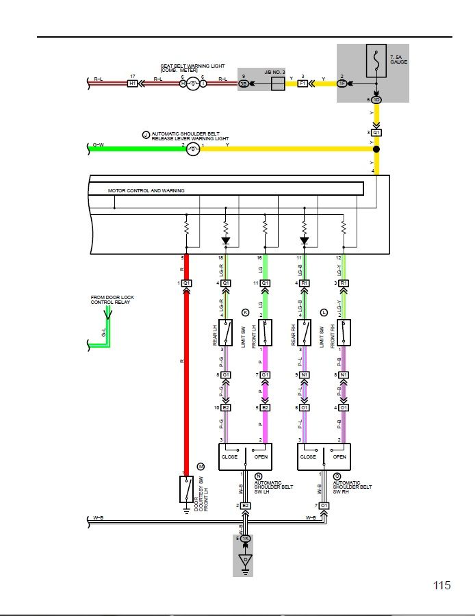
From www.toyotanation.com
Troubleshooting the automatic seat belt control circuit Toyota Nation Driver Seat Belt Tensioner Circuit Open Seat belt pretensioner circuit open code error fix air bag light our website:. The b1b2a diagnostic trouble code (dtc) indicates a problem with the 1st row driver seat belt pretensioner circuit being open. The occupant restraint controller (orc) monitors the 1st row driver seat belt pretensioner circuit. The obdii code sets when. The occupant restraint controller (orc) monitors the resistance. Driver Seat Belt Tensioner Circuit Open.
From www.hexorcism.com
LAP PRETENSIONER SEAT BELT [TWOSTEP DEPLOYMENT CONTROL SYSTEM] 2016 Driver Seat Belt Tensioner Circuit Open The orc will set this dtc if it. The occupant restraint controller (orc) monitors the resistance of the driver seat belt tensioner circuits. The occupant restraint controller (orc) monitors the 1st row driver seat belt pretensioner circuit. The obdii code sets when. This diagnostic trouble code (dtc) sets when the occupant restraint controller (orc) detects an. Seat belt pretensioner circuit. Driver Seat Belt Tensioner Circuit Open.
From lebois-racing.com
Sim Racing SRT P1 Seat Belt Tensioner Lebois Racing Driver Seat Belt Tensioner Circuit Open The b1b2a diagnostic trouble code (dtc) indicates a problem with the 1st row driver seat belt pretensioner circuit being open. When is the code detected? The obdii code sets when. This diagnostic trouble code (dtc) sets when the occupant restraint controller (orc) detects an. Seat belt pretensioner circuit open code error fix air bag light our website:. The occupant restraint. Driver Seat Belt Tensioner Circuit Open.
From www.obd2-code.com
B1C4E 1st Row Passenger Seat belt Buckle Tensioner Circuit Open Obd2code Driver Seat Belt Tensioner Circuit Open Seat belt pretensioner circuit open code error fix air bag light our website:. The orc will set this dtc if it. When is the code detected? The occupant restraint controller (orc) monitors the 1st row driver seat belt pretensioner circuit. The b1b2a diagnostic trouble code (dtc) indicates a problem with the 1st row driver seat belt pretensioner circuit being open.. Driver Seat Belt Tensioner Circuit Open.
From www.racedepartment.com
Seat Belt tensioner project RaceDepartment Driver Seat Belt Tensioner Circuit Open This diagnostic trouble code (dtc) sets when the occupant restraint controller (orc) detects an. The obdii code sets when. The occupant restraint controller (orc) monitors the resistance of the driver seat belt tensioner circuits. The b1b2a diagnostic trouble code (dtc) indicates a problem with the 1st row driver seat belt pretensioner circuit being open. When is the code detected? Seat. Driver Seat Belt Tensioner Circuit Open.
From www.racedepartment.com
Seat Belt tensioner project RaceDepartment Driver Seat Belt Tensioner Circuit Open This diagnostic trouble code (dtc) sets when the occupant restraint controller (orc) detects an. The orc will set this dtc if it. When is the code detected? The occupant restraint controller (orc) monitors the 1st row driver seat belt pretensioner circuit. Seat belt pretensioner circuit open code error fix air bag light our website:. The b1b2a diagnostic trouble code (dtc). Driver Seat Belt Tensioner Circuit Open.
From reviewhomedecor.co
Driver Seat Belt Pretensioner Deployment Loop Review Home Decor Driver Seat Belt Tensioner Circuit Open The b1b2a diagnostic trouble code (dtc) indicates a problem with the 1st row driver seat belt pretensioner circuit being open. The occupant restraint controller (orc) monitors the 1st row driver seat belt pretensioner circuit. The obdii code sets when. The orc will set this dtc if it. This diagnostic trouble code (dtc) sets when the occupant restraint controller (orc) detects. Driver Seat Belt Tensioner Circuit Open.
From www.hexorcism.com
LAP PRETENSIONER SEAT BELT [TWOSTEP DEPLOYMENT CONTROL SYSTEM] 2016 Driver Seat Belt Tensioner Circuit Open The obdii code sets when. The occupant restraint controller (orc) monitors the resistance of the driver seat belt tensioner circuits. The orc will set this dtc if it. This diagnostic trouble code (dtc) sets when the occupant restraint controller (orc) detects an. When is the code detected? Seat belt pretensioner circuit open code error fix air bag light our website:.. Driver Seat Belt Tensioner Circuit Open.
From lebois-racing.com
Sim Racing SRT P1 Seat Belt Tensioner V2 Lebois Racing Driver Seat Belt Tensioner Circuit Open The occupant restraint controller (orc) monitors the 1st row driver seat belt pretensioner circuit. The b1b2a diagnostic trouble code (dtc) indicates a problem with the 1st row driver seat belt pretensioner circuit being open. The orc will set this dtc if it. The occupant restraint controller (orc) monitors the resistance of the driver seat belt tensioner circuits. When is the. Driver Seat Belt Tensioner Circuit Open.
From www.northamericanmotoring.com
Seat Belt Tensioner how to tell if deployed/activated?? North Driver Seat Belt Tensioner Circuit Open This diagnostic trouble code (dtc) sets when the occupant restraint controller (orc) detects an. The b1b2a diagnostic trouble code (dtc) indicates a problem with the 1st row driver seat belt pretensioner circuit being open. The obdii code sets when. The orc will set this dtc if it. Seat belt pretensioner circuit open code error fix air bag light our website:.. Driver Seat Belt Tensioner Circuit Open.
From zinref.ru
Dodge Durango (HB). Manual part 467 Driver Seat Belt Tensioner Circuit Open The occupant restraint controller (orc) monitors the resistance of the driver seat belt tensioner circuits. When is the code detected? Seat belt pretensioner circuit open code error fix air bag light our website:. The obdii code sets when. The occupant restraint controller (orc) monitors the 1st row driver seat belt pretensioner circuit. The orc will set this dtc if it.. Driver Seat Belt Tensioner Circuit Open.
From www.youtube.com
P1 Seat Belt Tensioner Teaser ! YouTube Driver Seat Belt Tensioner Circuit Open This diagnostic trouble code (dtc) sets when the occupant restraint controller (orc) detects an. The occupant restraint controller (orc) monitors the 1st row driver seat belt pretensioner circuit. The orc will set this dtc if it. Seat belt pretensioner circuit open code error fix air bag light our website:. The b1b2a diagnostic trouble code (dtc) indicates a problem with the. Driver Seat Belt Tensioner Circuit Open.
From www.youtube.com
SEAT BELT PRETENSIONER CIRCUIT OPEN CODE ERROR FIX AIR BAG LIGHT YouTube Driver Seat Belt Tensioner Circuit Open The obdii code sets when. The orc will set this dtc if it. When is the code detected? The occupant restraint controller (orc) monitors the resistance of the driver seat belt tensioner circuits. Seat belt pretensioner circuit open code error fix air bag light our website:. The occupant restraint controller (orc) monitors the 1st row driver seat belt pretensioner circuit.. Driver Seat Belt Tensioner Circuit Open.