Ad Converter Circuit . Adc stands for analog to digital converter. An analog to digital converter (adc) is a very useful feature that converts an analog voltage on a pin to a digital number. It is an electronic device used for converting an analog signal into a digital signal. The output of adc is a discrete time and discrete amplitude digital signal. Analog to digital converter (adc) is an electronic integrated circuit used to convert the analog signals such as voltages to digital or binary form consisting of 1s and 0s. By converting from the analog world to the digital world, we can. The analog input signal of adc is continuous time & continuous amplitude signal. Here are some tips for selecting such a part and calibrating it to.
        
        from www.circuitdiagram.co 
     
        
        Here are some tips for selecting such a part and calibrating it to. Adc stands for analog to digital converter. By converting from the analog world to the digital world, we can. It is an electronic device used for converting an analog signal into a digital signal. An analog to digital converter (adc) is a very useful feature that converts an analog voltage on a pin to a digital number. The output of adc is a discrete time and discrete amplitude digital signal. Analog to digital converter (adc) is an electronic integrated circuit used to convert the analog signals such as voltages to digital or binary form consisting of 1s and 0s. The analog input signal of adc is continuous time & continuous amplitude signal.
    
    	
            
	
		 
         
    Ad Converter Circuit Diagram Circuit Diagram 
    Ad Converter Circuit  Here are some tips for selecting such a part and calibrating it to. Analog to digital converter (adc) is an electronic integrated circuit used to convert the analog signals such as voltages to digital or binary form consisting of 1s and 0s. It is an electronic device used for converting an analog signal into a digital signal. The analog input signal of adc is continuous time & continuous amplitude signal. Adc stands for analog to digital converter. Here are some tips for selecting such a part and calibrating it to. By converting from the analog world to the digital world, we can. The output of adc is a discrete time and discrete amplitude digital signal. An analog to digital converter (adc) is a very useful feature that converts an analog voltage on a pin to a digital number.
            
	
		 
         
 
    
        From www.arrow.com 
                    AD923180EBZ Reference Design Analog to Digital Conversion Ad Converter Circuit  The analog input signal of adc is continuous time & continuous amplitude signal. By converting from the analog world to the digital world, we can. An analog to digital converter (adc) is a very useful feature that converts an analog voltage on a pin to a digital number. Adc stands for analog to digital converter. Analog to digital converter (adc). Ad Converter Circuit.
     
    
        From www.seekic.com 
                    Microporoer_12_bit_A_D_converter AD_DA_Converter_Circuit Circuit Ad Converter Circuit  An analog to digital converter (adc) is a very useful feature that converts an analog voltage on a pin to a digital number. The analog input signal of adc is continuous time & continuous amplitude signal. The output of adc is a discrete time and discrete amplitude digital signal. Adc stands for analog to digital converter. Here are some tips. Ad Converter Circuit.
     
    
        From www.circuitdiagram.co 
                    A D Converter Circuit Diagram Circuit Diagram Ad Converter Circuit  By converting from the analog world to the digital world, we can. An analog to digital converter (adc) is a very useful feature that converts an analog voltage on a pin to a digital number. The output of adc is a discrete time and discrete amplitude digital signal. It is an electronic device used for converting an analog signal into. Ad Converter Circuit.
     
    
        From eureka.patsnap.com 
                    A/D converter circuit Eureka Patsnap Ad Converter Circuit  Here are some tips for selecting such a part and calibrating it to. The analog input signal of adc is continuous time & continuous amplitude signal. The output of adc is a discrete time and discrete amplitude digital signal. Adc stands for analog to digital converter. It is an electronic device used for converting an analog signal into a digital. Ad Converter Circuit.
     
    
        From www.renesas.com 
                    Renesas Electronics and Hitachi Develop HighSpeed, HighPrecision Ad Converter Circuit  Here are some tips for selecting such a part and calibrating it to. Analog to digital converter (adc) is an electronic integrated circuit used to convert the analog signals such as voltages to digital or binary form consisting of 1s and 0s. By converting from the analog world to the digital world, we can. It is an electronic device used. Ad Converter Circuit.
     
    
        From protostack.com.au 
                    Analogue to Digital Conversion on an ATmega168 Protostack Ad Converter Circuit  Here are some tips for selecting such a part and calibrating it to. By converting from the analog world to the digital world, we can. The output of adc is a discrete time and discrete amplitude digital signal. Analog to digital converter (adc) is an electronic integrated circuit used to convert the analog signals such as voltages to digital or. Ad Converter Circuit.
     
    
        From www.vrogue.co 
                    How To Design A Pcb For A Boost Converter vrogue.co Ad Converter Circuit  Analog to digital converter (adc) is an electronic integrated circuit used to convert the analog signals such as voltages to digital or binary form consisting of 1s and 0s. The output of adc is a discrete time and discrete amplitude digital signal. Adc stands for analog to digital converter. Here are some tips for selecting such a part and calibrating. Ad Converter Circuit.
     
    
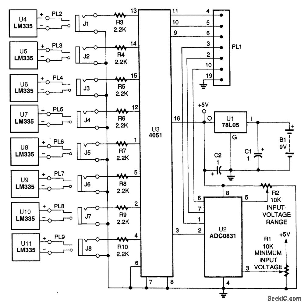
        From www.seekic.com 
                    EIGHT_INPUT_A_D_CONVERTER_FOR_TEMPERATURE_MEASUREMENTS AD_converter Ad Converter Circuit  It is an electronic device used for converting an analog signal into a digital signal. An analog to digital converter (adc) is a very useful feature that converts an analog voltage on a pin to a digital number. The analog input signal of adc is continuous time & continuous amplitude signal. Adc stands for analog to digital converter. Analog to. Ad Converter Circuit.
     
    
        From www.seekic.com 
                    The sensor AD converter circuit Measuring_and_Test_Circuit Circuit Ad Converter Circuit  The output of adc is a discrete time and discrete amplitude digital signal. The analog input signal of adc is continuous time & continuous amplitude signal. An analog to digital converter (adc) is a very useful feature that converts an analog voltage on a pin to a digital number. Adc stands for analog to digital converter. By converting from the. Ad Converter Circuit.
     
    
        From www.walmart.com 
                    FXY20pcs LM317 LM317T DCDC StepDown DC Converter Circuit Board Power Ad Converter Circuit  Analog to digital converter (adc) is an electronic integrated circuit used to convert the analog signals such as voltages to digital or binary form consisting of 1s and 0s. It is an electronic device used for converting an analog signal into a digital signal. By converting from the analog world to the digital world, we can. Adc stands for analog. Ad Converter Circuit.
     
    
        From www.walmart.com 
                    10X USB to RS485 Serial Converter RS485 Communication Module 300 Ad Converter Circuit  Adc stands for analog to digital converter. An analog to digital converter (adc) is a very useful feature that converts an analog voltage on a pin to a digital number. By converting from the analog world to the digital world, we can. The analog input signal of adc is continuous time & continuous amplitude signal. Analog to digital converter (adc). Ad Converter Circuit.
     
    
        From www.seekic.com 
                    A_D_converter Basic_Circuit Circuit Diagram Ad Converter Circuit  The analog input signal of adc is continuous time & continuous amplitude signal. The output of adc is a discrete time and discrete amplitude digital signal. It is an electronic device used for converting an analog signal into a digital signal. Here are some tips for selecting such a part and calibrating it to. An analog to digital converter (adc). Ad Converter Circuit.
     
    
        From www.eleccircuit.com 
                    DC to AC Converter circuit projects on Ad Converter Circuit  By converting from the analog world to the digital world, we can. The output of adc is a discrete time and discrete amplitude digital signal. It is an electronic device used for converting an analog signal into a digital signal. An analog to digital converter (adc) is a very useful feature that converts an analog voltage on a pin to. Ad Converter Circuit.
     
    
        From lasopalemon705.weebly.com 
                    Analog to digital converter reviews lasopalemon Ad Converter Circuit  Analog to digital converter (adc) is an electronic integrated circuit used to convert the analog signals such as voltages to digital or binary form consisting of 1s and 0s. Here are some tips for selecting such a part and calibrating it to. Adc stands for analog to digital converter. The analog input signal of adc is continuous time & continuous. Ad Converter Circuit.
     
    
        From www.myxxgirl.com 
                    Successive Approximation Analog To Digital Conversion Adc Explained Ad Converter Circuit  It is an electronic device used for converting an analog signal into a digital signal. Here are some tips for selecting such a part and calibrating it to. An analog to digital converter (adc) is a very useful feature that converts an analog voltage on a pin to a digital number. The analog input signal of adc is continuous time. Ad Converter Circuit.
     
    
        From www.next.gr 
                    analog to digital circuit Digital Circuits Next.gr Ad Converter Circuit  It is an electronic device used for converting an analog signal into a digital signal. Here are some tips for selecting such a part and calibrating it to. Adc stands for analog to digital converter. The output of adc is a discrete time and discrete amplitude digital signal. Analog to digital converter (adc) is an electronic integrated circuit used to. Ad Converter Circuit.
     
    
        From www.seekic.com 
                    10 Bit AD converter circuit AD_converter AD_DA_Converter Ad Converter Circuit  Here are some tips for selecting such a part and calibrating it to. The output of adc is a discrete time and discrete amplitude digital signal. It is an electronic device used for converting an analog signal into a digital signal. By converting from the analog world to the digital world, we can. The analog input signal of adc is. Ad Converter Circuit.
     
    
        From powerbpo.weebly.com 
                    Analog to digital converter code powerbpo Ad Converter Circuit  Analog to digital converter (adc) is an electronic integrated circuit used to convert the analog signals such as voltages to digital or binary form consisting of 1s and 0s. By converting from the analog world to the digital world, we can. The output of adc is a discrete time and discrete amplitude digital signal. It is an electronic device used. Ad Converter Circuit.
     
    
        From domoticx.com 
                    Module ADS1115 4Channel 16Bit ADC Module Ad Converter Circuit  Here are some tips for selecting such a part and calibrating it to. It is an electronic device used for converting an analog signal into a digital signal. By converting from the analog world to the digital world, we can. Adc stands for analog to digital converter. The output of adc is a discrete time and discrete amplitude digital signal.. Ad Converter Circuit.
     
    
        From www.researchgate.net 
                    shows the block diagram of a conventional flash A/D converter with Ad Converter Circuit  Analog to digital converter (adc) is an electronic integrated circuit used to convert the analog signals such as voltages to digital or binary form consisting of 1s and 0s. It is an electronic device used for converting an analog signal into a digital signal. Adc stands for analog to digital converter. The output of adc is a discrete time and. Ad Converter Circuit.
     
    
        From www.seekic.com 
                    ADC AD_converter AD_DA_Converter_Circuit Circuit Diagram Ad Converter Circuit  Adc stands for analog to digital converter. By converting from the analog world to the digital world, we can. The analog input signal of adc is continuous time & continuous amplitude signal. It is an electronic device used for converting an analog signal into a digital signal. Analog to digital converter (adc) is an electronic integrated circuit used to convert. Ad Converter Circuit.
     
    
        From manualwiringtraci.z19.web.core.windows.net 
                    Simple A D Converter Circuit Diagram Ad Converter Circuit  The output of adc is a discrete time and discrete amplitude digital signal. Here are some tips for selecting such a part and calibrating it to. Adc stands for analog to digital converter. By converting from the analog world to the digital world, we can. Analog to digital converter (adc) is an electronic integrated circuit used to convert the analog. Ad Converter Circuit.
     
    
        From www.electricaltechnology.org 
                    Analog to Digital Converter (ADC) Block Diagram, Factors & Applications Ad Converter Circuit  Adc stands for analog to digital converter. An analog to digital converter (adc) is a very useful feature that converts an analog voltage on a pin to a digital number. Analog to digital converter (adc) is an electronic integrated circuit used to convert the analog signals such as voltages to digital or binary form consisting of 1s and 0s. Here. Ad Converter Circuit.
     
    
        From circuitenginesylph123.z21.web.core.windows.net 
                    Dcac Converter Circuit Diagram Ad Converter Circuit  Adc stands for analog to digital converter. The analog input signal of adc is continuous time & continuous amplitude signal. Here are some tips for selecting such a part and calibrating it to. It is an electronic device used for converting an analog signal into a digital signal. The output of adc is a discrete time and discrete amplitude digital. Ad Converter Circuit.
     
    
        From www.walmart.com 
                    FXYDC Voltage Regulator, DC to DC 12V 9?14V to 15V15A Boost Converter Ad Converter Circuit  An analog to digital converter (adc) is a very useful feature that converts an analog voltage on a pin to a digital number. Here are some tips for selecting such a part and calibrating it to. It is an electronic device used for converting an analog signal into a digital signal. Adc stands for analog to digital converter. The output. Ad Converter Circuit.
     
    
        From www.researchgate.net 
                    A/D converter circuit. Download Scientific Diagram Ad Converter Circuit  The output of adc is a discrete time and discrete amplitude digital signal. An analog to digital converter (adc) is a very useful feature that converts an analog voltage on a pin to a digital number. Here are some tips for selecting such a part and calibrating it to. The analog input signal of adc is continuous time & continuous. Ad Converter Circuit.
     
    
        From circuitcellar.com 
                    24Bit Sigma Delta A/D Converter Circuit Cellar Ad Converter Circuit  The analog input signal of adc is continuous time & continuous amplitude signal. The output of adc is a discrete time and discrete amplitude digital signal. It is an electronic device used for converting an analog signal into a digital signal. Here are some tips for selecting such a part and calibrating it to. An analog to digital converter (adc). Ad Converter Circuit.
     
    
        From www.next.gr 
                    Audio AD converter circuit configuration under Analog to Digital Ad Converter Circuit  The output of adc is a discrete time and discrete amplitude digital signal. By converting from the analog world to the digital world, we can. It is an electronic device used for converting an analog signal into a digital signal. The analog input signal of adc is continuous time & continuous amplitude signal. An analog to digital converter (adc) is. Ad Converter Circuit.
     
    
        From www.youtube.com 
                    AC to DC Converter Circuit Daigram ac to dc power supply Electrical Ad Converter Circuit  It is an electronic device used for converting an analog signal into a digital signal. An analog to digital converter (adc) is a very useful feature that converts an analog voltage on a pin to a digital number. The analog input signal of adc is continuous time & continuous amplitude signal. The output of adc is a discrete time and. Ad Converter Circuit.
     
    
        From www.stereonet.com 
                    Esoteric N01XD Digital Analog Converter (DAC) + Streaming  Digital Ad Converter Circuit  Here are some tips for selecting such a part and calibrating it to. The analog input signal of adc is continuous time & continuous amplitude signal. By converting from the analog world to the digital world, we can. It is an electronic device used for converting an analog signal into a digital signal. Adc stands for analog to digital converter.. Ad Converter Circuit.
     
    
        From www.circuitdiagram.co 
                    Ad Converter Circuit Diagram Circuit Diagram Ad Converter Circuit  It is an electronic device used for converting an analog signal into a digital signal. The analog input signal of adc is continuous time & continuous amplitude signal. An analog to digital converter (adc) is a very useful feature that converts an analog voltage on a pin to a digital number. Here are some tips for selecting such a part. Ad Converter Circuit.
     
    
        From www.next.gr 
                    analog to digital circuit Digital Circuits Next.gr Ad Converter Circuit  It is an electronic device used for converting an analog signal into a digital signal. The analog input signal of adc is continuous time & continuous amplitude signal. Here are some tips for selecting such a part and calibrating it to. An analog to digital converter (adc) is a very useful feature that converts an analog voltage on a pin. Ad Converter Circuit.
     
    
        From circuitenginelilium101.z21.web.core.windows.net 
                    A/d Converter Circuit Diagram Ad Converter Circuit  Analog to digital converter (adc) is an electronic integrated circuit used to convert the analog signals such as voltages to digital or binary form consisting of 1s and 0s. It is an electronic device used for converting an analog signal into a digital signal. An analog to digital converter (adc) is a very useful feature that converts an analog voltage. Ad Converter Circuit.
     
    
        From diagramdatasoftball.z14.web.core.windows.net 
                    Ac Dc Converter Circuit Diagram Ad Converter Circuit  Analog to digital converter (adc) is an electronic integrated circuit used to convert the analog signals such as voltages to digital or binary form consisting of 1s and 0s. Here are some tips for selecting such a part and calibrating it to. By converting from the analog world to the digital world, we can. The output of adc is a. Ad Converter Circuit.
     
    
        From snoceleb.weebly.com 
                    Analog to digital converter block diagram snoceleb Ad Converter Circuit  Adc stands for analog to digital converter. The analog input signal of adc is continuous time & continuous amplitude signal. Here are some tips for selecting such a part and calibrating it to. Analog to digital converter (adc) is an electronic integrated circuit used to convert the analog signals such as voltages to digital or binary form consisting of 1s. Ad Converter Circuit.