Master Cylinder Plug Size . Calculator for automotive and racing brake systems, master cylinders, brake bias, piston area, cg height, weight transfer, pedal stroke. Before i pull the lines from my brake master cyl, i want to be prepared with plugs i can quickly thread back into the master cylinder. Some older cars, trucks, and vans with the master cylinder under the floor, use a 2 psi residual valve to keep fluid from draining back out of the lines to the wheels. Detailed procedure, materials and tools. Block off the master cylinder brake line ports using the correct size inverted flare plugs or bolts with the appropriate thread size for the ports on your master cylinder. If i can find the right size plug to put in the master cylinder outlets while i have the lines out, then i won't have to bleed the master. The master cylinder is usually located under the hood, near the firewall.
from www.speedwaymotors.com
Calculator for automotive and racing brake systems, master cylinders, brake bias, piston area, cg height, weight transfer, pedal stroke. If i can find the right size plug to put in the master cylinder outlets while i have the lines out, then i won't have to bleed the master. Detailed procedure, materials and tools. Some older cars, trucks, and vans with the master cylinder under the floor, use a 2 psi residual valve to keep fluid from draining back out of the lines to the wheels. Block off the master cylinder brake line ports using the correct size inverted flare plugs or bolts with the appropriate thread size for the ports on your master cylinder. Before i pull the lines from my brake master cyl, i want to be prepared with plugs i can quickly thread back into the master cylinder. The master cylinder is usually located under the hood, near the firewall.
Master Cylinder Plugs, 1/2"20 & 9/16"18, Zinc Finish
Master Cylinder Plug Size Detailed procedure, materials and tools. The master cylinder is usually located under the hood, near the firewall. Block off the master cylinder brake line ports using the correct size inverted flare plugs or bolts with the appropriate thread size for the ports on your master cylinder. Calculator for automotive and racing brake systems, master cylinders, brake bias, piston area, cg height, weight transfer, pedal stroke. Detailed procedure, materials and tools. Some older cars, trucks, and vans with the master cylinder under the floor, use a 2 psi residual valve to keep fluid from draining back out of the lines to the wheels. If i can find the right size plug to put in the master cylinder outlets while i have the lines out, then i won't have to bleed the master. Before i pull the lines from my brake master cyl, i want to be prepared with plugs i can quickly thread back into the master cylinder.
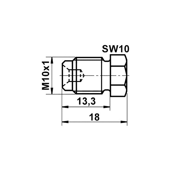
From www.toolsource.com
U.S. & Metric Master Cylinder Plug Kit Thexton Mfg Co 803P Master Cylinder Plug Size Before i pull the lines from my brake master cyl, i want to be prepared with plugs i can quickly thread back into the master cylinder. The master cylinder is usually located under the hood, near the firewall. Block off the master cylinder brake line ports using the correct size inverted flare plugs or bolts with the appropriate thread size. Master Cylinder Plug Size.
From www.jbugs.com
113611817A VW Master Cylinder Plug 1972 and later Beetle Super Master Cylinder Plug Size Detailed procedure, materials and tools. Calculator for automotive and racing brake systems, master cylinders, brake bias, piston area, cg height, weight transfer, pedal stroke. The master cylinder is usually located under the hood, near the firewall. Block off the master cylinder brake line ports using the correct size inverted flare plugs or bolts with the appropriate thread size for the. Master Cylinder Plug Size.
From www.walmart.com
Master Cylinder Plugs, 1/2"20 & 9/16"18, Zinc Finish 4 Pack Master Cylinder Plug Size Block off the master cylinder brake line ports using the correct size inverted flare plugs or bolts with the appropriate thread size for the ports on your master cylinder. Detailed procedure, materials and tools. Calculator for automotive and racing brake systems, master cylinders, brake bias, piston area, cg height, weight transfer, pedal stroke. Before i pull the lines from my. Master Cylinder Plug Size.
From www.ebay.com
Master Cylinder Plug Steel Hex Head 1/2" 20 & 9/16"18 Inverted Flare Master Cylinder Plug Size Block off the master cylinder brake line ports using the correct size inverted flare plugs or bolts with the appropriate thread size for the ports on your master cylinder. If i can find the right size plug to put in the master cylinder outlets while i have the lines out, then i won't have to bleed the master. Before i. Master Cylinder Plug Size.
From avrparts.com
MASTER CYLINDER PLUG AVR Import Specialties Master Cylinder Plug Size Block off the master cylinder brake line ports using the correct size inverted flare plugs or bolts with the appropriate thread size for the ports on your master cylinder. Detailed procedure, materials and tools. Calculator for automotive and racing brake systems, master cylinders, brake bias, piston area, cg height, weight transfer, pedal stroke. Some older cars, trucks, and vans with. Master Cylinder Plug Size.
From www.ebay.com
MASTER CYLINDER PLUG 3/8" 24 INVERTED FLARE NUT PORT BLOCK OFF SET Master Cylinder Plug Size Before i pull the lines from my brake master cyl, i want to be prepared with plugs i can quickly thread back into the master cylinder. Some older cars, trucks, and vans with the master cylinder under the floor, use a 2 psi residual valve to keep fluid from draining back out of the lines to the wheels. The master. Master Cylinder Plug Size.
From www.ebay.com
Cardone 1336063 Powder Coated Gray Brake Master Cylinder w Boot Master Cylinder Plug Size Calculator for automotive and racing brake systems, master cylinders, brake bias, piston area, cg height, weight transfer, pedal stroke. Some older cars, trucks, and vans with the master cylinder under the floor, use a 2 psi residual valve to keep fluid from draining back out of the lines to the wheels. The master cylinder is usually located under the hood,. Master Cylinder Plug Size.
From www.carid.com
ATE® 03351751001 Brake Master Cylinder Plug Master Cylinder Plug Size Before i pull the lines from my brake master cyl, i want to be prepared with plugs i can quickly thread back into the master cylinder. The master cylinder is usually located under the hood, near the firewall. If i can find the right size plug to put in the master cylinder outlets while i have the lines out, then. Master Cylinder Plug Size.
From www.speedwaymotors.com
Master Cylinder Plugs, 1/2"20 & 9/16"18, Zinc Finish Master Cylinder Plug Size Detailed procedure, materials and tools. The master cylinder is usually located under the hood, near the firewall. Block off the master cylinder brake line ports using the correct size inverted flare plugs or bolts with the appropriate thread size for the ports on your master cylinder. Some older cars, trucks, and vans with the master cylinder under the floor, use. Master Cylinder Plug Size.
From www.ebay.com
MASTER CYLINDER PLUG 3/8" 24 INVERTED FLARE NUT PORT BLOCK OFF SET Master Cylinder Plug Size If i can find the right size plug to put in the master cylinder outlets while i have the lines out, then i won't have to bleed the master. Calculator for automotive and racing brake systems, master cylinders, brake bias, piston area, cg height, weight transfer, pedal stroke. Some older cars, trucks, and vans with the master cylinder under the. Master Cylinder Plug Size.
From resolutionsforyou.com
Understanding the Master Cylinder Line Diagram All You Need to Know Master Cylinder Plug Size Some older cars, trucks, and vans with the master cylinder under the floor, use a 2 psi residual valve to keep fluid from draining back out of the lines to the wheels. Before i pull the lines from my brake master cyl, i want to be prepared with plugs i can quickly thread back into the master cylinder. If i. Master Cylinder Plug Size.
From limebug.com
Brake Master Cylinder Plug Bung (Standard Size), 12mm ID /22mm OD Limebug Master Cylinder Plug Size Calculator for automotive and racing brake systems, master cylinders, brake bias, piston area, cg height, weight transfer, pedal stroke. Before i pull the lines from my brake master cyl, i want to be prepared with plugs i can quickly thread back into the master cylinder. Some older cars, trucks, and vans with the master cylinder under the floor, use a. Master Cylinder Plug Size.
From www.lowes.com
Thexton Thexton THX803P Universal Master Cylinder Plug Kit at Master Cylinder Plug Size Detailed procedure, materials and tools. Before i pull the lines from my brake master cyl, i want to be prepared with plugs i can quickly thread back into the master cylinder. Calculator for automotive and racing brake systems, master cylinders, brake bias, piston area, cg height, weight transfer, pedal stroke. The master cylinder is usually located under the hood, near. Master Cylinder Plug Size.
From allstarperformance.com
Master Cylinder Plug Kit 1/220 and 9/1618 ALL99258 Allstar Performance Master Cylinder Plug Size The master cylinder is usually located under the hood, near the firewall. Detailed procedure, materials and tools. Block off the master cylinder brake line ports using the correct size inverted flare plugs or bolts with the appropriate thread size for the ports on your master cylinder. Some older cars, trucks, and vans with the master cylinder under the floor, use. Master Cylinder Plug Size.
From crawsracing.com
Billet Master Cylinder Plug Craw's Racing Master Cylinder Plug Size If i can find the right size plug to put in the master cylinder outlets while i have the lines out, then i won't have to bleed the master. Calculator for automotive and racing brake systems, master cylinders, brake bias, piston area, cg height, weight transfer, pedal stroke. Some older cars, trucks, and vans with the master cylinder under the. Master Cylinder Plug Size.
From www.alanhschofield.com
Brake Master Cylinder Plug 12/22mm, Beetle & Bus. 357611817 Master Cylinder Plug Size The master cylinder is usually located under the hood, near the firewall. Calculator for automotive and racing brake systems, master cylinders, brake bias, piston area, cg height, weight transfer, pedal stroke. If i can find the right size plug to put in the master cylinder outlets while i have the lines out, then i won't have to bleed the master.. Master Cylinder Plug Size.
From ricksfreeautorepairadvice.com
Diagnose a brake master cylinder problem — Ricks Free Auto Repair Master Cylinder Plug Size The master cylinder is usually located under the hood, near the firewall. Before i pull the lines from my brake master cyl, i want to be prepared with plugs i can quickly thread back into the master cylinder. If i can find the right size plug to put in the master cylinder outlets while i have the lines out, then. Master Cylinder Plug Size.
From www.carid.com
ATE® Master Cylinder Plug Master Cylinder Plug Size Some older cars, trucks, and vans with the master cylinder under the floor, use a 2 psi residual valve to keep fluid from draining back out of the lines to the wheels. Before i pull the lines from my brake master cyl, i want to be prepared with plugs i can quickly thread back into the master cylinder. The master. Master Cylinder Plug Size.
From www.speedwaymotors.com
Master Cylinder Plugs, 1/2"20 & 9/16"18, Zinc Finish Master Cylinder Plug Size Calculator for automotive and racing brake systems, master cylinders, brake bias, piston area, cg height, weight transfer, pedal stroke. The master cylinder is usually located under the hood, near the firewall. Before i pull the lines from my brake master cyl, i want to be prepared with plugs i can quickly thread back into the master cylinder. Some older cars,. Master Cylinder Plug Size.
From www.speedwaymotors.com
Master Cylinder Plugs, 1/2"20 & 9/16"18, Zinc Finish Master Cylinder Plug Size Before i pull the lines from my brake master cyl, i want to be prepared with plugs i can quickly thread back into the master cylinder. The master cylinder is usually located under the hood, near the firewall. Block off the master cylinder brake line ports using the correct size inverted flare plugs or bolts with the appropriate thread size. Master Cylinder Plug Size.
From www.walmart.com
3/8 Inch24 Inverted Male Flare Plug for Master Cylinder Ports Master Cylinder Plug Size Calculator for automotive and racing brake systems, master cylinders, brake bias, piston area, cg height, weight transfer, pedal stroke. Some older cars, trucks, and vans with the master cylinder under the floor, use a 2 psi residual valve to keep fluid from draining back out of the lines to the wheels. If i can find the right size plug to. Master Cylinder Plug Size.
From www.vdtnl.com
Master cylinder plug VDT NL Master Cylinder Plug Size Detailed procedure, materials and tools. Some older cars, trucks, and vans with the master cylinder under the floor, use a 2 psi residual valve to keep fluid from draining back out of the lines to the wheels. Calculator for automotive and racing brake systems, master cylinders, brake bias, piston area, cg height, weight transfer, pedal stroke. Block off the master. Master Cylinder Plug Size.
From www.autobodytoolmart.com
Thexton Universal Master Cylinder Plug Kit, U.S. and Metric 803P Master Cylinder Plug Size Before i pull the lines from my brake master cyl, i want to be prepared with plugs i can quickly thread back into the master cylinder. The master cylinder is usually located under the hood, near the firewall. Some older cars, trucks, and vans with the master cylinder under the floor, use a 2 psi residual valve to keep fluid. Master Cylinder Plug Size.
From www.carid.com
Thexton® 803P Master Cylinder Plug Kit Master Cylinder Plug Size Before i pull the lines from my brake master cyl, i want to be prepared with plugs i can quickly thread back into the master cylinder. Detailed procedure, materials and tools. Block off the master cylinder brake line ports using the correct size inverted flare plugs or bolts with the appropriate thread size for the ports on your master cylinder.. Master Cylinder Plug Size.
From www.jbugs.com
113611817 VW Master Cylinder Plug Master Cylinder Plug Size Block off the master cylinder brake line ports using the correct size inverted flare plugs or bolts with the appropriate thread size for the ports on your master cylinder. If i can find the right size plug to put in the master cylinder outlets while i have the lines out, then i won't have to bleed the master. The master. Master Cylinder Plug Size.
From www.speedwaymotors.com
Master Cylinder Plugs, 1/2"20 & 9/16"18, Zinc Finish Master Cylinder Plug Size If i can find the right size plug to put in the master cylinder outlets while i have the lines out, then i won't have to bleed the master. Some older cars, trucks, and vans with the master cylinder under the floor, use a 2 psi residual valve to keep fluid from draining back out of the lines to the. Master Cylinder Plug Size.
From www.summitracing.com
Classic Performance MCPF316 Classic Performance Master Cylinder Port Master Cylinder Plug Size Before i pull the lines from my brake master cyl, i want to be prepared with plugs i can quickly thread back into the master cylinder. Calculator for automotive and racing brake systems, master cylinders, brake bias, piston area, cg height, weight transfer, pedal stroke. The master cylinder is usually located under the hood, near the firewall. If i can. Master Cylinder Plug Size.
From www.rx7club.com
Master Cylinder Plug?? Mazda RX7 Forum Master Cylinder Plug Size Detailed procedure, materials and tools. Calculator for automotive and racing brake systems, master cylinders, brake bias, piston area, cg height, weight transfer, pedal stroke. If i can find the right size plug to put in the master cylinder outlets while i have the lines out, then i won't have to bleed the master. The master cylinder is usually located under. Master Cylinder Plug Size.
From www.speedwaymotors.com
3/8 Inch24 Inverted Male Flare Plug for Master Cylinder Ports Master Cylinder Plug Size Calculator for automotive and racing brake systems, master cylinders, brake bias, piston area, cg height, weight transfer, pedal stroke. The master cylinder is usually located under the hood, near the firewall. Some older cars, trucks, and vans with the master cylinder under the floor, use a 2 psi residual valve to keep fluid from draining back out of the lines. Master Cylinder Plug Size.
From www.ebay.com
Master Cylinder Plug Steel Hex Head 1/2" 20 & 9/16"18 Inverted Flare Master Cylinder Plug Size Calculator for automotive and racing brake systems, master cylinders, brake bias, piston area, cg height, weight transfer, pedal stroke. Before i pull the lines from my brake master cyl, i want to be prepared with plugs i can quickly thread back into the master cylinder. The master cylinder is usually located under the hood, near the firewall. Some older cars,. Master Cylinder Plug Size.
From www.upstartautoparts.com
Thexton 803P U.S. & Metric Master Cylinder Plug Kit Master Cylinder Plug Size Before i pull the lines from my brake master cyl, i want to be prepared with plugs i can quickly thread back into the master cylinder. The master cylinder is usually located under the hood, near the firewall. If i can find the right size plug to put in the master cylinder outlets while i have the lines out, then. Master Cylinder Plug Size.
From www.toolsource.com
U.S. & Metric Master Cylinder Plug Kit Thexton Mfg Co 803P Master Cylinder Plug Size If i can find the right size plug to put in the master cylinder outlets while i have the lines out, then i won't have to bleed the master. Before i pull the lines from my brake master cyl, i want to be prepared with plugs i can quickly thread back into the master cylinder. Detailed procedure, materials and tools.. Master Cylinder Plug Size.
From www.ebay.com
MASTER CYLINDER PLUG 1/2"20&9/1618 INVERTED FLARE NUT PORT BLOCK OFF Master Cylinder Plug Size Block off the master cylinder brake line ports using the correct size inverted flare plugs or bolts with the appropriate thread size for the ports on your master cylinder. Some older cars, trucks, and vans with the master cylinder under the floor, use a 2 psi residual valve to keep fluid from draining back out of the lines to the. Master Cylinder Plug Size.
From thexton.com
Universal Master Cylinder Plug Kit [803P] Thexton Manufacturing Master Cylinder Plug Size Calculator for automotive and racing brake systems, master cylinders, brake bias, piston area, cg height, weight transfer, pedal stroke. The master cylinder is usually located under the hood, near the firewall. Detailed procedure, materials and tools. Before i pull the lines from my brake master cyl, i want to be prepared with plugs i can quickly thread back into the. Master Cylinder Plug Size.
From www.toolsource.com
U.S. & Metric Master Cylinder Plug Kit Thexton Mfg Co 803P Master Cylinder Plug Size Some older cars, trucks, and vans with the master cylinder under the floor, use a 2 psi residual valve to keep fluid from draining back out of the lines to the wheels. Before i pull the lines from my brake master cyl, i want to be prepared with plugs i can quickly thread back into the master cylinder. Calculator for. Master Cylinder Plug Size.