Working Principle Of Directional Over Current Relay . the relay operates when the fault current exceeds the pickup current. directional overcurrent relays are constructed using a normal overcurrent unit plus a unit that can determine the. the relay operates for the defined direction when the fault current is in the same. why is directional overcurrent protection important? The direction of current flow is a significant characteristic of. For directional over current relay, the fault current. typical electromechanical ground directional relay. in continuation to the previous video, in this video we have. the aim of this technical article is to cover the most important principles of four fundamental relay protections:
from www.electricalvolt.com
directional overcurrent relays are constructed using a normal overcurrent unit plus a unit that can determine the. in continuation to the previous video, in this video we have. the relay operates for the defined direction when the fault current is in the same. typical electromechanical ground directional relay. why is directional overcurrent protection important? the relay operates when the fault current exceeds the pickup current. For directional over current relay, the fault current. the aim of this technical article is to cover the most important principles of four fundamental relay protections: The direction of current flow is a significant characteristic of.
Overcurrent Relay Working Principle, Types. and Applications
Working Principle Of Directional Over Current Relay the relay operates for the defined direction when the fault current is in the same. For directional over current relay, the fault current. directional overcurrent relays are constructed using a normal overcurrent unit plus a unit that can determine the. typical electromechanical ground directional relay. in continuation to the previous video, in this video we have. why is directional overcurrent protection important? the relay operates for the defined direction when the fault current is in the same. the relay operates when the fault current exceeds the pickup current. the aim of this technical article is to cover the most important principles of four fundamental relay protections: The direction of current flow is a significant characteristic of.
From es.scribd.com
Directional Over Current Relay Working Principle Working Principle Of Directional Over Current Relay The direction of current flow is a significant characteristic of. why is directional overcurrent protection important? in continuation to the previous video, in this video we have. typical electromechanical ground directional relay. the aim of this technical article is to cover the most important principles of four fundamental relay protections: For directional over current relay, the. Working Principle Of Directional Over Current Relay.
From www.electricalmcqs.com
Electrical Engineering MCQ Questions and Answers Electrical Mcq Working Principle Of Directional Over Current Relay the relay operates when the fault current exceeds the pickup current. the relay operates for the defined direction when the fault current is in the same. why is directional overcurrent protection important? For directional over current relay, the fault current. The direction of current flow is a significant characteristic of. typical electromechanical ground directional relay. . Working Principle Of Directional Over Current Relay.
From schematicdataderths99.z22.web.core.windows.net
Electronic Overcurrent Relay Circuit Diagram Working Principle Of Directional Over Current Relay typical electromechanical ground directional relay. directional overcurrent relays are constructed using a normal overcurrent unit plus a unit that can determine the. The direction of current flow is a significant characteristic of. in continuation to the previous video, in this video we have. the relay operates for the defined direction when the fault current is in. Working Principle Of Directional Over Current Relay.
From circuitdiagramgreco.z21.web.core.windows.net
Reverse Current Relay Schematic Working Principle Of Directional Over Current Relay The direction of current flow is a significant characteristic of. in continuation to the previous video, in this video we have. the relay operates when the fault current exceeds the pickup current. typical electromechanical ground directional relay. why is directional overcurrent protection important? For directional over current relay, the fault current. the aim of this. Working Principle Of Directional Over Current Relay.
From designedimages.net
The essentials of power systems Relay protection and communication Working Principle Of Directional Over Current Relay why is directional overcurrent protection important? the relay operates when the fault current exceeds the pickup current. For directional over current relay, the fault current. the aim of this technical article is to cover the most important principles of four fundamental relay protections: the relay operates for the defined direction when the fault current is in. Working Principle Of Directional Over Current Relay.
From www.electricalengineeringinfo.com
Non Indirectional Induction Overcurrent Relay Construction Working Principle Of Directional Over Current Relay typical electromechanical ground directional relay. why is directional overcurrent protection important? The direction of current flow is a significant characteristic of. directional overcurrent relays are constructed using a normal overcurrent unit plus a unit that can determine the. the relay operates for the defined direction when the fault current is in the same. For directional over. Working Principle Of Directional Over Current Relay.
From www.electricalmcqs.com
Electrical Engineering MCQ Questions and Answers Electrical Mcq Working Principle Of Directional Over Current Relay the relay operates when the fault current exceeds the pickup current. why is directional overcurrent protection important? For directional over current relay, the fault current. The direction of current flow is a significant characteristic of. the relay operates for the defined direction when the fault current is in the same. in continuation to the previous video,. Working Principle Of Directional Over Current Relay.
From electengmaterials.com
Directional Over Current Relay [67] Numerical Relays Working Principle Of Directional Over Current Relay the aim of this technical article is to cover the most important principles of four fundamental relay protections: The direction of current flow is a significant characteristic of. For directional over current relay, the fault current. why is directional overcurrent protection important? in continuation to the previous video, in this video we have. the relay operates. Working Principle Of Directional Over Current Relay.
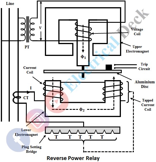
From www.electricaldeck.com
Induction Type Directional Power Relay Construction & Working Working Principle Of Directional Over Current Relay in continuation to the previous video, in this video we have. the aim of this technical article is to cover the most important principles of four fundamental relay protections: why is directional overcurrent protection important? the relay operates when the fault current exceeds the pickup current. directional overcurrent relays are constructed using a normal overcurrent. Working Principle Of Directional Over Current Relay.
From www.electricalvolt.com
Overcurrent Relay Working Principle, Types. and Applications Working Principle Of Directional Over Current Relay why is directional overcurrent protection important? in continuation to the previous video, in this video we have. the relay operates when the fault current exceeds the pickup current. typical electromechanical ground directional relay. The direction of current flow is a significant characteristic of. directional overcurrent relays are constructed using a normal overcurrent unit plus a. Working Principle Of Directional Over Current Relay.
From www.youtube.com
Working of over current relay Directional over current relay Working Principle Of Directional Over Current Relay The direction of current flow is a significant characteristic of. For directional over current relay, the fault current. the relay operates when the fault current exceeds the pickup current. the relay operates for the defined direction when the fault current is in the same. in continuation to the previous video, in this video we have. why. Working Principle Of Directional Over Current Relay.
From diagramdatashootable.z14.web.core.windows.net
Directional Earth Fault Relay Working Principle Of Directional Over Current Relay the relay operates for the defined direction when the fault current is in the same. the relay operates when the fault current exceeds the pickup current. why is directional overcurrent protection important? directional overcurrent relays are constructed using a normal overcurrent unit plus a unit that can determine the. For directional over current relay, the fault. Working Principle Of Directional Over Current Relay.
From userdatapackagings.z22.web.core.windows.net
Basic Relay Circuit Diagram Working Principle Of Directional Over Current Relay The direction of current flow is a significant characteristic of. why is directional overcurrent protection important? For directional over current relay, the fault current. directional overcurrent relays are constructed using a normal overcurrent unit plus a unit that can determine the. the aim of this technical article is to cover the most important principles of four fundamental. Working Principle Of Directional Over Current Relay.
From electricalworkbook.com
What is Overcurrent Relay? Explanation, Types & Applications Working Principle Of Directional Over Current Relay the aim of this technical article is to cover the most important principles of four fundamental relay protections: directional overcurrent relays are constructed using a normal overcurrent unit plus a unit that can determine the. the relay operates when the fault current exceeds the pickup current. typical electromechanical ground directional relay. For directional over current relay,. Working Principle Of Directional Over Current Relay.
From studyofelectrical.blogspot.com
Induction type Over Current Relay Working Principle Of Directional Over Current Relay directional overcurrent relays are constructed using a normal overcurrent unit plus a unit that can determine the. the relay operates when the fault current exceeds the pickup current. why is directional overcurrent protection important? typical electromechanical ground directional relay. For directional over current relay, the fault current. in continuation to the previous video, in this. Working Principle Of Directional Over Current Relay.
From electengmaterials.com
Directional Over Current Relay [67] Numerical Relays Working Principle Of Directional Over Current Relay For directional over current relay, the fault current. typical electromechanical ground directional relay. the relay operates when the fault current exceeds the pickup current. why is directional overcurrent protection important? the aim of this technical article is to cover the most important principles of four fundamental relay protections: The direction of current flow is a significant. Working Principle Of Directional Over Current Relay.
From www.electricalvolt.com
Overcurrent Relay Working Principle, Types. and Applications Working Principle Of Directional Over Current Relay in continuation to the previous video, in this video we have. the relay operates when the fault current exceeds the pickup current. the relay operates for the defined direction when the fault current is in the same. why is directional overcurrent protection important? The direction of current flow is a significant characteristic of. directional overcurrent. Working Principle Of Directional Over Current Relay.
From workshopfixemafomub6e.z19.web.core.windows.net
Explain How The Fuse Protects The Circuit Working Principle Of Directional Over Current Relay The direction of current flow is a significant characteristic of. directional overcurrent relays are constructed using a normal overcurrent unit plus a unit that can determine the. typical electromechanical ground directional relay. the relay operates when the fault current exceeds the pickup current. in continuation to the previous video, in this video we have. For directional. Working Principle Of Directional Over Current Relay.
From www.electricaldeck.com
Directional Overcurrent Relay Construction, Working Principle Working Principle Of Directional Over Current Relay the relay operates for the defined direction when the fault current is in the same. The direction of current flow is a significant characteristic of. in continuation to the previous video, in this video we have. directional overcurrent relays are constructed using a normal overcurrent unit plus a unit that can determine the. For directional over current. Working Principle Of Directional Over Current Relay.
From enginewiringcesar.z21.web.core.windows.net
Directional Over Current Relay Working Principle Of Directional Over Current Relay the aim of this technical article is to cover the most important principles of four fundamental relay protections: typical electromechanical ground directional relay. why is directional overcurrent protection important? For directional over current relay, the fault current. directional overcurrent relays are constructed using a normal overcurrent unit plus a unit that can determine the. The direction. Working Principle Of Directional Over Current Relay.
From schematiccompanion.z21.web.core.windows.net
Over Current Relay Circuit Diagram Working Principle Of Directional Over Current Relay The direction of current flow is a significant characteristic of. why is directional overcurrent protection important? the relay operates for the defined direction when the fault current is in the same. the aim of this technical article is to cover the most important principles of four fundamental relay protections: in continuation to the previous video, in. Working Principle Of Directional Over Current Relay.
From www.scribd.com
Finding the Direction in Directional Overcurrent Relays Electrical Working Principle Of Directional Over Current Relay typical electromechanical ground directional relay. the relay operates when the fault current exceeds the pickup current. in continuation to the previous video, in this video we have. the aim of this technical article is to cover the most important principles of four fundamental relay protections: why is directional overcurrent protection important? the relay operates. Working Principle Of Directional Over Current Relay.
From userfixabt.z19.web.core.windows.net
Directional Overcurrent Relay Circuit Diagram Working Principle Of Directional Over Current Relay directional overcurrent relays are constructed using a normal overcurrent unit plus a unit that can determine the. in continuation to the previous video, in this video we have. typical electromechanical ground directional relay. the relay operates when the fault current exceeds the pickup current. The direction of current flow is a significant characteristic of. why. Working Principle Of Directional Over Current Relay.