Wiper Relay Problems . A broken turn signal “canceling” mechanism that won’t shut off the “blinkers” after a turn, a partial or complete loss of intermittent wiper control. The most common sign that a problem exists with the wiper module is when you activate the switch but don't see the wiper blades moving. You'll be able to hear an electric. Listed below are a few common signs of a windshield wiper relay problem. Often, one of the shafts seizes up, it's a common problem in. Intermittent wipers are windshield wipers equipped with an intermittent setting. The wiper linkage, also known as wiper transmission or wiper link assembly, has two shafts that hold the wiper arms. The two most common failures are: Under certain circumstances, a vehicle’s windshield wiper relay can become stuck, thereby continuing to feed power to the affected wiper motor circuit without. To fix these two problems, you’ll need a shop manual, a digital multimeter and possibly some torx bits. Their relay is typically found in the underhood junction box/fuse panel with the other relays. Symptoms of a faulty intermittent wiper include the intermittent setting not working and the wiper moving at different speeds. Your wiper relay could be bad if the low and high speed wiper positions function.
from www.yourmechanic.com
Listed below are a few common signs of a windshield wiper relay problem. Often, one of the shafts seizes up, it's a common problem in. Intermittent wipers are windshield wipers equipped with an intermittent setting. The wiper linkage, also known as wiper transmission or wiper link assembly, has two shafts that hold the wiper arms. Their relay is typically found in the underhood junction box/fuse panel with the other relays. Under certain circumstances, a vehicle’s windshield wiper relay can become stuck, thereby continuing to feed power to the affected wiper motor circuit without. The two most common failures are: A broken turn signal “canceling” mechanism that won’t shut off the “blinkers” after a turn, a partial or complete loss of intermittent wiper control. The most common sign that a problem exists with the wiper module is when you activate the switch but don't see the wiper blades moving. Symptoms of a faulty intermittent wiper include the intermittent setting not working and the wiper moving at different speeds.
How to Replace an Intermittent Wiper Relay YourMechanic Advice
Wiper Relay Problems Intermittent wipers are windshield wipers equipped with an intermittent setting. Often, one of the shafts seizes up, it's a common problem in. The wiper linkage, also known as wiper transmission or wiper link assembly, has two shafts that hold the wiper arms. Listed below are a few common signs of a windshield wiper relay problem. Their relay is typically found in the underhood junction box/fuse panel with the other relays. The most common sign that a problem exists with the wiper module is when you activate the switch but don't see the wiper blades moving. The two most common failures are: Symptoms of a faulty intermittent wiper include the intermittent setting not working and the wiper moving at different speeds. You'll be able to hear an electric. A broken turn signal “canceling” mechanism that won’t shut off the “blinkers” after a turn, a partial or complete loss of intermittent wiper control. To fix these two problems, you’ll need a shop manual, a digital multimeter and possibly some torx bits. Your wiper relay could be bad if the low and high speed wiper positions function. Intermittent wipers are windshield wipers equipped with an intermittent setting. Under certain circumstances, a vehicle’s windshield wiper relay can become stuck, thereby continuing to feed power to the affected wiper motor circuit without.
From www.hondacivicforum.com
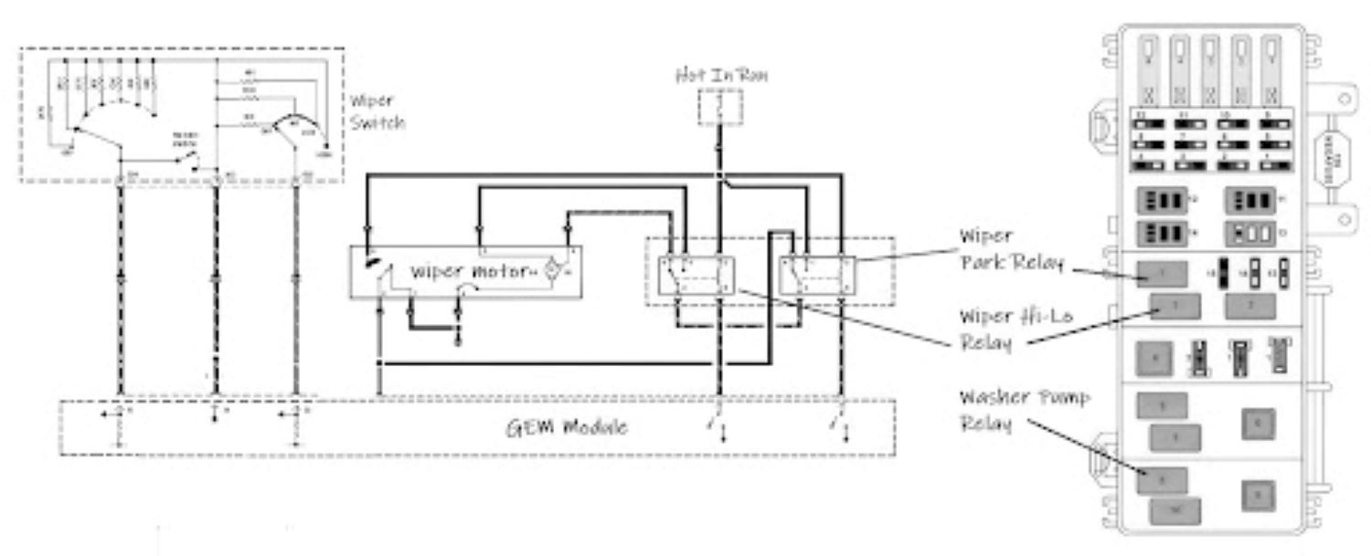
wiper relay removal Wiper Relay Problems The wiper linkage, also known as wiper transmission or wiper link assembly, has two shafts that hold the wiper arms. The two most common failures are: To fix these two problems, you’ll need a shop manual, a digital multimeter and possibly some torx bits. Your wiper relay could be bad if the low and high speed wiper positions function. Under. Wiper Relay Problems.
From hxezsutgg.blob.core.windows.net
Wiper Relay Faults at Edith Cockerham blog Wiper Relay Problems Listed below are a few common signs of a windshield wiper relay problem. The two most common failures are: Under certain circumstances, a vehicle’s windshield wiper relay can become stuck, thereby continuing to feed power to the affected wiper motor circuit without. Symptoms of a faulty intermittent wiper include the intermittent setting not working and the wiper moving at different. Wiper Relay Problems.
From www.nissanversaforums.com
Wiper Relays location Nissan Versa Forums Wiper Relay Problems You'll be able to hear an electric. To fix these two problems, you’ll need a shop manual, a digital multimeter and possibly some torx bits. The most common sign that a problem exists with the wiper module is when you activate the switch but don't see the wiper blades moving. Listed below are a few common signs of a windshield. Wiper Relay Problems.
From www.2carpros.com
Wiper Relay Location and Replacement? Where Is the Wiper Relay Wiper Relay Problems The most common sign that a problem exists with the wiper module is when you activate the switch but don't see the wiper blades moving. The two most common failures are: Often, one of the shafts seizes up, it's a common problem in. Under certain circumstances, a vehicle’s windshield wiper relay can become stuck, thereby continuing to feed power to. Wiper Relay Problems.
From www.justanswer.com
Q&A Honda Accord Wiper Motor Problems & Intermittent Wiper Relay Location Wiper Relay Problems Their relay is typically found in the underhood junction box/fuse panel with the other relays. Symptoms of a faulty intermittent wiper include the intermittent setting not working and the wiper moving at different speeds. The wiper linkage, also known as wiper transmission or wiper link assembly, has two shafts that hold the wiper arms. To fix these two problems, you’ll. Wiper Relay Problems.
From www.carparts.com
Intermittent Wipers How They Work and Possible Problems In The Wiper Relay Problems The two most common failures are: A broken turn signal “canceling” mechanism that won’t shut off the “blinkers” after a turn, a partial or complete loss of intermittent wiper control. Under certain circumstances, a vehicle’s windshield wiper relay can become stuck, thereby continuing to feed power to the affected wiper motor circuit without. Symptoms of a faulty intermittent wiper include. Wiper Relay Problems.
From www.youtube.com
CHEVROLET CRUZE WINDSHIELD WIPERS SPEED RELAY LOCATION REPLACEMENT Wiper Relay Problems Symptoms of a faulty intermittent wiper include the intermittent setting not working and the wiper moving at different speeds. The wiper linkage, also known as wiper transmission or wiper link assembly, has two shafts that hold the wiper arms. Their relay is typically found in the underhood junction box/fuse panel with the other relays. Intermittent wipers are windshield wipers equipped. Wiper Relay Problems.
From www.youtube.com
Wipers Not Working Fix Wiper Park Switch Relay B2303, B2304 or B2305 Wiper Relay Problems A broken turn signal “canceling” mechanism that won’t shut off the “blinkers” after a turn, a partial or complete loss of intermittent wiper control. Their relay is typically found in the underhood junction box/fuse panel with the other relays. Often, one of the shafts seizes up, it's a common problem in. Under certain circumstances, a vehicle’s windshield wiper relay can. Wiper Relay Problems.
From www.justanswer.com
Q&A Ford 2004 F250 Windshield Wiper Problems Wiring Diagrams & Relay Wiper Relay Problems Their relay is typically found in the underhood junction box/fuse panel with the other relays. A broken turn signal “canceling” mechanism that won’t shut off the “blinkers” after a turn, a partial or complete loss of intermittent wiper control. Under certain circumstances, a vehicle’s windshield wiper relay can become stuck, thereby continuing to feed power to the affected wiper motor. Wiper Relay Problems.
From www.familyhandyman.com
How to Fix IntermittentWiper & Turn Signal Problems on the Wiper Relay Problems Often, one of the shafts seizes up, it's a common problem in. Intermittent wipers are windshield wipers equipped with an intermittent setting. To fix these two problems, you’ll need a shop manual, a digital multimeter and possibly some torx bits. The most common sign that a problem exists with the wiper module is when you activate the switch but don't. Wiper Relay Problems.
From www.jaguarforums.com
Wiper problem Jaguar Forums Jaguar Enthusiasts Forum Wiper Relay Problems Listed below are a few common signs of a windshield wiper relay problem. You'll be able to hear an electric. Their relay is typically found in the underhood junction box/fuse panel with the other relays. The two most common failures are: The wiper linkage, also known as wiper transmission or wiper link assembly, has two shafts that hold the wiper. Wiper Relay Problems.
From www.2carpros.com
Wiper Relay Location Where Is the Wiper Relay for the Wiper Motor... Wiper Relay Problems The most common sign that a problem exists with the wiper module is when you activate the switch but don't see the wiper blades moving. Your wiper relay could be bad if the low and high speed wiper positions function. Often, one of the shafts seizes up, it's a common problem in. You'll be able to hear an electric. Under. Wiper Relay Problems.
From www.yourmechanic.com
4 Bad Intermittent Windshield Wiper Relay Symptoms YourMechanic Advice Wiper Relay Problems Often, one of the shafts seizes up, it's a common problem in. The most common sign that a problem exists with the wiper module is when you activate the switch but don't see the wiper blades moving. Intermittent wipers are windshield wipers equipped with an intermittent setting. The two most common failures are: A broken turn signal “canceling” mechanism that. Wiper Relay Problems.
From www.focusfanatics.com
HOW TO Intermittent Wiper Problem Fix. AKA TSB Fix. Ford Focus Forum Wiper Relay Problems The wiper linkage, also known as wiper transmission or wiper link assembly, has two shafts that hold the wiper arms. Intermittent wipers are windshield wipers equipped with an intermittent setting. Often, one of the shafts seizes up, it's a common problem in. Their relay is typically found in the underhood junction box/fuse panel with the other relays. Under certain circumstances,. Wiper Relay Problems.
From www.theminiforum.co.uk
Wiper Motor Wiring...internal Relay? Problems, Questions and Wiper Relay Problems You'll be able to hear an electric. To fix these two problems, you’ll need a shop manual, a digital multimeter and possibly some torx bits. The wiper linkage, also known as wiper transmission or wiper link assembly, has two shafts that hold the wiper arms. The two most common failures are: Listed below are a few common signs of a. Wiper Relay Problems.
From www.hondaaccordforum.com
1995 accord wiper problems Honda Accord Forum Honda Accord Wiper Relay Problems You'll be able to hear an electric. Under certain circumstances, a vehicle’s windshield wiper relay can become stuck, thereby continuing to feed power to the affected wiper motor circuit without. The two most common failures are: Symptoms of a faulty intermittent wiper include the intermittent setting not working and the wiper moving at different speeds. Your wiper relay could be. Wiper Relay Problems.
From www.pelicanparts.com
MercedesBenz W123 Windshield Wiper Relay Replacement W123 (19771985 Wiper Relay Problems Symptoms of a faulty intermittent wiper include the intermittent setting not working and the wiper moving at different speeds. Their relay is typically found in the underhood junction box/fuse panel with the other relays. You'll be able to hear an electric. Under certain circumstances, a vehicle’s windshield wiper relay can become stuck, thereby continuing to feed power to the affected. Wiper Relay Problems.
From mechanicvogt77.z19.web.core.windows.net
2004 Ford Ranger Windshield Wiper Problems Wiper Relay Problems To fix these two problems, you’ll need a shop manual, a digital multimeter and possibly some torx bits. The most common sign that a problem exists with the wiper module is when you activate the switch but don't see the wiper blades moving. Under certain circumstances, a vehicle’s windshield wiper relay can become stuck, thereby continuing to feed power to. Wiper Relay Problems.
From www.samarins.com
Wiper motor, linkage how it works, symptoms, problems, testing Wiper Relay Problems Symptoms of a faulty intermittent wiper include the intermittent setting not working and the wiper moving at different speeds. Your wiper relay could be bad if the low and high speed wiper positions function. The two most common failures are: You'll be able to hear an electric. The most common sign that a problem exists with the wiper module is. Wiper Relay Problems.
From www.youtube.com
How to fix BMW windscreen wipers not working problem YouTube Wiper Relay Problems Listed below are a few common signs of a windshield wiper relay problem. Intermittent wipers are windshield wipers equipped with an intermittent setting. Symptoms of a faulty intermittent wiper include the intermittent setting not working and the wiper moving at different speeds. Under certain circumstances, a vehicle’s windshield wiper relay can become stuck, thereby continuing to feed power to the. Wiper Relay Problems.
From www.carparts.com
Intermittent Wipers How They Work and Possible Problems In The Wiper Relay Problems Often, one of the shafts seizes up, it's a common problem in. Listed below are a few common signs of a windshield wiper relay problem. The most common sign that a problem exists with the wiper module is when you activate the switch but don't see the wiper blades moving. Your wiper relay could be bad if the low and. Wiper Relay Problems.
From www.youtube.com
F250 wipers won't shut off ford f150 f250 taurus turn signal wiper Wiper Relay Problems The most common sign that a problem exists with the wiper module is when you activate the switch but don't see the wiper blades moving. To fix these two problems, you’ll need a shop manual, a digital multimeter and possibly some torx bits. Symptoms of a faulty intermittent wiper include the intermittent setting not working and the wiper moving at. Wiper Relay Problems.
From www.youtube.com
Renault Clio 3 Problems Wiper Switch YouTube Wiper Relay Problems The two most common failures are: Their relay is typically found in the underhood junction box/fuse panel with the other relays. The wiper linkage, also known as wiper transmission or wiper link assembly, has two shafts that hold the wiper arms. Listed below are a few common signs of a windshield wiper relay problem. To fix these two problems, you’ll. Wiper Relay Problems.
From www.youtube.com
Renault Clio 2006 wipers not working. Fault finding and repair. YouTube Wiper Relay Problems To fix these two problems, you’ll need a shop manual, a digital multimeter and possibly some torx bits. Intermittent wipers are windshield wipers equipped with an intermittent setting. Under certain circumstances, a vehicle’s windshield wiper relay can become stuck, thereby continuing to feed power to the affected wiper motor circuit without. Listed below are a few common signs of a. Wiper Relay Problems.
From www.focusfanatics.com
HOW TO Intermittent Wiper Problem Fix. AKA TSB Fix. Ford Focus Forum Wiper Relay Problems Symptoms of a faulty intermittent wiper include the intermittent setting not working and the wiper moving at different speeds. Intermittent wipers are windshield wipers equipped with an intermittent setting. The two most common failures are: The wiper linkage, also known as wiper transmission or wiper link assembly, has two shafts that hold the wiper arms. Listed below are a few. Wiper Relay Problems.
From www.youtube.com
CHRYSLER 300 WINDSHIELD WIPERS RELAY LOCATION REPLACEMENT, WIPERS NOT Wiper Relay Problems Symptoms of a faulty intermittent wiper include the intermittent setting not working and the wiper moving at different speeds. Their relay is typically found in the underhood junction box/fuse panel with the other relays. Often, one of the shafts seizes up, it's a common problem in. You'll be able to hear an electric. The most common sign that a problem. Wiper Relay Problems.
From www.justanswer.com
Q&A Ford 2004 F250 Windshield Wiper Problems Wiring Diagrams & Relay Wiper Relay Problems A broken turn signal “canceling” mechanism that won’t shut off the “blinkers” after a turn, a partial or complete loss of intermittent wiper control. Listed below are a few common signs of a windshield wiper relay problem. The two most common failures are: Your wiper relay could be bad if the low and high speed wiper positions function. The wiper. Wiper Relay Problems.
From vehiclefreak.com
Windshield Wipers Won't Turn Off (Causes & Solutions) Wiper Relay Problems Under certain circumstances, a vehicle’s windshield wiper relay can become stuck, thereby continuing to feed power to the affected wiper motor circuit without. Listed below are a few common signs of a windshield wiper relay problem. Your wiper relay could be bad if the low and high speed wiper positions function. You'll be able to hear an electric. Intermittent wipers. Wiper Relay Problems.
From forums.mercedesclub.org.uk
R129 WIPER RELAY Problem MercedesBenz Owners' Forums Wiper Relay Problems The wiper linkage, also known as wiper transmission or wiper link assembly, has two shafts that hold the wiper arms. The most common sign that a problem exists with the wiper module is when you activate the switch but don't see the wiper blades moving. Often, one of the shafts seizes up, it's a common problem in. Intermittent wipers are. Wiper Relay Problems.
From www.toyotaownersclub.com
Faulty wiper relay? Auris Club Toyota Owners Club Toyota Forum Wiper Relay Problems Your wiper relay could be bad if the low and high speed wiper positions function. A broken turn signal “canceling” mechanism that won’t shut off the “blinkers” after a turn, a partial or complete loss of intermittent wiper control. Intermittent wipers are windshield wipers equipped with an intermittent setting. The two most common failures are: Often, one of the shafts. Wiper Relay Problems.
From www.justanswer.com
Q&A Honda Accord Wiper Motor Problems & Intermittent Wiper Relay Location Wiper Relay Problems Often, one of the shafts seizes up, it's a common problem in. Symptoms of a faulty intermittent wiper include the intermittent setting not working and the wiper moving at different speeds. Intermittent wipers are windshield wipers equipped with an intermittent setting. The wiper linkage, also known as wiper transmission or wiper link assembly, has two shafts that hold the wiper. Wiper Relay Problems.
From www.justanswer.com
My windsheild wipers stopped working and I checked for power at the Wiper Relay Problems Intermittent wipers are windshield wipers equipped with an intermittent setting. Your wiper relay could be bad if the low and high speed wiper positions function. Often, one of the shafts seizes up, it's a common problem in. Under certain circumstances, a vehicle’s windshield wiper relay can become stuck, thereby continuing to feed power to the affected wiper motor circuit without.. Wiper Relay Problems.
From www.yourmechanic.com
How to Replace an Intermittent Wiper Relay YourMechanic Advice Wiper Relay Problems Under certain circumstances, a vehicle’s windshield wiper relay can become stuck, thereby continuing to feed power to the affected wiper motor circuit without. You'll be able to hear an electric. Your wiper relay could be bad if the low and high speed wiper positions function. To fix these two problems, you’ll need a shop manual, a digital multimeter and possibly. Wiper Relay Problems.
From wiringdiagram.2bitboer.com
Intermittent Wiper Relay Wiring Diagram Wiring Diagram Wiper Relay Problems The most common sign that a problem exists with the wiper module is when you activate the switch but don't see the wiper blades moving. The wiper linkage, also known as wiper transmission or wiper link assembly, has two shafts that hold the wiper arms. Your wiper relay could be bad if the low and high speed wiper positions function.. Wiper Relay Problems.
From www.subaruforester.org
('06'08) 2006 Wipers only work on full and fast settings wiper Wiper Relay Problems Symptoms of a faulty intermittent wiper include the intermittent setting not working and the wiper moving at different speeds. You'll be able to hear an electric. The most common sign that a problem exists with the wiper module is when you activate the switch but don't see the wiper blades moving. The wiper linkage, also known as wiper transmission or. Wiper Relay Problems.