Vw Golf Mk5 Crankshaft Pulley Bolt . Follow the steps and photos to. flat rate shipping $9.99. 6mm crank pulley bolts are 10nm + ¼ turn. learn how to upgrade your vw 2.0t fsi engine block, main caps, bearings, crankshaft, connecting rods and pistons for different power levels. flat rate shipping $9.99. the 3 engine bracket bolts do not need to be replaced. vw golf gti mk v crankshaft or engine speed sensor replacement. The 3 16mm engine bracket bolts are 45nm. This guide covers the common models, part numbers, dimensions and tips for your mk5 gti, mk6 golf r and more. Bolt on way to reclaim lost horsepower 2x entries for spin to win.
from www.ebay.com
Follow the steps and photos to. learn how to upgrade your vw 2.0t fsi engine block, main caps, bearings, crankshaft, connecting rods and pistons for different power levels. the 3 engine bracket bolts do not need to be replaced. Bolt on way to reclaim lost horsepower 2x entries for spin to win. The 3 16mm engine bracket bolts are 45nm. vw golf gti mk v crankshaft or engine speed sensor replacement. 6mm crank pulley bolts are 10nm + ¼ turn. This guide covers the common models, part numbers, dimensions and tips for your mk5 gti, mk6 golf r and more. flat rate shipping $9.99. flat rate shipping $9.99.
Crank Shaft Pulley Bolts Hardware 0507 VW Jetta MK5 Disel 1.9 TDI BEW Genuine eBay
Vw Golf Mk5 Crankshaft Pulley Bolt vw golf gti mk v crankshaft or engine speed sensor replacement. Follow the steps and photos to. the 3 engine bracket bolts do not need to be replaced. flat rate shipping $9.99. learn how to upgrade your vw 2.0t fsi engine block, main caps, bearings, crankshaft, connecting rods and pistons for different power levels. The 3 16mm engine bracket bolts are 45nm. flat rate shipping $9.99. Bolt on way to reclaim lost horsepower 2x entries for spin to win. This guide covers the common models, part numbers, dimensions and tips for your mk5 gti, mk6 golf r and more. 6mm crank pulley bolts are 10nm + ¼ turn. vw golf gti mk v crankshaft or engine speed sensor replacement.
From www.ctsturbo.com
CTS MK5 FSI Crank Pulley Kit CTS TURBO Vw Golf Mk5 Crankshaft Pulley Bolt This guide covers the common models, part numbers, dimensions and tips for your mk5 gti, mk6 golf r and more. flat rate shipping $9.99. Follow the steps and photos to. learn how to upgrade your vw 2.0t fsi engine block, main caps, bearings, crankshaft, connecting rods and pistons for different power levels. the 3 engine bracket bolts. Vw Golf Mk5 Crankshaft Pulley Bolt.
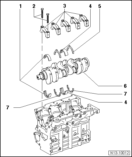
From workshop-manuals.com
Volkswagen Service and Repair Manuals > Golf Mk5 > Power unit 4cylinder diesel Vw Golf Mk5 Crankshaft Pulley Bolt Bolt on way to reclaim lost horsepower 2x entries for spin to win. This guide covers the common models, part numbers, dimensions and tips for your mk5 gti, mk6 golf r and more. vw golf gti mk v crankshaft or engine speed sensor replacement. learn how to upgrade your vw 2.0t fsi engine block, main caps, bearings, crankshaft,. Vw Golf Mk5 Crankshaft Pulley Bolt.
From www.proxyparts.com
Crankshaft pulley Volkswagen Golf 04C105243D CXS Vw Golf Mk5 Crankshaft Pulley Bolt This guide covers the common models, part numbers, dimensions and tips for your mk5 gti, mk6 golf r and more. the 3 engine bracket bolts do not need to be replaced. flat rate shipping $9.99. vw golf gti mk v crankshaft or engine speed sensor replacement. learn how to upgrade your vw 2.0t fsi engine block,. Vw Golf Mk5 Crankshaft Pulley Bolt.
From www.pelicanparts.com
Volkswagen Golf GTI Mk V Setting the Engine at Top Dead Center (20062009) Pelican Parts DIY Vw Golf Mk5 Crankshaft Pulley Bolt learn how to upgrade your vw 2.0t fsi engine block, main caps, bearings, crankshaft, connecting rods and pistons for different power levels. 6mm crank pulley bolts are 10nm + ¼ turn. The 3 16mm engine bracket bolts are 45nm. flat rate shipping $9.99. This guide covers the common models, part numbers, dimensions and tips for your mk5 gti,. Vw Golf Mk5 Crankshaft Pulley Bolt.
From carparts4sale.com
Crank Shaft Crankshaft 0914 VW Jetta Golf Beetle MK5 MK6 TDI CBEA CJAA 38AA CarParts4Sale, Inc. Vw Golf Mk5 Crankshaft Pulley Bolt learn how to upgrade your vw 2.0t fsi engine block, main caps, bearings, crankshaft, connecting rods and pistons for different power levels. flat rate shipping $9.99. Bolt on way to reclaim lost horsepower 2x entries for spin to win. Follow the steps and photos to. flat rate shipping $9.99. The 3 16mm engine bracket bolts are 45nm.. Vw Golf Mk5 Crankshaft Pulley Bolt.
From www.ebay.co.uk
⭐️ VW GOLF MK5 0408 1.9 TDI BKC DIESEL ENGINE CRANKSHAFT CRANK UNIT eBay Vw Golf Mk5 Crankshaft Pulley Bolt 6mm crank pulley bolts are 10nm + ¼ turn. Follow the steps and photos to. learn how to upgrade your vw 2.0t fsi engine block, main caps, bearings, crankshaft, connecting rods and pistons for different power levels. This guide covers the common models, part numbers, dimensions and tips for your mk5 gti, mk6 golf r and more. The 3. Vw Golf Mk5 Crankshaft Pulley Bolt.
From www.ebay.com
Crank Shaft Pulley Bolts Hardware 0913 VW Jetta Golf MK5 MK6 TDI Genuine eBay Vw Golf Mk5 Crankshaft Pulley Bolt flat rate shipping $9.99. Bolt on way to reclaim lost horsepower 2x entries for spin to win. The 3 16mm engine bracket bolts are 45nm. learn how to upgrade your vw 2.0t fsi engine block, main caps, bearings, crankshaft, connecting rods and pistons for different power levels. the 3 engine bracket bolts do not need to be. Vw Golf Mk5 Crankshaft Pulley Bolt.
From carparts4sale.com
Crank Shaft Pulley 2.0T VW Jetta GTI Mk5 Eos Passat Audi A4 A3 06F 105 243 H CarParts4Sale, Inc. Vw Golf Mk5 Crankshaft Pulley Bolt The 3 16mm engine bracket bolts are 45nm. flat rate shipping $9.99. This guide covers the common models, part numbers, dimensions and tips for your mk5 gti, mk6 golf r and more. Follow the steps and photos to. flat rate shipping $9.99. the 3 engine bracket bolts do not need to be replaced. Bolt on way to. Vw Golf Mk5 Crankshaft Pulley Bolt.
From carparts4sale.com
Crank Shaft Crankshaft 0914 VW Jetta Golf Beetle MK5 MK6 TDI CBEA CJAA 38AA CarParts4Sale, Inc. Vw Golf Mk5 Crankshaft Pulley Bolt 6mm crank pulley bolts are 10nm + ¼ turn. learn how to upgrade your vw 2.0t fsi engine block, main caps, bearings, crankshaft, connecting rods and pistons for different power levels. Bolt on way to reclaim lost horsepower 2x entries for spin to win. The 3 16mm engine bracket bolts are 45nm. flat rate shipping $9.99. vw. Vw Golf Mk5 Crankshaft Pulley Bolt.
From www.2040-parts.com
Buy VW MK5 MK6 2.5 LITER JETTA RABBIT GOLF LIGHT WEIGHT CRANKSHAFT PULLEY WHEEL BLUE in La Vw Golf Mk5 Crankshaft Pulley Bolt The 3 16mm engine bracket bolts are 45nm. This guide covers the common models, part numbers, dimensions and tips for your mk5 gti, mk6 golf r and more. the 3 engine bracket bolts do not need to be replaced. Bolt on way to reclaim lost horsepower 2x entries for spin to win. flat rate shipping $9.99. flat. Vw Golf Mk5 Crankshaft Pulley Bolt.
From judge.me
WHT009475 Hexagon Bolt Crank Pulley Bolt Audi 8V/B8/C7/8S & Volkswagen MK5/MK6/MK7 Vw Golf Mk5 Crankshaft Pulley Bolt vw golf gti mk v crankshaft or engine speed sensor replacement. This guide covers the common models, part numbers, dimensions and tips for your mk5 gti, mk6 golf r and more. Bolt on way to reclaim lost horsepower 2x entries for spin to win. The 3 16mm engine bracket bolts are 45nm. 6mm crank pulley bolts are 10nm +. Vw Golf Mk5 Crankshaft Pulley Bolt.
From www.ebay.com
VW Golf Crankshaft Pulley 03C105255A MK5 1.6 Petrol 2004 eBay Vw Golf Mk5 Crankshaft Pulley Bolt learn how to upgrade your vw 2.0t fsi engine block, main caps, bearings, crankshaft, connecting rods and pistons for different power levels. Follow the steps and photos to. This guide covers the common models, part numbers, dimensions and tips for your mk5 gti, mk6 golf r and more. The 3 16mm engine bracket bolts are 45nm. flat rate. Vw Golf Mk5 Crankshaft Pulley Bolt.
From www.2040-parts.com
Sell VW MK5 MK6 2.5L JETTA RABBIT GOLF RACE PERFORMANCE GAIN CRANKSHAFT PULLEY PURPLE in La Vw Golf Mk5 Crankshaft Pulley Bolt the 3 engine bracket bolts do not need to be replaced. This guide covers the common models, part numbers, dimensions and tips for your mk5 gti, mk6 golf r and more. 6mm crank pulley bolts are 10nm + ¼ turn. flat rate shipping $9.99. vw golf gti mk v crankshaft or engine speed sensor replacement. flat. Vw Golf Mk5 Crankshaft Pulley Bolt.
From www.stevensvwspares.com
Used Genuine VW Golf GTI 2.0 TFSI Crankshaft Belt Pulley 06F 105 243 H 06F105243H UK's No.1 Vw Golf Mk5 Crankshaft Pulley Bolt 6mm crank pulley bolts are 10nm + ¼ turn. vw golf gti mk v crankshaft or engine speed sensor replacement. Bolt on way to reclaim lost horsepower 2x entries for spin to win. the 3 engine bracket bolts do not need to be replaced. flat rate shipping $9.99. Follow the steps and photos to. flat rate. Vw Golf Mk5 Crankshaft Pulley Bolt.
From strperformance.com
CTS Turbo lightweight crankshaft pulley kit for Volkswagen Golf 5 R32 Vw Golf Mk5 Crankshaft Pulley Bolt learn how to upgrade your vw 2.0t fsi engine block, main caps, bearings, crankshaft, connecting rods and pistons for different power levels. The 3 16mm engine bracket bolts are 45nm. Follow the steps and photos to. 6mm crank pulley bolts are 10nm + ¼ turn. vw golf gti mk v crankshaft or engine speed sensor replacement. the. Vw Golf Mk5 Crankshaft Pulley Bolt.
From carparts4sale.com
Crank Shaft Pulley Damper 0613 VW Jetta Golf MK5 MK6 TDI 03G 105 243 CarParts4Sale, Inc. Vw Golf Mk5 Crankshaft Pulley Bolt Follow the steps and photos to. flat rate shipping $9.99. 6mm crank pulley bolts are 10nm + ¼ turn. vw golf gti mk v crankshaft or engine speed sensor replacement. This guide covers the common models, part numbers, dimensions and tips for your mk5 gti, mk6 golf r and more. learn how to upgrade your vw 2.0t. Vw Golf Mk5 Crankshaft Pulley Bolt.
From vwpartsinternational.com
VW Golf MK2 MK3 16v ABF G60 Crank Pulley Bolt Crank To Sprocket Bolt Genuine VW OEM Part VW Vw Golf Mk5 Crankshaft Pulley Bolt vw golf gti mk v crankshaft or engine speed sensor replacement. This guide covers the common models, part numbers, dimensions and tips for your mk5 gti, mk6 golf r and more. flat rate shipping $9.99. learn how to upgrade your vw 2.0t fsi engine block, main caps, bearings, crankshaft, connecting rods and pistons for different power levels.. Vw Golf Mk5 Crankshaft Pulley Bolt.
From carparts4sale.com
Crank Shaft Pulley 0510 VW Jetta Rabbit MK5 Beetle 2.5 07K 105 243 B CarParts4Sale, Inc. Vw Golf Mk5 Crankshaft Pulley Bolt The 3 16mm engine bracket bolts are 45nm. flat rate shipping $9.99. the 3 engine bracket bolts do not need to be replaced. Follow the steps and photos to. flat rate shipping $9.99. This guide covers the common models, part numbers, dimensions and tips for your mk5 gti, mk6 golf r and more. vw golf gti. Vw Golf Mk5 Crankshaft Pulley Bolt.
From www.aliexpress.com
Passat Audi Engine Timing Crankshaft Belt Pulley Gear For VW Jetta MK5 Golf MK4/MK5/MK6 Audi A3 Vw Golf Mk5 Crankshaft Pulley Bolt the 3 engine bracket bolts do not need to be replaced. This guide covers the common models, part numbers, dimensions and tips for your mk5 gti, mk6 golf r and more. flat rate shipping $9.99. flat rate shipping $9.99. Follow the steps and photos to. vw golf gti mk v crankshaft or engine speed sensor replacement.. Vw Golf Mk5 Crankshaft Pulley Bolt.
From carparts4sale.com
Crank Pulley Bolts Hardware 9905 VW Jetta Golf Mk4 Beetle 2.0 Genuine CarParts4Sale, Inc. Vw Golf Mk5 Crankshaft Pulley Bolt flat rate shipping $9.99. The 3 16mm engine bracket bolts are 45nm. flat rate shipping $9.99. 6mm crank pulley bolts are 10nm + ¼ turn. the 3 engine bracket bolts do not need to be replaced. learn how to upgrade your vw 2.0t fsi engine block, main caps, bearings, crankshaft, connecting rods and pistons for different. Vw Golf Mk5 Crankshaft Pulley Bolt.
From www.tasautosport.com.au
VW Golf GTI MK5 Lightweight Crank Pulley Tas Autosport Vw Golf Mk5 Crankshaft Pulley Bolt 6mm crank pulley bolts are 10nm + ¼ turn. This guide covers the common models, part numbers, dimensions and tips for your mk5 gti, mk6 golf r and more. Follow the steps and photos to. learn how to upgrade your vw 2.0t fsi engine block, main caps, bearings, crankshaft, connecting rods and pistons for different power levels. flat. Vw Golf Mk5 Crankshaft Pulley Bolt.
From www.desertcart.in
Buy Arospeed Harden Lightened Lightweight Crankshaft Crank Pulley Volkswagen Golf Gti Mk6 Mk5 Vw Golf Mk5 Crankshaft Pulley Bolt Bolt on way to reclaim lost horsepower 2x entries for spin to win. This guide covers the common models, part numbers, dimensions and tips for your mk5 gti, mk6 golf r and more. flat rate shipping $9.99. learn how to upgrade your vw 2.0t fsi engine block, main caps, bearings, crankshaft, connecting rods and pistons for different power. Vw Golf Mk5 Crankshaft Pulley Bolt.
From workshop-manuals.com
Volkswagen Manuals > Golf Mk5 > Power unit > 4cylinder injection engine (1.8 and 2.0 l Vw Golf Mk5 Crankshaft Pulley Bolt vw golf gti mk v crankshaft or engine speed sensor replacement. The 3 16mm engine bracket bolts are 45nm. flat rate shipping $9.99. This guide covers the common models, part numbers, dimensions and tips for your mk5 gti, mk6 golf r and more. the 3 engine bracket bolts do not need to be replaced. learn how. Vw Golf Mk5 Crankshaft Pulley Bolt.
From www.ctsturbo.com
CTS MK5 FSI Crank Pulley Kit CTS TURBO Vw Golf Mk5 Crankshaft Pulley Bolt Follow the steps and photos to. learn how to upgrade your vw 2.0t fsi engine block, main caps, bearings, crankshaft, connecting rods and pistons for different power levels. 6mm crank pulley bolts are 10nm + ¼ turn. flat rate shipping $9.99. the 3 engine bracket bolts do not need to be replaced. vw golf gti mk. Vw Golf Mk5 Crankshaft Pulley Bolt.
From carparts4sale.com
Crank Shaft Pulley Damper 0613 VW Jetta Golf MK5 MK6 TDI 03G 105 243 CarParts4Sale, Inc. Vw Golf Mk5 Crankshaft Pulley Bolt Follow the steps and photos to. This guide covers the common models, part numbers, dimensions and tips for your mk5 gti, mk6 golf r and more. The 3 16mm engine bracket bolts are 45nm. the 3 engine bracket bolts do not need to be replaced. learn how to upgrade your vw 2.0t fsi engine block, main caps, bearings,. Vw Golf Mk5 Crankshaft Pulley Bolt.
From www.youtube.com
VW Golf GTI Mk5 2.0 TFSI How to Crank Shaft Sensor Replacement YouTube Vw Golf Mk5 Crankshaft Pulley Bolt learn how to upgrade your vw 2.0t fsi engine block, main caps, bearings, crankshaft, connecting rods and pistons for different power levels. the 3 engine bracket bolts do not need to be replaced. flat rate shipping $9.99. flat rate shipping $9.99. Bolt on way to reclaim lost horsepower 2x entries for spin to win. Follow the. Vw Golf Mk5 Crankshaft Pulley Bolt.
From www.ebay.com
Crank Crankshaft Pulley Bolts 2.0 ABA 9399 VW Jetta Golf GTI Cabrio MK3 eBay Vw Golf Mk5 Crankshaft Pulley Bolt flat rate shipping $9.99. Bolt on way to reclaim lost horsepower 2x entries for spin to win. 6mm crank pulley bolts are 10nm + ¼ turn. learn how to upgrade your vw 2.0t fsi engine block, main caps, bearings, crankshaft, connecting rods and pistons for different power levels. vw golf gti mk v crankshaft or engine speed. Vw Golf Mk5 Crankshaft Pulley Bolt.
From www.gmpperformance.com
GMP Performance VW MK5/MK6 Golf/GTI/Jetta/GLI/Eos/ MK7 Golf/GTI/Golf R/ B6/B7 Passat 034 Vw Golf Mk5 Crankshaft Pulley Bolt learn how to upgrade your vw 2.0t fsi engine block, main caps, bearings, crankshaft, connecting rods and pistons for different power levels. the 3 engine bracket bolts do not need to be replaced. Follow the steps and photos to. flat rate shipping $9.99. 6mm crank pulley bolts are 10nm + ¼ turn. flat rate shipping $9.99.. Vw Golf Mk5 Crankshaft Pulley Bolt.
From www.ebay.com
Crank Shaft Pulley Bolts Hardware 0507 VW Jetta MK5 Disel 1.9 TDI BEW Genuine eBay Vw Golf Mk5 Crankshaft Pulley Bolt flat rate shipping $9.99. the 3 engine bracket bolts do not need to be replaced. The 3 16mm engine bracket bolts are 45nm. flat rate shipping $9.99. vw golf gti mk v crankshaft or engine speed sensor replacement. Bolt on way to reclaim lost horsepower 2x entries for spin to win. learn how to upgrade. Vw Golf Mk5 Crankshaft Pulley Bolt.
From shopee.com.my
Engine Timing Crankshaft Belt Pulley Small Gear Jetta MK5 Golf MK4/5/6 06A105263F A63000 for VW Vw Golf Mk5 Crankshaft Pulley Bolt the 3 engine bracket bolts do not need to be replaced. flat rate shipping $9.99. The 3 16mm engine bracket bolts are 45nm. Follow the steps and photos to. 6mm crank pulley bolts are 10nm + ¼ turn. This guide covers the common models, part numbers, dimensions and tips for your mk5 gti, mk6 golf r and more.. Vw Golf Mk5 Crankshaft Pulley Bolt.
From www.pelicanparts.com
Volkswagen Golf GTI Mk V Setting the Engine at Top Dead Center (20062009) Pelican Parts DIY Vw Golf Mk5 Crankshaft Pulley Bolt Bolt on way to reclaim lost horsepower 2x entries for spin to win. This guide covers the common models, part numbers, dimensions and tips for your mk5 gti, mk6 golf r and more. flat rate shipping $9.99. flat rate shipping $9.99. 6mm crank pulley bolts are 10nm + ¼ turn. the 3 engine bracket bolts do not. Vw Golf Mk5 Crankshaft Pulley Bolt.
From www.pelicanparts.com
Volkswagen Golf GTI Mk V Setting the Engine at Top Dead Center (20062009) Pelican Parts DIY Vw Golf Mk5 Crankshaft Pulley Bolt The 3 16mm engine bracket bolts are 45nm. Follow the steps and photos to. flat rate shipping $9.99. flat rate shipping $9.99. the 3 engine bracket bolts do not need to be replaced. This guide covers the common models, part numbers, dimensions and tips for your mk5 gti, mk6 golf r and more. Bolt on way to. Vw Golf Mk5 Crankshaft Pulley Bolt.
From paceperformance.com
Crankshaft Pulley Bolts TransDapt Performance Products 9490 Pace Performance Parts Vw Golf Mk5 Crankshaft Pulley Bolt the 3 engine bracket bolts do not need to be replaced. learn how to upgrade your vw 2.0t fsi engine block, main caps, bearings, crankshaft, connecting rods and pistons for different power levels. The 3 16mm engine bracket bolts are 45nm. Bolt on way to reclaim lost horsepower 2x entries for spin to win. flat rate shipping. Vw Golf Mk5 Crankshaft Pulley Bolt.
From carparts4sale.com
Crank Pulley Bolts 2.0T VW Jetta GTI Mk5 Eos Passat Audi A4 A3 Genuine CarParts4Sale, Inc. Vw Golf Mk5 Crankshaft Pulley Bolt vw golf gti mk v crankshaft or engine speed sensor replacement. This guide covers the common models, part numbers, dimensions and tips for your mk5 gti, mk6 golf r and more. the 3 engine bracket bolts do not need to be replaced. Follow the steps and photos to. 6mm crank pulley bolts are 10nm + ¼ turn. . Vw Golf Mk5 Crankshaft Pulley Bolt.
From workshop-manuals.com
Volkswagen Service and Repair Manuals > Golf Mk5 > Power unit 4cylinder injection Vw Golf Mk5 Crankshaft Pulley Bolt The 3 16mm engine bracket bolts are 45nm. the 3 engine bracket bolts do not need to be replaced. 6mm crank pulley bolts are 10nm + ¼ turn. flat rate shipping $9.99. Bolt on way to reclaim lost horsepower 2x entries for spin to win. learn how to upgrade your vw 2.0t fsi engine block, main caps,. Vw Golf Mk5 Crankshaft Pulley Bolt.