Realistic Trc 423 Cb Radio Manual . Realistic radio shack ultimate uhf/vhf cb radio owners & repair service manuals. Jacks for adding pa and remote. 41 rows a page which lists the adjustments for the realistic range of cb radio. If the files with or icon will not display see the site. Liability of damages to any equipment is the sole responsibility of the user! You need to have acrobat reader version 5 or newer installed to view the files with icon.
from gbu-presnenskij.ru
You need to have acrobat reader version 5 or newer installed to view the files with icon. 41 rows a page which lists the adjustments for the realistic range of cb radio. Realistic radio shack ultimate uhf/vhf cb radio owners & repair service manuals. If the files with or icon will not display see the site. Jacks for adding pa and remote. Liability of damages to any equipment is the sole responsibility of the user!
Realistic TRC423 (211513), 50 OFF gbupresnenskij.ru
Realistic Trc 423 Cb Radio Manual 41 rows a page which lists the adjustments for the realistic range of cb radio. Liability of damages to any equipment is the sole responsibility of the user! Realistic radio shack ultimate uhf/vhf cb radio owners & repair service manuals. 41 rows a page which lists the adjustments for the realistic range of cb radio. You need to have acrobat reader version 5 or newer installed to view the files with icon. Jacks for adding pa and remote. If the files with or icon will not display see the site.
From auctions.ejsauction.com
Lot (2) Vintage Realistic TRC22 6 Channel CB Radios Realistic Trc 423 Cb Radio Manual If the files with or icon will not display see the site. Realistic radio shack ultimate uhf/vhf cb radio owners & repair service manuals. Liability of damages to any equipment is the sole responsibility of the user! Jacks for adding pa and remote. 41 rows a page which lists the adjustments for the realistic range of cb radio. You need. Realistic Trc 423 Cb Radio Manual.
From www.ebay.com
Realistic TRC457 AM SSB CB Radio Base Station With Extras eBay Realistic Trc 423 Cb Radio Manual Realistic radio shack ultimate uhf/vhf cb radio owners & repair service manuals. Liability of damages to any equipment is the sole responsibility of the user! If the files with or icon will not display see the site. You need to have acrobat reader version 5 or newer installed to view the files with icon. Jacks for adding pa and remote.. Realistic Trc 423 Cb Radio Manual.
From auctions.ejsauction.com
Lot Realistic TRC55 23 Channel CB Transceiver Realistic Trc 423 Cb Radio Manual You need to have acrobat reader version 5 or newer installed to view the files with icon. Realistic radio shack ultimate uhf/vhf cb radio owners & repair service manuals. Jacks for adding pa and remote. If the files with or icon will not display see the site. 41 rows a page which lists the adjustments for the realistic range of. Realistic Trc 423 Cb Radio Manual.
From www.ebay.com
Vintage 1980s Realistic Navaho TRC423 40Channel CB Radio with Mic and Wiring eBay Realistic Trc 423 Cb Radio Manual Jacks for adding pa and remote. Realistic radio shack ultimate uhf/vhf cb radio owners & repair service manuals. Liability of damages to any equipment is the sole responsibility of the user! 41 rows a page which lists the adjustments for the realistic range of cb radio. You need to have acrobat reader version 5 or newer installed to view the. Realistic Trc 423 Cb Radio Manual.
From www.youtube.com
Realistic TRC 453 SSB CB Radio. 2023 review. YouTube Realistic Trc 423 Cb Radio Manual You need to have acrobat reader version 5 or newer installed to view the files with icon. If the files with or icon will not display see the site. Realistic radio shack ultimate uhf/vhf cb radio owners & repair service manuals. 41 rows a page which lists the adjustments for the realistic range of cb radio. Jacks for adding pa. Realistic Trc 423 Cb Radio Manual.
From www.youtube.com
Realistic TRC424 REPAIR [ CB RADIO ] YouTube Realistic Trc 423 Cb Radio Manual You need to have acrobat reader version 5 or newer installed to view the files with icon. Jacks for adding pa and remote. 41 rows a page which lists the adjustments for the realistic range of cb radio. Realistic radio shack ultimate uhf/vhf cb radio owners & repair service manuals. If the files with or icon will not display see. Realistic Trc 423 Cb Radio Manual.
From www.ebay.com
CB RADIO REALISTIC TRC423 eBay Realistic Trc 423 Cb Radio Manual You need to have acrobat reader version 5 or newer installed to view the files with icon. Realistic radio shack ultimate uhf/vhf cb radio owners & repair service manuals. If the files with or icon will not display see the site. Liability of damages to any equipment is the sole responsibility of the user! Jacks for adding pa and remote.. Realistic Trc 423 Cb Radio Manual.
From www.manualslib.com
REALISTIC TRC410 SERVICE MANUAL Pdf Download ManualsLib Realistic Trc 423 Cb Radio Manual Jacks for adding pa and remote. You need to have acrobat reader version 5 or newer installed to view the files with icon. Realistic radio shack ultimate uhf/vhf cb radio owners & repair service manuals. Liability of damages to any equipment is the sole responsibility of the user! 41 rows a page which lists the adjustments for the realistic range. Realistic Trc 423 Cb Radio Manual.
From stunningmotivation.com
Realistic AM/SSB CB Radio TRC457 Upgraded + Original Box Stunning Motivation Realistic Trc 423 Cb Radio Manual Jacks for adding pa and remote. 41 rows a page which lists the adjustments for the realistic range of cb radio. If the files with or icon will not display see the site. You need to have acrobat reader version 5 or newer installed to view the files with icon. Realistic radio shack ultimate uhf/vhf cb radio owners & repair. Realistic Trc 423 Cb Radio Manual.
From www.shadowstorm.com
Realistic TRC451 Owner's Manual Realistic Trc 423 Cb Radio Manual You need to have acrobat reader version 5 or newer installed to view the files with icon. 41 rows a page which lists the adjustments for the realistic range of cb radio. Liability of damages to any equipment is the sole responsibility of the user! If the files with or icon will not display see the site. Realistic radio shack. Realistic Trc 423 Cb Radio Manual.
From radio.drewdurigan.com
Realistic Navaho TRC23B 23 Channel AM Base CB Radio DREW'S RADIO SITE Realistic Trc 423 Cb Radio Manual If the files with or icon will not display see the site. 41 rows a page which lists the adjustments for the realistic range of cb radio. Realistic radio shack ultimate uhf/vhf cb radio owners & repair service manuals. Jacks for adding pa and remote. Liability of damages to any equipment is the sole responsibility of the user! You need. Realistic Trc 423 Cb Radio Manual.
From www.youtube.com
Realistic TRC 24 am CB radio YouTube Realistic Trc 423 Cb Radio Manual Liability of damages to any equipment is the sole responsibility of the user! Realistic radio shack ultimate uhf/vhf cb radio owners & repair service manuals. 41 rows a page which lists the adjustments for the realistic range of cb radio. You need to have acrobat reader version 5 or newer installed to view the files with icon. If the files. Realistic Trc 423 Cb Radio Manual.
From ebay.com
2 SERVICE Manuals REALISTIC Radio Shack CB 6CHANNEL Transceivers TRC204 205 Realistic Trc 423 Cb Radio Manual Liability of damages to any equipment is the sole responsibility of the user! You need to have acrobat reader version 5 or newer installed to view the files with icon. If the files with or icon will not display see the site. Realistic radio shack ultimate uhf/vhf cb radio owners & repair service manuals. Jacks for adding pa and remote.. Realistic Trc 423 Cb Radio Manual.
From www.youtube.com
realistic TRC 47 am SSB CB radio YouTube Realistic Trc 423 Cb Radio Manual Realistic radio shack ultimate uhf/vhf cb radio owners & repair service manuals. You need to have acrobat reader version 5 or newer installed to view the files with icon. 41 rows a page which lists the adjustments for the realistic range of cb radio. If the files with or icon will not display see the site. Liability of damages to. Realistic Trc 423 Cb Radio Manual.
From cbradiomagazine.com
Realistic Navaho TRC458 AM/SSB CB Radio Review CB Radio Magazine Realistic Trc 423 Cb Radio Manual If the files with or icon will not display see the site. Realistic radio shack ultimate uhf/vhf cb radio owners & repair service manuals. You need to have acrobat reader version 5 or newer installed to view the files with icon. Liability of damages to any equipment is the sole responsibility of the user! Jacks for adding pa and remote.. Realistic Trc 423 Cb Radio Manual.
From www.youtube.com
Realistic Navaho TRC432 40 Channel CB Radio YouTube Realistic Trc 423 Cb Radio Manual Jacks for adding pa and remote. 41 rows a page which lists the adjustments for the realistic range of cb radio. Liability of damages to any equipment is the sole responsibility of the user! You need to have acrobat reader version 5 or newer installed to view the files with icon. If the files with or icon will not display. Realistic Trc 423 Cb Radio Manual.
From www.rigpix.com
RigPix Database CB, "Freeband" and more Realistic TRC419 (211512) Realistic Trc 423 Cb Radio Manual Jacks for adding pa and remote. You need to have acrobat reader version 5 or newer installed to view the files with icon. Realistic radio shack ultimate uhf/vhf cb radio owners & repair service manuals. If the files with or icon will not display see the site. Liability of damages to any equipment is the sole responsibility of the user!. Realistic Trc 423 Cb Radio Manual.
From gbu-presnenskij.ru
Realistic TRC423 (211513), 50 OFF gbupresnenskij.ru Realistic Trc 423 Cb Radio Manual Jacks for adding pa and remote. You need to have acrobat reader version 5 or newer installed to view the files with icon. If the files with or icon will not display see the site. 41 rows a page which lists the adjustments for the realistic range of cb radio. Liability of damages to any equipment is the sole responsibility. Realistic Trc 423 Cb Radio Manual.
From www.ecrater.com
Realistic TRC458 Navaho AM/SSB CB Radio Owners Manual w/schematic Realistic Trc 423 Cb Radio Manual Jacks for adding pa and remote. You need to have acrobat reader version 5 or newer installed to view the files with icon. Realistic radio shack ultimate uhf/vhf cb radio owners & repair service manuals. 41 rows a page which lists the adjustments for the realistic range of cb radio. If the files with or icon will not display see. Realistic Trc 423 Cb Radio Manual.
From www.elektroda.pl
REALISTIC TRC423 Czy warto kupić? elektroda.pl Realistic Trc 423 Cb Radio Manual 41 rows a page which lists the adjustments for the realistic range of cb radio. If the files with or icon will not display see the site. Jacks for adding pa and remote. Realistic radio shack ultimate uhf/vhf cb radio owners & repair service manuals. You need to have acrobat reader version 5 or newer installed to view the files. Realistic Trc 423 Cb Radio Manual.
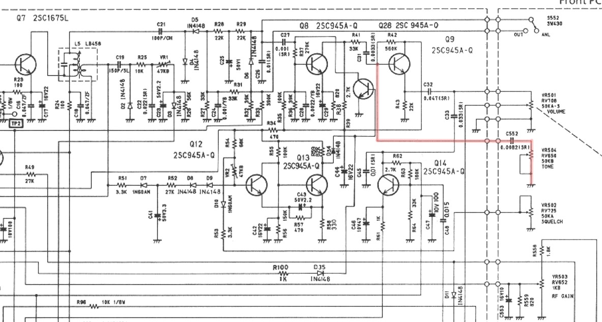
From www.elektroda.pl
REALISTIC TRC423 dorobienie regulacji "TONE" Realistic Trc 423 Cb Radio Manual You need to have acrobat reader version 5 or newer installed to view the files with icon. Realistic radio shack ultimate uhf/vhf cb radio owners & repair service manuals. 41 rows a page which lists the adjustments for the realistic range of cb radio. Jacks for adding pa and remote. Liability of damages to any equipment is the sole responsibility. Realistic Trc 423 Cb Radio Manual.
From www.ebay.co.uk
Realistic TRC422A CB Radio w/ Mic eBay Realistic Trc 423 Cb Radio Manual 41 rows a page which lists the adjustments for the realistic range of cb radio. Realistic radio shack ultimate uhf/vhf cb radio owners & repair service manuals. Liability of damages to any equipment is the sole responsibility of the user! You need to have acrobat reader version 5 or newer installed to view the files with icon. If the files. Realistic Trc 423 Cb Radio Manual.
From www.manualslib.com
REALISTIC TRC424 OWNER'S MANUAL Pdf Download ManualsLib Realistic Trc 423 Cb Radio Manual Jacks for adding pa and remote. Realistic radio shack ultimate uhf/vhf cb radio owners & repair service manuals. Liability of damages to any equipment is the sole responsibility of the user! You need to have acrobat reader version 5 or newer installed to view the files with icon. 41 rows a page which lists the adjustments for the realistic range. Realistic Trc 423 Cb Radio Manual.
From www.icollector.com
3 Realistic TRC451 CB Radios Realistic Trc 423 Cb Radio Manual You need to have acrobat reader version 5 or newer installed to view the files with icon. Jacks for adding pa and remote. Liability of damages to any equipment is the sole responsibility of the user! Realistic radio shack ultimate uhf/vhf cb radio owners & repair service manuals. If the files with or icon will not display see the site.. Realistic Trc 423 Cb Radio Manual.
From gbu-presnenskij.ru
Realistic TRC423 (211513), 50 OFF gbupresnenskij.ru Realistic Trc 423 Cb Radio Manual Realistic radio shack ultimate uhf/vhf cb radio owners & repair service manuals. Jacks for adding pa and remote. 41 rows a page which lists the adjustments for the realistic range of cb radio. Liability of damages to any equipment is the sole responsibility of the user! You need to have acrobat reader version 5 or newer installed to view the. Realistic Trc 423 Cb Radio Manual.
From www.etsy.com
RARE Realistic TRC457 Navaho CB Radio Owners Manual Etsy Realistic Trc 423 Cb Radio Manual Realistic radio shack ultimate uhf/vhf cb radio owners & repair service manuals. If the files with or icon will not display see the site. Jacks for adding pa and remote. Liability of damages to any equipment is the sole responsibility of the user! 41 rows a page which lists the adjustments for the realistic range of cb radio. You need. Realistic Trc 423 Cb Radio Manual.
From www.youtube.com
Realistic TRC 421 CB Radio with a Tiny meter YouTube Realistic Trc 423 Cb Radio Manual You need to have acrobat reader version 5 or newer installed to view the files with icon. If the files with or icon will not display see the site. 41 rows a page which lists the adjustments for the realistic range of cb radio. Jacks for adding pa and remote. Liability of damages to any equipment is the sole responsibility. Realistic Trc 423 Cb Radio Manual.
From www.etsy.com
RARE Realistic TRC458 Navaho CB Radio Owners Manual Realistic Trc 423 Cb Radio Manual Liability of damages to any equipment is the sole responsibility of the user! 41 rows a page which lists the adjustments for the realistic range of cb radio. If the files with or icon will not display see the site. Realistic radio shack ultimate uhf/vhf cb radio owners & repair service manuals. You need to have acrobat reader version 5. Realistic Trc 423 Cb Radio Manual.
From gbu-presnenskij.ru
Realistic TRC423 (211513), 50 OFF gbupresnenskij.ru Realistic Trc 423 Cb Radio Manual You need to have acrobat reader version 5 or newer installed to view the files with icon. 41 rows a page which lists the adjustments for the realistic range of cb radio. If the files with or icon will not display see the site. Liability of damages to any equipment is the sole responsibility of the user! Realistic radio shack. Realistic Trc 423 Cb Radio Manual.
From www.reddit.com
Realistic (Radio Shack) TRC207 r/cbradio Realistic Trc 423 Cb Radio Manual If the files with or icon will not display see the site. Jacks for adding pa and remote. Realistic radio shack ultimate uhf/vhf cb radio owners & repair service manuals. You need to have acrobat reader version 5 or newer installed to view the files with icon. Liability of damages to any equipment is the sole responsibility of the user!. Realistic Trc 423 Cb Radio Manual.
From www.ebay.com
Vintage 1980s Realistic Navaho TRC423 40Channel CB Radio with Mic and Wiring eBay Realistic Trc 423 Cb Radio Manual If the files with or icon will not display see the site. Jacks for adding pa and remote. Liability of damages to any equipment is the sole responsibility of the user! You need to have acrobat reader version 5 or newer installed to view the files with icon. Realistic radio shack ultimate uhf/vhf cb radio owners & repair service manuals.. Realistic Trc 423 Cb Radio Manual.
From texasgoodtext.web.fc2.com
Realistic Trc Service Manual Realistic Trc 423 Cb Radio Manual If the files with or icon will not display see the site. Realistic radio shack ultimate uhf/vhf cb radio owners & repair service manuals. Jacks for adding pa and remote. 41 rows a page which lists the adjustments for the realistic range of cb radio. Liability of damages to any equipment is the sole responsibility of the user! You need. Realistic Trc 423 Cb Radio Manual.
From www.youtube.com
Radio Shack CB Radio Review. The Realistic TRC413 40 Channel AM Radio. A Blast From The Past Realistic Trc 423 Cb Radio Manual Realistic radio shack ultimate uhf/vhf cb radio owners & repair service manuals. Jacks for adding pa and remote. Liability of damages to any equipment is the sole responsibility of the user! If the files with or icon will not display see the site. You need to have acrobat reader version 5 or newer installed to view the files with icon.. Realistic Trc 423 Cb Radio Manual.
From www.sekaimon.com
REALISTIC TRC200 5 WATT 6 Channels HANDHELD CB RADIO With Extra AntennaのeBay公認海外通販|セカイモン Realistic Trc 423 Cb Radio Manual Realistic radio shack ultimate uhf/vhf cb radio owners & repair service manuals. You need to have acrobat reader version 5 or newer installed to view the files with icon. Liability of damages to any equipment is the sole responsibility of the user! Jacks for adding pa and remote. 41 rows a page which lists the adjustments for the realistic range. Realistic Trc 423 Cb Radio Manual.
From cbradiomagazine.com
Realistic Navaho TRC492 CB Radio Review CB Radio Magazine Realistic Trc 423 Cb Radio Manual 41 rows a page which lists the adjustments for the realistic range of cb radio. Jacks for adding pa and remote. Liability of damages to any equipment is the sole responsibility of the user! Realistic radio shack ultimate uhf/vhf cb radio owners & repair service manuals. You need to have acrobat reader version 5 or newer installed to view the. Realistic Trc 423 Cb Radio Manual.