Reduction Gears Suzuki Sierra . High range reduction is 20% (1.7:1). These are strong, run quietly, and take a huge amount of abuse. This sierra 6.5 low range gear kit is the highest quality gear set available. Samurai transfer case gears for the 21st century!!! Low range reduction is 6.5 to 1, a whopping 187% lower than stock! With 6.5:1 samurai transfer case gears you get a 269% reduction in low range! Gear manufacturer using the best. High range reduction is 20%. This complete kit includes four new precision. What would you all advise as a most bang for your buck set of reduction gears for a 1989 suzuki sierra with 30 tyres that is used. Low range reduction gear set to suit suzuki sierra samurai (4.16:1 reduction) the suzuki 4.16:1 low range reduction gears by terrain tamer, one of australia’s oldest. I want to get reduction gears for my 1991 sierra and was wondering what reduction i should get and where i can find some in. These incredible samurai transfer case gears work much in the same way as the old 4.16 gears samurai owners have been loving for years, only better!
from trailtough.com
Low range reduction gear set to suit suzuki sierra samurai (4.16:1 reduction) the suzuki 4.16:1 low range reduction gears by terrain tamer, one of australia’s oldest. High range reduction is 20%. These incredible samurai transfer case gears work much in the same way as the old 4.16 gears samurai owners have been loving for years, only better! High range reduction is 20% (1.7:1). This sierra 6.5 low range gear kit is the highest quality gear set available. I want to get reduction gears for my 1991 sierra and was wondering what reduction i should get and where i can find some in. These are strong, run quietly, and take a huge amount of abuse. Samurai transfer case gears for the 21st century!!! This complete kit includes four new precision. Low range reduction is 6.5 to 1, a whopping 187% lower than stock!
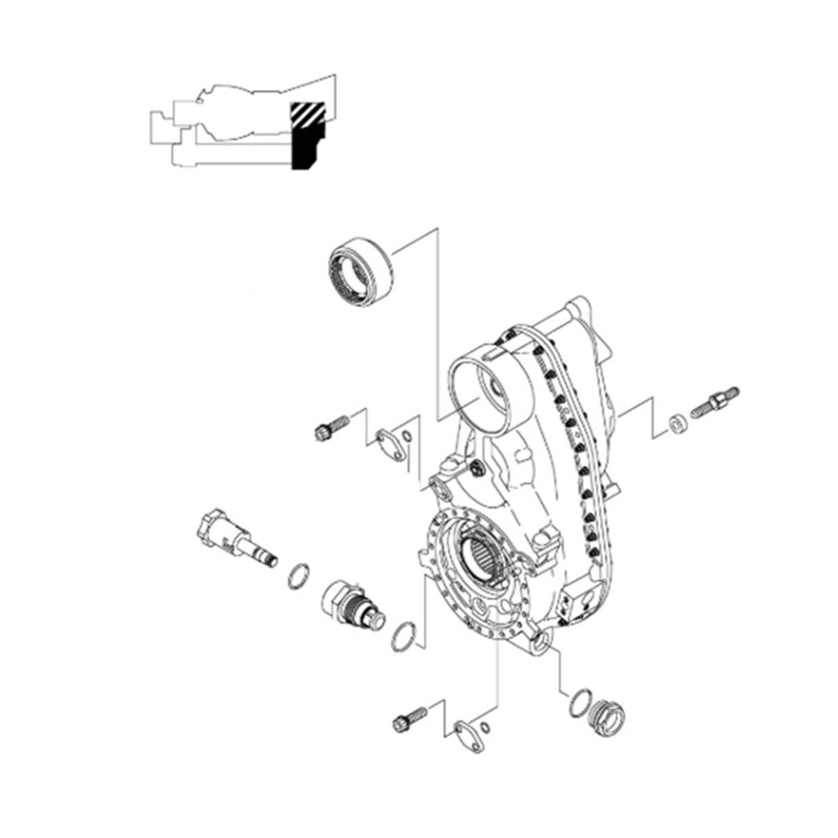
Rear Side Gear Trail Tough
Reduction Gears Suzuki Sierra Samurai transfer case gears for the 21st century!!! Samurai transfer case gears for the 21st century!!! This complete kit includes four new precision. Low range reduction gear set to suit suzuki sierra samurai (4.16:1 reduction) the suzuki 4.16:1 low range reduction gears by terrain tamer, one of australia’s oldest. Gear manufacturer using the best. High range reduction is 20%. What would you all advise as a most bang for your buck set of reduction gears for a 1989 suzuki sierra with 30 tyres that is used. High range reduction is 20% (1.7:1). Low range reduction is 6.5 to 1, a whopping 187% lower than stock! These are strong, run quietly, and take a huge amount of abuse. I want to get reduction gears for my 1991 sierra and was wondering what reduction i should get and where i can find some in. These incredible samurai transfer case gears work much in the same way as the old 4.16 gears samurai owners have been loving for years, only better! With 6.5:1 samurai transfer case gears you get a 269% reduction in low range! This sierra 6.5 low range gear kit is the highest quality gear set available.
From www.suzuki.co.id
Transmission Suzuki Spare Part Suzuki Indonesia Reduction Gears Suzuki Sierra This sierra 6.5 low range gear kit is the highest quality gear set available. These are strong, run quietly, and take a huge amount of abuse. With 6.5:1 samurai transfer case gears you get a 269% reduction in low range! Low range reduction gear set to suit suzuki sierra samurai (4.16:1 reduction) the suzuki 4.16:1 low range reduction gears by. Reduction Gears Suzuki Sierra.
From www.suzuki.ca
DF75A Suzuki Canada Inc. Reduction Gears Suzuki Sierra What would you all advise as a most bang for your buck set of reduction gears for a 1989 suzuki sierra with 30 tyres that is used. High range reduction is 20%. Low range reduction gear set to suit suzuki sierra samurai (4.16:1 reduction) the suzuki 4.16:1 low range reduction gears by terrain tamer, one of australia’s oldest. Low range. Reduction Gears Suzuki Sierra.
From www.aliexpress.com
Reduction Gear And Drive Active Gear Replacement For Wltoys 284131 K979 Reduction Gears Suzuki Sierra I want to get reduction gears for my 1991 sierra and was wondering what reduction i should get and where i can find some in. This sierra 6.5 low range gear kit is the highest quality gear set available. These incredible samurai transfer case gears work much in the same way as the old 4.16 gears samurai owners have been. Reduction Gears Suzuki Sierra.
From www.trialjimny.com
TRIALJIMNY PERFORMANCE reduction gearset for jimny (20052018) Reduction Gears Suzuki Sierra I want to get reduction gears for my 1991 sierra and was wondering what reduction i should get and where i can find some in. Gear manufacturer using the best. With 6.5:1 samurai transfer case gears you get a 269% reduction in low range! What would you all advise as a most bang for your buck set of reduction gears. Reduction Gears Suzuki Sierra.
From www.ebay.fr
Embrayage de réduction de manchon, pour Suzuki Samurai Sierra Jimny Reduction Gears Suzuki Sierra High range reduction is 20% (1.7:1). With 6.5:1 samurai transfer case gears you get a 269% reduction in low range! This sierra 6.5 low range gear kit is the highest quality gear set available. Gear manufacturer using the best. What would you all advise as a most bang for your buck set of reduction gears for a 1989 suzuki sierra. Reduction Gears Suzuki Sierra.
From engineeringlearner.com
Types of Reduction Gear Engineering Learner Reduction Gears Suzuki Sierra These are strong, run quietly, and take a huge amount of abuse. High range reduction is 20%. This sierra 6.5 low range gear kit is the highest quality gear set available. Low range reduction gear set to suit suzuki sierra samurai (4.16:1 reduction) the suzuki 4.16:1 low range reduction gears by terrain tamer, one of australia’s oldest. Samurai transfer case. Reduction Gears Suzuki Sierra.
From www.tradekorea.com
Gear for Reduction (Travel, Swing), Hub Gear, Differential Axle Gear Reduction Gears Suzuki Sierra Samurai transfer case gears for the 21st century!!! Gear manufacturer using the best. Low range reduction is 6.5 to 1, a whopping 187% lower than stock! With 6.5:1 samurai transfer case gears you get a 269% reduction in low range! High range reduction is 20% (1.7:1). These incredible samurai transfer case gears work much in the same way as the. Reduction Gears Suzuki Sierra.
From orbray.com
Reduction gears Types and features Orbray MAGAZINE Orbray Co., Ltd. Reduction Gears Suzuki Sierra Low range reduction gear set to suit suzuki sierra samurai (4.16:1 reduction) the suzuki 4.16:1 low range reduction gears by terrain tamer, one of australia’s oldest. Gear manufacturer using the best. High range reduction is 20%. These incredible samurai transfer case gears work much in the same way as the old 4.16 gears samurai owners have been loving for years,. Reduction Gears Suzuki Sierra.
From www.fae-group.com
Reduction gear transmission FAE Reduction Gears Suzuki Sierra These incredible samurai transfer case gears work much in the same way as the old 4.16 gears samurai owners have been loving for years, only better! High range reduction is 20% (1.7:1). This complete kit includes four new precision. Samurai transfer case gears for the 21st century!!! What would you all advise as a most bang for your buck set. Reduction Gears Suzuki Sierra.
From www.radne.com
Reduction Gear 13,6 Raket 120 Aero Raket Radne Reduction Gears Suzuki Sierra These are strong, run quietly, and take a huge amount of abuse. This complete kit includes four new precision. Low range reduction gear set to suit suzuki sierra samurai (4.16:1 reduction) the suzuki 4.16:1 low range reduction gears by terrain tamer, one of australia’s oldest. Gear manufacturer using the best. These incredible samurai transfer case gears work much in the. Reduction Gears Suzuki Sierra.
From parts.subaru.com
31446AA590 Gear Reduction Drive. Gear RDCN Drive M/4467677. ACT4 Reduction Gears Suzuki Sierra With 6.5:1 samurai transfer case gears you get a 269% reduction in low range! These incredible samurai transfer case gears work much in the same way as the old 4.16 gears samurai owners have been loving for years, only better! This complete kit includes four new precision. High range reduction is 20% (1.7:1). I want to get reduction gears for. Reduction Gears Suzuki Sierra.
From deluxehdrestorations.com
3148565 Starter Reduction Gear Deluxe HD Restorations Reduction Gears Suzuki Sierra Low range reduction gear set to suit suzuki sierra samurai (4.16:1 reduction) the suzuki 4.16:1 low range reduction gears by terrain tamer, one of australia’s oldest. What would you all advise as a most bang for your buck set of reduction gears for a 1989 suzuki sierra with 30 tyres that is used. These are strong, run quietly, and take. Reduction Gears Suzuki Sierra.
From www.rotorplace.com
MODULE 05 REDUCTION GEAR MODULE P/N 70BM0519002 ROTORPLACE Reduction Gears Suzuki Sierra This sierra 6.5 low range gear kit is the highest quality gear set available. These are strong, run quietly, and take a huge amount of abuse. What would you all advise as a most bang for your buck set of reduction gears for a 1989 suzuki sierra with 30 tyres that is used. Samurai transfer case gears for the 21st. Reduction Gears Suzuki Sierra.
From www.ebay.com
2003 SUZUKI EIGER LT400FK3 STARTER REDUCTION GEARS OEM STOCK eBay Reduction Gears Suzuki Sierra High range reduction is 20%. Low range reduction is 6.5 to 1, a whopping 187% lower than stock! Samurai transfer case gears for the 21st century!!! High range reduction is 20% (1.7:1). This complete kit includes four new precision. I want to get reduction gears for my 1991 sierra and was wondering what reduction i should get and where i. Reduction Gears Suzuki Sierra.
From canampartsguy.com
New OEM 14 Gear Reduction Set Low Gear For Large Gearbox Canam Parts Guy Reduction Gears Suzuki Sierra What would you all advise as a most bang for your buck set of reduction gears for a 1989 suzuki sierra with 30 tyres that is used. With 6.5:1 samurai transfer case gears you get a 269% reduction in low range! High range reduction is 20%. This sierra 6.5 low range gear kit is the highest quality gear set available.. Reduction Gears Suzuki Sierra.
From www.sahara4x4.com
Suzuki Samurai super low range gears 4,161 reduction Reduction Gears Suzuki Sierra High range reduction is 20% (1.7:1). These are strong, run quietly, and take a huge amount of abuse. Gear manufacturer using the best. This sierra 6.5 low range gear kit is the highest quality gear set available. High range reduction is 20%. These incredible samurai transfer case gears work much in the same way as the old 4.16 gears samurai. Reduction Gears Suzuki Sierra.
From trailtough.com
Rear Side Gear Trail Tough Reduction Gears Suzuki Sierra Gear manufacturer using the best. High range reduction is 20%. What would you all advise as a most bang for your buck set of reduction gears for a 1989 suzuki sierra with 30 tyres that is used. High range reduction is 20% (1.7:1). Low range reduction gear set to suit suzuki sierra samurai (4.16:1 reduction) the suzuki 4.16:1 low range. Reduction Gears Suzuki Sierra.
From www.suzuki.co.id
Transmission Suzuki Spare Part Suzuki Indonesia Reduction Gears Suzuki Sierra High range reduction is 20% (1.7:1). This sierra 6.5 low range gear kit is the highest quality gear set available. These are strong, run quietly, and take a huge amount of abuse. High range reduction is 20%. These incredible samurai transfer case gears work much in the same way as the old 4.16 gears samurai owners have been loving for. Reduction Gears Suzuki Sierra.
From www.marks4wd.com
Low Range Reduction Gears Suzuki Sierra Marks 4WD Reduction Gears Suzuki Sierra I want to get reduction gears for my 1991 sierra and was wondering what reduction i should get and where i can find some in. Low range reduction is 6.5 to 1, a whopping 187% lower than stock! These are strong, run quietly, and take a huge amount of abuse. Gear manufacturer using the best. High range reduction is 20%. Reduction Gears Suzuki Sierra.
From ricambinet.antoniocarraro.it
TGF 8900 R tQuadra Reduction Gears Suzuki Sierra These are strong, run quietly, and take a huge amount of abuse. Low range reduction is 6.5 to 1, a whopping 187% lower than stock! High range reduction is 20%. Samurai transfer case gears for the 21st century!!! High range reduction is 20% (1.7:1). Low range reduction gear set to suit suzuki sierra samurai (4.16:1 reduction) the suzuki 4.16:1 low. Reduction Gears Suzuki Sierra.
From teammagic.com.tw
505151E6 Reduction Gear Set (2) TEAMMAGIC Reduction Gears Suzuki Sierra Gear manufacturer using the best. This sierra 6.5 low range gear kit is the highest quality gear set available. What would you all advise as a most bang for your buck set of reduction gears for a 1989 suzuki sierra with 30 tyres that is used. High range reduction is 20% (1.7:1). Low range reduction is 6.5 to 1, a. Reduction Gears Suzuki Sierra.
From www.indiamart.com
Cast Iron Heavy Vehicle 11E Reduction Gear, For Automobile Industry, 60 Reduction Gears Suzuki Sierra I want to get reduction gears for my 1991 sierra and was wondering what reduction i should get and where i can find some in. This sierra 6.5 low range gear kit is the highest quality gear set available. Low range reduction gear set to suit suzuki sierra samurai (4.16:1 reduction) the suzuki 4.16:1 low range reduction gears by terrain. Reduction Gears Suzuki Sierra.
From protrack.gr
Reduction Gears Jimny 2019 JB74 Reduction gears High 17 Low 87 Reduction Gears Suzuki Sierra Gear manufacturer using the best. These are strong, run quietly, and take a huge amount of abuse. This sierra 6.5 low range gear kit is the highest quality gear set available. What would you all advise as a most bang for your buck set of reduction gears for a 1989 suzuki sierra with 30 tyres that is used. High range. Reduction Gears Suzuki Sierra.
From eastsupplier.co.uk
How do Engineering Lift Reducer Gears help To Save Energy? Reduction Gears Suzuki Sierra With 6.5:1 samurai transfer case gears you get a 269% reduction in low range! These incredible samurai transfer case gears work much in the same way as the old 4.16 gears samurai owners have been loving for years, only better! Gear manufacturer using the best. Low range reduction gear set to suit suzuki sierra samurai (4.16:1 reduction) the suzuki 4.16:1. Reduction Gears Suzuki Sierra.
From www.pinterest.com
Suzuki Samurai 6.41 Low Range Transfer Case Gears by Sumo Gear Company Reduction Gears Suzuki Sierra Low range reduction is 6.5 to 1, a whopping 187% lower than stock! High range reduction is 20%. Gear manufacturer using the best. Low range reduction gear set to suit suzuki sierra samurai (4.16:1 reduction) the suzuki 4.16:1 low range reduction gears by terrain tamer, one of australia’s oldest. This complete kit includes four new precision. What would you all. Reduction Gears Suzuki Sierra.
From canampartsguy.com
New OEM 14 Gear Reduction Set Low Gear For Large Gearbox Canam Parts Guy Reduction Gears Suzuki Sierra I want to get reduction gears for my 1991 sierra and was wondering what reduction i should get and where i can find some in. This sierra 6.5 low range gear kit is the highest quality gear set available. What would you all advise as a most bang for your buck set of reduction gears for a 1989 suzuki sierra. Reduction Gears Suzuki Sierra.
From www.sahara4x4.com
Suzuki Samurai super low range gears 5,141 reduction Reduction Gears Suzuki Sierra Low range reduction is 6.5 to 1, a whopping 187% lower than stock! Samurai transfer case gears for the 21st century!!! High range reduction is 20% (1.7:1). Low range reduction gear set to suit suzuki sierra samurai (4.16:1 reduction) the suzuki 4.16:1 low range reduction gears by terrain tamer, one of australia’s oldest. These incredible samurai transfer case gears work. Reduction Gears Suzuki Sierra.
From www.amazon.com
Power Transmission 10Pcs Steel Double Gear Reduction Gear 0.3M 57T + 0 Reduction Gears Suzuki Sierra This complete kit includes four new precision. High range reduction is 20% (1.7:1). With 6.5:1 samurai transfer case gears you get a 269% reduction in low range! I want to get reduction gears for my 1991 sierra and was wondering what reduction i should get and where i can find some in. These incredible samurai transfer case gears work much. Reduction Gears Suzuki Sierra.
From www.ahperformanceparts.co.uk
front brakes rear brakes general fuel engine bay fuel boot Reduction Gears Suzuki Sierra High range reduction is 20%. This sierra 6.5 low range gear kit is the highest quality gear set available. These incredible samurai transfer case gears work much in the same way as the old 4.16 gears samurai owners have been loving for years, only better! Low range reduction is 6.5 to 1, a whopping 187% lower than stock! I want. Reduction Gears Suzuki Sierra.
From www.jimnybits.com
jimny low range transfer box gears trail gear 3040873KIT Reduction Gears Suzuki Sierra With 6.5:1 samurai transfer case gears you get a 269% reduction in low range! High range reduction is 20% (1.7:1). These are strong, run quietly, and take a huge amount of abuse. These incredible samurai transfer case gears work much in the same way as the old 4.16 gears samurai owners have been loving for years, only better! Samurai transfer. Reduction Gears Suzuki Sierra.
From www.summitracing.com
Trail Gear 1050011KIT TrailGear Reduction Gears Summit Racing Reduction Gears Suzuki Sierra Samurai transfer case gears for the 21st century!!! This complete kit includes four new precision. These are strong, run quietly, and take a huge amount of abuse. I want to get reduction gears for my 1991 sierra and was wondering what reduction i should get and where i can find some in. Gear manufacturer using the best. With 6.5:1 samurai. Reduction Gears Suzuki Sierra.
From www.ebay.fr
87 SUZUKI LT230 E Quadracer Lt 230 Starter Réduction Gear Ralenti Reduction Gears Suzuki Sierra High range reduction is 20%. These are strong, run quietly, and take a huge amount of abuse. Samurai transfer case gears for the 21st century!!! High range reduction is 20% (1.7:1). What would you all advise as a most bang for your buck set of reduction gears for a 1989 suzuki sierra with 30 tyres that is used. This complete. Reduction Gears Suzuki Sierra.
From www.ebay.fr
0104 Suzuki Intruder Volusia 800 VL800 Réduction Gear eBay Reduction Gears Suzuki Sierra What would you all advise as a most bang for your buck set of reduction gears for a 1989 suzuki sierra with 30 tyres that is used. Low range reduction is 6.5 to 1, a whopping 187% lower than stock! Samurai transfer case gears for the 21st century!!! These are strong, run quietly, and take a huge amount of abuse.. Reduction Gears Suzuki Sierra.
From www.suzuki.co.id
Transmission Suzuki Spare Part Suzuki Indonesia Reduction Gears Suzuki Sierra With 6.5:1 samurai transfer case gears you get a 269% reduction in low range! These incredible samurai transfer case gears work much in the same way as the old 4.16 gears samurai owners have been loving for years, only better! This complete kit includes four new precision. What would you all advise as a most bang for your buck set. Reduction Gears Suzuki Sierra.
From www.summitracing.com
Trail Gear 1050043KIT TrailGear Reduction Gears Summit Racing Reduction Gears Suzuki Sierra This complete kit includes four new precision. I want to get reduction gears for my 1991 sierra and was wondering what reduction i should get and where i can find some in. What would you all advise as a most bang for your buck set of reduction gears for a 1989 suzuki sierra with 30 tyres that is used. With. Reduction Gears Suzuki Sierra.