Opto Isolated Op Amp . This application note describes isolation amplifier design principles for the loc series linear optocoupler devices. Here is a simplification of the approach in the question, that removes any transistors / fets from the feedback path, and provides an analog (continuous) range of gains, while retaining the. This application note presents isolation amplifier circuit designs useful in industrial test and measurement systems, instrumentation, and. To take advantage of the 5,300 v isolation barrier, an op amp is used in a feedback loop to precisely control the drive current to the photo emitter (figure 3). The feedback current ip1 is directly. Optoisolators, which consist of an led and a photocell, provide isolation by using light, a form of electromagnetic radiation. Mouser offers inventory, pricing, & datasheets for optically isolated amplifiers. Optically isolated amplifiers are available at mouser electronics. Isolation amplifiers provide power supply designers with a higher performing, single chip alternative to isolation techniques based on optocouplers and.
from core-electronics.com.au
This application note presents isolation amplifier circuit designs useful in industrial test and measurement systems, instrumentation, and. This application note describes isolation amplifier design principles for the loc series linear optocoupler devices. Here is a simplification of the approach in the question, that removes any transistors / fets from the feedback path, and provides an analog (continuous) range of gains, while retaining the. Isolation amplifiers provide power supply designers with a higher performing, single chip alternative to isolation techniques based on optocouplers and. Optically isolated amplifiers are available at mouser electronics. Optoisolators, which consist of an led and a photocell, provide isolation by using light, a form of electromagnetic radiation. To take advantage of the 5,300 v isolation barrier, an op amp is used in a feedback loop to precisely control the drive current to the photo emitter (figure 3). Mouser offers inventory, pricing, & datasheets for optically isolated amplifiers. The feedback current ip1 is directly.
Optoisolator Breakout Australia
Opto Isolated Op Amp This application note presents isolation amplifier circuit designs useful in industrial test and measurement systems, instrumentation, and. This application note describes isolation amplifier design principles for the loc series linear optocoupler devices. This application note presents isolation amplifier circuit designs useful in industrial test and measurement systems, instrumentation, and. Mouser offers inventory, pricing, & datasheets for optically isolated amplifiers. Here is a simplification of the approach in the question, that removes any transistors / fets from the feedback path, and provides an analog (continuous) range of gains, while retaining the. The feedback current ip1 is directly. Isolation amplifiers provide power supply designers with a higher performing, single chip alternative to isolation techniques based on optocouplers and. To take advantage of the 5,300 v isolation barrier, an op amp is used in a feedback loop to precisely control the drive current to the photo emitter (figure 3). Optically isolated amplifiers are available at mouser electronics. Optoisolators, which consist of an led and a photocell, provide isolation by using light, a form of electromagnetic radiation.
From electronics.stackexchange.com
operational amplifier Using an OptoIsolator to change an OpAmp's Opto Isolated Op Amp This application note presents isolation amplifier circuit designs useful in industrial test and measurement systems, instrumentation, and. Optoisolators, which consist of an led and a photocell, provide isolation by using light, a form of electromagnetic radiation. The feedback current ip1 is directly. This application note describes isolation amplifier design principles for the loc series linear optocoupler devices. Isolation amplifiers provide. Opto Isolated Op Amp.
From www.saulcontrol.com
PE1315A 5FSE7076307 Opto isolated pulse amplifier ABB saulcontrol Opto Isolated Op Amp This application note describes isolation amplifier design principles for the loc series linear optocoupler devices. Here is a simplification of the approach in the question, that removes any transistors / fets from the feedback path, and provides an analog (continuous) range of gains, while retaining the. Optically isolated amplifiers are available at mouser electronics. Mouser offers inventory, pricing, & datasheets. Opto Isolated Op Amp.
From qastack.id
Menggunakan OptoIsolator untuk mengubah Amplifikasi OpAmp Opto Isolated Op Amp To take advantage of the 5,300 v isolation barrier, an op amp is used in a feedback loop to precisely control the drive current to the photo emitter (figure 3). Isolation amplifiers provide power supply designers with a higher performing, single chip alternative to isolation techniques based on optocouplers and. This application note describes isolation amplifier design principles for the. Opto Isolated Op Amp.
From www.eleccircuit.com
Linear opto isolator circuits Electronic projects circuits Opto Isolated Op Amp Isolation amplifiers provide power supply designers with a higher performing, single chip alternative to isolation techniques based on optocouplers and. To take advantage of the 5,300 v isolation barrier, an op amp is used in a feedback loop to precisely control the drive current to the photo emitter (figure 3). This application note describes isolation amplifier design principles for the. Opto Isolated Op Amp.
From core-electronics.com.au
Optoisolator Breakout Australia Opto Isolated Op Amp Here is a simplification of the approach in the question, that removes any transistors / fets from the feedback path, and provides an analog (continuous) range of gains, while retaining the. To take advantage of the 5,300 v isolation barrier, an op amp is used in a feedback loop to precisely control the drive current to the photo emitter (figure. Opto Isolated Op Amp.
From www.electroschematics.com
Linear DC Signal OptoIsolator / Optocoupler Circuit Opto Isolated Op Amp Optoisolators, which consist of an led and a photocell, provide isolation by using light, a form of electromagnetic radiation. The feedback current ip1 is directly. Mouser offers inventory, pricing, & datasheets for optically isolated amplifiers. This application note describes isolation amplifier design principles for the loc series linear optocoupler devices. Here is a simplification of the approach in the question,. Opto Isolated Op Amp.
From diagramofwiring.blogspot.com
Op Amp Ground Isolation Electrical Wiring Opto Isolated Op Amp This application note presents isolation amplifier circuit designs useful in industrial test and measurement systems, instrumentation, and. To take advantage of the 5,300 v isolation barrier, an op amp is used in a feedback loop to precisely control the drive current to the photo emitter (figure 3). Mouser offers inventory, pricing, & datasheets for optically isolated amplifiers. Here is a. Opto Isolated Op Amp.
From electronics.stackexchange.com
opto isolator What is optocoupler and how it is used? Electrical Opto Isolated Op Amp The feedback current ip1 is directly. Isolation amplifiers provide power supply designers with a higher performing, single chip alternative to isolation techniques based on optocouplers and. This application note presents isolation amplifier circuit designs useful in industrial test and measurement systems, instrumentation, and. Mouser offers inventory, pricing, & datasheets for optically isolated amplifiers. Optically isolated amplifiers are available at mouser. Opto Isolated Op Amp.
From electronics.stackexchange.com
operational amplifier Precision optoisolator voltmeter circuit Opto Isolated Op Amp This application note describes isolation amplifier design principles for the loc series linear optocoupler devices. Optically isolated amplifiers are available at mouser electronics. Isolation amplifiers provide power supply designers with a higher performing, single chip alternative to isolation techniques based on optocouplers and. Here is a simplification of the approach in the question, that removes any transistors / fets from. Opto Isolated Op Amp.
From itecnotes.com
Electronic arduino Optoisolation amplifier giving no output Opto Isolated Op Amp This application note describes isolation amplifier design principles for the loc series linear optocoupler devices. Optically isolated amplifiers are available at mouser electronics. The feedback current ip1 is directly. Mouser offers inventory, pricing, & datasheets for optically isolated amplifiers. Optoisolators, which consist of an led and a photocell, provide isolation by using light, a form of electromagnetic radiation. Here is. Opto Isolated Op Amp.
From www.edn.com
A differential, optically isolated driver for testing of an Opto Isolated Op Amp Optoisolators, which consist of an led and a photocell, provide isolation by using light, a form of electromagnetic radiation. The feedback current ip1 is directly. This application note presents isolation amplifier circuit designs useful in industrial test and measurement systems, instrumentation, and. Here is a simplification of the approach in the question, that removes any transistors / fets from the. Opto Isolated Op Amp.
From people.ece.cornell.edu
ElectroOcular Cursor Control eyeMouse Opto Isolated Op Amp Optically isolated amplifiers are available at mouser electronics. The feedback current ip1 is directly. This application note presents isolation amplifier circuit designs useful in industrial test and measurement systems, instrumentation, and. This application note describes isolation amplifier design principles for the loc series linear optocoupler devices. Here is a simplification of the approach in the question, that removes any transistors. Opto Isolated Op Amp.
From www.edn.com
Optoisolator News and Articles EDN Opto Isolated Op Amp Optically isolated amplifiers are available at mouser electronics. This application note presents isolation amplifier circuit designs useful in industrial test and measurement systems, instrumentation, and. Here is a simplification of the approach in the question, that removes any transistors / fets from the feedback path, and provides an analog (continuous) range of gains, while retaining the. Mouser offers inventory, pricing,. Opto Isolated Op Amp.
From electronics.stackexchange.com
op amp What is the correct way to measure voltage with an optocoupler Opto Isolated Op Amp This application note presents isolation amplifier circuit designs useful in industrial test and measurement systems, instrumentation, and. To take advantage of the 5,300 v isolation barrier, an op amp is used in a feedback loop to precisely control the drive current to the photo emitter (figure 3). Mouser offers inventory, pricing, & datasheets for optically isolated amplifiers. The feedback current. Opto Isolated Op Amp.
From researchdesignlab.com
4 Channel OptoIsolated Board Opto Isolated Op Amp Optoisolators, which consist of an led and a photocell, provide isolation by using light, a form of electromagnetic radiation. To take advantage of the 5,300 v isolation barrier, an op amp is used in a feedback loop to precisely control the drive current to the photo emitter (figure 3). Here is a simplification of the approach in the question, that. Opto Isolated Op Amp.
From pic-microcontroller.com
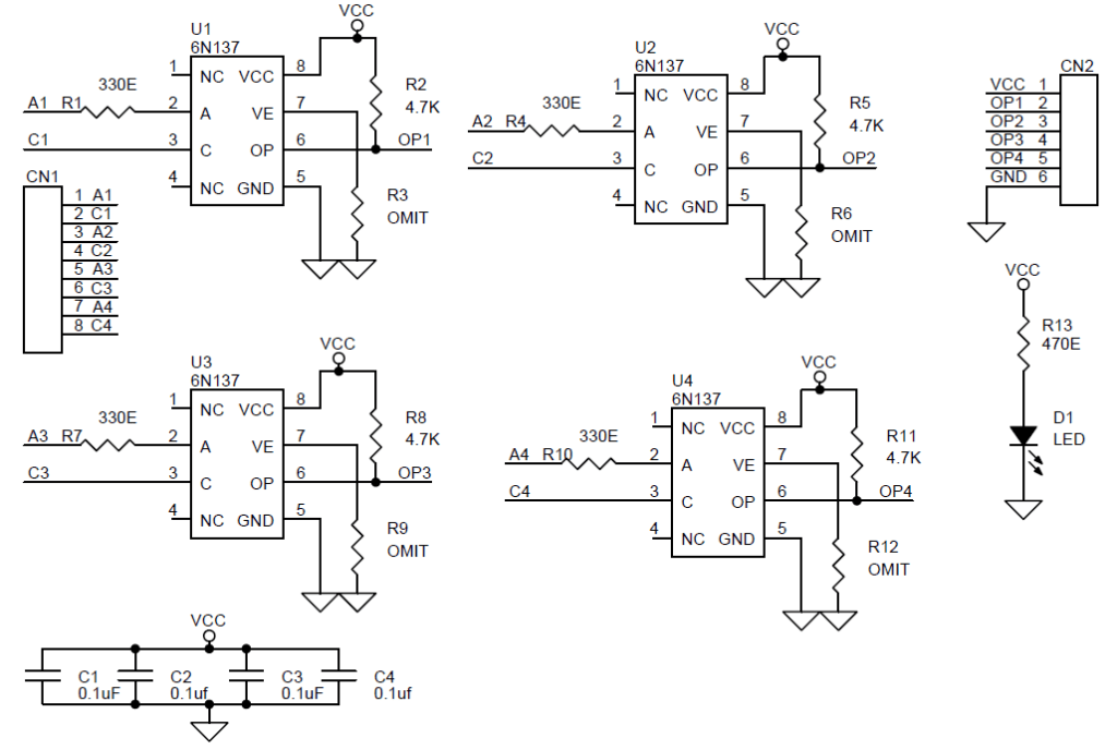
4 CHANNEL OPTOISOLATED MODULE USING HIGH SPEED 6N137 OPTOCOUPLER Opto Isolated Op Amp To take advantage of the 5,300 v isolation barrier, an op amp is used in a feedback loop to precisely control the drive current to the photo emitter (figure 3). This application note describes isolation amplifier design principles for the loc series linear optocoupler devices. Optically isolated amplifiers are available at mouser electronics. Here is a simplification of the approach. Opto Isolated Op Amp.
From audioxpress.com
AudioOptical Isolation Amp audioXpress Opto Isolated Op Amp To take advantage of the 5,300 v isolation barrier, an op amp is used in a feedback loop to precisely control the drive current to the photo emitter (figure 3). Here is a simplification of the approach in the question, that removes any transistors / fets from the feedback path, and provides an analog (continuous) range of gains, while retaining. Opto Isolated Op Amp.
From www.electronics-lab.com
4 Channel OptoIsolated Module Using High Speed 6N137 Optocoupler Opto Isolated Op Amp Optoisolators, which consist of an led and a photocell, provide isolation by using light, a form of electromagnetic radiation. Isolation amplifiers provide power supply designers with a higher performing, single chip alternative to isolation techniques based on optocouplers and. Mouser offers inventory, pricing, & datasheets for optically isolated amplifiers. To take advantage of the 5,300 v isolation barrier, an op. Opto Isolated Op Amp.
From www.circuitlab.com
Optoisolator 4N35 simulation Electronics Q&A CircuitLab Opto Isolated Op Amp The feedback current ip1 is directly. To take advantage of the 5,300 v isolation barrier, an op amp is used in a feedback loop to precisely control the drive current to the photo emitter (figure 3). This application note presents isolation amplifier circuit designs useful in industrial test and measurement systems, instrumentation, and. Optoisolators, which consist of an led and. Opto Isolated Op Amp.
From audioxpress.com
AudioOptical Isolation Amp audioXpress Opto Isolated Op Amp The feedback current ip1 is directly. Isolation amplifiers provide power supply designers with a higher performing, single chip alternative to isolation techniques based on optocouplers and. This application note presents isolation amplifier circuit designs useful in industrial test and measurement systems, instrumentation, and. Optically isolated amplifiers are available at mouser electronics. To take advantage of the 5,300 v isolation barrier,. Opto Isolated Op Amp.
From www.jetacon-sz.com
4 Channels DC 24V PLC Amplifier Plate Board PNP Input NPN Output Opto Opto Isolated Op Amp Mouser offers inventory, pricing, & datasheets for optically isolated amplifiers. Here is a simplification of the approach in the question, that removes any transistors / fets from the feedback path, and provides an analog (continuous) range of gains, while retaining the. Isolation amplifiers provide power supply designers with a higher performing, single chip alternative to isolation techniques based on optocouplers. Opto Isolated Op Amp.
From diagramofwiring.blogspot.com
Op Amp Ground Isolation Electrical Wiring Opto Isolated Op Amp The feedback current ip1 is directly. This application note describes isolation amplifier design principles for the loc series linear optocoupler devices. Optoisolators, which consist of an led and a photocell, provide isolation by using light, a form of electromagnetic radiation. Isolation amplifiers provide power supply designers with a higher performing, single chip alternative to isolation techniques based on optocouplers and.. Opto Isolated Op Amp.
From bestengineeringprojects.com
Isolation Amplifier Engineering Projects Opto Isolated Op Amp Here is a simplification of the approach in the question, that removes any transistors / fets from the feedback path, and provides an analog (continuous) range of gains, while retaining the. This application note presents isolation amplifier circuit designs useful in industrial test and measurement systems, instrumentation, and. This application note describes isolation amplifier design principles for the loc series. Opto Isolated Op Amp.
From ricardoalpoim.com.br
Operational Amplifier What Is The Correct Way To Measure, 52 OFF Opto Isolated Op Amp To take advantage of the 5,300 v isolation barrier, an op amp is used in a feedback loop to precisely control the drive current to the photo emitter (figure 3). Optically isolated amplifiers are available at mouser electronics. Isolation amplifiers provide power supply designers with a higher performing, single chip alternative to isolation techniques based on optocouplers and. Here is. Opto Isolated Op Amp.
From electronics.stackexchange.com
operational amplifier Optocoupled PWM Electrical Engineering Stack Opto Isolated Op Amp This application note presents isolation amplifier circuit designs useful in industrial test and measurement systems, instrumentation, and. Isolation amplifiers provide power supply designers with a higher performing, single chip alternative to isolation techniques based on optocouplers and. To take advantage of the 5,300 v isolation barrier, an op amp is used in a feedback loop to precisely control the drive. Opto Isolated Op Amp.
From community.element14.com
Precision analog optoisolation amplifier using HCNR200/201 element14 Opto Isolated Op Amp Isolation amplifiers provide power supply designers with a higher performing, single chip alternative to isolation techniques based on optocouplers and. This application note describes isolation amplifier design principles for the loc series linear optocoupler devices. To take advantage of the 5,300 v isolation barrier, an op amp is used in a feedback loop to precisely control the drive current to. Opto Isolated Op Amp.
From www.electroschematics.com
Linear DC Signal OptoIsolator / Optocoupler Circuit Opto Isolated Op Amp To take advantage of the 5,300 v isolation barrier, an op amp is used in a feedback loop to precisely control the drive current to the photo emitter (figure 3). Optoisolators, which consist of an led and a photocell, provide isolation by using light, a form of electromagnetic radiation. This application note describes isolation amplifier design principles for the loc. Opto Isolated Op Amp.
From diagramofwiring.blogspot.com
Op Amp Ground Isolation Electrical Wiring Opto Isolated Op Amp The feedback current ip1 is directly. Here is a simplification of the approach in the question, that removes any transistors / fets from the feedback path, and provides an analog (continuous) range of gains, while retaining the. This application note describes isolation amplifier design principles for the loc series linear optocoupler devices. Mouser offers inventory, pricing, & datasheets for optically. Opto Isolated Op Amp.
From www.electricaltechnology.org
What is an Optocoupler A.K.A Optoisolator or Photocoupler? Opto Isolated Op Amp Optoisolators, which consist of an led and a photocell, provide isolation by using light, a form of electromagnetic radiation. Isolation amplifiers provide power supply designers with a higher performing, single chip alternative to isolation techniques based on optocouplers and. Mouser offers inventory, pricing, & datasheets for optically isolated amplifiers. This application note describes isolation amplifier design principles for the loc. Opto Isolated Op Amp.
From electronics.stackexchange.com
operational amplifier Using an OptoIsolator to change an OpAmp's Opto Isolated Op Amp This application note presents isolation amplifier circuit designs useful in industrial test and measurement systems, instrumentation, and. Isolation amplifiers provide power supply designers with a higher performing, single chip alternative to isolation techniques based on optocouplers and. Mouser offers inventory, pricing, & datasheets for optically isolated amplifiers. Optoisolators, which consist of an led and a photocell, provide isolation by using. Opto Isolated Op Amp.
From itecnotes.com
Electronic arduino Optoisolation amplifier output is too off Opto Isolated Op Amp The feedback current ip1 is directly. Here is a simplification of the approach in the question, that removes any transistors / fets from the feedback path, and provides an analog (continuous) range of gains, while retaining the. This application note presents isolation amplifier circuit designs useful in industrial test and measurement systems, instrumentation, and. Isolation amplifiers provide power supply designers. Opto Isolated Op Amp.
From electronics.stackexchange.com
opto isolator How to control switch mode power supply feedback Opto Isolated Op Amp To take advantage of the 5,300 v isolation barrier, an op amp is used in a feedback loop to precisely control the drive current to the photo emitter (figure 3). Isolation amplifiers provide power supply designers with a higher performing, single chip alternative to isolation techniques based on optocouplers and. This application note presents isolation amplifier circuit designs useful in. Opto Isolated Op Amp.
From electronics.stackexchange.com
op amp What is the correct way to measure voltage with an optocoupler Opto Isolated Op Amp Here is a simplification of the approach in the question, that removes any transistors / fets from the feedback path, and provides an analog (continuous) range of gains, while retaining the. To take advantage of the 5,300 v isolation barrier, an op amp is used in a feedback loop to precisely control the drive current to the photo emitter (figure. Opto Isolated Op Amp.
From www.edn.com
Optocoupler simplifies powerline monitoring EDN Opto Isolated Op Amp Mouser offers inventory, pricing, & datasheets for optically isolated amplifiers. Optoisolators, which consist of an led and a photocell, provide isolation by using light, a form of electromagnetic radiation. This application note describes isolation amplifier design principles for the loc series linear optocoupler devices. To take advantage of the 5,300 v isolation barrier, an op amp is used in a. Opto Isolated Op Amp.
From fares-pcb.com
2Channel Optoisolated AC Input Detector Module (ACD2) Fares PCB Opto Isolated Op Amp Optically isolated amplifiers are available at mouser electronics. Mouser offers inventory, pricing, & datasheets for optically isolated amplifiers. The feedback current ip1 is directly. Isolation amplifiers provide power supply designers with a higher performing, single chip alternative to isolation techniques based on optocouplers and. This application note presents isolation amplifier circuit designs useful in industrial test and measurement systems, instrumentation,. Opto Isolated Op Amp.