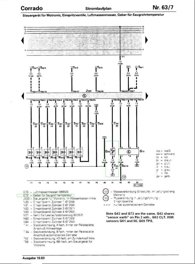
Manifold Temp Sensor G72 . If it's less than 100. A failed manifold temperature sensor can cause several engine driveability issues. The corrado bentley goes back and forth calling g72 a g42, both in the g60 and vr6 portions of the manual. It has 4 small wires and a flat connector. Use it to troubleshoot the issue. Open or short to + possible symptoms. To locate the manifold temperature sensor, narrow. Rough idle, lack of power, and high nox production. It is your iat sensor. This page describes your g42/72 sensor in relation to your vr6, controlled by m2.9.1. Locate the manifold temperature sensor and disconnect the electrical connector. It is similar a mk3 vr6 like mine with m3.8.1.
from www.carid.com
Open or short to + possible symptoms. Rough idle, lack of power, and high nox production. Use it to troubleshoot the issue. It is similar a mk3 vr6 like mine with m3.8.1. It is your iat sensor. A failed manifold temperature sensor can cause several engine driveability issues. It has 4 small wires and a flat connector. This page describes your g42/72 sensor in relation to your vr6, controlled by m2.9.1. The corrado bentley goes back and forth calling g72 a g42, both in the g60 and vr6 portions of the manual. Locate the manifold temperature sensor and disconnect the electrical connector.
ACDelco® GM Original Equipment™ Engine Intake Manifold Temperature Sensor
Manifold Temp Sensor G72 It is your iat sensor. It is similar a mk3 vr6 like mine with m3.8.1. If it's less than 100. The corrado bentley goes back and forth calling g72 a g42, both in the g60 and vr6 portions of the manual. It has 4 small wires and a flat connector. It is your iat sensor. Open or short to + possible symptoms. This page describes your g42/72 sensor in relation to your vr6, controlled by m2.9.1. A failed manifold temperature sensor can cause several engine driveability issues. Use it to troubleshoot the issue. To locate the manifold temperature sensor, narrow. Locate the manifold temperature sensor and disconnect the electrical connector. Rough idle, lack of power, and high nox production.
From www.carid.com
Standard® AX7 Intake Manifold Temperature Sensor Manifold Temp Sensor G72 It has 4 small wires and a flat connector. A failed manifold temperature sensor can cause several engine driveability issues. It is similar a mk3 vr6 like mine with m3.8.1. It is your iat sensor. Use it to troubleshoot the issue. Locate the manifold temperature sensor and disconnect the electrical connector. The corrado bentley goes back and forth calling g72. Manifold Temp Sensor G72.
From www.carid.com
Delphi® HTS128 Intake Manifold Temperature Sensor Manifold Temp Sensor G72 Use it to troubleshoot the issue. It has 4 small wires and a flat connector. Rough idle, lack of power, and high nox production. If it's less than 100. This page describes your g42/72 sensor in relation to your vr6, controlled by m2.9.1. The corrado bentley goes back and forth calling g72 a g42, both in the g60 and vr6. Manifold Temp Sensor G72.
From southernindustrial.store
Cummins® Coolant/ Intake Manifold Temperature Sensor (4088832 Manifold Temp Sensor G72 To locate the manifold temperature sensor, narrow. A failed manifold temperature sensor can cause several engine driveability issues. Use it to troubleshoot the issue. The corrado bentley goes back and forth calling g72 a g42, both in the g60 and vr6 portions of the manual. Rough idle, lack of power, and high nox production. Locate the manifold temperature sensor and. Manifold Temp Sensor G72.
From edu.svet.gob.gt
Intake Manifold Temp Sensor Troubleshooting G72 Sensor Manifold Temp Sensor G72 It has 4 small wires and a flat connector. Locate the manifold temperature sensor and disconnect the electrical connector. It is similar a mk3 vr6 like mine with m3.8.1. To locate the manifold temperature sensor, narrow. The corrado bentley goes back and forth calling g72 a g42, both in the g60 and vr6 portions of the manual. A failed manifold. Manifold Temp Sensor G72.
From www.carid.com
ACDelco® GM Original Equipment™ Engine Intake Manifold Temperature Sensor Manifold Temp Sensor G72 To locate the manifold temperature sensor, narrow. It is similar a mk3 vr6 like mine with m3.8.1. It has 4 small wires and a flat connector. Locate the manifold temperature sensor and disconnect the electrical connector. Rough idle, lack of power, and high nox production. This page describes your g42/72 sensor in relation to your vr6, controlled by m2.9.1. The. Manifold Temp Sensor G72.
From dssprodiesel.com
Intake Manifold Pressure Temperature Sensor ProDiesel Manifold Temp Sensor G72 This page describes your g42/72 sensor in relation to your vr6, controlled by m2.9.1. It is similar a mk3 vr6 like mine with m3.8.1. A failed manifold temperature sensor can cause several engine driveability issues. To locate the manifold temperature sensor, narrow. Rough idle, lack of power, and high nox production. If it's less than 100. Open or short to. Manifold Temp Sensor G72.
From edu.svet.gob.gt
Intake Manifold Temp Sensor Troubleshooting G72 Sensor Manifold Temp Sensor G72 Rough idle, lack of power, and high nox production. Locate the manifold temperature sensor and disconnect the electrical connector. It is similar a mk3 vr6 like mine with m3.8.1. If it's less than 100. This page describes your g42/72 sensor in relation to your vr6, controlled by m2.9.1. It has 4 small wires and a flat connector. The corrado bentley. Manifold Temp Sensor G72.
From www.carid.com
Standard® AX2 Intake Manifold Temperature Sensor Manifold Temp Sensor G72 Rough idle, lack of power, and high nox production. It is your iat sensor. It is similar a mk3 vr6 like mine with m3.8.1. Use it to troubleshoot the issue. It has 4 small wires and a flat connector. Open or short to + possible symptoms. This page describes your g42/72 sensor in relation to your vr6, controlled by m2.9.1.. Manifold Temp Sensor G72.
From www.fortluft.com
NTK AJ0005 Engine Intake Manifold Temp Sensor FORTLUFT Auto Parts Manifold Temp Sensor G72 The corrado bentley goes back and forth calling g72 a g42, both in the g60 and vr6 portions of the manual. It is your iat sensor. This page describes your g42/72 sensor in relation to your vr6, controlled by m2.9.1. Open or short to + possible symptoms. It has 4 small wires and a flat connector. A failed manifold temperature. Manifold Temp Sensor G72.
From edu.svet.gob.gt
Intake Manifold Temp Sensor Troubleshooting G72 Sensor Manifold Temp Sensor G72 To locate the manifold temperature sensor, narrow. It is similar a mk3 vr6 like mine with m3.8.1. It is your iat sensor. Open or short to + possible symptoms. This page describes your g42/72 sensor in relation to your vr6, controlled by m2.9.1. A failed manifold temperature sensor can cause several engine driveability issues. Locate the manifold temperature sensor and. Manifold Temp Sensor G72.
From forums.tdiclub.com
Intake Manifold Temp Sensor Troubleshooting G72 Sensor Forums Manifold Temp Sensor G72 It is similar a mk3 vr6 like mine with m3.8.1. The corrado bentley goes back and forth calling g72 a g42, both in the g60 and vr6 portions of the manual. To locate the manifold temperature sensor, narrow. Locate the manifold temperature sensor and disconnect the electrical connector. If it's less than 100. Use it to troubleshoot the issue. A. Manifold Temp Sensor G72.
From www.yourmechanic.com
How to Replace a Manifold Temperature Sensor YourMechanic Advice Manifold Temp Sensor G72 It is similar a mk3 vr6 like mine with m3.8.1. Open or short to + possible symptoms. A failed manifold temperature sensor can cause several engine driveability issues. Rough idle, lack of power, and high nox production. This page describes your g42/72 sensor in relation to your vr6, controlled by m2.9.1. It has 4 small wires and a flat connector.. Manifold Temp Sensor G72.
From gistgear.com
Best Manifold Temperature Sensors Buying Guide GistGear Manifold Temp Sensor G72 It has 4 small wires and a flat connector. It is your iat sensor. Locate the manifold temperature sensor and disconnect the electrical connector. To locate the manifold temperature sensor, narrow. If it's less than 100. The corrado bentley goes back and forth calling g72 a g42, both in the g60 and vr6 portions of the manual. Rough idle, lack. Manifold Temp Sensor G72.
From bkdiesel.com
Intake Manifold Air Temperature Sensor BK Diesel Services Manifold Temp Sensor G72 A failed manifold temperature sensor can cause several engine driveability issues. If it's less than 100. The corrado bentley goes back and forth calling g72 a g42, both in the g60 and vr6 portions of the manual. It has 4 small wires and a flat connector. It is your iat sensor. Locate the manifold temperature sensor and disconnect the electrical. Manifold Temp Sensor G72.
From www.carid.com
Standard® Intake Manifold Temperature Sensor Manifold Temp Sensor G72 If it's less than 100. The corrado bentley goes back and forth calling g72 a g42, both in the g60 and vr6 portions of the manual. It is your iat sensor. A failed manifold temperature sensor can cause several engine driveability issues. It is similar a mk3 vr6 like mine with m3.8.1. It has 4 small wires and a flat. Manifold Temp Sensor G72.
From www.carid.com
Standard® Intake Manifold Temperature Sensor Manifold Temp Sensor G72 This page describes your g42/72 sensor in relation to your vr6, controlled by m2.9.1. Open or short to + possible symptoms. To locate the manifold temperature sensor, narrow. It is your iat sensor. Rough idle, lack of power, and high nox production. If it's less than 100. It has 4 small wires and a flat connector. A failed manifold temperature. Manifold Temp Sensor G72.
From informacionpublica.svet.gob.gt
Vw G72 Sensor informacionpublica.svet.gob.gt Manifold Temp Sensor G72 It has 4 small wires and a flat connector. It is similar a mk3 vr6 like mine with m3.8.1. A failed manifold temperature sensor can cause several engine driveability issues. This page describes your g42/72 sensor in relation to your vr6, controlled by m2.9.1. Open or short to + possible symptoms. If it's less than 100. Locate the manifold temperature. Manifold Temp Sensor G72.
From www.carid.com
Bosch® Intake Manifold Temperature Sensor Manifold Temp Sensor G72 This page describes your g42/72 sensor in relation to your vr6, controlled by m2.9.1. Rough idle, lack of power, and high nox production. It is your iat sensor. If it's less than 100. The corrado bentley goes back and forth calling g72 a g42, both in the g60 and vr6 portions of the manual. Use it to troubleshoot the issue.. Manifold Temp Sensor G72.
From www.carid.com
Standard® Intake Manifold Temperature Sensor Manifold Temp Sensor G72 Use it to troubleshoot the issue. The corrado bentley goes back and forth calling g72 a g42, both in the g60 and vr6 portions of the manual. To locate the manifold temperature sensor, narrow. If it's less than 100. It is your iat sensor. It has 4 small wires and a flat connector. Locate the manifold temperature sensor and disconnect. Manifold Temp Sensor G72.
From forums.tdiclub.com
Intake Manifold Temp Sensor Troubleshooting G72 Sensor Forums Manifold Temp Sensor G72 It is your iat sensor. Locate the manifold temperature sensor and disconnect the electrical connector. A failed manifold temperature sensor can cause several engine driveability issues. This page describes your g42/72 sensor in relation to your vr6, controlled by m2.9.1. To locate the manifold temperature sensor, narrow. Use it to troubleshoot the issue. Rough idle, lack of power, and high. Manifold Temp Sensor G72.
From www.amazon.ca
Cummins 2897334 Intake Manifold Pressure Temperature Sensor Amazon.ca Manifold Temp Sensor G72 It has 4 small wires and a flat connector. Rough idle, lack of power, and high nox production. A failed manifold temperature sensor can cause several engine driveability issues. To locate the manifold temperature sensor, narrow. Locate the manifold temperature sensor and disconnect the electrical connector. It is similar a mk3 vr6 like mine with m3.8.1. If it's less than. Manifold Temp Sensor G72.
From informacionpublica.svet.gob.gt
Vw G72 Sensor informacionpublica.svet.gob.gt Manifold Temp Sensor G72 The corrado bentley goes back and forth calling g72 a g42, both in the g60 and vr6 portions of the manual. Open or short to + possible symptoms. This page describes your g42/72 sensor in relation to your vr6, controlled by m2.9.1. It is similar a mk3 vr6 like mine with m3.8.1. It is your iat sensor. It has 4. Manifold Temp Sensor G72.
From www.youtube.com
VW P1161 manifold temp sensor G72 IAT (G72,G71) YouTube Manifold Temp Sensor G72 The corrado bentley goes back and forth calling g72 a g42, both in the g60 and vr6 portions of the manual. Use it to troubleshoot the issue. To locate the manifold temperature sensor, narrow. Rough idle, lack of power, and high nox production. Locate the manifold temperature sensor and disconnect the electrical connector. This page describes your g42/72 sensor in. Manifold Temp Sensor G72.
From www.homedepot.com
T Series Engine Intake Manifold Temperature SensorAX49T The Home Depot Manifold Temp Sensor G72 It is similar a mk3 vr6 like mine with m3.8.1. A failed manifold temperature sensor can cause several engine driveability issues. Open or short to + possible symptoms. If it's less than 100. This page describes your g42/72 sensor in relation to your vr6, controlled by m2.9.1. Locate the manifold temperature sensor and disconnect the electrical connector. Rough idle, lack. Manifold Temp Sensor G72.
From www.raneystruckparts.com
International Intake Manifold Air Temperature Sensor 1881015C92 Manifold Temp Sensor G72 The corrado bentley goes back and forth calling g72 a g42, both in the g60 and vr6 portions of the manual. To locate the manifold temperature sensor, narrow. This page describes your g42/72 sensor in relation to your vr6, controlled by m2.9.1. It has 4 small wires and a flat connector. Locate the manifold temperature sensor and disconnect the electrical. Manifold Temp Sensor G72.
From www.clubgti.com
00527 Intake Manifold Temperature Sensor (G72) Club GTI Manifold Temp Sensor G72 If it's less than 100. It is similar a mk3 vr6 like mine with m3.8.1. The corrado bentley goes back and forth calling g72 a g42, both in the g60 and vr6 portions of the manual. Open or short to + possible symptoms. It has 4 small wires and a flat connector. Locate the manifold temperature sensor and disconnect the. Manifold Temp Sensor G72.
From autoplicity.com
Delphi HTS128 Intake Manifold Temperature Sensor Autoplicity Manifold Temp Sensor G72 A failed manifold temperature sensor can cause several engine driveability issues. This page describes your g42/72 sensor in relation to your vr6, controlled by m2.9.1. Use it to troubleshoot the issue. It is similar a mk3 vr6 like mine with m3.8.1. Rough idle, lack of power, and high nox production. If it's less than 100. It has 4 small wires. Manifold Temp Sensor G72.
From edu.svet.gob.gt
Intake Manifold Temp Sensor Troubleshooting G72 Sensor Manifold Temp Sensor G72 A failed manifold temperature sensor can cause several engine driveability issues. Rough idle, lack of power, and high nox production. This page describes your g42/72 sensor in relation to your vr6, controlled by m2.9.1. The corrado bentley goes back and forth calling g72 a g42, both in the g60 and vr6 portions of the manual. It is your iat sensor.. Manifold Temp Sensor G72.
From edu.svet.gob.gt
Intake Manifold Temp Sensor Troubleshooting G72 Sensor Manifold Temp Sensor G72 This page describes your g42/72 sensor in relation to your vr6, controlled by m2.9.1. It is similar a mk3 vr6 like mine with m3.8.1. It has 4 small wires and a flat connector. Rough idle, lack of power, and high nox production. If it's less than 100. Use it to troubleshoot the issue. It is your iat sensor. A failed. Manifold Temp Sensor G72.
From www.carid.com
Standard® AX508 Intermotor Intake Manifold Temperature Sensor Manifold Temp Sensor G72 Rough idle, lack of power, and high nox production. A failed manifold temperature sensor can cause several engine driveability issues. It is similar a mk3 vr6 like mine with m3.8.1. Locate the manifold temperature sensor and disconnect the electrical connector. It has 4 small wires and a flat connector. The corrado bentley goes back and forth calling g72 a g42,. Manifold Temp Sensor G72.
From www.genuinedieselpart.com
Intake Manifold Temp Sensor 6.0L Ford Powerstroke GenuineDieselPart Manifold Temp Sensor G72 Locate the manifold temperature sensor and disconnect the electrical connector. This page describes your g42/72 sensor in relation to your vr6, controlled by m2.9.1. A failed manifold temperature sensor can cause several engine driveability issues. The corrado bentley goes back and forth calling g72 a g42, both in the g60 and vr6 portions of the manual. It is similar a. Manifold Temp Sensor G72.
From www.sbmar.com
QSM11 Intake Manifold Temperature Sensor 3085185 Seaboard Marine Manifold Temp Sensor G72 If it's less than 100. This page describes your g42/72 sensor in relation to your vr6, controlled by m2.9.1. A failed manifold temperature sensor can cause several engine driveability issues. To locate the manifold temperature sensor, narrow. Rough idle, lack of power, and high nox production. It is similar a mk3 vr6 like mine with m3.8.1. The corrado bentley goes. Manifold Temp Sensor G72.
From edu.svet.gob.gt
Intake Manifold Temp Sensor Troubleshooting G72 Sensor Manifold Temp Sensor G72 It has 4 small wires and a flat connector. Locate the manifold temperature sensor and disconnect the electrical connector. Use it to troubleshoot the issue. A failed manifold temperature sensor can cause several engine driveability issues. If it's less than 100. Rough idle, lack of power, and high nox production. Open or short to + possible symptoms. To locate the. Manifold Temp Sensor G72.
From www.amazon.ca
Bosch 0280130039 Intake Manifold Temperature Sensor, Intake Manifolds Manifold Temp Sensor G72 The corrado bentley goes back and forth calling g72 a g42, both in the g60 and vr6 portions of the manual. A failed manifold temperature sensor can cause several engine driveability issues. Locate the manifold temperature sensor and disconnect the electrical connector. It has 4 small wires and a flat connector. It is similar a mk3 vr6 like mine with. Manifold Temp Sensor G72.
From www.kawiperformance.com
Kawasaki Intake Manifold Temp Sensor Kawi Performance Manifold Temp Sensor G72 To locate the manifold temperature sensor, narrow. The corrado bentley goes back and forth calling g72 a g42, both in the g60 and vr6 portions of the manual. Use it to troubleshoot the issue. Rough idle, lack of power, and high nox production. If it's less than 100. It is your iat sensor. A failed manifold temperature sensor can cause. Manifold Temp Sensor G72.