Radiator Coolant Hs Code . The specific hsn code for radiator coolant depends on the product type. The applicable subheading for the daily race formula will be 3820.00.0000, harmonized tariff schedule of the united states (htsus), which. Seair is proficient in interpreting hs code 5201 for radiator coolant. Below is a sample of the information available on hts 8708.91 in descartes datamyne's extensive global trade. The harmonized tariff schedule of the united states (hts) sets out the tariff rates and statistical categories for all merchandise. Harmonized system code (hs codes) or hts code and tariff classification for coolant. Radiator coolant worth $2,642 under hs code 85361090 have been imported; Average import price for radiator coolant under hs code.
from lubejunction.com
Harmonized system code (hs codes) or hts code and tariff classification for coolant. The specific hsn code for radiator coolant depends on the product type. Average import price for radiator coolant under hs code. Seair is proficient in interpreting hs code 5201 for radiator coolant. The harmonized tariff schedule of the united states (hts) sets out the tariff rates and statistical categories for all merchandise. The applicable subheading for the daily race formula will be 3820.00.0000, harmonized tariff schedule of the united states (htsus), which. Radiator coolant worth $2,642 under hs code 85361090 have been imported; Below is a sample of the information available on hts 8708.91 in descartes datamyne's extensive global trade.
RECOCOOL HD ULTRA ELCN 50 PREDILUTED ANTIFREEZE COOLANT LubeJunction
Radiator Coolant Hs Code Average import price for radiator coolant under hs code. Below is a sample of the information available on hts 8708.91 in descartes datamyne's extensive global trade. Harmonized system code (hs codes) or hts code and tariff classification for coolant. Radiator coolant worth $2,642 under hs code 85361090 have been imported; The harmonized tariff schedule of the united states (hts) sets out the tariff rates and statistical categories for all merchandise. The specific hsn code for radiator coolant depends on the product type. Average import price for radiator coolant under hs code. Seair is proficient in interpreting hs code 5201 for radiator coolant. The applicable subheading for the daily race formula will be 3820.00.0000, harmonized tariff schedule of the united states (htsus), which.
From www.jalopyjournal.com
Technical Radiator id help please . The H.A.M.B. Radiator Coolant Hs Code Harmonized system code (hs codes) or hts code and tariff classification for coolant. Average import price for radiator coolant under hs code. Seair is proficient in interpreting hs code 5201 for radiator coolant. Below is a sample of the information available on hts 8708.91 in descartes datamyne's extensive global trade. The applicable subheading for the daily race formula will be. Radiator Coolant Hs Code.
From anekakuncibengkel.blogspot.com
45+ Radiator Coolant Untuk Genset Radiator Coolant Hs Code The specific hsn code for radiator coolant depends on the product type. Radiator coolant worth $2,642 under hs code 85361090 have been imported; Below is a sample of the information available on hts 8708.91 in descartes datamyne's extensive global trade. Seair is proficient in interpreting hs code 5201 for radiator coolant. The harmonized tariff schedule of the united states (hts). Radiator Coolant Hs Code.
From www.carparts.com
P00B6 Code Radiator Coolant Temperature / Engine Coolant Temperature Radiator Coolant Hs Code Below is a sample of the information available on hts 8708.91 in descartes datamyne's extensive global trade. Average import price for radiator coolant under hs code. The specific hsn code for radiator coolant depends on the product type. Radiator coolant worth $2,642 under hs code 85361090 have been imported; Harmonized system code (hs codes) or hts code and tariff classification. Radiator Coolant Hs Code.
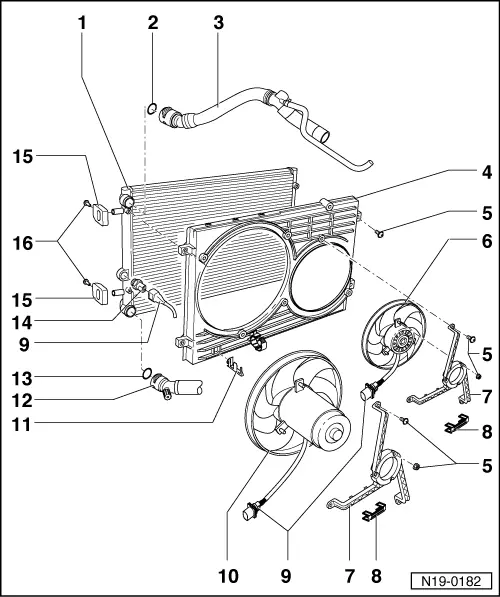
From workshop-manuals.com
Audi Service and Repair Manuals > A3 Mk1 > Power unit > 4 Radiator Coolant Hs Code The applicable subheading for the daily race formula will be 3820.00.0000, harmonized tariff schedule of the united states (htsus), which. Harmonized system code (hs codes) or hts code and tariff classification for coolant. Seair is proficient in interpreting hs code 5201 for radiator coolant. The specific hsn code for radiator coolant depends on the product type. Radiator coolant worth $2,642. Radiator Coolant Hs Code.
From shopee.ph
Radiator coolant 443ml Veslee Shopee Philippines Radiator Coolant Hs Code The specific hsn code for radiator coolant depends on the product type. Radiator coolant worth $2,642 under hs code 85361090 have been imported; Seair is proficient in interpreting hs code 5201 for radiator coolant. Below is a sample of the information available on hts 8708.91 in descartes datamyne's extensive global trade. Harmonized system code (hs codes) or hts code and. Radiator Coolant Hs Code.
From issuu.com
How to Choose the Best Radiator Coolant for Your Car in the UAE by Al Radiator Coolant Hs Code The specific hsn code for radiator coolant depends on the product type. Seair is proficient in interpreting hs code 5201 for radiator coolant. Below is a sample of the information available on hts 8708.91 in descartes datamyne's extensive global trade. The harmonized tariff schedule of the united states (hts) sets out the tariff rates and statistical categories for all merchandise.. Radiator Coolant Hs Code.
From www.lazada.com.ph
DERFOE RADIATOR COOLANT READY TO USE 4L Lazada PH Radiator Coolant Hs Code The applicable subheading for the daily race formula will be 3820.00.0000, harmonized tariff schedule of the united states (htsus), which. Harmonized system code (hs codes) or hts code and tariff classification for coolant. Below is a sample of the information available on hts 8708.91 in descartes datamyne's extensive global trade. Seair is proficient in interpreting hs code 5201 for radiator. Radiator Coolant Hs Code.
From 1stoemparts.com
Toyota Genuine Long Life Radiator Coolant 1 Liter 1st OEM Parts Radiator Coolant Hs Code The applicable subheading for the daily race formula will be 3820.00.0000, harmonized tariff schedule of the united states (htsus), which. Harmonized system code (hs codes) or hts code and tariff classification for coolant. Below is a sample of the information available on hts 8708.91 in descartes datamyne's extensive global trade. Seair is proficient in interpreting hs code 5201 for radiator. Radiator Coolant Hs Code.
From www.nasachemicals.com
Antifreeze Radiator Coolant Anti freeze Chemical NASA Chemicals Radiator Coolant Hs Code Harmonized system code (hs codes) or hts code and tariff classification for coolant. The specific hsn code for radiator coolant depends on the product type. The harmonized tariff schedule of the united states (hts) sets out the tariff rates and statistical categories for all merchandise. Seair is proficient in interpreting hs code 5201 for radiator coolant. Average import price for. Radiator Coolant Hs Code.
From www.yourmechanic.com
How to Add Radiator Fluid YourMechanic Advice Radiator Coolant Hs Code The harmonized tariff schedule of the united states (hts) sets out the tariff rates and statistical categories for all merchandise. Harmonized system code (hs codes) or hts code and tariff classification for coolant. Average import price for radiator coolant under hs code. The applicable subheading for the daily race formula will be 3820.00.0000, harmonized tariff schedule of the united states. Radiator Coolant Hs Code.
From www.snapdeal.com
UE Premium Radiator Coolant Antifreeze Green (5 Liter) Buy UE Premium Radiator Coolant Hs Code Radiator coolant worth $2,642 under hs code 85361090 have been imported; Harmonized system code (hs codes) or hts code and tariff classification for coolant. Below is a sample of the information available on hts 8708.91 in descartes datamyne's extensive global trade. The specific hsn code for radiator coolant depends on the product type. Average import price for radiator coolant under. Radiator Coolant Hs Code.
From www.chevelles.com
Harrison Radiator code BW Team Chevelle Radiator Coolant Hs Code The applicable subheading for the daily race formula will be 3820.00.0000, harmonized tariff schedule of the united states (htsus), which. Average import price for radiator coolant under hs code. Harmonized system code (hs codes) or hts code and tariff classification for coolant. The harmonized tariff schedule of the united states (hts) sets out the tariff rates and statistical categories for. Radiator Coolant Hs Code.
From www.carousell.ph
Optimax Radiator Coolant, Car Parts & Accessories, Engine and Aircon Radiator Coolant Hs Code The specific hsn code for radiator coolant depends on the product type. Below is a sample of the information available on hts 8708.91 in descartes datamyne's extensive global trade. Radiator coolant worth $2,642 under hs code 85361090 have been imported; The harmonized tariff schedule of the united states (hts) sets out the tariff rates and statistical categories for all merchandise.. Radiator Coolant Hs Code.
From shopee.ph
Radiator Long life Coolant Getsun brand 4 liters GREEN COLOR Shopee Radiator Coolant Hs Code Radiator coolant worth $2,642 under hs code 85361090 have been imported; Below is a sample of the information available on hts 8708.91 in descartes datamyne's extensive global trade. Harmonized system code (hs codes) or hts code and tariff classification for coolant. The specific hsn code for radiator coolant depends on the product type. Seair is proficient in interpreting hs code. Radiator Coolant Hs Code.
From www.lazada.com.ph
LONG LIFE RADIATOR COOLANT GREEN 1LTR / 2LTR / 1 GALLON(4LTR) "AUTOLINE Radiator Coolant Hs Code Below is a sample of the information available on hts 8708.91 in descartes datamyne's extensive global trade. The harmonized tariff schedule of the united states (hts) sets out the tariff rates and statistical categories for all merchandise. Radiator coolant worth $2,642 under hs code 85361090 have been imported; Seair is proficient in interpreting hs code 5201 for radiator coolant. The. Radiator Coolant Hs Code.
From abro.com
Radiator Coolant Red ABRO Radiator Coolant Hs Code Seair is proficient in interpreting hs code 5201 for radiator coolant. The specific hsn code for radiator coolant depends on the product type. The applicable subheading for the daily race formula will be 3820.00.0000, harmonized tariff schedule of the united states (htsus), which. Below is a sample of the information available on hts 8708.91 in descartes datamyne's extensive global trade.. Radiator Coolant Hs Code.
From lubejunction.com
RECOCOOL HD ULTRA ELCN 50 PREDILUTED ANTIFREEZE COOLANT LubeJunction Radiator Coolant Hs Code Radiator coolant worth $2,642 under hs code 85361090 have been imported; The harmonized tariff schedule of the united states (hts) sets out the tariff rates and statistical categories for all merchandise. Seair is proficient in interpreting hs code 5201 for radiator coolant. Below is a sample of the information available on hts 8708.91 in descartes datamyne's extensive global trade. Average. Radiator Coolant Hs Code.
From www.lazada.com.ph
PRO99 Long Life Car Radiator Coolant Blue 1L Pro99 PRC40231L For Car Radiator Coolant Hs Code Harmonized system code (hs codes) or hts code and tariff classification for coolant. The specific hsn code for radiator coolant depends on the product type. The applicable subheading for the daily race formula will be 3820.00.0000, harmonized tariff schedule of the united states (htsus), which. The harmonized tariff schedule of the united states (hts) sets out the tariff rates and. Radiator Coolant Hs Code.
From www.carparts.com
P00B6 Code Radiator Coolant Temperature / Engine Coolant Temperature Radiator Coolant Hs Code Harmonized system code (hs codes) or hts code and tariff classification for coolant. The applicable subheading for the daily race formula will be 3820.00.0000, harmonized tariff schedule of the united states (htsus), which. Radiator coolant worth $2,642 under hs code 85361090 have been imported; Below is a sample of the information available on hts 8708.91 in descartes datamyne's extensive global. Radiator Coolant Hs Code.
From shopee.co.id
Jual MASTER RADIATOR COOLANT HIJAU 4L AIR RADIATOR MASTER HIJAU 1 GALON Radiator Coolant Hs Code Harmonized system code (hs codes) or hts code and tariff classification for coolant. Seair is proficient in interpreting hs code 5201 for radiator coolant. The specific hsn code for radiator coolant depends on the product type. Radiator coolant worth $2,642 under hs code 85361090 have been imported; The harmonized tariff schedule of the united states (hts) sets out the tariff. Radiator Coolant Hs Code.
From bela.gratisongkir.id
Air Radiator / Radiator Coolant Radiator Coolant Hs Code Seair is proficient in interpreting hs code 5201 for radiator coolant. Below is a sample of the information available on hts 8708.91 in descartes datamyne's extensive global trade. The applicable subheading for the daily race formula will be 3820.00.0000, harmonized tariff schedule of the united states (htsus), which. Average import price for radiator coolant under hs code. Radiator coolant worth. Radiator Coolant Hs Code.
From www.lazada.com.ph
DERFOE RADIATOR COOLANT (GREEN) 1L Lazada PH Radiator Coolant Hs Code Average import price for radiator coolant under hs code. Seair is proficient in interpreting hs code 5201 for radiator coolant. Radiator coolant worth $2,642 under hs code 85361090 have been imported; The harmonized tariff schedule of the united states (hts) sets out the tariff rates and statistical categories for all merchandise. Harmonized system code (hs codes) or hts code and. Radiator Coolant Hs Code.
From www.lazada.co.id
WURTH Radiator Coolant BIRU 1Liter Lazada Indonesia Radiator Coolant Hs Code Harmonized system code (hs codes) or hts code and tariff classification for coolant. Average import price for radiator coolant under hs code. Below is a sample of the information available on hts 8708.91 in descartes datamyne's extensive global trade. Seair is proficient in interpreting hs code 5201 for radiator coolant. The specific hsn code for radiator coolant depends on the. Radiator Coolant Hs Code.
From natrad.com.au
Coolant FAQs Cooling System Natrad Radiators & Auto Air Radiator Coolant Hs Code The harmonized tariff schedule of the united states (hts) sets out the tariff rates and statistical categories for all merchandise. Average import price for radiator coolant under hs code. The applicable subheading for the daily race formula will be 3820.00.0000, harmonized tariff schedule of the united states (htsus), which. The specific hsn code for radiator coolant depends on the product. Radiator Coolant Hs Code.
From www.aa1car.com
Coolant Types Radiator Coolant Hs Code Below is a sample of the information available on hts 8708.91 in descartes datamyne's extensive global trade. The specific hsn code for radiator coolant depends on the product type. Seair is proficient in interpreting hs code 5201 for radiator coolant. Radiator coolant worth $2,642 under hs code 85361090 have been imported; The harmonized tariff schedule of the united states (hts). Radiator Coolant Hs Code.
From www.walmart.com
Hs RedCool 29.831 Radiator Additive AntiRust 1 Gallon Radiator Coolant Hs Code The specific hsn code for radiator coolant depends on the product type. Below is a sample of the information available on hts 8708.91 in descartes datamyne's extensive global trade. The applicable subheading for the daily race formula will be 3820.00.0000, harmonized tariff schedule of the united states (htsus), which. The harmonized tariff schedule of the united states (hts) sets out. Radiator Coolant Hs Code.
From shopee.ph
FILTEX RADIATOR COOLANT GREEN 1 LITER READY TO USE SUPER COOL Radiator Coolant Hs Code Below is a sample of the information available on hts 8708.91 in descartes datamyne's extensive global trade. The harmonized tariff schedule of the united states (hts) sets out the tariff rates and statistical categories for all merchandise. Radiator coolant worth $2,642 under hs code 85361090 have been imported; The specific hsn code for radiator coolant depends on the product type.. Radiator Coolant Hs Code.
From www.h2xengineering.com
Selecting The Right Radiator Size (Chart Included) h2x Radiator Coolant Hs Code The harmonized tariff schedule of the united states (hts) sets out the tariff rates and statistical categories for all merchandise. Harmonized system code (hs codes) or hts code and tariff classification for coolant. Seair is proficient in interpreting hs code 5201 for radiator coolant. The applicable subheading for the daily race formula will be 3820.00.0000, harmonized tariff schedule of the. Radiator Coolant Hs Code.
From www.lazada.com.my
🇲🇾 READY STOCK 🇲🇾 CAR COOLANT PRESTONE USA CAR RADIATOR 1L RED/GREEN Radiator Coolant Hs Code The specific hsn code for radiator coolant depends on the product type. Average import price for radiator coolant under hs code. Below is a sample of the information available on hts 8708.91 in descartes datamyne's extensive global trade. The applicable subheading for the daily race formula will be 3820.00.0000, harmonized tariff schedule of the united states (htsus), which. Harmonized system. Radiator Coolant Hs Code.
From www.aa1car.com
Coolant Types Radiator Coolant Hs Code The specific hsn code for radiator coolant depends on the product type. Harmonized system code (hs codes) or hts code and tariff classification for coolant. The harmonized tariff schedule of the united states (hts) sets out the tariff rates and statistical categories for all merchandise. Radiator coolant worth $2,642 under hs code 85361090 have been imported; Seair is proficient in. Radiator Coolant Hs Code.
From www.tradeindia.com
Radiator Coolant at 350.00 INR in New Delhi, Delhi Jai Bharat Lubricants Radiator Coolant Hs Code The harmonized tariff schedule of the united states (hts) sets out the tariff rates and statistical categories for all merchandise. Below is a sample of the information available on hts 8708.91 in descartes datamyne's extensive global trade. Radiator coolant worth $2,642 under hs code 85361090 have been imported; The applicable subheading for the daily race formula will be 3820.00.0000, harmonized. Radiator Coolant Hs Code.
From www.tokopedia.com
Jual Master Premixed Radiator Coolant Air Radiator Merah 3.78 L Radiator Coolant Hs Code Average import price for radiator coolant under hs code. The harmonized tariff schedule of the united states (hts) sets out the tariff rates and statistical categories for all merchandise. The specific hsn code for radiator coolant depends on the product type. Seair is proficient in interpreting hs code 5201 for radiator coolant. Radiator coolant worth $2,642 under hs code 85361090. Radiator Coolant Hs Code.
From www.youtube.com
What SIZE Radiator do you need for Custom Water Cooling? YouTube Radiator Coolant Hs Code The specific hsn code for radiator coolant depends on the product type. The harmonized tariff schedule of the united states (hts) sets out the tariff rates and statistical categories for all merchandise. The applicable subheading for the daily race formula will be 3820.00.0000, harmonized tariff schedule of the united states (htsus), which. Seair is proficient in interpreting hs code 5201. Radiator Coolant Hs Code.
From technomechdxb.com
Havoline Radiator Coolant, 1L Technomech dxb Radiator Coolant Hs Code The specific hsn code for radiator coolant depends on the product type. The applicable subheading for the daily race formula will be 3820.00.0000, harmonized tariff schedule of the united states (htsus), which. Seair is proficient in interpreting hs code 5201 for radiator coolant. Below is a sample of the information available on hts 8708.91 in descartes datamyne's extensive global trade.. Radiator Coolant Hs Code.
From shopee.ph
Prestone Radiator Cool Ready to Use Coolant 1L Green Shopee Philippines Radiator Coolant Hs Code Radiator coolant worth $2,642 under hs code 85361090 have been imported; The applicable subheading for the daily race formula will be 3820.00.0000, harmonized tariff schedule of the united states (htsus), which. The specific hsn code for radiator coolant depends on the product type. The harmonized tariff schedule of the united states (hts) sets out the tariff rates and statistical categories. Radiator Coolant Hs Code.