Trailer Turn Signals Not Working When Headlights Are On . Trailer lights not working when the headlights are on is due to debris around ground wires, corrosive ground connections, loose and poor fitting of ground wires, dirty connectors, greasy. Brake lights, turn signals and emergency flashers work on trailer but lights will not go on when tow vehicle headlights are turned on. Are you having trouble with your trailer running lights not working? We’ll cover common causes of trailer lights failure, walk you through diagnosing the issue, and provide essential safety tips for your trailer trips. The first step in tracking down the source of this problem is unhooking the trailer. The right turn signal not working on a trailer. If the ground wire to the trailer frame or the tail light grounds are not. All lights and turn signals work until headlights/running lights are turned on then left turn signal does not work. The problem you are having is a classic ground issue. Don’t worry, this guide is here to assist you. How to troubleshoot and fix trailer brake, turn signal, and daytime running lights not working. We have everything you need to fix your trailer running lights. If the trailer hitch lights are not working when the trailer is attached,.
        
        from www.aliexpress.com 
     
        
        The first step in tracking down the source of this problem is unhooking the trailer. How to troubleshoot and fix trailer brake, turn signal, and daytime running lights not working. All lights and turn signals work until headlights/running lights are turned on then left turn signal does not work. Trailer lights not working when the headlights are on is due to debris around ground wires, corrosive ground connections, loose and poor fitting of ground wires, dirty connectors, greasy. If the ground wire to the trailer frame or the tail light grounds are not. Are you having trouble with your trailer running lights not working? We’ll cover common causes of trailer lights failure, walk you through diagnosing the issue, and provide essential safety tips for your trailer trips. We have everything you need to fix your trailer running lights. The right turn signal not working on a trailer. If the trailer hitch lights are not working when the trailer is attached,.
    
    	
            
	
		 
         
    2pcs 6led Car Truck Trailer Rear Tail Stop Turn Light Indicator Lamp 
    Trailer Turn Signals Not Working When Headlights Are On  The first step in tracking down the source of this problem is unhooking the trailer. All lights and turn signals work until headlights/running lights are turned on then left turn signal does not work. If the ground wire to the trailer frame or the tail light grounds are not. Don’t worry, this guide is here to assist you. Are you having trouble with your trailer running lights not working? How to troubleshoot and fix trailer brake, turn signal, and daytime running lights not working. Trailer lights not working when the headlights are on is due to debris around ground wires, corrosive ground connections, loose and poor fitting of ground wires, dirty connectors, greasy. The right turn signal not working on a trailer. Brake lights, turn signals and emergency flashers work on trailer but lights will not go on when tow vehicle headlights are turned on. We’ll cover common causes of trailer lights failure, walk you through diagnosing the issue, and provide essential safety tips for your trailer trips. The first step in tracking down the source of this problem is unhooking the trailer. We have everything you need to fix your trailer running lights. The problem you are having is a classic ground issue. If the trailer hitch lights are not working when the trailer is attached,.
            
	
		 
         
 
    
        From www.justanswer.com 
                    Need help finding out the issue with a new turn signal switch i bought Trailer Turn Signals Not Working When Headlights Are On  Are you having trouble with your trailer running lights not working? The problem you are having is a classic ground issue. If the trailer hitch lights are not working when the trailer is attached,. The right turn signal not working on a trailer. We’ll cover common causes of trailer lights failure, walk you through diagnosing the issue, and provide essential. Trailer Turn Signals Not Working When Headlights Are On.
     
    
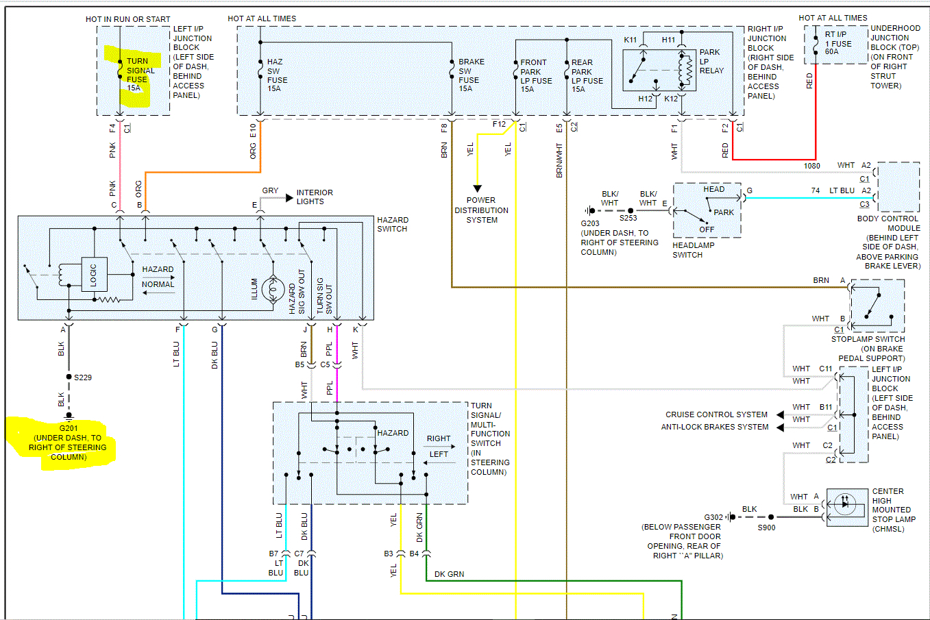
        From homeminimalisite.com 
                    Boat Trailer Blinker And Brake Light Not Working Trailer Turn Signals Not Working When Headlights Are On  The right turn signal not working on a trailer. How to troubleshoot and fix trailer brake, turn signal, and daytime running lights not working. Brake lights, turn signals and emergency flashers work on trailer but lights will not go on when tow vehicle headlights are turned on. Don’t worry, this guide is here to assist you. We have everything you. Trailer Turn Signals Not Working When Headlights Are On.
     
    
        From www.youtube.com 
                    Trailer Brake Lights or Turn Signals NOT Working TRY THIS YouTube Trailer Turn Signals Not Working When Headlights Are On  The first step in tracking down the source of this problem is unhooking the trailer. The right turn signal not working on a trailer. We’ll cover common causes of trailer lights failure, walk you through diagnosing the issue, and provide essential safety tips for your trailer trips. If the trailer hitch lights are not working when the trailer is attached,.. Trailer Turn Signals Not Working When Headlights Are On.
     
    
        From www.aliexpress.com 
                    6x Waterproof 24v Led Side Marker Lights Indicator Turn Signal Trailer Turn Signals Not Working When Headlights Are On  The first step in tracking down the source of this problem is unhooking the trailer. If the trailer hitch lights are not working when the trailer is attached,. How to troubleshoot and fix trailer brake, turn signal, and daytime running lights not working. The right turn signal not working on a trailer. Are you having trouble with your trailer running. Trailer Turn Signals Not Working When Headlights Are On.
     
    
        From exolhfpsv.blob.core.windows.net 
                    Tractor Supply Trailer Lights Not Working at Charlie Santiago blog Trailer Turn Signals Not Working When Headlights Are On  We’ll cover common causes of trailer lights failure, walk you through diagnosing the issue, and provide essential safety tips for your trailer trips. The problem you are having is a classic ground issue. Brake lights, turn signals and emergency flashers work on trailer but lights will not go on when tow vehicle headlights are turned on. The first step in. Trailer Turn Signals Not Working When Headlights Are On.
     
    
        From axleaddict.com 
                    Turn Signal Problems and Diagnosis AxleAddict Trailer Turn Signals Not Working When Headlights Are On  If the ground wire to the trailer frame or the tail light grounds are not. Trailer lights not working when the headlights are on is due to debris around ground wires, corrosive ground connections, loose and poor fitting of ground wires, dirty connectors, greasy. We’ll cover common causes of trailer lights failure, walk you through diagnosing the issue, and provide. Trailer Turn Signals Not Working When Headlights Are On.
     
    
        From www.youtube.com 
                    Toyota Turn Signals Not Working Diagnosis and Repair YouTube Trailer Turn Signals Not Working When Headlights Are On  Trailer lights not working when the headlights are on is due to debris around ground wires, corrosive ground connections, loose and poor fitting of ground wires, dirty connectors, greasy. Brake lights, turn signals and emergency flashers work on trailer but lights will not go on when tow vehicle headlights are turned on. The right turn signal not working on a. Trailer Turn Signals Not Working When Headlights Are On.
     
    
        From giobhamze.blob.core.windows.net 
                    Blinkers Not Working at Gilbert Durham blog Trailer Turn Signals Not Working When Headlights Are On  If the ground wire to the trailer frame or the tail light grounds are not. We have everything you need to fix your trailer running lights. Don’t worry, this guide is here to assist you. The problem you are having is a classic ground issue. Trailer lights not working when the headlights are on is due to debris around ground. Trailer Turn Signals Not Working When Headlights Are On.
     
    
        From www.aliexpress.com 
                    8x 12v 24v 3 Led Car Side Marker Lights Clearance Turn Signal Reflector Trailer Turn Signals Not Working When Headlights Are On  Trailer lights not working when the headlights are on is due to debris around ground wires, corrosive ground connections, loose and poor fitting of ground wires, dirty connectors, greasy. We’ll cover common causes of trailer lights failure, walk you through diagnosing the issue, and provide essential safety tips for your trailer trips. If the ground wire to the trailer frame. Trailer Turn Signals Not Working When Headlights Are On.
     
    
        From humblemechanic.com 
                    Why My Turn Signals Don’t Work Diagnosis Humble Mechanic Trailer Turn Signals Not Working When Headlights Are On  If the ground wire to the trailer frame or the tail light grounds are not. Brake lights, turn signals and emergency flashers work on trailer but lights will not go on when tow vehicle headlights are turned on. The right turn signal not working on a trailer. How to troubleshoot and fix trailer brake, turn signal, and daytime running lights. Trailer Turn Signals Not Working When Headlights Are On.
     
    
        From wirepartmaltreated.z22.web.core.windows.net 
                    Wiring Turn Signals Trailer Turn Signals Not Working When Headlights Are On  Trailer lights not working when the headlights are on is due to debris around ground wires, corrosive ground connections, loose and poor fitting of ground wires, dirty connectors, greasy. If the ground wire to the trailer frame or the tail light grounds are not. Are you having trouble with your trailer running lights not working? The first step in tracking. Trailer Turn Signals Not Working When Headlights Are On.
     
    
        From homeminimalisite.com 
                    Why Is My Turn Signal Light Stuck On Trailer Turn Signals Not Working When Headlights Are On  The problem you are having is a classic ground issue. All lights and turn signals work until headlights/running lights are turned on then left turn signal does not work. If the ground wire to the trailer frame or the tail light grounds are not. Don’t worry, this guide is here to assist you. Brake lights, turn signals and emergency flashers. Trailer Turn Signals Not Working When Headlights Are On.
     
    
        From fyobxitcy.blob.core.windows.net 
                    Trailer Lights Turn Signal Not Working at Lena Miller blog Trailer Turn Signals Not Working When Headlights Are On  If the trailer hitch lights are not working when the trailer is attached,. All lights and turn signals work until headlights/running lights are turned on then left turn signal does not work. How to troubleshoot and fix trailer brake, turn signal, and daytime running lights not working. Brake lights, turn signals and emergency flashers work on trailer but lights will. Trailer Turn Signals Not Working When Headlights Are On.
     
    
        From schematicazuraloireqlgya.z13.web.core.windows.net 
                    Change Front Turn Signal 2000 Silverado Trailer Turn Signals Not Working When Headlights Are On  Brake lights, turn signals and emergency flashers work on trailer but lights will not go on when tow vehicle headlights are turned on. Don’t worry, this guide is here to assist you. We have everything you need to fix your trailer running lights. The first step in tracking down the source of this problem is unhooking the trailer. All lights. Trailer Turn Signals Not Working When Headlights Are On.
     
    
        From circuitdbclupeidae.z13.web.core.windows.net 
                    Jeep Tj Right Turn Signal Not Work Trailer Turn Signals Not Working When Headlights Are On  If the trailer hitch lights are not working when the trailer is attached,. The right turn signal not working on a trailer. Brake lights, turn signals and emergency flashers work on trailer but lights will not go on when tow vehicle headlights are turned on. If the ground wire to the trailer frame or the tail light grounds are not.. Trailer Turn Signals Not Working When Headlights Are On.
     
    
        From diagramsciammicagp.z22.web.core.windows.net 
                    Wiring Schematic For Turn Signals Trailer Turn Signals Not Working When Headlights Are On  If the trailer hitch lights are not working when the trailer is attached,. The problem you are having is a classic ground issue. How to troubleshoot and fix trailer brake, turn signal, and daytime running lights not working. The first step in tracking down the source of this problem is unhooking the trailer. Brake lights, turn signals and emergency flashers. Trailer Turn Signals Not Working When Headlights Are On.
     
    
        From kaupokuebpworkshopfix.z13.web.core.windows.net 
                    Tail Lights Work But No Brake Lights Trailer Turn Signals Not Working When Headlights Are On  How to troubleshoot and fix trailer brake, turn signal, and daytime running lights not working. We have everything you need to fix your trailer running lights. If the trailer hitch lights are not working when the trailer is attached,. We’ll cover common causes of trailer lights failure, walk you through diagnosing the issue, and provide essential safety tips for your. Trailer Turn Signals Not Working When Headlights Are On.
     
    
        From www.2carpros.com 
                    Turn Signal on Passenger Rear Is Not Working? Trailer Turn Signals Not Working When Headlights Are On  How to troubleshoot and fix trailer brake, turn signal, and daytime running lights not working. Are you having trouble with your trailer running lights not working? The problem you are having is a classic ground issue. We have everything you need to fix your trailer running lights. The right turn signal not working on a trailer. We’ll cover common causes. Trailer Turn Signals Not Working When Headlights Are On.
     
    
        From circuitenginestaked.z21.web.core.windows.net 
                    Hazard Lights Work But No Turn Signals Trailer Turn Signals Not Working When Headlights Are On  If the ground wire to the trailer frame or the tail light grounds are not. We have everything you need to fix your trailer running lights. If the trailer hitch lights are not working when the trailer is attached,. How to troubleshoot and fix trailer brake, turn signal, and daytime running lights not working. The first step in tracking down. Trailer Turn Signals Not Working When Headlights Are On.
     
    
        From www.youtube.com 
                    2015up F150 Trailer Tow Brake Lights and Turn Signals Not Working Trailer Turn Signals Not Working When Headlights Are On  If the trailer hitch lights are not working when the trailer is attached,. We’ll cover common causes of trailer lights failure, walk you through diagnosing the issue, and provide essential safety tips for your trailer trips. If the ground wire to the trailer frame or the tail light grounds are not. Are you having trouble with your trailer running lights. Trailer Turn Signals Not Working When Headlights Are On.
     
    
        From www.2carpros.com 
                    Headlights and Turn Signals Not Working Headlights and Blinkers Trailer Turn Signals Not Working When Headlights Are On  All lights and turn signals work until headlights/running lights are turned on then left turn signal does not work. Are you having trouble with your trailer running lights not working? The right turn signal not working on a trailer. We’ll cover common causes of trailer lights failure, walk you through diagnosing the issue, and provide essential safety tips for your. Trailer Turn Signals Not Working When Headlights Are On.
     
    
        From fyobxitcy.blob.core.windows.net 
                    Trailer Lights Turn Signal Not Working at Lena Miller blog Trailer Turn Signals Not Working When Headlights Are On  Don’t worry, this guide is here to assist you. The problem you are having is a classic ground issue. We’ll cover common causes of trailer lights failure, walk you through diagnosing the issue, and provide essential safety tips for your trailer trips. If the trailer hitch lights are not working when the trailer is attached,. Brake lights, turn signals and. Trailer Turn Signals Not Working When Headlights Are On.
     
    
        From guidefixalcabtea7f.z4.web.core.windows.net 
                    Ford F150 Turn Signal Problem Trailer Turn Signals Not Working When Headlights Are On  Don’t worry, this guide is here to assist you. How to troubleshoot and fix trailer brake, turn signal, and daytime running lights not working. The first step in tracking down the source of this problem is unhooking the trailer. Are you having trouble with your trailer running lights not working? We have everything you need to fix your trailer running. Trailer Turn Signals Not Working When Headlights Are On.
     
    
        From enginefindley123.z4.web.core.windows.net 
                    Dodge Turn Signal Problems Trailer Turn Signals Not Working When Headlights Are On  The problem you are having is a classic ground issue. Brake lights, turn signals and emergency flashers work on trailer but lights will not go on when tow vehicle headlights are turned on. Trailer lights not working when the headlights are on is due to debris around ground wires, corrosive ground connections, loose and poor fitting of ground wires, dirty. Trailer Turn Signals Not Working When Headlights Are On.
     
    
        From enginejack99.z22.web.core.windows.net 
                    Dodge Ram Turn Signal Not Working Trailer Turn Signals Not Working When Headlights Are On  Trailer lights not working when the headlights are on is due to debris around ground wires, corrosive ground connections, loose and poor fitting of ground wires, dirty connectors, greasy. The right turn signal not working on a trailer. Don’t worry, this guide is here to assist you. Are you having trouble with your trailer running lights not working? All lights. Trailer Turn Signals Not Working When Headlights Are On.
     
    
        From www.aliexpress.com 
                    2pcs 6led Car Truck Trailer Rear Tail Stop Turn Light Indicator Lamp Trailer Turn Signals Not Working When Headlights Are On  If the ground wire to the trailer frame or the tail light grounds are not. How to troubleshoot and fix trailer brake, turn signal, and daytime running lights not working. Trailer lights not working when the headlights are on is due to debris around ground wires, corrosive ground connections, loose and poor fitting of ground wires, dirty connectors, greasy. If. Trailer Turn Signals Not Working When Headlights Are On.
     
    
        From wirelibrarydigonal.z21.web.core.windows.net 
                    How To Replace Headlight Relay Trailer Turn Signals Not Working When Headlights Are On  Trailer lights not working when the headlights are on is due to debris around ground wires, corrosive ground connections, loose and poor fitting of ground wires, dirty connectors, greasy. If the trailer hitch lights are not working when the trailer is attached,. Are you having trouble with your trailer running lights not working? All lights and turn signals work until. Trailer Turn Signals Not Working When Headlights Are On.
     
    
        From enginelibmongolians.z21.web.core.windows.net 
                    Badlands Turn Signal Module Wiring Diagram Trailer Turn Signals Not Working When Headlights Are On  Don’t worry, this guide is here to assist you. How to troubleshoot and fix trailer brake, turn signal, and daytime running lights not working. Are you having trouble with your trailer running lights not working? The problem you are having is a classic ground issue. The first step in tracking down the source of this problem is unhooking the trailer.. Trailer Turn Signals Not Working When Headlights Are On.
     
    
        From www.justanswer.com 
                    Need help finding out the issue with a new turn signal switch i bought Trailer Turn Signals Not Working When Headlights Are On  Trailer lights not working when the headlights are on is due to debris around ground wires, corrosive ground connections, loose and poor fitting of ground wires, dirty connectors, greasy. The right turn signal not working on a trailer. If the ground wire to the trailer frame or the tail light grounds are not. Are you having trouble with your trailer. Trailer Turn Signals Not Working When Headlights Are On.
     
    
        From fyobxitcy.blob.core.windows.net 
                    Trailer Lights Turn Signal Not Working at Lena Miller blog Trailer Turn Signals Not Working When Headlights Are On  Don’t worry, this guide is here to assist you. Trailer lights not working when the headlights are on is due to debris around ground wires, corrosive ground connections, loose and poor fitting of ground wires, dirty connectors, greasy. We have everything you need to fix your trailer running lights. If the trailer hitch lights are not working when the trailer. Trailer Turn Signals Not Working When Headlights Are On.
     
    
        From www.aliexpress.com 
                    4 inch Round LED Tail Light Truck Turn Signal Light Brake Stop Lamp Trailer Turn Signals Not Working When Headlights Are On  The problem you are having is a classic ground issue. The first step in tracking down the source of this problem is unhooking the trailer. If the trailer hitch lights are not working when the trailer is attached,. All lights and turn signals work until headlights/running lights are turned on then left turn signal does not work. We have everything. Trailer Turn Signals Not Working When Headlights Are On.
     
    
        From wiringdiagram.2bitboer.com 
                    2007 Chevy Silverado Turn Signal Wiring Diagram Wiring Diagram Trailer Turn Signals Not Working When Headlights Are On  We’ll cover common causes of trailer lights failure, walk you through diagnosing the issue, and provide essential safety tips for your trailer trips. If the trailer hitch lights are not working when the trailer is attached,. How to troubleshoot and fix trailer brake, turn signal, and daytime running lights not working. If the ground wire to the trailer frame or. Trailer Turn Signals Not Working When Headlights Are On.
     
    
        From diagramtaborphallus.z21.web.core.windows.net 
                    Trailer Wiring Troubleshooting Turn Signal Trailer Turn Signals Not Working When Headlights Are On  We’ll cover common causes of trailer lights failure, walk you through diagnosing the issue, and provide essential safety tips for your trailer trips. Don’t worry, this guide is here to assist you. All lights and turn signals work until headlights/running lights are turned on then left turn signal does not work. How to troubleshoot and fix trailer brake, turn signal,. Trailer Turn Signals Not Working When Headlights Are On.
     
    
        From www.youtube.com 
                    Trailer Running Lights Do NOT Work but Brake Lights and Turn Signals Do Trailer Turn Signals Not Working When Headlights Are On  If the ground wire to the trailer frame or the tail light grounds are not. If the trailer hitch lights are not working when the trailer is attached,. The problem you are having is a classic ground issue. Trailer lights not working when the headlights are on is due to debris around ground wires, corrosive ground connections, loose and poor. Trailer Turn Signals Not Working When Headlights Are On.
     
    
        From www.reddit.com 
                    3/4 Windows and Turn Signals Not Working r/mechanic Trailer Turn Signals Not Working When Headlights Are On  The right turn signal not working on a trailer. The problem you are having is a classic ground issue. If the trailer hitch lights are not working when the trailer is attached,. Brake lights, turn signals and emergency flashers work on trailer but lights will not go on when tow vehicle headlights are turned on. We’ll cover common causes of. Trailer Turn Signals Not Working When Headlights Are On.