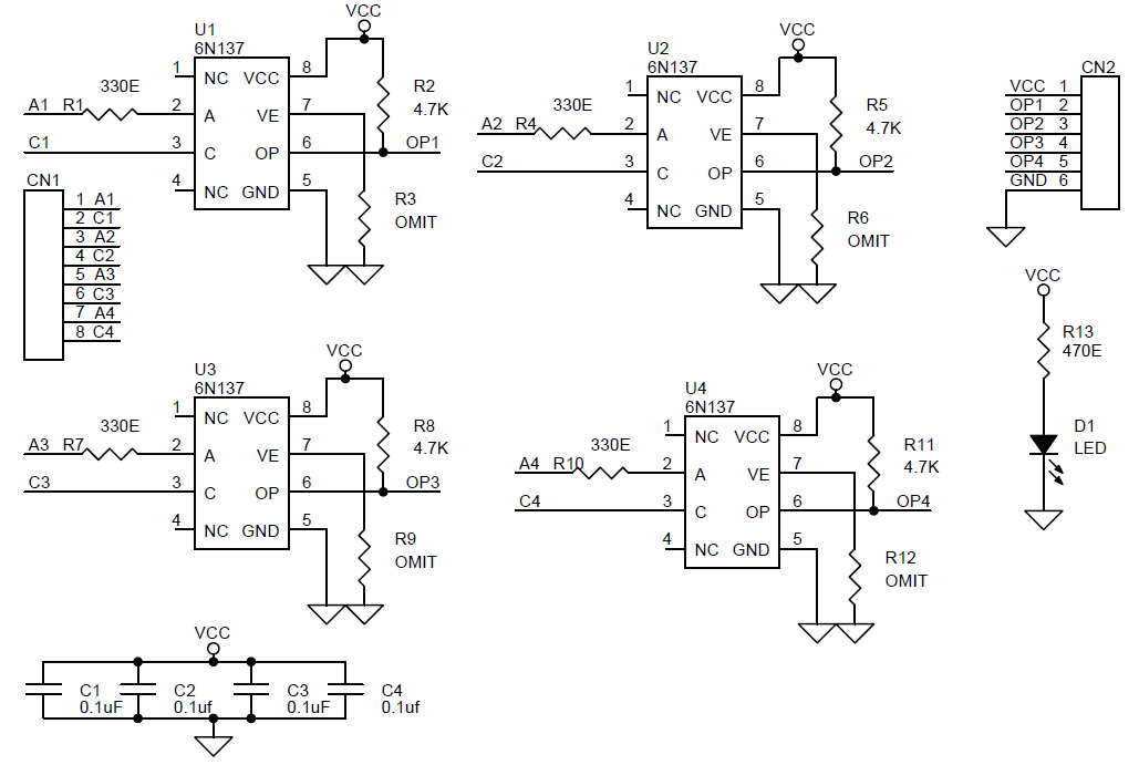
Optocoupler Nand Gate . Optocouplers can be ideally used for creating a perfectly isolated coupling across a low dc control circuit and a high ac mains based triac control circuit. The 6n137 is a high speed optocoupler or optoisolator. The use of pwm from the controller allows the optocoupler to variate power on load. One pin of the nand gate will be grounded but the other will be used to control the ic through pwm by using microcontrollers. Due to the nand gate, the ic will be active only when inputs will be low. The speciality of 6n137 is that it has a high speed led and hence can switch at 10mbit/sec the output is nand gate logic with an open. It is recommended to keep the ground. In a typical application, the power supply output voltage is monitored and compared to a reference voltage to the error amplifier inputs.
from studylib.net
One pin of the nand gate will be grounded but the other will be used to control the ic through pwm by using microcontrollers. The 6n137 is a high speed optocoupler or optoisolator. It is recommended to keep the ground. The use of pwm from the controller allows the optocoupler to variate power on load. Due to the nand gate, the ic will be active only when inputs will be low. The speciality of 6n137 is that it has a high speed led and hence can switch at 10mbit/sec the output is nand gate logic with an open. Optocouplers can be ideally used for creating a perfectly isolated coupling across a low dc control circuit and a high ac mains based triac control circuit. In a typical application, the power supply output voltage is monitored and compared to a reference voltage to the error amplifier inputs.
An isolated halfbridge driver’s function is to drive the gates... and
Optocoupler Nand Gate The use of pwm from the controller allows the optocoupler to variate power on load. Due to the nand gate, the ic will be active only when inputs will be low. The use of pwm from the controller allows the optocoupler to variate power on load. Optocouplers can be ideally used for creating a perfectly isolated coupling across a low dc control circuit and a high ac mains based triac control circuit. In a typical application, the power supply output voltage is monitored and compared to a reference voltage to the error amplifier inputs. The speciality of 6n137 is that it has a high speed led and hence can switch at 10mbit/sec the output is nand gate logic with an open. It is recommended to keep the ground. The 6n137 is a high speed optocoupler or optoisolator. One pin of the nand gate will be grounded but the other will be used to control the ic through pwm by using microcontrollers.
From studylib.net
An isolated halfbridge driver’s function is to drive the gates... and Optocoupler Nand Gate Due to the nand gate, the ic will be active only when inputs will be low. It is recommended to keep the ground. In a typical application, the power supply output voltage is monitored and compared to a reference voltage to the error amplifier inputs. The 6n137 is a high speed optocoupler or optoisolator. The speciality of 6n137 is that. Optocoupler Nand Gate.
From scionelectronics.com
HCPL3120 IGBT Gate Drive Optocoupler (Original) Scion Electronics Optocoupler Nand Gate In a typical application, the power supply output voltage is monitored and compared to a reference voltage to the error amplifier inputs. Optocouplers can be ideally used for creating a perfectly isolated coupling across a low dc control circuit and a high ac mains based triac control circuit. It is recommended to keep the ground. The speciality of 6n137 is. Optocoupler Nand Gate.
From mixtronica.com
HCPL3180000E OPTOCOUPLER, IGBT GATE DRIVE O/P Optocoupler Nand Gate The 6n137 is a high speed optocoupler or optoisolator. The speciality of 6n137 is that it has a high speed led and hence can switch at 10mbit/sec the output is nand gate logic with an open. Optocouplers can be ideally used for creating a perfectly isolated coupling across a low dc control circuit and a high ac mains based triac. Optocoupler Nand Gate.
From www.homemade-circuits.com
Optocouplers Working, Characteristics, Interfacing, Application Optocoupler Nand Gate It is recommended to keep the ground. Due to the nand gate, the ic will be active only when inputs will be low. One pin of the nand gate will be grounded but the other will be used to control the ic through pwm by using microcontrollers. The speciality of 6n137 is that it has a high speed led and. Optocoupler Nand Gate.
From www.electronics-lab.com
4 Channel OptoIsolated Module Using High Speed 6N137 Optocoupler Optocoupler Nand Gate Due to the nand gate, the ic will be active only when inputs will be low. One pin of the nand gate will be grounded but the other will be used to control the ic through pwm by using microcontrollers. The use of pwm from the controller allows the optocoupler to variate power on load. Optocouplers can be ideally used. Optocoupler Nand Gate.
From www.wiringflowline.com
Nand Gate Schematic Diagram Wiring Flow Line Optocoupler Nand Gate In a typical application, the power supply output voltage is monitored and compared to a reference voltage to the error amplifier inputs. One pin of the nand gate will be grounded but the other will be used to control the ic through pwm by using microcontrollers. Optocouplers can be ideally used for creating a perfectly isolated coupling across a low. Optocoupler Nand Gate.
From www.electricalvolt.com
how does a nand gate work Archives Electrical Volt Optocoupler Nand Gate One pin of the nand gate will be grounded but the other will be used to control the ic through pwm by using microcontrollers. Optocouplers can be ideally used for creating a perfectly isolated coupling across a low dc control circuit and a high ac mains based triac control circuit. The 6n137 is a high speed optocoupler or optoisolator. The. Optocoupler Nand Gate.
From www.eeweb.com
Smart Gate Drive Optocoupler with Integrated Flyback Controller EE Optocoupler Nand Gate The speciality of 6n137 is that it has a high speed led and hence can switch at 10mbit/sec the output is nand gate logic with an open. One pin of the nand gate will be grounded but the other will be used to control the ic through pwm by using microcontrollers. The 6n137 is a high speed optocoupler or optoisolator.. Optocoupler Nand Gate.
From playwithcircuit.com
Logic Gates in Digital Electronics Their Types, Working, and Uses Optocoupler Nand Gate The use of pwm from the controller allows the optocoupler to variate power on load. It is recommended to keep the ground. Optocouplers can be ideally used for creating a perfectly isolated coupling across a low dc control circuit and a high ac mains based triac control circuit. The speciality of 6n137 is that it has a high speed led. Optocoupler Nand Gate.
From www.electroniclinic.com
RS Flipflop Circuits using NAND Gates and NOR Gates Optocoupler Nand Gate The speciality of 6n137 is that it has a high speed led and hence can switch at 10mbit/sec the output is nand gate logic with an open. In a typical application, the power supply output voltage is monitored and compared to a reference voltage to the error amplifier inputs. The use of pwm from the controller allows the optocoupler to. Optocoupler Nand Gate.
From www.alibaba.com
High Speed Logic Gate Optocoupler Hcplm611 Sop5 High Cmr Buy High Optocoupler Nand Gate Optocouplers can be ideally used for creating a perfectly isolated coupling across a low dc control circuit and a high ac mains based triac control circuit. The use of pwm from the controller allows the optocoupler to variate power on load. Due to the nand gate, the ic will be active only when inputs will be low. In a typical. Optocoupler Nand Gate.
From microcontrollerslab.com
FOD3180 MOSFET Gate Driver Optocoupler Pinout, Features, Examples Optocoupler Nand Gate The use of pwm from the controller allows the optocoupler to variate power on load. It is recommended to keep the ground. In a typical application, the power supply output voltage is monitored and compared to a reference voltage to the error amplifier inputs. Due to the nand gate, the ic will be active only when inputs will be low.. Optocoupler Nand Gate.
From www.mouser.com
ACPL351J 5A Gate Driver Optocouplers Mouser Optocoupler Nand Gate The 6n137 is a high speed optocoupler or optoisolator. Due to the nand gate, the ic will be active only when inputs will be low. The speciality of 6n137 is that it has a high speed led and hence can switch at 10mbit/sec the output is nand gate logic with an open. In a typical application, the power supply output. Optocoupler Nand Gate.
From www.slideshare.net
IGBT/MOSFET Gate Drive Optocouplers Optocoupler Nand Gate The speciality of 6n137 is that it has a high speed led and hence can switch at 10mbit/sec the output is nand gate logic with an open. It is recommended to keep the ground. In a typical application, the power supply output voltage is monitored and compared to a reference voltage to the error amplifier inputs. The 6n137 is a. Optocoupler Nand Gate.
From www.ept.ca
Isolated gate drive optocoupler comes in 8 pin DIP package Electronic Optocoupler Nand Gate The speciality of 6n137 is that it has a high speed led and hence can switch at 10mbit/sec the output is nand gate logic with an open. One pin of the nand gate will be grounded but the other will be used to control the ic through pwm by using microcontrollers. Optocouplers can be ideally used for creating a perfectly. Optocoupler Nand Gate.
From microcontrollerslab.com
PC817 Optocoupler Pinout, Working, Applications, Example with Arduino Optocoupler Nand Gate Due to the nand gate, the ic will be active only when inputs will be low. The 6n137 is a high speed optocoupler or optoisolator. It is recommended to keep the ground. The use of pwm from the controller allows the optocoupler to variate power on load. Optocouplers can be ideally used for creating a perfectly isolated coupling across a. Optocoupler Nand Gate.
From circuitdigest.com
How to Build a NAND Gate with Transistors? Optocoupler Nand Gate The use of pwm from the controller allows the optocoupler to variate power on load. Due to the nand gate, the ic will be active only when inputs will be low. The 6n137 is a high speed optocoupler or optoisolator. Optocouplers can be ideally used for creating a perfectly isolated coupling across a low dc control circuit and a high. Optocoupler Nand Gate.
From www.ept.ca
Isolated gate drive optocouplers deliver high current, fast switching Optocoupler Nand Gate Due to the nand gate, the ic will be active only when inputs will be low. It is recommended to keep the ground. In a typical application, the power supply output voltage is monitored and compared to a reference voltage to the error amplifier inputs. One pin of the nand gate will be grounded but the other will be used. Optocoupler Nand Gate.
From studylib.net
IGBT/MOSFET Gate Drive Optocoupler Optocoupler Nand Gate One pin of the nand gate will be grounded but the other will be used to control the ic through pwm by using microcontrollers. Due to the nand gate, the ic will be active only when inputs will be low. The speciality of 6n137 is that it has a high speed led and hence can switch at 10mbit/sec the output. Optocoupler Nand Gate.
From www.dnatechindia.com
Buy HCPL A3020, A3020 IGBT Gate Drive Optocoupler in India from DNA Optocoupler Nand Gate The use of pwm from the controller allows the optocoupler to variate power on load. In a typical application, the power supply output voltage is monitored and compared to a reference voltage to the error amplifier inputs. Optocouplers can be ideally used for creating a perfectly isolated coupling across a low dc control circuit and a high ac mains based. Optocoupler Nand Gate.
From studylib.net
HighSpeed/Logic Gate Optocoupler (SFH67XX Series) Optocoupler Nand Gate Due to the nand gate, the ic will be active only when inputs will be low. The use of pwm from the controller allows the optocoupler to variate power on load. One pin of the nand gate will be grounded but the other will be used to control the ic through pwm by using microcontrollers. It is recommended to keep. Optocoupler Nand Gate.
From www.build-electronic-circuits.com
NAND Gate Logic Gates Tutorial Optocoupler Nand Gate The use of pwm from the controller allows the optocoupler to variate power on load. The speciality of 6n137 is that it has a high speed led and hence can switch at 10mbit/sec the output is nand gate logic with an open. Due to the nand gate, the ic will be active only when inputs will be low. One pin. Optocoupler Nand Gate.
From wiringfixforelied.z21.web.core.windows.net
Basic Logic Gates Using Nand Gate Optocoupler Nand Gate In a typical application, the power supply output voltage is monitored and compared to a reference voltage to the error amplifier inputs. The 6n137 is a high speed optocoupler or optoisolator. Due to the nand gate, the ic will be active only when inputs will be low. One pin of the nand gate will be grounded but the other will. Optocoupler Nand Gate.
From stuffdad.weebly.com
Gate driver circuit for mosfet using optocoupler stuffdad Optocoupler Nand Gate Due to the nand gate, the ic will be active only when inputs will be low. It is recommended to keep the ground. In a typical application, the power supply output voltage is monitored and compared to a reference voltage to the error amplifier inputs. The 6n137 is a high speed optocoupler or optoisolator. The speciality of 6n137 is that. Optocoupler Nand Gate.
From www.gsnetwork.com
NAND Gate How to Build Using Transistors Optocoupler Nand Gate In a typical application, the power supply output voltage is monitored and compared to a reference voltage to the error amplifier inputs. Due to the nand gate, the ic will be active only when inputs will be low. It is recommended to keep the ground. The speciality of 6n137 is that it has a high speed led and hence can. Optocoupler Nand Gate.
From www.desperado-gerlafingen.ch
HCPL3150V A3150V 0.5 Amp Output Current IGBT Gate Drive Optocoupler Optocoupler Nand Gate In a typical application, the power supply output voltage is monitored and compared to a reference voltage to the error amplifier inputs. The 6n137 is a high speed optocoupler or optoisolator. It is recommended to keep the ground. The use of pwm from the controller allows the optocoupler to variate power on load. The speciality of 6n137 is that it. Optocoupler Nand Gate.
From electronics.stackexchange.com
transistors Optocoupler circuit to shift from 3.3V to 15V Optocoupler Nand Gate In a typical application, the power supply output voltage is monitored and compared to a reference voltage to the error amplifier inputs. The speciality of 6n137 is that it has a high speed led and hence can switch at 10mbit/sec the output is nand gate logic with an open. It is recommended to keep the ground. Optocouplers can be ideally. Optocoupler Nand Gate.
From electronics.stackexchange.com
opto isolator Using an optocoupler to separate a 420 mA loop Optocoupler Nand Gate Due to the nand gate, the ic will be active only when inputs will be low. The 6n137 is a high speed optocoupler or optoisolator. The use of pwm from the controller allows the optocoupler to variate power on load. In a typical application, the power supply output voltage is monitored and compared to a reference voltage to the error. Optocoupler Nand Gate.
From www.eeweb.com
Smart Gate Drive Optocoupler with Integrated Flyback Controller EE Optocoupler Nand Gate Due to the nand gate, the ic will be active only when inputs will be low. In a typical application, the power supply output voltage is monitored and compared to a reference voltage to the error amplifier inputs. The speciality of 6n137 is that it has a high speed led and hence can switch at 10mbit/sec the output is nand. Optocoupler Nand Gate.
From www.rs-online.vn
HCPL3120300E DC Input Transistor Output Optocoupler Optocoupler Nand Gate One pin of the nand gate will be grounded but the other will be used to control the ic through pwm by using microcontrollers. The use of pwm from the controller allows the optocoupler to variate power on load. Due to the nand gate, the ic will be active only when inputs will be low. In a typical application, the. Optocoupler Nand Gate.
From alhekmh.com
HCPL316J ; 2.5 Amp IGBT Gate Drive Optocoupler, SO16W Optocoupler Nand Gate The speciality of 6n137 is that it has a high speed led and hence can switch at 10mbit/sec the output is nand gate logic with an open. The 6n137 is a high speed optocoupler or optoisolator. Optocouplers can be ideally used for creating a perfectly isolated coupling across a low dc control circuit and a high ac mains based triac. Optocoupler Nand Gate.
From www.electroniclinic.com
Logic NAND Gate Working Principle & Circuit Diagram Optocoupler Nand Gate The speciality of 6n137 is that it has a high speed led and hence can switch at 10mbit/sec the output is nand gate logic with an open. Optocouplers can be ideally used for creating a perfectly isolated coupling across a low dc control circuit and a high ac mains based triac control circuit. One pin of the nand gate will. Optocoupler Nand Gate.
From e2e.ti.com
Optocouplers and siliconbased galvanic isolation technology how do Optocoupler Nand Gate The use of pwm from the controller allows the optocoupler to variate power on load. The 6n137 is a high speed optocoupler or optoisolator. Optocouplers can be ideally used for creating a perfectly isolated coupling across a low dc control circuit and a high ac mains based triac control circuit. In a typical application, the power supply output voltage is. Optocoupler Nand Gate.
From studylib.net
6N137 10MBit/s High Speed Logic Gate Optocoupler Optocoupler Nand Gate In a typical application, the power supply output voltage is monitored and compared to a reference voltage to the error amplifier inputs. Optocouplers can be ideally used for creating a perfectly isolated coupling across a low dc control circuit and a high ac mains based triac control circuit. The speciality of 6n137 is that it has a high speed led. Optocoupler Nand Gate.
From www.bristolwatch.com
NonInverting High Voltage Optocoupler TriState Circuit Optocoupler Nand Gate The 6n137 is a high speed optocoupler or optoisolator. One pin of the nand gate will be grounded but the other will be used to control the ic through pwm by using microcontrollers. Due to the nand gate, the ic will be active only when inputs will be low. Optocouplers can be ideally used for creating a perfectly isolated coupling. Optocoupler Nand Gate.