Gearbox Final Drive Bearing . In this post, we are going to discuss the types of bearings in your final drive hydraulic motor. If you’ve been pouring the proper amount of oil and yet, its level in the gearbox is too high, the problem might lie in the worn out bearings/seal between the final drive motor and the gearbox. We'll also look at the different functions they serve, signs of bearing failure, the aftermath of failure, and how to prevent bearing failure. Dyco swing bearings and gears are designed and manufactured to meet or exceed oem manufacturers standards. In this case, simply replace them and the oil level should get back to normal. Bearings serve a variety of purposes in a final drive, such as maintaining the alignment and position of shafts and gears.
from hongjue.en.made-in-china.com
In this case, simply replace them and the oil level should get back to normal. In this post, we are going to discuss the types of bearings in your final drive hydraulic motor. Bearings serve a variety of purposes in a final drive, such as maintaining the alignment and position of shafts and gears. Dyco swing bearings and gears are designed and manufactured to meet or exceed oem manufacturers standards. If you’ve been pouring the proper amount of oil and yet, its level in the gearbox is too high, the problem might lie in the worn out bearings/seal between the final drive motor and the gearbox. We'll also look at the different functions they serve, signs of bearing failure, the aftermath of failure, and how to prevent bearing failure.
Excavator Gear Box Bearings for Dh370 China Excavator Bearigs and
Gearbox Final Drive Bearing Dyco swing bearings and gears are designed and manufactured to meet or exceed oem manufacturers standards. In this post, we are going to discuss the types of bearings in your final drive hydraulic motor. In this case, simply replace them and the oil level should get back to normal. We'll also look at the different functions they serve, signs of bearing failure, the aftermath of failure, and how to prevent bearing failure. Bearings serve a variety of purposes in a final drive, such as maintaining the alignment and position of shafts and gears. Dyco swing bearings and gears are designed and manufactured to meet or exceed oem manufacturers standards. If you’ve been pouring the proper amount of oil and yet, its level in the gearbox is too high, the problem might lie in the worn out bearings/seal between the final drive motor and the gearbox.
From largiader.com
Final drives Gearbox Final Drive Bearing Bearings serve a variety of purposes in a final drive, such as maintaining the alignment and position of shafts and gears. Dyco swing bearings and gears are designed and manufactured to meet or exceed oem manufacturers standards. We'll also look at the different functions they serve, signs of bearing failure, the aftermath of failure, and how to prevent bearing failure.. Gearbox Final Drive Bearing.
From www.wbsgear.com
Swing Gearbox Final Drive Assembly ReducerManufacturer of Gearbox Final Drive Bearing In this post, we are going to discuss the types of bearings in your final drive hydraulic motor. We'll also look at the different functions they serve, signs of bearing failure, the aftermath of failure, and how to prevent bearing failure. In this case, simply replace them and the oil level should get back to normal. Dyco swing bearings and. Gearbox Final Drive Bearing.
From www.dhgate.com
2020 Final Drive Trave Gearbox Gear 37T 6I 6493 With Bearing Gearbox Final Drive Bearing We'll also look at the different functions they serve, signs of bearing failure, the aftermath of failure, and how to prevent bearing failure. If you’ve been pouring the proper amount of oil and yet, its level in the gearbox is too high, the problem might lie in the worn out bearings/seal between the final drive motor and the gearbox. In. Gearbox Final Drive Bearing.
From tractorkarvan.com
Final Drive in Tractor Types & Components Gearbox Final Drive Bearing Bearings serve a variety of purposes in a final drive, such as maintaining the alignment and position of shafts and gears. Dyco swing bearings and gears are designed and manufactured to meet or exceed oem manufacturers standards. We'll also look at the different functions they serve, signs of bearing failure, the aftermath of failure, and how to prevent bearing failure.. Gearbox Final Drive Bearing.
From www.kraftradteile.com
BAKER Main Drive Gear Bearing Upgrade Kit, OEM 6Speed 2006/2007 up Gearbox Final Drive Bearing Bearings serve a variety of purposes in a final drive, such as maintaining the alignment and position of shafts and gears. We'll also look at the different functions they serve, signs of bearing failure, the aftermath of failure, and how to prevent bearing failure. In this case, simply replace them and the oil level should get back to normal. In. Gearbox Final Drive Bearing.
From workshop-manuals.com
SEAT Service and Repair Manuals > Leon Mk1 > Automatic gearbox Gearbox Final Drive Bearing We'll also look at the different functions they serve, signs of bearing failure, the aftermath of failure, and how to prevent bearing failure. In this post, we are going to discuss the types of bearings in your final drive hydraulic motor. Bearings serve a variety of purposes in a final drive, such as maintaining the alignment and position of shafts. Gearbox Final Drive Bearing.
From www.eliseparts.com
Differential Bearing PG1 Gearbox CDU85 EliseParts Gearbox Final Drive Bearing Bearings serve a variety of purposes in a final drive, such as maintaining the alignment and position of shafts and gears. If you’ve been pouring the proper amount of oil and yet, its level in the gearbox is too high, the problem might lie in the worn out bearings/seal between the final drive motor and the gearbox. In this case,. Gearbox Final Drive Bearing.
From tomson.com.pl
Quaife QRE13C final drive Opel/Vauxhall Astra with F18, F20 gearbox 4. Gearbox Final Drive Bearing Bearings serve a variety of purposes in a final drive, such as maintaining the alignment and position of shafts and gears. We'll also look at the different functions they serve, signs of bearing failure, the aftermath of failure, and how to prevent bearing failure. In this post, we are going to discuss the types of bearings in your final drive. Gearbox Final Drive Bearing.
From www.psbearings.com
Gear Final Drives Bearing PS Bearings MFG Limited Gearbox Final Drive Bearing In this post, we are going to discuss the types of bearings in your final drive hydraulic motor. In this case, simply replace them and the oil level should get back to normal. Bearings serve a variety of purposes in a final drive, such as maintaining the alignment and position of shafts and gears. Dyco swing bearings and gears are. Gearbox Final Drive Bearing.
From www.youtube.com
m32 gearbox after final drive change and new bearings YouTube Gearbox Final Drive Bearing If you’ve been pouring the proper amount of oil and yet, its level in the gearbox is too high, the problem might lie in the worn out bearings/seal between the final drive motor and the gearbox. We'll also look at the different functions they serve, signs of bearing failure, the aftermath of failure, and how to prevent bearing failure. In. Gearbox Final Drive Bearing.
From www.psbearings.com
Gear Final Drives Bearing PS Bearings MFG Limited Gearbox Final Drive Bearing In this post, we are going to discuss the types of bearings in your final drive hydraulic motor. In this case, simply replace them and the oil level should get back to normal. Bearings serve a variety of purposes in a final drive, such as maintaining the alignment and position of shafts and gears. We'll also look at the different. Gearbox Final Drive Bearing.
From www.ruangmesin.com
Final Drive Pada Alat Berat, Struktur Berikut Cara Kerjanya Blog Gearbox Final Drive Bearing Dyco swing bearings and gears are designed and manufactured to meet or exceed oem manufacturers standards. Bearings serve a variety of purposes in a final drive, such as maintaining the alignment and position of shafts and gears. In this case, simply replace them and the oil level should get back to normal. In this post, we are going to discuss. Gearbox Final Drive Bearing.
From www.moto-renzo.biz
Moto Renzo Bearing Bevel Gear (Final Drive) Moto Guzzi Gearbox Final Drive Bearing Bearings serve a variety of purposes in a final drive, such as maintaining the alignment and position of shafts and gears. If you’ve been pouring the proper amount of oil and yet, its level in the gearbox is too high, the problem might lie in the worn out bearings/seal between the final drive motor and the gearbox. In this case,. Gearbox Final Drive Bearing.
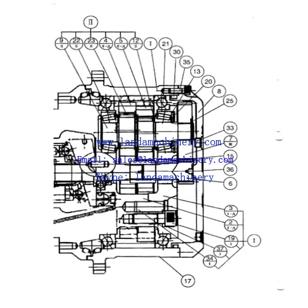
From www.landamachinery.com
Home Products Parts for Sumitomo Excavators Trasmission system Gearbox Final Drive Bearing Dyco swing bearings and gears are designed and manufactured to meet or exceed oem manufacturers standards. In this post, we are going to discuss the types of bearings in your final drive hydraulic motor. In this case, simply replace them and the oil level should get back to normal. Bearings serve a variety of purposes in a final drive, such. Gearbox Final Drive Bearing.
From workshop-manuals.com
Audi Manuals > A4 Mk3 > Power transmission > Servicing 7speed Gearbox Final Drive Bearing If you’ve been pouring the proper amount of oil and yet, its level in the gearbox is too high, the problem might lie in the worn out bearings/seal between the final drive motor and the gearbox. In this case, simply replace them and the oil level should get back to normal. In this post, we are going to discuss the. Gearbox Final Drive Bearing.
From workshop-manuals.com
Audi A5 Automatic Gearbox 0B6 Front Final Drive Exploded View Gearbox Final Drive Bearing Bearings serve a variety of purposes in a final drive, such as maintaining the alignment and position of shafts and gears. Dyco swing bearings and gears are designed and manufactured to meet or exceed oem manufacturers standards. If you’ve been pouring the proper amount of oil and yet, its level in the gearbox is too high, the problem might lie. Gearbox Final Drive Bearing.
From www.eubmw.com
BMW R1200GS Right Angle Gearbox Final Drive Gearbox Final Drive Bearing If you’ve been pouring the proper amount of oil and yet, its level in the gearbox is too high, the problem might lie in the worn out bearings/seal between the final drive motor and the gearbox. We'll also look at the different functions they serve, signs of bearing failure, the aftermath of failure, and how to prevent bearing failure. Bearings. Gearbox Final Drive Bearing.
From www.cmsnl.com
BEARING,FINAL DRIVE GEAR for LTF400FZ KING QUAD 2014 (L4) USA (E03 Gearbox Final Drive Bearing In this post, we are going to discuss the types of bearings in your final drive hydraulic motor. In this case, simply replace them and the oil level should get back to normal. Bearings serve a variety of purposes in a final drive, such as maintaining the alignment and position of shafts and gears. We'll also look at the different. Gearbox Final Drive Bearing.
From hongjue.en.made-in-china.com
Excavator Gear Box Bearings for Dh370 China Excavator Bearigs and Gearbox Final Drive Bearing In this post, we are going to discuss the types of bearings in your final drive hydraulic motor. Dyco swing bearings and gears are designed and manufactured to meet or exceed oem manufacturers standards. We'll also look at the different functions they serve, signs of bearing failure, the aftermath of failure, and how to prevent bearing failure. If you’ve been. Gearbox Final Drive Bearing.
From www.nskbearingcatalogue.com
How to choose automotive gearbox bearings correctly? Gearbox Final Drive Bearing If you’ve been pouring the proper amount of oil and yet, its level in the gearbox is too high, the problem might lie in the worn out bearings/seal between the final drive motor and the gearbox. We'll also look at the different functions they serve, signs of bearing failure, the aftermath of failure, and how to prevent bearing failure. In. Gearbox Final Drive Bearing.
From avspare.com
8G0278 FINAL DRIVE GROUPPART 2 OF 2 SERIAL NO. 26Z199 TO 26Z221 Gearbox Final Drive Bearing Dyco swing bearings and gears are designed and manufactured to meet or exceed oem manufacturers standards. We'll also look at the different functions they serve, signs of bearing failure, the aftermath of failure, and how to prevent bearing failure. In this post, we are going to discuss the types of bearings in your final drive hydraulic motor. In this case,. Gearbox Final Drive Bearing.
From compressedairducation.com
Bull Gear The Driving Force Compressedairducation Gearbox Final Drive Bearing We'll also look at the different functions they serve, signs of bearing failure, the aftermath of failure, and how to prevent bearing failure. Dyco swing bearings and gears are designed and manufactured to meet or exceed oem manufacturers standards. Bearings serve a variety of purposes in a final drive, such as maintaining the alignment and position of shafts and gears.. Gearbox Final Drive Bearing.
From www.novi.com.tr
5V7222 Gear, Final Drives Novi Group Gearbox Final Drive Bearing In this post, we are going to discuss the types of bearings in your final drive hydraulic motor. Dyco swing bearings and gears are designed and manufactured to meet or exceed oem manufacturers standards. We'll also look at the different functions they serve, signs of bearing failure, the aftermath of failure, and how to prevent bearing failure. If you’ve been. Gearbox Final Drive Bearing.
From www.agkits.com
Caterpillar Final Drive Gear, 2S3946 Gearbox Final Drive Bearing We'll also look at the different functions they serve, signs of bearing failure, the aftermath of failure, and how to prevent bearing failure. Dyco swing bearings and gears are designed and manufactured to meet or exceed oem manufacturers standards. If you’ve been pouring the proper amount of oil and yet, its level in the gearbox is too high, the problem. Gearbox Final Drive Bearing.
From workshop-manuals.com
SEAT Service and Repair Manuals > Leon Mk1 > Automatic gearbox Gearbox Final Drive Bearing In this post, we are going to discuss the types of bearings in your final drive hydraulic motor. We'll also look at the different functions they serve, signs of bearing failure, the aftermath of failure, and how to prevent bearing failure. Bearings serve a variety of purposes in a final drive, such as maintaining the alignment and position of shafts. Gearbox Final Drive Bearing.
From www.excavatorhydraulic-parts.com
Belparts Excavator Travel Gearbox For Komatsu PC708 Excavator Final Gearbox Final Drive Bearing In this post, we are going to discuss the types of bearings in your final drive hydraulic motor. Bearings serve a variety of purposes in a final drive, such as maintaining the alignment and position of shafts and gears. In this case, simply replace them and the oil level should get back to normal. We'll also look at the different. Gearbox Final Drive Bearing.
From www.gearbox-excavator.com
EX3505 ZX360 Gearbox Final Drive Housing EX3005 EX3306 1022194 Gearbox Final Drive Bearing Bearings serve a variety of purposes in a final drive, such as maintaining the alignment and position of shafts and gears. Dyco swing bearings and gears are designed and manufactured to meet or exceed oem manufacturers standards. In this post, we are going to discuss the types of bearings in your final drive hydraulic motor. In this case, simply replace. Gearbox Final Drive Bearing.
From www.wxinggroup.com
China Customized Excavator Final Drive Travel Gearbox Bearing 7117 Gearbox Final Drive Bearing We'll also look at the different functions they serve, signs of bearing failure, the aftermath of failure, and how to prevent bearing failure. Bearings serve a variety of purposes in a final drive, such as maintaining the alignment and position of shafts and gears. Dyco swing bearings and gears are designed and manufactured to meet or exceed oem manufacturers standards.. Gearbox Final Drive Bearing.
From partssupplymiami.com
Final Drive Parts Supply Miami, Inc Same Day Shipping Gearbox Final Drive Bearing Bearings serve a variety of purposes in a final drive, such as maintaining the alignment and position of shafts and gears. We'll also look at the different functions they serve, signs of bearing failure, the aftermath of failure, and how to prevent bearing failure. In this case, simply replace them and the oil level should get back to normal. If. Gearbox Final Drive Bearing.
From natoli.com
UPPER GEARBOX BEARING Gearbox Final Drive Bearing Bearings serve a variety of purposes in a final drive, such as maintaining the alignment and position of shafts and gears. We'll also look at the different functions they serve, signs of bearing failure, the aftermath of failure, and how to prevent bearing failure. In this post, we are going to discuss the types of bearings in your final drive. Gearbox Final Drive Bearing.
From www.psbearings.com
Gear Final Drives Bearing PS Bearings MFG Limited Gearbox Final Drive Bearing Bearings serve a variety of purposes in a final drive, such as maintaining the alignment and position of shafts and gears. We'll also look at the different functions they serve, signs of bearing failure, the aftermath of failure, and how to prevent bearing failure. Dyco swing bearings and gears are designed and manufactured to meet or exceed oem manufacturers standards.. Gearbox Final Drive Bearing.
From lotuselan.net
Gearbox Input Shaft / spigot bearing Drive Train / Gearbox / Final Gearbox Final Drive Bearing We'll also look at the different functions they serve, signs of bearing failure, the aftermath of failure, and how to prevent bearing failure. If you’ve been pouring the proper amount of oil and yet, its level in the gearbox is too high, the problem might lie in the worn out bearings/seal between the final drive motor and the gearbox. Bearings. Gearbox Final Drive Bearing.
From www.hrparts.com
What is a Final Drive with Final Drive Diagram Gearbox Final Drive Bearing In this post, we are going to discuss the types of bearings in your final drive hydraulic motor. If you’ve been pouring the proper amount of oil and yet, its level in the gearbox is too high, the problem might lie in the worn out bearings/seal between the final drive motor and the gearbox. Dyco swing bearings and gears are. Gearbox Final Drive Bearing.
From www.windpowerengineering.com
Lessons learned lead to new ideas in gearbox bearings Gearbox Final Drive Bearing Bearings serve a variety of purposes in a final drive, such as maintaining the alignment and position of shafts and gears. We'll also look at the different functions they serve, signs of bearing failure, the aftermath of failure, and how to prevent bearing failure. Dyco swing bearings and gears are designed and manufactured to meet or exceed oem manufacturers standards.. Gearbox Final Drive Bearing.
From www.moto-renzo.biz
Moto Renzo Bearing Bevel Gear (Final Drive) Moto Guzzi Gearbox Final Drive Bearing In this post, we are going to discuss the types of bearings in your final drive hydraulic motor. We'll also look at the different functions they serve, signs of bearing failure, the aftermath of failure, and how to prevent bearing failure. Dyco swing bearings and gears are designed and manufactured to meet or exceed oem manufacturers standards. Bearings serve a. Gearbox Final Drive Bearing.