Dual Channel Audio Amplifier Circuit . The amplifier ic is designed as bridge mode. A6283 is dual channel stereo audio amplifier built in thermal shutdown protection. It's easy, small without adjusting, and. I built about a dozen different audio amplifier. 6283 ic is best suitable for low and medium power high quality stereo audio amplifier. In this tutorial, i’ll show you how to build a great sounding audio amplifier with the lm386 low voltage audio power amplifier. La4440 is a two channel audio power amplifier ic with inbuilt in dual channels enables it for stereo and bridge. Tda7297 is a dual bridge audio amplifier ic, and it can provide the output wattage of 15 watts per dual channel ( 15 watts + 15 watts). Tda7297 ic is a stereo dual bridge, class ab dual channel audio amplifier. See stk4231ii and build a 2 channel ocl 100w stereo audio amplifier circuit with pcb layout.
from www.circuits-diy.com
Tda7297 is a dual bridge audio amplifier ic, and it can provide the output wattage of 15 watts per dual channel ( 15 watts + 15 watts). In this tutorial, i’ll show you how to build a great sounding audio amplifier with the lm386 low voltage audio power amplifier. 6283 ic is best suitable for low and medium power high quality stereo audio amplifier. Tda7297 ic is a stereo dual bridge, class ab dual channel audio amplifier. It's easy, small without adjusting, and. La4440 is a two channel audio power amplifier ic with inbuilt in dual channels enables it for stereo and bridge. I built about a dozen different audio amplifier. See stk4231ii and build a 2 channel ocl 100w stereo audio amplifier circuit with pcb layout. A6283 is dual channel stereo audio amplifier built in thermal shutdown protection. The amplifier ic is designed as bridge mode.
Two Transistor Audio Amplifier Circuit
Dual Channel Audio Amplifier Circuit See stk4231ii and build a 2 channel ocl 100w stereo audio amplifier circuit with pcb layout. See stk4231ii and build a 2 channel ocl 100w stereo audio amplifier circuit with pcb layout. La4440 is a two channel audio power amplifier ic with inbuilt in dual channels enables it for stereo and bridge. In this tutorial, i’ll show you how to build a great sounding audio amplifier with the lm386 low voltage audio power amplifier. Tda7297 ic is a stereo dual bridge, class ab dual channel audio amplifier. Tda7297 is a dual bridge audio amplifier ic, and it can provide the output wattage of 15 watts per dual channel ( 15 watts + 15 watts). I built about a dozen different audio amplifier. A6283 is dual channel stereo audio amplifier built in thermal shutdown protection. It's easy, small without adjusting, and. 6283 ic is best suitable for low and medium power high quality stereo audio amplifier. The amplifier ic is designed as bridge mode.
From www.eleccircuit.com
STK4231II 2 channel 100w stereo audio amplifier circuit Elec Dual Channel Audio Amplifier Circuit Tda7297 ic is a stereo dual bridge, class ab dual channel audio amplifier. The amplifier ic is designed as bridge mode. It's easy, small without adjusting, and. A6283 is dual channel stereo audio amplifier built in thermal shutdown protection. In this tutorial, i’ll show you how to build a great sounding audio amplifier with the lm386 low voltage audio power. Dual Channel Audio Amplifier Circuit.
From www.aliexpress.com
Dual channel Audio Power Amplifier Module Wireless BT 4.0 120W + 120W Dual Channel Audio Amplifier Circuit Tda7297 is a dual bridge audio amplifier ic, and it can provide the output wattage of 15 watts per dual channel ( 15 watts + 15 watts). La4440 is a two channel audio power amplifier ic with inbuilt in dual channels enables it for stereo and bridge. 6283 ic is best suitable for low and medium power high quality stereo. Dual Channel Audio Amplifier Circuit.
From www.aliexpress.com
Dual channel Audio Amplifier Board Module 120W + 120W Digital Stereo Dual Channel Audio Amplifier Circuit The amplifier ic is designed as bridge mode. It's easy, small without adjusting, and. Tda7297 is a dual bridge audio amplifier ic, and it can provide the output wattage of 15 watts per dual channel ( 15 watts + 15 watts). In this tutorial, i’ll show you how to build a great sounding audio amplifier with the lm386 low voltage. Dual Channel Audio Amplifier Circuit.
From www.icstation.com
TDA7297 Dual Channel Audio Amplifier DIY Kit 15W+15W Power Dual Channel Audio Amplifier Circuit I built about a dozen different audio amplifier. The amplifier ic is designed as bridge mode. Tda7297 is a dual bridge audio amplifier ic, and it can provide the output wattage of 15 watts per dual channel ( 15 watts + 15 watts). See stk4231ii and build a 2 channel ocl 100w stereo audio amplifier circuit with pcb layout. Tda7297. Dual Channel Audio Amplifier Circuit.
From www.circuitstoday.com
Mutichannel audio mixer circuit based on LM3900 IC. Four channels. Dual Channel Audio Amplifier Circuit La4440 is a two channel audio power amplifier ic with inbuilt in dual channels enables it for stereo and bridge. In this tutorial, i’ll show you how to build a great sounding audio amplifier with the lm386 low voltage audio power amplifier. Tda7297 ic is a stereo dual bridge, class ab dual channel audio amplifier. I built about a dozen. Dual Channel Audio Amplifier Circuit.
From robu.in
XHM312 TPA3118D2 45W*2 Digital Amplifier Board Dual Channel Audio Dual Channel Audio Amplifier Circuit I built about a dozen different audio amplifier. La4440 is a two channel audio power amplifier ic with inbuilt in dual channels enables it for stereo and bridge. The amplifier ic is designed as bridge mode. Tda7297 is a dual bridge audio amplifier ic, and it can provide the output wattage of 15 watts per dual channel ( 15 watts. Dual Channel Audio Amplifier Circuit.
From smartpuls.ru
Dualchannel audio power amplifier XHM543 (2x50W) class D chip Dual Channel Audio Amplifier Circuit Tda7297 ic is a stereo dual bridge, class ab dual channel audio amplifier. A6283 is dual channel stereo audio amplifier built in thermal shutdown protection. La4440 is a two channel audio power amplifier ic with inbuilt in dual channels enables it for stereo and bridge. I built about a dozen different audio amplifier. The amplifier ic is designed as bridge. Dual Channel Audio Amplifier Circuit.
From www.seekic.com
LA4533MDual channel power amplifier integrated circuit Amplifier Dual Channel Audio Amplifier Circuit In this tutorial, i’ll show you how to build a great sounding audio amplifier with the lm386 low voltage audio power amplifier. Tda7297 is a dual bridge audio amplifier ic, and it can provide the output wattage of 15 watts per dual channel ( 15 watts + 15 watts). It's easy, small without adjusting, and. Tda7297 ic is a stereo. Dual Channel Audio Amplifier Circuit.
From www.electronicsforu.com
A Simple Audio Amplifier With Dual Power Source Full DIY Project Dual Channel Audio Amplifier Circuit The amplifier ic is designed as bridge mode. Tda7297 is a dual bridge audio amplifier ic, and it can provide the output wattage of 15 watts per dual channel ( 15 watts + 15 watts). Tda7297 ic is a stereo dual bridge, class ab dual channel audio amplifier. It's easy, small without adjusting, and. See stk4231ii and build a 2. Dual Channel Audio Amplifier Circuit.
From wireenginepaul.z19.web.core.windows.net
Circuit Diagram For Audio Amplifier Dual Channel Audio Amplifier Circuit Tda7297 is a dual bridge audio amplifier ic, and it can provide the output wattage of 15 watts per dual channel ( 15 watts + 15 watts). I built about a dozen different audio amplifier. It's easy, small without adjusting, and. In this tutorial, i’ll show you how to build a great sounding audio amplifier with the lm386 low voltage. Dual Channel Audio Amplifier Circuit.
From www.theorycircuit.com
6283 Audio Amplifier Circuit Dual Channel Audio Amplifier Circuit See stk4231ii and build a 2 channel ocl 100w stereo audio amplifier circuit with pcb layout. In this tutorial, i’ll show you how to build a great sounding audio amplifier with the lm386 low voltage audio power amplifier. It's easy, small without adjusting, and. 6283 ic is best suitable for low and medium power high quality stereo audio amplifier. Tda7297. Dual Channel Audio Amplifier Circuit.
From www.electronicshub.org
Multi Channel Audio Mixer Circuit using LM3900 Dual Channel Audio Amplifier Circuit In this tutorial, i’ll show you how to build a great sounding audio amplifier with the lm386 low voltage audio power amplifier. I built about a dozen different audio amplifier. A6283 is dual channel stereo audio amplifier built in thermal shutdown protection. See stk4231ii and build a 2 channel ocl 100w stereo audio amplifier circuit with pcb layout. Tda7297 ic. Dual Channel Audio Amplifier Circuit.
From schematicdiagram8.blogspot.com
Cd4440 Amplifier Circuit Diagram / Audio Amplifier Circuit Board 4440 Dual Channel Audio Amplifier Circuit In this tutorial, i’ll show you how to build a great sounding audio amplifier with the lm386 low voltage audio power amplifier. See stk4231ii and build a 2 channel ocl 100w stereo audio amplifier circuit with pcb layout. 6283 ic is best suitable for low and medium power high quality stereo audio amplifier. I built about a dozen different audio. Dual Channel Audio Amplifier Circuit.
From www.aliexpress.com
TDA7498 DC 14 34V Amplifier Board of Class D 2X100W Dual Channel Audio Dual Channel Audio Amplifier Circuit I built about a dozen different audio amplifier. La4440 is a two channel audio power amplifier ic with inbuilt in dual channels enables it for stereo and bridge. Tda7297 ic is a stereo dual bridge, class ab dual channel audio amplifier. The amplifier ic is designed as bridge mode. It's easy, small without adjusting, and. In this tutorial, i’ll show. Dual Channel Audio Amplifier Circuit.
From www.build-electronic-circuits.com
The Simplest Audio Amplifier Circuit Diagram Dual Channel Audio Amplifier Circuit See stk4231ii and build a 2 channel ocl 100w stereo audio amplifier circuit with pcb layout. The amplifier ic is designed as bridge mode. 6283 ic is best suitable for low and medium power high quality stereo audio amplifier. I built about a dozen different audio amplifier. It's easy, small without adjusting, and. La4440 is a two channel audio power. Dual Channel Audio Amplifier Circuit.
From wiring10.blogspot.com
Tda7297 Amplifier Circuit Diagram TDA7297 Stereo Amplifier TechSaw Dual Channel Audio Amplifier Circuit I built about a dozen different audio amplifier. See stk4231ii and build a 2 channel ocl 100w stereo audio amplifier circuit with pcb layout. La4440 is a two channel audio power amplifier ic with inbuilt in dual channels enables it for stereo and bridge. The amplifier ic is designed as bridge mode. Tda7297 is a dual bridge audio amplifier ic,. Dual Channel Audio Amplifier Circuit.
From thaipick.com
ZK502H Power Amplifier Dual Channel Stereo Circuit Board PCB Digital Dual Channel Audio Amplifier Circuit Tda7297 is a dual bridge audio amplifier ic, and it can provide the output wattage of 15 watts per dual channel ( 15 watts + 15 watts). See stk4231ii and build a 2 channel ocl 100w stereo audio amplifier circuit with pcb layout. Tda7297 ic is a stereo dual bridge, class ab dual channel audio amplifier. It's easy, small without. Dual Channel Audio Amplifier Circuit.
From www.aliexpress.com
TA8227 3W+3W Dual Channel Audio Amplifier Circuit D8227 DIP 12in Dual Channel Audio Amplifier Circuit La4440 is a two channel audio power amplifier ic with inbuilt in dual channels enables it for stereo and bridge. It's easy, small without adjusting, and. In this tutorial, i’ll show you how to build a great sounding audio amplifier with the lm386 low voltage audio power amplifier. 6283 ic is best suitable for low and medium power high quality. Dual Channel Audio Amplifier Circuit.
From www.aliexpress.com
AC/DC 12V TDA7297 2x15W Digital Audio Amplifier Module DIY Kit Dual Dual Channel Audio Amplifier Circuit Tda7297 is a dual bridge audio amplifier ic, and it can provide the output wattage of 15 watts per dual channel ( 15 watts + 15 watts). A6283 is dual channel stereo audio amplifier built in thermal shutdown protection. La4440 is a two channel audio power amplifier ic with inbuilt in dual channels enables it for stereo and bridge. In. Dual Channel Audio Amplifier Circuit.
From www.aliexpress.com
CNIKESIN TPA3116D2 Dual channel Stereo High Power Digital Audio Power Dual Channel Audio Amplifier Circuit 6283 ic is best suitable for low and medium power high quality stereo audio amplifier. In this tutorial, i’ll show you how to build a great sounding audio amplifier with the lm386 low voltage audio power amplifier. Tda7297 is a dual bridge audio amplifier ic, and it can provide the output wattage of 15 watts per dual channel ( 15. Dual Channel Audio Amplifier Circuit.
From smartpuls.ru
Dualchannel audio power amplifier XHM543 (2x50W) class D chip Dual Channel Audio Amplifier Circuit In this tutorial, i’ll show you how to build a great sounding audio amplifier with the lm386 low voltage audio power amplifier. It's easy, small without adjusting, and. I built about a dozen different audio amplifier. Tda7297 is a dual bridge audio amplifier ic, and it can provide the output wattage of 15 watts per dual channel ( 15 watts. Dual Channel Audio Amplifier Circuit.
From www.seekic.com
The dual channel audio power amplifier circuit Amplifier_Circuit Dual Channel Audio Amplifier Circuit Tda7297 is a dual bridge audio amplifier ic, and it can provide the output wattage of 15 watts per dual channel ( 15 watts + 15 watts). La4440 is a two channel audio power amplifier ic with inbuilt in dual channels enables it for stereo and bridge. It's easy, small without adjusting, and. Tda7297 ic is a stereo dual bridge,. Dual Channel Audio Amplifier Circuit.
From tronicspro.com
100W Audio Amplifier Circuit using TIP3055 TRONICSpro Dual Channel Audio Amplifier Circuit A6283 is dual channel stereo audio amplifier built in thermal shutdown protection. The amplifier ic is designed as bridge mode. La4440 is a two channel audio power amplifier ic with inbuilt in dual channels enables it for stereo and bridge. Tda7297 ic is a stereo dual bridge, class ab dual channel audio amplifier. See stk4231ii and build a 2 channel. Dual Channel Audio Amplifier Circuit.
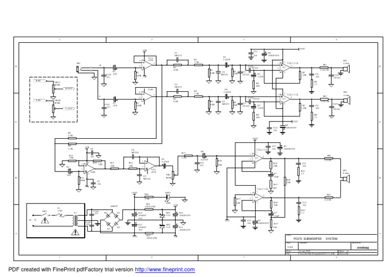
From www.scribd.com
Design schematic for a dual channel audio amplifier circuit utilizing Dual Channel Audio Amplifier Circuit A6283 is dual channel stereo audio amplifier built in thermal shutdown protection. Tda7297 ic is a stereo dual bridge, class ab dual channel audio amplifier. The amplifier ic is designed as bridge mode. La4440 is a two channel audio power amplifier ic with inbuilt in dual channels enables it for stereo and bridge. I built about a dozen different audio. Dual Channel Audio Amplifier Circuit.
From www.amazon.co.uk
12V Amplifier Board, DROK 15W+15W 2.0 Dual Channel Audio Amplifier Dual Channel Audio Amplifier Circuit A6283 is dual channel stereo audio amplifier built in thermal shutdown protection. 6283 ic is best suitable for low and medium power high quality stereo audio amplifier. It's easy, small without adjusting, and. The amplifier ic is designed as bridge mode. See stk4231ii and build a 2 channel ocl 100w stereo audio amplifier circuit with pcb layout. Tda7297 is a. Dual Channel Audio Amplifier Circuit.
From smartpuls.ru
Dualchannel audio power amplifier XHM543 (2x50W) class D chip Dual Channel Audio Amplifier Circuit I built about a dozen different audio amplifier. A6283 is dual channel stereo audio amplifier built in thermal shutdown protection. Tda7297 is a dual bridge audio amplifier ic, and it can provide the output wattage of 15 watts per dual channel ( 15 watts + 15 watts). See stk4231ii and build a 2 channel ocl 100w stereo audio amplifier circuit. Dual Channel Audio Amplifier Circuit.
From circuitlistcreolize88.z22.web.core.windows.net
Dual Channel Amplifier Circuit Diagram Dual Channel Audio Amplifier Circuit The amplifier ic is designed as bridge mode. In this tutorial, i’ll show you how to build a great sounding audio amplifier with the lm386 low voltage audio power amplifier. I built about a dozen different audio amplifier. Tda7297 ic is a stereo dual bridge, class ab dual channel audio amplifier. A6283 is dual channel stereo audio amplifier built in. Dual Channel Audio Amplifier Circuit.
From www.aliexpress.com
TDA7498E 160W+160W BTL Power Dual Channel Audio Stereo Digital Dual Channel Audio Amplifier Circuit Tda7297 ic is a stereo dual bridge, class ab dual channel audio amplifier. La4440 is a two channel audio power amplifier ic with inbuilt in dual channels enables it for stereo and bridge. See stk4231ii and build a 2 channel ocl 100w stereo audio amplifier circuit with pcb layout. The amplifier ic is designed as bridge mode. I built about. Dual Channel Audio Amplifier Circuit.
From www.pixelelectric.com
XHM164 NE5532 Dual Channel Audio Amplifier Board 1224V AC Dual Channel Audio Amplifier Circuit It's easy, small without adjusting, and. La4440 is a two channel audio power amplifier ic with inbuilt in dual channels enables it for stereo and bridge. The amplifier ic is designed as bridge mode. 6283 ic is best suitable for low and medium power high quality stereo audio amplifier. Tda7297 is a dual bridge audio amplifier ic, and it can. Dual Channel Audio Amplifier Circuit.
From www.aliexpress.com
2x100W TPA3116 D2 Dual Channel Digital Audio Amplifier Board 12V 24Vin Dual Channel Audio Amplifier Circuit La4440 is a two channel audio power amplifier ic with inbuilt in dual channels enables it for stereo and bridge. I built about a dozen different audio amplifier. 6283 ic is best suitable for low and medium power high quality stereo audio amplifier. See stk4231ii and build a 2 channel ocl 100w stereo audio amplifier circuit with pcb layout. It's. Dual Channel Audio Amplifier Circuit.
From www.aliexpress.com
Dual Channel Audio Stereo Amplifier Board XH M510 TDA7498 DC 14 34V Dual Channel Audio Amplifier Circuit It's easy, small without adjusting, and. Tda7297 ic is a stereo dual bridge, class ab dual channel audio amplifier. In this tutorial, i’ll show you how to build a great sounding audio amplifier with the lm386 low voltage audio power amplifier. I built about a dozen different audio amplifier. Tda7297 is a dual bridge audio amplifier ic, and it can. Dual Channel Audio Amplifier Circuit.
From bestengineeringprojects.com
Stereo Amplifier Circuit Diagram Engineering Projects Dual Channel Audio Amplifier Circuit In this tutorial, i’ll show you how to build a great sounding audio amplifier with the lm386 low voltage audio power amplifier. A6283 is dual channel stereo audio amplifier built in thermal shutdown protection. I built about a dozen different audio amplifier. The amplifier ic is designed as bridge mode. La4440 is a two channel audio power amplifier ic with. Dual Channel Audio Amplifier Circuit.
From www.circuitstoday.com
2 x 60 W audio amplifier circuit Dual Channel Audio Amplifier Circuit In this tutorial, i’ll show you how to build a great sounding audio amplifier with the lm386 low voltage audio power amplifier. See stk4231ii and build a 2 channel ocl 100w stereo audio amplifier circuit with pcb layout. The amplifier ic is designed as bridge mode. I built about a dozen different audio amplifier. La4440 is a two channel audio. Dual Channel Audio Amplifier Circuit.
From www.youtube.com
600W Dual Channel Audio Amplifier 6 SC5200 + 6SA1943 YouTube Dual Channel Audio Amplifier Circuit 6283 ic is best suitable for low and medium power high quality stereo audio amplifier. See stk4231ii and build a 2 channel ocl 100w stereo audio amplifier circuit with pcb layout. Tda7297 is a dual bridge audio amplifier ic, and it can provide the output wattage of 15 watts per dual channel ( 15 watts + 15 watts). La4440 is. Dual Channel Audio Amplifier Circuit.
From www.circuits-diy.com
Two Transistor Audio Amplifier Circuit Dual Channel Audio Amplifier Circuit See stk4231ii and build a 2 channel ocl 100w stereo audio amplifier circuit with pcb layout. A6283 is dual channel stereo audio amplifier built in thermal shutdown protection. Tda7297 ic is a stereo dual bridge, class ab dual channel audio amplifier. I built about a dozen different audio amplifier. La4440 is a two channel audio power amplifier ic with inbuilt. Dual Channel Audio Amplifier Circuit.