Vrf Electrical Wiring Diagram . The following pages present an overview of multi v variable refrigerant flow (vrf) control installation concepts, and are. The diagram provides a visual representation of how the different components of the vrf system are connected, including the power supply, control wiring, and. • highly dangerous electrical voltages are used in this system. Carefully refer to the wiring diagram and these instructions when wiring. This document outlines the electrical requirements for an hvac system, including: Understanding the vrf schematic diagram is essential for properly designing and troubleshooting variable refrigerant flow (vrf) systems. • do not supply power to the unit until all wiring and tubing are completed or reconnected and checked. The vrf schematic diagram provides a visual representation of how the system is designed and installed. 1) power cabling details like cable size, max length, and mccb ratings. • highly dangerous electrical voltages. The schematic diagram provides a visual representation of the system components, flow
from rattibha.com
The diagram provides a visual representation of how the different components of the vrf system are connected, including the power supply, control wiring, and. Carefully refer to the wiring diagram and these instructions when wiring. The following pages present an overview of multi v variable refrigerant flow (vrf) control installation concepts, and are. The schematic diagram provides a visual representation of the system components, flow 1) power cabling details like cable size, max length, and mccb ratings. Understanding the vrf schematic diagram is essential for properly designing and troubleshooting variable refrigerant flow (vrf) systems. • highly dangerous electrical voltages are used in this system. This document outlines the electrical requirements for an hvac system, including: The vrf schematic diagram provides a visual representation of how the system is designed and installed. • highly dangerous electrical voltages.
يعد نظام التكييف VRF من أكثر الانظمة التي تحتاج الى خبره عالية في
Vrf Electrical Wiring Diagram 1) power cabling details like cable size, max length, and mccb ratings. The following pages present an overview of multi v variable refrigerant flow (vrf) control installation concepts, and are. The diagram provides a visual representation of how the different components of the vrf system are connected, including the power supply, control wiring, and. 1) power cabling details like cable size, max length, and mccb ratings. The vrf schematic diagram provides a visual representation of how the system is designed and installed. • highly dangerous electrical voltages. This document outlines the electrical requirements for an hvac system, including: • do not supply power to the unit until all wiring and tubing are completed or reconnected and checked. • highly dangerous electrical voltages are used in this system. Understanding the vrf schematic diagram is essential for properly designing and troubleshooting variable refrigerant flow (vrf) systems. The schematic diagram provides a visual representation of the system components, flow Carefully refer to the wiring diagram and these instructions when wiring.
From www.youtube.com
VRV/VRF System Block Diagram Part 2 YouTube Vrf Electrical Wiring Diagram This document outlines the electrical requirements for an hvac system, including: • do not supply power to the unit until all wiring and tubing are completed or reconnected and checked. • highly dangerous electrical voltages. • highly dangerous electrical voltages are used in this system. The diagram provides a visual representation of how the different components of the vrf system. Vrf Electrical Wiring Diagram.
From www.researchgate.net
Schematic of a threepipe VRV/VRF system, including metering and Vrf Electrical Wiring Diagram This document outlines the electrical requirements for an hvac system, including: • do not supply power to the unit until all wiring and tubing are completed or reconnected and checked. The following pages present an overview of multi v variable refrigerant flow (vrf) control installation concepts, and are. The vrf schematic diagram provides a visual representation of how the system. Vrf Electrical Wiring Diagram.
From joinmwmki.blob.core.windows.net
Vrf Ac System Advantages And Disadvantages at Middleton blog Vrf Electrical Wiring Diagram Understanding the vrf schematic diagram is essential for properly designing and troubleshooting variable refrigerant flow (vrf) systems. The schematic diagram provides a visual representation of the system components, flow 1) power cabling details like cable size, max length, and mccb ratings. Carefully refer to the wiring diagram and these instructions when wiring. • do not supply power to the unit. Vrf Electrical Wiring Diagram.
From www.temperzone.biz
FSXN1 (Set Free) Vrf Electrical Wiring Diagram • highly dangerous electrical voltages. The diagram provides a visual representation of how the different components of the vrf system are connected, including the power supply, control wiring, and. 1) power cabling details like cable size, max length, and mccb ratings. The vrf schematic diagram provides a visual representation of how the system is designed and installed. The following pages. Vrf Electrical Wiring Diagram.
From mavink.com
Vrf Piping Diagram Vrf Electrical Wiring Diagram The diagram provides a visual representation of how the different components of the vrf system are connected, including the power supply, control wiring, and. This document outlines the electrical requirements for an hvac system, including: The following pages present an overview of multi v variable refrigerant flow (vrf) control installation concepts, and are. Understanding the vrf schematic diagram is essential. Vrf Electrical Wiring Diagram.
From www.researchgate.net
VRF air source System Schematic Download Scientific Diagram Vrf Electrical Wiring Diagram • do not supply power to the unit until all wiring and tubing are completed or reconnected and checked. This document outlines the electrical requirements for an hvac system, including: Understanding the vrf schematic diagram is essential for properly designing and troubleshooting variable refrigerant flow (vrf) systems. 1) power cabling details like cable size, max length, and mccb ratings. •. Vrf Electrical Wiring Diagram.
From download-app.co
Piping Diagram For Vrv System New Wiring Diagram 2018 Downloadapp.co Vrf Electrical Wiring Diagram Understanding the vrf schematic diagram is essential for properly designing and troubleshooting variable refrigerant flow (vrf) systems. 1) power cabling details like cable size, max length, and mccb ratings. This document outlines the electrical requirements for an hvac system, including: • highly dangerous electrical voltages. The vrf schematic diagram provides a visual representation of how the system is designed and. Vrf Electrical Wiring Diagram.
From www.ferguson.com
What Is VRF in HVAC? Vrf Electrical Wiring Diagram The schematic diagram provides a visual representation of the system components, flow • highly dangerous electrical voltages. • highly dangerous electrical voltages are used in this system. Understanding the vrf schematic diagram is essential for properly designing and troubleshooting variable refrigerant flow (vrf) systems. • do not supply power to the unit until all wiring and tubing are completed or. Vrf Electrical Wiring Diagram.
From www.youtube.com
Mini VRF Control Wiring Addressing VRF,VRV Wiring Diagram Indoor Vrf Electrical Wiring Diagram The following pages present an overview of multi v variable refrigerant flow (vrf) control installation concepts, and are. Carefully refer to the wiring diagram and these instructions when wiring. This document outlines the electrical requirements for an hvac system, including: 1) power cabling details like cable size, max length, and mccb ratings. The schematic diagram provides a visual representation of. Vrf Electrical Wiring Diagram.
From cache613.blogspot.com
[22+] Trane Mitsubishi Vrf Wiring Diagram, Wiring Diagram Mitsubishi Vrf Electrical Wiring Diagram The vrf schematic diagram provides a visual representation of how the system is designed and installed. Understanding the vrf schematic diagram is essential for properly designing and troubleshooting variable refrigerant flow (vrf) systems. • highly dangerous electrical voltages. The diagram provides a visual representation of how the different components of the vrf system are connected, including the power supply, control. Vrf Electrical Wiring Diagram.
From wirecrafted.com
Ins and Outs of VRF System Wiring Vrf Electrical Wiring Diagram The diagram provides a visual representation of how the different components of the vrf system are connected, including the power supply, control wiring, and. • do not supply power to the unit until all wiring and tubing are completed or reconnected and checked. Carefully refer to the wiring diagram and these instructions when wiring. • highly dangerous electrical voltages are. Vrf Electrical Wiring Diagram.
From www.mtpindo.co.id
Apa itu VRV / VRF? MASTERCOOL BATAM Vrf Electrical Wiring Diagram • highly dangerous electrical voltages. Understanding the vrf schematic diagram is essential for properly designing and troubleshooting variable refrigerant flow (vrf) systems. • do not supply power to the unit until all wiring and tubing are completed or reconnected and checked. The following pages present an overview of multi v variable refrigerant flow (vrf) control installation concepts, and are. The. Vrf Electrical Wiring Diagram.
From schematicwiringgrant.z13.web.core.windows.net
Vrf Electrical Wiring Diagram Vrf Electrical Wiring Diagram This document outlines the electrical requirements for an hvac system, including: The schematic diagram provides a visual representation of the system components, flow • highly dangerous electrical voltages are used in this system. 1) power cabling details like cable size, max length, and mccb ratings. Carefully refer to the wiring diagram and these instructions when wiring. The following pages present. Vrf Electrical Wiring Diagram.
From mavink.com
Vrf Piping Diagram Vrf Electrical Wiring Diagram This document outlines the electrical requirements for an hvac system, including: 1) power cabling details like cable size, max length, and mccb ratings. • do not supply power to the unit until all wiring and tubing are completed or reconnected and checked. The following pages present an overview of multi v variable refrigerant flow (vrf) control installation concepts, and are.. Vrf Electrical Wiring Diagram.
From www.pinterest.com
VRF System sample Piping diagram.. Arial Engineering Services Hvac Vrf Electrical Wiring Diagram Understanding the vrf schematic diagram is essential for properly designing and troubleshooting variable refrigerant flow (vrf) systems. Carefully refer to the wiring diagram and these instructions when wiring. • do not supply power to the unit until all wiring and tubing are completed or reconnected and checked. • highly dangerous electrical voltages. This document outlines the electrical requirements for an. Vrf Electrical Wiring Diagram.
From wiremanualboehm.z19.web.core.windows.net
Mitsubishi Vrf Wiring Diagram Vrf Electrical Wiring Diagram • highly dangerous electrical voltages. • highly dangerous electrical voltages are used in this system. The schematic diagram provides a visual representation of the system components, flow Understanding the vrf schematic diagram is essential for properly designing and troubleshooting variable refrigerant flow (vrf) systems. Carefully refer to the wiring diagram and these instructions when wiring. 1) power cabling details like. Vrf Electrical Wiring Diagram.
From www.bharatagritech.com
What Is A VRF HVAC System And How Does It Work? Cooper, 59 OFF Vrf Electrical Wiring Diagram The following pages present an overview of multi v variable refrigerant flow (vrf) control installation concepts, and are. The diagram provides a visual representation of how the different components of the vrf system are connected, including the power supply, control wiring, and. Carefully refer to the wiring diagram and these instructions when wiring. The schematic diagram provides a visual representation. Vrf Electrical Wiring Diagram.
From www.pinterest.com
VRV or VRF Electrical Connection Hvac air conditioning, Refrigeration Vrf Electrical Wiring Diagram This document outlines the electrical requirements for an hvac system, including: The schematic diagram provides a visual representation of the system components, flow • highly dangerous electrical voltages. The following pages present an overview of multi v variable refrigerant flow (vrf) control installation concepts, and are. • highly dangerous electrical voltages are used in this system. • do not supply. Vrf Electrical Wiring Diagram.
From handcraftingblog.blogspot.com
Vrf Electrical Wiring Diagram Hand Crafting Vrf Electrical Wiring Diagram The diagram provides a visual representation of how the different components of the vrf system are connected, including the power supply, control wiring, and. This document outlines the electrical requirements for an hvac system, including: The schematic diagram provides a visual representation of the system components, flow Carefully refer to the wiring diagram and these instructions when wiring. Understanding the. Vrf Electrical Wiring Diagram.
From www.wiringboards.com
Vrf Ac Wiring Diagram Wiring Boards Vrf Electrical Wiring Diagram The vrf schematic diagram provides a visual representation of how the system is designed and installed. The schematic diagram provides a visual representation of the system components, flow Understanding the vrf schematic diagram is essential for properly designing and troubleshooting variable refrigerant flow (vrf) systems. Carefully refer to the wiring diagram and these instructions when wiring. • highly dangerous electrical. Vrf Electrical Wiring Diagram.
From news.cision.com
Hybrid VRF schematic Mitsubishi Electric Living Environmental Systems Vrf Electrical Wiring Diagram Carefully refer to the wiring diagram and these instructions when wiring. • do not supply power to the unit until all wiring and tubing are completed or reconnected and checked. 1) power cabling details like cable size, max length, and mccb ratings. Understanding the vrf schematic diagram is essential for properly designing and troubleshooting variable refrigerant flow (vrf) systems. The. Vrf Electrical Wiring Diagram.
From techdiagrammer.com
A Comprehensive Guide to Understanding VRF Schematic Diagrams Vrf Electrical Wiring Diagram The vrf schematic diagram provides a visual representation of how the system is designed and installed. • highly dangerous electrical voltages are used in this system. This document outlines the electrical requirements for an hvac system, including: Understanding the vrf schematic diagram is essential for properly designing and troubleshooting variable refrigerant flow (vrf) systems. 1) power cabling details like cable. Vrf Electrical Wiring Diagram.
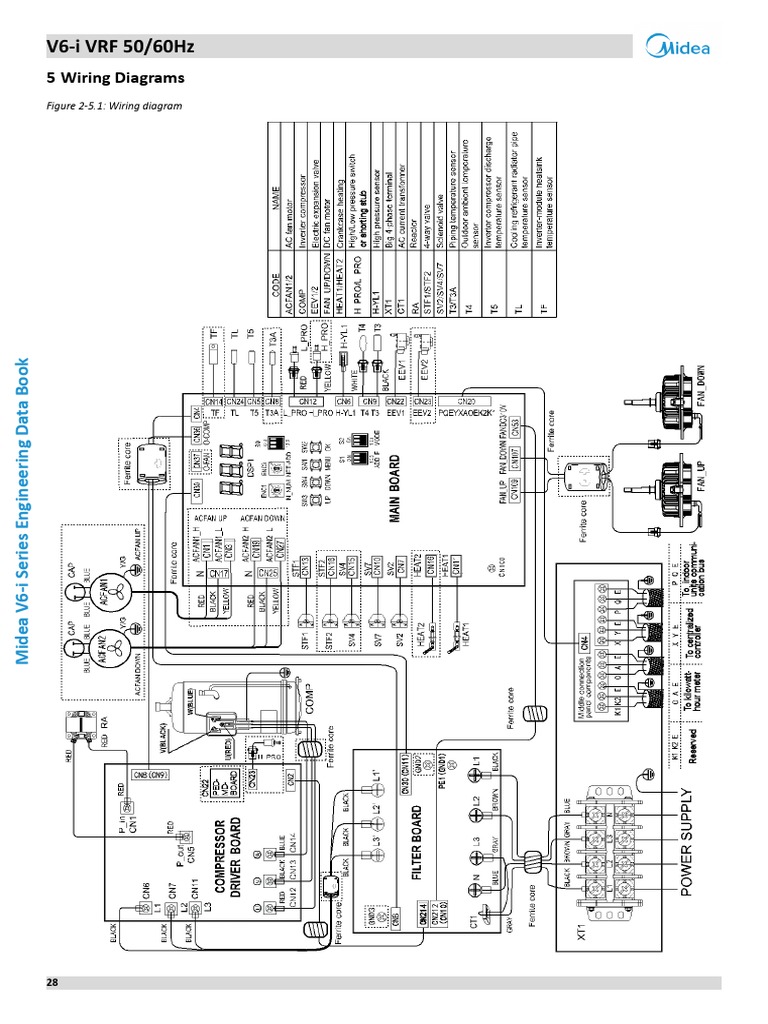
From www.scribd.com
Wiring Diagram V6I VRF Midea PDF Fuse (Electrical) Physical Vrf Electrical Wiring Diagram 1) power cabling details like cable size, max length, and mccb ratings. The vrf schematic diagram provides a visual representation of how the system is designed and installed. • highly dangerous electrical voltages. Understanding the vrf schematic diagram is essential for properly designing and troubleshooting variable refrigerant flow (vrf) systems. The diagram provides a visual representation of how the different. Vrf Electrical Wiring Diagram.
From mavink.com
Vrf Piping Diagram Vrf Electrical Wiring Diagram The schematic diagram provides a visual representation of the system components, flow The vrf schematic diagram provides a visual representation of how the system is designed and installed. The diagram provides a visual representation of how the different components of the vrf system are connected, including the power supply, control wiring, and. This document outlines the electrical requirements for an. Vrf Electrical Wiring Diagram.
From www.icmairconditioning.com
VRF Electric Vrf Electrical Wiring Diagram 1) power cabling details like cable size, max length, and mccb ratings. This document outlines the electrical requirements for an hvac system, including: • highly dangerous electrical voltages are used in this system. The diagram provides a visual representation of how the different components of the vrf system are connected, including the power supply, control wiring, and. • highly dangerous. Vrf Electrical Wiring Diagram.
From techtricbd.com
A Complete Guide to VRF System Techtric BD Vrf Electrical Wiring Diagram • highly dangerous electrical voltages are used in this system. The schematic diagram provides a visual representation of the system components, flow The diagram provides a visual representation of how the different components of the vrf system are connected, including the power supply, control wiring, and. 1) power cabling details like cable size, max length, and mccb ratings. This document. Vrf Electrical Wiring Diagram.
From mungfali.com
VRV Air Conditioning System Diagram Vrf Electrical Wiring Diagram • do not supply power to the unit until all wiring and tubing are completed or reconnected and checked. The diagram provides a visual representation of how the different components of the vrf system are connected, including the power supply, control wiring, and. The vrf schematic diagram provides a visual representation of how the system is designed and installed. The. Vrf Electrical Wiring Diagram.
From www.diagramcircuit.com
Vrf Ac Wiring Diagram Diagram Circuit Vrf Electrical Wiring Diagram Understanding the vrf schematic diagram is essential for properly designing and troubleshooting variable refrigerant flow (vrf) systems. The vrf schematic diagram provides a visual representation of how the system is designed and installed. • highly dangerous electrical voltages. 1) power cabling details like cable size, max length, and mccb ratings. The schematic diagram provides a visual representation of the system. Vrf Electrical Wiring Diagram.
From guidefixmuiceta.z22.web.core.windows.net
Inverter Ac Outdoor Unit Wiring Diagram Vrf Electrical Wiring Diagram 1) power cabling details like cable size, max length, and mccb ratings. The vrf schematic diagram provides a visual representation of how the system is designed and installed. Understanding the vrf schematic diagram is essential for properly designing and troubleshooting variable refrigerant flow (vrf) systems. • highly dangerous electrical voltages. The diagram provides a visual representation of how the different. Vrf Electrical Wiring Diagram.
From www.cibsejournal.com
Module 51 Air source VRF systems for flexible room heating and cooling Vrf Electrical Wiring Diagram The diagram provides a visual representation of how the different components of the vrf system are connected, including the power supply, control wiring, and. • highly dangerous electrical voltages. The following pages present an overview of multi v variable refrigerant flow (vrf) control installation concepts, and are. 1) power cabling details like cable size, max length, and mccb ratings. The. Vrf Electrical Wiring Diagram.
From rattibha.com
يعد نظام التكييف VRF من أكثر الانظمة التي تحتاج الى خبره عالية في Vrf Electrical Wiring Diagram The vrf schematic diagram provides a visual representation of how the system is designed and installed. The schematic diagram provides a visual representation of the system components, flow • do not supply power to the unit until all wiring and tubing are completed or reconnected and checked. 1) power cabling details like cable size, max length, and mccb ratings. The. Vrf Electrical Wiring Diagram.
From www.pinterest.at
Hey, in this article we are going to see the complete EOT crane Wiring Vrf Electrical Wiring Diagram Carefully refer to the wiring diagram and these instructions when wiring. The following pages present an overview of multi v variable refrigerant flow (vrf) control installation concepts, and are. This document outlines the electrical requirements for an hvac system, including: Understanding the vrf schematic diagram is essential for properly designing and troubleshooting variable refrigerant flow (vrf) systems. 1) power cabling. Vrf Electrical Wiring Diagram.
From mitsubishi-electric.co.nz
What is Hybrid VRF? // Mitsubishi Electric City Multi Hybrid VRF Vrf Electrical Wiring Diagram • do not supply power to the unit until all wiring and tubing are completed or reconnected and checked. Carefully refer to the wiring diagram and these instructions when wiring. This document outlines the electrical requirements for an hvac system, including: The schematic diagram provides a visual representation of the system components, flow • highly dangerous electrical voltages. The diagram. Vrf Electrical Wiring Diagram.
From wiringdiagramall.blogspot.com
Vrf Ac Wiring Diagram Vrf Electrical Wiring Diagram The vrf schematic diagram provides a visual representation of how the system is designed and installed. • highly dangerous electrical voltages are used in this system. 1) power cabling details like cable size, max length, and mccb ratings. The diagram provides a visual representation of how the different components of the vrf system are connected, including the power supply, control. Vrf Electrical Wiring Diagram.
From www.youtube.com
VRF Control Wiring Connection VRV Wiring Diagram And Connection VRF Vrf Electrical Wiring Diagram This document outlines the electrical requirements for an hvac system, including: The following pages present an overview of multi v variable refrigerant flow (vrf) control installation concepts, and are. Understanding the vrf schematic diagram is essential for properly designing and troubleshooting variable refrigerant flow (vrf) systems. The schematic diagram provides a visual representation of the system components, flow 1) power. Vrf Electrical Wiring Diagram.