Digital Thermometer Using 8051 Project Report . the aim of this project is to design and develop a digital thermometer using the 8051 microcontroller. 8051 microcontroller (at89c51) based digital thermometer with. The circuit is based on lm35 analog temperature sensor, adc0804 and at89s51 microcontroller. this blog will delve into the intricacies of designing and implementing a digital thermometer using the versatile. This project is designed to overcome the drawbacks of a traditional laboratory thermometer which has a limited measuring range. the document describes a digital thermometer circuit using an 8051 microcontroller. It uses an lm35 temperature sensor to sense ambient. creating a digital thermometer using 8051 microcontrollerthis video explains to you.
from aposentadoriadigital.blogspot.com
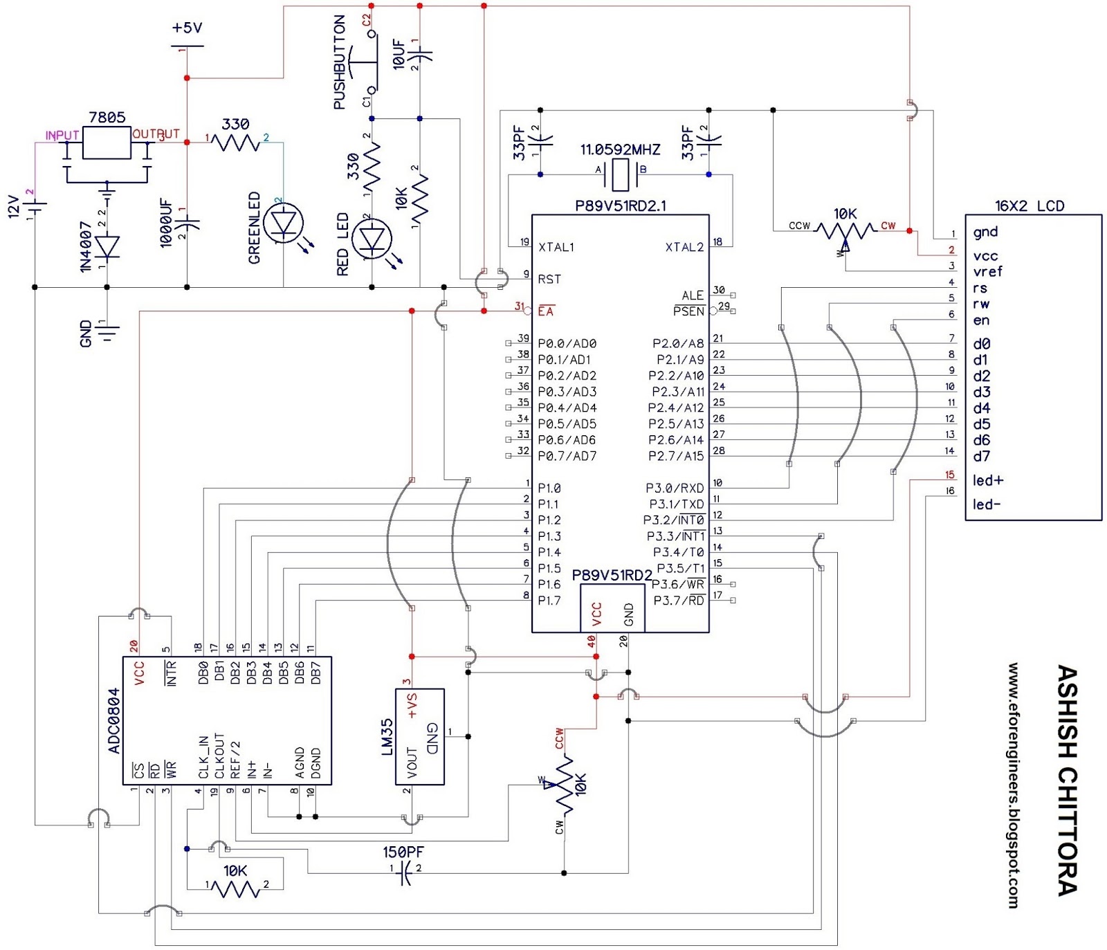
the aim of this project is to design and develop a digital thermometer using the 8051 microcontroller. The circuit is based on lm35 analog temperature sensor, adc0804 and at89s51 microcontroller. This project is designed to overcome the drawbacks of a traditional laboratory thermometer which has a limited measuring range. this blog will delve into the intricacies of designing and implementing a digital thermometer using the versatile. It uses an lm35 temperature sensor to sense ambient. the document describes a digital thermometer circuit using an 8051 microcontroller. 8051 microcontroller (at89c51) based digital thermometer with. creating a digital thermometer using 8051 microcontrollerthis video explains to you.
Digital Thermometer Using 8051
Digital Thermometer Using 8051 Project Report This project is designed to overcome the drawbacks of a traditional laboratory thermometer which has a limited measuring range. It uses an lm35 temperature sensor to sense ambient. this blog will delve into the intricacies of designing and implementing a digital thermometer using the versatile. the aim of this project is to design and develop a digital thermometer using the 8051 microcontroller. This project is designed to overcome the drawbacks of a traditional laboratory thermometer which has a limited measuring range. creating a digital thermometer using 8051 microcontrollerthis video explains to you. 8051 microcontroller (at89c51) based digital thermometer with. the document describes a digital thermometer circuit using an 8051 microcontroller. The circuit is based on lm35 analog temperature sensor, adc0804 and at89s51 microcontroller.
From www.scribd.com
LCD Based Digital Alarm Clock With Digital Thermometer Using 8051 Digital Thermometer Using 8051 Project Report It uses an lm35 temperature sensor to sense ambient. The circuit is based on lm35 analog temperature sensor, adc0804 and at89s51 microcontroller. the document describes a digital thermometer circuit using an 8051 microcontroller. the aim of this project is to design and develop a digital thermometer using the 8051 microcontroller. creating a digital thermometer using 8051 microcontrollerthis. Digital Thermometer Using 8051 Project Report.
From aposentadoriadigital.blogspot.com
Digital Thermometer Using 8051 Digital Thermometer Using 8051 Project Report 8051 microcontroller (at89c51) based digital thermometer with. This project is designed to overcome the drawbacks of a traditional laboratory thermometer which has a limited measuring range. The circuit is based on lm35 analog temperature sensor, adc0804 and at89s51 microcontroller. It uses an lm35 temperature sensor to sense ambient. the aim of this project is to design and develop. Digital Thermometer Using 8051 Project Report.
From github.com
8051projects · GitHub Topics · GitHub Digital Thermometer Using 8051 Project Report the document describes a digital thermometer circuit using an 8051 microcontroller. 8051 microcontroller (at89c51) based digital thermometer with. the aim of this project is to design and develop a digital thermometer using the 8051 microcontroller. creating a digital thermometer using 8051 microcontrollerthis video explains to you. This project is designed to overcome the drawbacks of a. Digital Thermometer Using 8051 Project Report.
From electronicprojectcircuits.blogspot.com
ELECTRONIC ENGINEERING PROJECT For Technical Study Digital thermometer Digital Thermometer Using 8051 Project Report the document describes a digital thermometer circuit using an 8051 microcontroller. creating a digital thermometer using 8051 microcontrollerthis video explains to you. 8051 microcontroller (at89c51) based digital thermometer with. This project is designed to overcome the drawbacks of a traditional laboratory thermometer which has a limited measuring range. The circuit is based on lm35 analog temperature sensor,. Digital Thermometer Using 8051 Project Report.
From circuitdigest.com
Digital Thermometer using LM35 and 8051 Microcontroller Digital Thermometer Using 8051 Project Report It uses an lm35 temperature sensor to sense ambient. this blog will delve into the intricacies of designing and implementing a digital thermometer using the versatile. the aim of this project is to design and develop a digital thermometer using the 8051 microcontroller. The circuit is based on lm35 analog temperature sensor, adc0804 and at89s51 microcontroller. creating. Digital Thermometer Using 8051 Project Report.
From circuitdiagrams.in
Celsius Scale Digital Thermometer Using 8051 Microcontroller Digital Thermometer Using 8051 Project Report creating a digital thermometer using 8051 microcontrollerthis video explains to you. The circuit is based on lm35 analog temperature sensor, adc0804 and at89s51 microcontroller. 8051 microcontroller (at89c51) based digital thermometer with. This project is designed to overcome the drawbacks of a traditional laboratory thermometer which has a limited measuring range. It uses an lm35 temperature sensor to sense. Digital Thermometer Using 8051 Project Report.
From github.com
GitHub shahzadK/Digital_Thermometer_8051 Digital thermometer using Digital Thermometer Using 8051 Project Report The circuit is based on lm35 analog temperature sensor, adc0804 and at89s51 microcontroller. the document describes a digital thermometer circuit using an 8051 microcontroller. 8051 microcontroller (at89c51) based digital thermometer with. It uses an lm35 temperature sensor to sense ambient. this blog will delve into the intricacies of designing and implementing a digital thermometer using the versatile.. Digital Thermometer Using 8051 Project Report.
From www.vrogue.co
Celsius Scale Digital Thermometer Using 8051 Microcon vrogue.co Digital Thermometer Using 8051 Project Report the aim of this project is to design and develop a digital thermometer using the 8051 microcontroller. creating a digital thermometer using 8051 microcontrollerthis video explains to you. This project is designed to overcome the drawbacks of a traditional laboratory thermometer which has a limited measuring range. It uses an lm35 temperature sensor to sense ambient. 8051. Digital Thermometer Using 8051 Project Report.
From aposentadoriadigital.blogspot.com
Digital Thermometer Using 8051 Digital Thermometer Using 8051 Project Report It uses an lm35 temperature sensor to sense ambient. This project is designed to overcome the drawbacks of a traditional laboratory thermometer which has a limited measuring range. this blog will delve into the intricacies of designing and implementing a digital thermometer using the versatile. The circuit is based on lm35 analog temperature sensor, adc0804 and at89s51 microcontroller. . Digital Thermometer Using 8051 Project Report.
From www.circuitdiagram.co
Digital Thermometer Using 8051 Circuit Diagram Circuit Diagram Digital Thermometer Using 8051 Project Report It uses an lm35 temperature sensor to sense ambient. 8051 microcontroller (at89c51) based digital thermometer with. The circuit is based on lm35 analog temperature sensor, adc0804 and at89s51 microcontroller. this blog will delve into the intricacies of designing and implementing a digital thermometer using the versatile. the document describes a digital thermometer circuit using an 8051 microcontroller.. Digital Thermometer Using 8051 Project Report.
From www.researchgate.net
The flowchart program on the designed thermometer. Download Digital Thermometer Using 8051 Project Report this blog will delve into the intricacies of designing and implementing a digital thermometer using the versatile. 8051 microcontroller (at89c51) based digital thermometer with. The circuit is based on lm35 analog temperature sensor, adc0804 and at89s51 microcontroller. the aim of this project is to design and develop a digital thermometer using the 8051 microcontroller. the document. Digital Thermometer Using 8051 Project Report.
From www.vrogue.co
Digital Thermometer Using 8051 Lm35 Temperature Senso vrogue.co Digital Thermometer Using 8051 Project Report 8051 microcontroller (at89c51) based digital thermometer with. this blog will delve into the intricacies of designing and implementing a digital thermometer using the versatile. the aim of this project is to design and develop a digital thermometer using the 8051 microcontroller. It uses an lm35 temperature sensor to sense ambient. This project is designed to overcome the. Digital Thermometer Using 8051 Project Report.
From arrogancegizmo.blogspot.com
89C51 Based Digital Thermometer Using DS1820 Arrogance Gizmo Digital Thermometer Using 8051 Project Report this blog will delve into the intricacies of designing and implementing a digital thermometer using the versatile. 8051 microcontroller (at89c51) based digital thermometer with. the aim of this project is to design and develop a digital thermometer using the 8051 microcontroller. creating a digital thermometer using 8051 microcontrollerthis video explains to you. It uses an lm35. Digital Thermometer Using 8051 Project Report.
From www.engineersgarage.com
Celsius scale digital thermometer using 8051 microcontroller (AT89C51) Digital Thermometer Using 8051 Project Report It uses an lm35 temperature sensor to sense ambient. this blog will delve into the intricacies of designing and implementing a digital thermometer using the versatile. 8051 microcontroller (at89c51) based digital thermometer with. the document describes a digital thermometer circuit using an 8051 microcontroller. creating a digital thermometer using 8051 microcontrollerthis video explains to you. The. Digital Thermometer Using 8051 Project Report.
From www.scribd.com
Digital Thermometer Using 8051 Microcontroller Project Report PDF Digital Thermometer Using 8051 Project Report creating a digital thermometer using 8051 microcontrollerthis video explains to you. 8051 microcontroller (at89c51) based digital thermometer with. the document describes a digital thermometer circuit using an 8051 microcontroller. The circuit is based on lm35 analog temperature sensor, adc0804 and at89s51 microcontroller. this blog will delve into the intricacies of designing and implementing a digital thermometer. Digital Thermometer Using 8051 Project Report.
From www.vrogue.co
Celsius Scale Digital Thermometer Using 8051 Microcon vrogue.co Digital Thermometer Using 8051 Project Report This project is designed to overcome the drawbacks of a traditional laboratory thermometer which has a limited measuring range. The circuit is based on lm35 analog temperature sensor, adc0804 and at89s51 microcontroller. the document describes a digital thermometer circuit using an 8051 microcontroller. It uses an lm35 temperature sensor to sense ambient. creating a digital thermometer using 8051. Digital Thermometer Using 8051 Project Report.
From eforengineers.blogspot.com
PROJECTS FOR YOU DIGITAL THERMOMETER WITH 8051 Digital Thermometer Using 8051 Project Report This project is designed to overcome the drawbacks of a traditional laboratory thermometer which has a limited measuring range. the aim of this project is to design and develop a digital thermometer using the 8051 microcontroller. 8051 microcontroller (at89c51) based digital thermometer with. creating a digital thermometer using 8051 microcontrollerthis video explains to you. this blog. Digital Thermometer Using 8051 Project Report.
From www.scribd.com
Digital Thermometer Using 8051 PDF PDF Analog To Digital Converter Digital Thermometer Using 8051 Project Report the document describes a digital thermometer circuit using an 8051 microcontroller. It uses an lm35 temperature sensor to sense ambient. This project is designed to overcome the drawbacks of a traditional laboratory thermometer which has a limited measuring range. this blog will delve into the intricacies of designing and implementing a digital thermometer using the versatile. 8051. Digital Thermometer Using 8051 Project Report.
From aposentadoriadigital.blogspot.com
Digital Thermometer Using 8051 Digital Thermometer Using 8051 Project Report this blog will delve into the intricacies of designing and implementing a digital thermometer using the versatile. 8051 microcontroller (at89c51) based digital thermometer with. This project is designed to overcome the drawbacks of a traditional laboratory thermometer which has a limited measuring range. It uses an lm35 temperature sensor to sense ambient. The circuit is based on lm35. Digital Thermometer Using 8051 Project Report.
From www.scribd.com
Digital Theromometer Using 8051 PDF Analog To Digital Converter Digital Thermometer Using 8051 Project Report 8051 microcontroller (at89c51) based digital thermometer with. creating a digital thermometer using 8051 microcontrollerthis video explains to you. It uses an lm35 temperature sensor to sense ambient. the document describes a digital thermometer circuit using an 8051 microcontroller. The circuit is based on lm35 analog temperature sensor, adc0804 and at89s51 microcontroller. the aim of this project. Digital Thermometer Using 8051 Project Report.
From expaworld.blogspot.com
WORLD OF EMBEDDED LCD based digital alarm clock with digital Digital Thermometer Using 8051 Project Report It uses an lm35 temperature sensor to sense ambient. this blog will delve into the intricacies of designing and implementing a digital thermometer using the versatile. The circuit is based on lm35 analog temperature sensor, adc0804 and at89s51 microcontroller. 8051 microcontroller (at89c51) based digital thermometer with. the document describes a digital thermometer circuit using an 8051 microcontroller.. Digital Thermometer Using 8051 Project Report.
From www.circuitdiagram.co
Digital Thermometer Using 8051 Circuit Diagram Circuit Diagram Digital Thermometer Using 8051 Project Report It uses an lm35 temperature sensor to sense ambient. the document describes a digital thermometer circuit using an 8051 microcontroller. the aim of this project is to design and develop a digital thermometer using the 8051 microcontroller. 8051 microcontroller (at89c51) based digital thermometer with. This project is designed to overcome the drawbacks of a traditional laboratory thermometer. Digital Thermometer Using 8051 Project Report.
From www.electronicwings.com
Digital Thermometer using 8051 project Digital Thermometer Using 8051 Project Report this blog will delve into the intricacies of designing and implementing a digital thermometer using the versatile. It uses an lm35 temperature sensor to sense ambient. the aim of this project is to design and develop a digital thermometer using the 8051 microcontroller. the document describes a digital thermometer circuit using an 8051 microcontroller. The circuit is. Digital Thermometer Using 8051 Project Report.
From enginelibarthur.z21.web.core.windows.net
8051 Based Projects With Circuit Diagram Digital Thermometer Using 8051 Project Report 8051 microcontroller (at89c51) based digital thermometer with. It uses an lm35 temperature sensor to sense ambient. the document describes a digital thermometer circuit using an 8051 microcontroller. the aim of this project is to design and develop a digital thermometer using the 8051 microcontroller. creating a digital thermometer using 8051 microcontrollerthis video explains to you. The. Digital Thermometer Using 8051 Project Report.
From aposentadoriadigital.blogspot.com
Digital Thermometer Using 8051 Digital Thermometer Using 8051 Project Report this blog will delve into the intricacies of designing and implementing a digital thermometer using the versatile. creating a digital thermometer using 8051 microcontrollerthis video explains to you. 8051 microcontroller (at89c51) based digital thermometer with. The circuit is based on lm35 analog temperature sensor, adc0804 and at89s51 microcontroller. the aim of this project is to design. Digital Thermometer Using 8051 Project Report.
From www.8051projects.net
Forums / Project Help / [Solved]Project Digital Room Thermometer using Digital Thermometer Using 8051 Project Report the aim of this project is to design and develop a digital thermometer using the 8051 microcontroller. creating a digital thermometer using 8051 microcontrollerthis video explains to you. 8051 microcontroller (at89c51) based digital thermometer with. The circuit is based on lm35 analog temperature sensor, adc0804 and at89s51 microcontroller. This project is designed to overcome the drawbacks of. Digital Thermometer Using 8051 Project Report.
From www.circuitstoday.com
Contactless digital tachometer using 8051. 3 digit display and measures Digital Thermometer Using 8051 Project Report The circuit is based on lm35 analog temperature sensor, adc0804 and at89s51 microcontroller. This project is designed to overcome the drawbacks of a traditional laboratory thermometer which has a limited measuring range. the document describes a digital thermometer circuit using an 8051 microcontroller. 8051 microcontroller (at89c51) based digital thermometer with. the aim of this project is to. Digital Thermometer Using 8051 Project Report.
From www.circuitdiagram.co
Digital Thermometer Using 8051 Circuit Diagram Circuit Diagram Digital Thermometer Using 8051 Project Report 8051 microcontroller (at89c51) based digital thermometer with. this blog will delve into the intricacies of designing and implementing a digital thermometer using the versatile. creating a digital thermometer using 8051 microcontrollerthis video explains to you. the document describes a digital thermometer circuit using an 8051 microcontroller. It uses an lm35 temperature sensor to sense ambient. . Digital Thermometer Using 8051 Project Report.
From fixenginestockings.z21.web.core.windows.net
Projects Using 8051 Microcontroller Digital Thermometer Using 8051 Project Report creating a digital thermometer using 8051 microcontrollerthis video explains to you. The circuit is based on lm35 analog temperature sensor, adc0804 and at89s51 microcontroller. 8051 microcontroller (at89c51) based digital thermometer with. This project is designed to overcome the drawbacks of a traditional laboratory thermometer which has a limited measuring range. the aim of this project is to. Digital Thermometer Using 8051 Project Report.
From www.academia.edu
(DOC) Thermometer using 8051 mohamed salem Academia.edu Digital Thermometer Using 8051 Project Report the aim of this project is to design and develop a digital thermometer using the 8051 microcontroller. creating a digital thermometer using 8051 microcontrollerthis video explains to you. This project is designed to overcome the drawbacks of a traditional laboratory thermometer which has a limited measuring range. 8051 microcontroller (at89c51) based digital thermometer with. the document. Digital Thermometer Using 8051 Project Report.
From www.myclassbook.org
Digital Thermometer using 8051 Microcontroller Mini Project Digital Thermometer Using 8051 Project Report 8051 microcontroller (at89c51) based digital thermometer with. the aim of this project is to design and develop a digital thermometer using the 8051 microcontroller. this blog will delve into the intricacies of designing and implementing a digital thermometer using the versatile. The circuit is based on lm35 analog temperature sensor, adc0804 and at89s51 microcontroller. creating a. Digital Thermometer Using 8051 Project Report.
From www.circuitdiagram.co
Digital Thermometer Using 8051 Circuit Diagram Circuit Diagram Digital Thermometer Using 8051 Project Report It uses an lm35 temperature sensor to sense ambient. the document describes a digital thermometer circuit using an 8051 microcontroller. this blog will delve into the intricacies of designing and implementing a digital thermometer using the versatile. creating a digital thermometer using 8051 microcontrollerthis video explains to you. the aim of this project is to design. Digital Thermometer Using 8051 Project Report.
From www.chegg.com
Solved We want to develop a digital thermometer using 8051 Digital Thermometer Using 8051 Project Report the document describes a digital thermometer circuit using an 8051 microcontroller. It uses an lm35 temperature sensor to sense ambient. This project is designed to overcome the drawbacks of a traditional laboratory thermometer which has a limited measuring range. The circuit is based on lm35 analog temperature sensor, adc0804 and at89s51 microcontroller. this blog will delve into the. Digital Thermometer Using 8051 Project Report.
From www.circuitdiagram.co
8051 Microcontroller Projects With Source Code And Circuit Diagram Digital Thermometer Using 8051 Project Report the document describes a digital thermometer circuit using an 8051 microcontroller. This project is designed to overcome the drawbacks of a traditional laboratory thermometer which has a limited measuring range. creating a digital thermometer using 8051 microcontrollerthis video explains to you. 8051 microcontroller (at89c51) based digital thermometer with. The circuit is based on lm35 analog temperature sensor,. Digital Thermometer Using 8051 Project Report.
From www.circuitdiagram.co
Digital Thermometer Using 8051 Circuit Diagram Circuit Diagram Digital Thermometer Using 8051 Project Report The circuit is based on lm35 analog temperature sensor, adc0804 and at89s51 microcontroller. creating a digital thermometer using 8051 microcontrollerthis video explains to you. 8051 microcontroller (at89c51) based digital thermometer with. the aim of this project is to design and develop a digital thermometer using the 8051 microcontroller. This project is designed to overcome the drawbacks of. Digital Thermometer Using 8051 Project Report.