How Do Sma Connectors Work . sma connectors are: whether you're an electronics enthusiast or a seasoned professional, this ultimate guide will equip you with the knowledge and skills to seamlessly integrate sma connectors into your projects. sma connectors are 50 ohm rf coaxial connectors that operate up to a 18 ghz. Small compared to other connectors that preceded them, such as bnc and n types. sma connectors feature a threaded coupling mechanism that provides a secure connection, minimizes signal loss,. sma connectors are used when regular f connectors are too large, or for thinner cables. This is because sma connectors are able to provide a steady broadband connection from the khz range on up to 18 ghz. Explore the secrets of sma connectors today and enhance your understanding of signal transmission and wireless communication. what is an sma connector? With sma connectors, you can establish connectivity among boards and microwave machinery, including attenuators, filters, oscillators, and mixers. In the case of cellular signal boosters they are used to help the home user know which cable to connect to which side. These connectors have screw type coupling.
from blog.elecbee.com
In the case of cellular signal boosters they are used to help the home user know which cable to connect to which side. sma connectors are used when regular f connectors are too large, or for thinner cables. Small compared to other connectors that preceded them, such as bnc and n types. These connectors have screw type coupling. sma connectors are: whether you're an electronics enthusiast or a seasoned professional, this ultimate guide will equip you with the knowledge and skills to seamlessly integrate sma connectors into your projects. With sma connectors, you can establish connectivity among boards and microwave machinery, including attenuators, filters, oscillators, and mixers. This is because sma connectors are able to provide a steady broadband connection from the khz range on up to 18 ghz. sma connectors are 50 ohm rf coaxial connectors that operate up to a 18 ghz. sma connectors feature a threaded coupling mechanism that provides a secure connection, minimizes signal loss,.
SMA Connector Knowledge Elecbee Blog
How Do Sma Connectors Work Explore the secrets of sma connectors today and enhance your understanding of signal transmission and wireless communication. sma connectors feature a threaded coupling mechanism that provides a secure connection, minimizes signal loss,. what is an sma connector? Small compared to other connectors that preceded them, such as bnc and n types. In the case of cellular signal boosters they are used to help the home user know which cable to connect to which side. whether you're an electronics enthusiast or a seasoned professional, this ultimate guide will equip you with the knowledge and skills to seamlessly integrate sma connectors into your projects. sma connectors are used when regular f connectors are too large, or for thinner cables. These connectors have screw type coupling. With sma connectors, you can establish connectivity among boards and microwave machinery, including attenuators, filters, oscillators, and mixers. This is because sma connectors are able to provide a steady broadband connection from the khz range on up to 18 ghz. Explore the secrets of sma connectors today and enhance your understanding of signal transmission and wireless communication. sma connectors are 50 ohm rf coaxial connectors that operate up to a 18 ghz. sma connectors are:
From www.we-online.com
WRSMA Cable Connectors Electromechanical Components Würth How Do Sma Connectors Work what is an sma connector? Small compared to other connectors that preceded them, such as bnc and n types. With sma connectors, you can establish connectivity among boards and microwave machinery, including attenuators, filters, oscillators, and mixers. sma connectors are used when regular f connectors are too large, or for thinner cables. Explore the secrets of sma connectors. How Do Sma Connectors Work.
From www.freelancer.com
Infographic about torque ratings of SMA antenna connectors Freelancer How Do Sma Connectors Work Small compared to other connectors that preceded them, such as bnc and n types. what is an sma connector? sma connectors feature a threaded coupling mechanism that provides a secure connection, minimizes signal loss,. sma connectors are: sma connectors are used when regular f connectors are too large, or for thinner cables. In the case of. How Do Sma Connectors Work.
From www.elecrow.com
Unleashing the Power of SMA Connectors A Key Component for Seamless How Do Sma Connectors Work With sma connectors, you can establish connectivity among boards and microwave machinery, including attenuators, filters, oscillators, and mixers. sma connectors are 50 ohm rf coaxial connectors that operate up to a 18 ghz. what is an sma connector? sma connectors are used when regular f connectors are too large, or for thinner cables. whether you're an. How Do Sma Connectors Work.
From www.spo-comm.de
What is the difference between SMA and RPSMA? How Do Sma Connectors Work This is because sma connectors are able to provide a steady broadband connection from the khz range on up to 18 ghz. With sma connectors, you can establish connectivity among boards and microwave machinery, including attenuators, filters, oscillators, and mixers. Explore the secrets of sma connectors today and enhance your understanding of signal transmission and wireless communication. sma connectors. How Do Sma Connectors Work.
From www.fullantenna.com
FA.SMA Connectors1,all kinds of SMA connectors,male or female,stright How Do Sma Connectors Work Explore the secrets of sma connectors today and enhance your understanding of signal transmission and wireless communication. what is an sma connector? In the case of cellular signal boosters they are used to help the home user know which cable to connect to which side. sma connectors are 50 ohm rf coaxial connectors that operate up to a. How Do Sma Connectors Work.
From www.researchgate.net
Fabricated sensor connected with the VNA through the SMA connectors How Do Sma Connectors Work sma connectors are 50 ohm rf coaxial connectors that operate up to a 18 ghz. what is an sma connector? With sma connectors, you can establish connectivity among boards and microwave machinery, including attenuators, filters, oscillators, and mixers. Small compared to other connectors that preceded them, such as bnc and n types. In the case of cellular signal. How Do Sma Connectors Work.
From blog.elecbee.com
SMA Connector Knowledge Elecbee Blog How Do Sma Connectors Work sma connectors are used when regular f connectors are too large, or for thinner cables. In the case of cellular signal boosters they are used to help the home user know which cable to connect to which side. sma connectors feature a threaded coupling mechanism that provides a secure connection, minimizes signal loss,. Small compared to other connectors. How Do Sma Connectors Work.
From www.elecrow.com
Unleashing the Power of SMA Connectors A Key Component for Seamless How Do Sma Connectors Work whether you're an electronics enthusiast or a seasoned professional, this ultimate guide will equip you with the knowledge and skills to seamlessly integrate sma connectors into your projects. With sma connectors, you can establish connectivity among boards and microwave machinery, including attenuators, filters, oscillators, and mixers. what is an sma connector? Small compared to other connectors that preceded. How Do Sma Connectors Work.
From en.wikipedia.org
SMA connector Wikipedia How Do Sma Connectors Work sma connectors are 50 ohm rf coaxial connectors that operate up to a 18 ghz. In the case of cellular signal boosters they are used to help the home user know which cable to connect to which side. sma connectors feature a threaded coupling mechanism that provides a secure connection, minimizes signal loss,. what is an sma. How Do Sma Connectors Work.
From www.rohoconnector.com
Difference Between BNC Connector And SMA Connector How Do Sma Connectors Work Small compared to other connectors that preceded them, such as bnc and n types. These connectors have screw type coupling. what is an sma connector? sma connectors are used when regular f connectors are too large, or for thinner cables. This is because sma connectors are able to provide a steady broadband connection from the khz range on. How Do Sma Connectors Work.
From blog.linitx.com
What Are SMA & RPSMA Connectors and What's the Difference? LinITX Blog How Do Sma Connectors Work Small compared to other connectors that preceded them, such as bnc and n types. sma connectors feature a threaded coupling mechanism that provides a secure connection, minimizes signal loss,. In the case of cellular signal boosters they are used to help the home user know which cable to connect to which side. what is an sma connector? These. How Do Sma Connectors Work.
From www.gtk.co.uk
SMA Connector, SMA Jack GTK UK How Do Sma Connectors Work This is because sma connectors are able to provide a steady broadband connection from the khz range on up to 18 ghz. sma connectors are 50 ohm rf coaxial connectors that operate up to a 18 ghz. These connectors have screw type coupling. sma connectors are used when regular f connectors are too large, or for thinner cables.. How Do Sma Connectors Work.
From www.researchgate.net
(a) Photograph of the measurement configuration of the SMA connector How Do Sma Connectors Work This is because sma connectors are able to provide a steady broadband connection from the khz range on up to 18 ghz. sma connectors are: In the case of cellular signal boosters they are used to help the home user know which cable to connect to which side. what is an sma connector? Small compared to other connectors. How Do Sma Connectors Work.
From www.wellshow.com
What is an SMA Connector? How Do Sma Connectors Work sma connectors are 50 ohm rf coaxial connectors that operate up to a 18 ghz. In the case of cellular signal boosters they are used to help the home user know which cable to connect to which side. whether you're an electronics enthusiast or a seasoned professional, this ultimate guide will equip you with the knowledge and skills. How Do Sma Connectors Work.
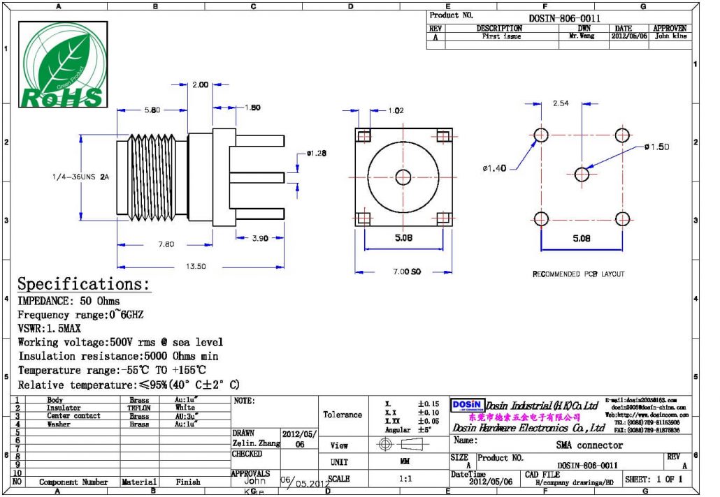
From www.dosinconn.com
What are SMA Connectors Specification of SMA Connector How Do Sma Connectors Work In the case of cellular signal boosters they are used to help the home user know which cable to connect to which side. what is an sma connector? sma connectors are 50 ohm rf coaxial connectors that operate up to a 18 ghz. sma connectors are: sma connectors are used when regular f connectors are too. How Do Sma Connectors Work.
From www.elecrow.com
Unleashing the Power of SMA Connectors A Key Component for Seamless How Do Sma Connectors Work what is an sma connector? With sma connectors, you can establish connectivity among boards and microwave machinery, including attenuators, filters, oscillators, and mixers. whether you're an electronics enthusiast or a seasoned professional, this ultimate guide will equip you with the knowledge and skills to seamlessly integrate sma connectors into your projects. This is because sma connectors are able. How Do Sma Connectors Work.
From www.meridiancableassemblies.com
Everything You Need to Know About the SMA Connector Meridian Cable How Do Sma Connectors Work sma connectors are used when regular f connectors are too large, or for thinner cables. sma connectors are 50 ohm rf coaxial connectors that operate up to a 18 ghz. Explore the secrets of sma connectors today and enhance your understanding of signal transmission and wireless communication. This is because sma connectors are able to provide a steady. How Do Sma Connectors Work.
From mecsu.vn
SMA, SMB, SMC connectors Mecsu.vn How Do Sma Connectors Work sma connectors are used when regular f connectors are too large, or for thinner cables. Small compared to other connectors that preceded them, such as bnc and n types. sma connectors are 50 ohm rf coaxial connectors that operate up to a 18 ghz. sma connectors feature a threaded coupling mechanism that provides a secure connection, minimizes. How Do Sma Connectors Work.
From www.freelancer.in
Infographic about torque ratings of SMA antenna connectors Freelancer How Do Sma Connectors Work sma connectors are: This is because sma connectors are able to provide a steady broadband connection from the khz range on up to 18 ghz. whether you're an electronics enthusiast or a seasoned professional, this ultimate guide will equip you with the knowledge and skills to seamlessly integrate sma connectors into your projects. sma connectors feature a. How Do Sma Connectors Work.
From www.iot-rf.com
What is SMA (SMA Connector) DREAMLNK How Do Sma Connectors Work Explore the secrets of sma connectors today and enhance your understanding of signal transmission and wireless communication. whether you're an electronics enthusiast or a seasoned professional, this ultimate guide will equip you with the knowledge and skills to seamlessly integrate sma connectors into your projects. These connectors have screw type coupling. what is an sma connector? This is. How Do Sma Connectors Work.
From www.dosinconn.com
SMA Connector for PCB Receptacle Bulkhead Straight Jack Dosin Electronics How Do Sma Connectors Work With sma connectors, you can establish connectivity among boards and microwave machinery, including attenuators, filters, oscillators, and mixers. sma connectors feature a threaded coupling mechanism that provides a secure connection, minimizes signal loss,. whether you're an electronics enthusiast or a seasoned professional, this ultimate guide will equip you with the knowledge and skills to seamlessly integrate sma connectors. How Do Sma Connectors Work.
From www.electricity-magnetism.org
SMA Connectors How it works, Application & Advantages How Do Sma Connectors Work sma connectors are: sma connectors are used when regular f connectors are too large, or for thinner cables. Small compared to other connectors that preceded them, such as bnc and n types. what is an sma connector? In the case of cellular signal boosters they are used to help the home user know which cable to connect. How Do Sma Connectors Work.
From www.youtube.com
CST MWS Tutorial 15 Design of SMA Connector YouTube How Do Sma Connectors Work sma connectors are: Small compared to other connectors that preceded them, such as bnc and n types. This is because sma connectors are able to provide a steady broadband connection from the khz range on up to 18 ghz. sma connectors feature a threaded coupling mechanism that provides a secure connection, minimizes signal loss,. what is an. How Do Sma Connectors Work.
From hackaday.io
SMA connector fits! Details Hackaday.io How Do Sma Connectors Work This is because sma connectors are able to provide a steady broadband connection from the khz range on up to 18 ghz. sma connectors are used when regular f connectors are too large, or for thinner cables. Explore the secrets of sma connectors today and enhance your understanding of signal transmission and wireless communication. With sma connectors, you can. How Do Sma Connectors Work.
From www.comsol.de
Simulating an SMA Connector on a Grounded Coplanar Waveguide COMSOL Blog How Do Sma Connectors Work Small compared to other connectors that preceded them, such as bnc and n types. sma connectors are 50 ohm rf coaxial connectors that operate up to a 18 ghz. sma connectors are: With sma connectors, you can establish connectivity among boards and microwave machinery, including attenuators, filters, oscillators, and mixers. This is because sma connectors are able to. How Do Sma Connectors Work.
From www.data-alliance.net
SMA Connectors Specifications, Applications, Composition, and How Do Sma Connectors Work These connectors have screw type coupling. what is an sma connector? sma connectors are used when regular f connectors are too large, or for thinner cables. Explore the secrets of sma connectors today and enhance your understanding of signal transmission and wireless communication. whether you're an electronics enthusiast or a seasoned professional, this ultimate guide will equip. How Do Sma Connectors Work.
From www.dreamstime.com
Various Coaxial Cables SMA Connectors Close Up Stock Image Image of How Do Sma Connectors Work whether you're an electronics enthusiast or a seasoned professional, this ultimate guide will equip you with the knowledge and skills to seamlessly integrate sma connectors into your projects. sma connectors are: With sma connectors, you can establish connectivity among boards and microwave machinery, including attenuators, filters, oscillators, and mixers. These connectors have screw type coupling. sma connectors. How Do Sma Connectors Work.
From microrfconnector.com
SMA Straight Connector Archives Micro RF Connector How Do Sma Connectors Work This is because sma connectors are able to provide a steady broadband connection from the khz range on up to 18 ghz. With sma connectors, you can establish connectivity among boards and microwave machinery, including attenuators, filters, oscillators, and mixers. whether you're an electronics enthusiast or a seasoned professional, this ultimate guide will equip you with the knowledge and. How Do Sma Connectors Work.
From berricleringspabotori.blogspot.com
Berricle Rings Sma Connectors How Do Sma Connectors Work sma connectors are: what is an sma connector? In the case of cellular signal boosters they are used to help the home user know which cable to connect to which side. Small compared to other connectors that preceded them, such as bnc and n types. whether you're an electronics enthusiast or a seasoned professional, this ultimate guide. How Do Sma Connectors Work.
From www.epanorama.net
Make simple fixtures from SMA connectors EDN How Do Sma Connectors Work sma connectors feature a threaded coupling mechanism that provides a secure connection, minimizes signal loss,. sma connectors are used when regular f connectors are too large, or for thinner cables. whether you're an electronics enthusiast or a seasoned professional, this ultimate guide will equip you with the knowledge and skills to seamlessly integrate sma connectors into your. How Do Sma Connectors Work.
From www.youtube.com
How To Fit An SMA Connector YouTube How Do Sma Connectors Work In the case of cellular signal boosters they are used to help the home user know which cable to connect to which side. sma connectors are: Small compared to other connectors that preceded them, such as bnc and n types. sma connectors are 50 ohm rf coaxial connectors that operate up to a 18 ghz. Explore the secrets. How Do Sma Connectors Work.
From blog.linitx.com
What Are SMA & RPSMA Connectors and What's the Difference? LinITX Blog How Do Sma Connectors Work These connectors have screw type coupling. Explore the secrets of sma connectors today and enhance your understanding of signal transmission and wireless communication. sma connectors are used when regular f connectors are too large, or for thinner cables. With sma connectors, you can establish connectivity among boards and microwave machinery, including attenuators, filters, oscillators, and mixers. sma connectors. How Do Sma Connectors Work.
From www.eimfirst.co.il
SMA Connectors EIM First How Do Sma Connectors Work whether you're an electronics enthusiast or a seasoned professional, this ultimate guide will equip you with the knowledge and skills to seamlessly integrate sma connectors into your projects. In the case of cellular signal boosters they are used to help the home user know which cable to connect to which side. sma connectors feature a threaded coupling mechanism. How Do Sma Connectors Work.
From www.raypcb.com
What is the difference between SMA and SMC connectors? RAYMING PCB How Do Sma Connectors Work sma connectors are used when regular f connectors are too large, or for thinner cables. sma connectors feature a threaded coupling mechanism that provides a secure connection, minimizes signal loss,. sma connectors are 50 ohm rf coaxial connectors that operate up to a 18 ghz. This is because sma connectors are able to provide a steady broadband. How Do Sma Connectors Work.
From blog.linitx.com
What Are SMA & RPSMA Connectors and What's the Difference? LinITX Blog How Do Sma Connectors Work sma connectors are 50 ohm rf coaxial connectors that operate up to a 18 ghz. With sma connectors, you can establish connectivity among boards and microwave machinery, including attenuators, filters, oscillators, and mixers. In the case of cellular signal boosters they are used to help the home user know which cable to connect to which side. sma connectors. How Do Sma Connectors Work.