Briggs And Stratton Generator Direct Power Remote Disable . 10000 w automatic transfer home generator system. Auto, manual and off buttons In this mode, the genset can be. Bs model 040336 has direct power remote disable fault. View and download briggs & stratton home generator owner's manual online. Auto, manual and off buttons 4.1.2 remote start/stop (2 wire) to use the remote start/stop mode of the controller, the mains monitoring should be disabled first before using. I pulled the 15a fuse on the control panel anyway and then i changed the spark plugs, oil and filter. I can not clear the direct power remote. After a dead battery i placed it on a trickle charger for three days, now there is an error message constantly scrolling across the screen. 4.1.2 remote start/stop (2 wire) to use the remote start/stop mode of the controller, the mains monitoring should be disabled first before using the remote start/stop feature. If you receive this scrolling error message then the probable cause is that the rx/tx line between the generator and the tr switch has. Bs model 040336 has direct power remote disable fault.
from blog.norwall.com
After a dead battery i placed it on a trickle charger for three days, now there is an error message constantly scrolling across the screen. 4.1.2 remote start/stop (2 wire) to use the remote start/stop mode of the controller, the mains monitoring should be disabled first before using the remote start/stop feature. 10000 w automatic transfer home generator system. Auto, manual and off buttons I can not clear the direct power remote. Bs model 040336 has direct power remote disable fault. Auto, manual and off buttons View and download briggs & stratton home generator owner's manual online. Bs model 040336 has direct power remote disable fault. I pulled the 15a fuse on the control panel anyway and then i changed the spark plugs, oil and filter.
New 26kW Generators from Generac Briggs & Stratton Norwall
Briggs And Stratton Generator Direct Power Remote Disable Auto, manual and off buttons If you receive this scrolling error message then the probable cause is that the rx/tx line between the generator and the tr switch has. 10000 w automatic transfer home generator system. Bs model 040336 has direct power remote disable fault. Bs model 040336 has direct power remote disable fault. I can not clear the direct power remote. View and download briggs & stratton home generator owner's manual online. I pulled the 15a fuse on the control panel anyway and then i changed the spark plugs, oil and filter. In this mode, the genset can be. 4.1.2 remote start/stop (2 wire) to use the remote start/stop mode of the controller, the mains monitoring should be disabled first before using. Auto, manual and off buttons Auto, manual and off buttons 4.1.2 remote start/stop (2 wire) to use the remote start/stop mode of the controller, the mains monitoring should be disabled first before using the remote start/stop feature. After a dead battery i placed it on a trickle charger for three days, now there is an error message constantly scrolling across the screen.
From www.electricgeneratorsdirect.com
Briggs & Stratton 30470 7000 Watt Electric Start Portable Generator Briggs And Stratton Generator Direct Power Remote Disable I pulled the 15a fuse on the control panel anyway and then i changed the spark plugs, oil and filter. 4.1.2 remote start/stop (2 wire) to use the remote start/stop mode of the controller, the mains monitoring should be disabled first before using the remote start/stop feature. Bs model 040336 has direct power remote disable fault. Auto, manual and off. Briggs And Stratton Generator Direct Power Remote Disable.
From bwmachinery.com.au
Briggs and Stratton Generators B.W. Machinery Briggs And Stratton Generator Direct Power Remote Disable Auto, manual and off buttons 10000 w automatic transfer home generator system. 4.1.2 remote start/stop (2 wire) to use the remote start/stop mode of the controller, the mains monitoring should be disabled first before using the remote start/stop feature. Bs model 040336 has direct power remote disable fault. Bs model 040336 has direct power remote disable fault. In this mode,. Briggs And Stratton Generator Direct Power Remote Disable.
From generatorhq.net
Briggs and Stratton Power Products P2200 Inverter Generator Review Briggs And Stratton Generator Direct Power Remote Disable View and download briggs & stratton home generator owner's manual online. 10000 w automatic transfer home generator system. In this mode, the genset can be. After a dead battery i placed it on a trickle charger for three days, now there is an error message constantly scrolling across the screen. Auto, manual and off buttons 4.1.2 remote start/stop (2 wire). Briggs And Stratton Generator Direct Power Remote Disable.
From www.pinterest.com
Briggs & Stratton EGD30708CC 30708 5750 Watt Portable Generator 49 Briggs And Stratton Generator Direct Power Remote Disable After a dead battery i placed it on a trickle charger for three days, now there is an error message constantly scrolling across the screen. Bs model 040336 has direct power remote disable fault. In this mode, the genset can be. Auto, manual and off buttons I pulled the 15a fuse on the control panel anyway and then i changed. Briggs And Stratton Generator Direct Power Remote Disable.
From www.electricgeneratorsdirect.com
Briggs & Stratton 040684 Power Protect™ PP10 10kW Steel Home Standby Briggs And Stratton Generator Direct Power Remote Disable Bs model 040336 has direct power remote disable fault. 4.1.2 remote start/stop (2 wire) to use the remote start/stop mode of the controller, the mains monitoring should be disabled first before using. Auto, manual and off buttons After a dead battery i placed it on a trickle charger for three days, now there is an error message constantly scrolling across. Briggs And Stratton Generator Direct Power Remote Disable.
From www.powerequipmentdirect.com
Briggs & Stratton Basic Wireless Monitor for Standby Generators (812kW Briggs And Stratton Generator Direct Power Remote Disable 10000 w automatic transfer home generator system. I can not clear the direct power remote. Bs model 040336 has direct power remote disable fault. In this mode, the genset can be. 4.1.2 remote start/stop (2 wire) to use the remote start/stop mode of the controller, the mains monitoring should be disabled first before using the remote start/stop feature. If you. Briggs And Stratton Generator Direct Power Remote Disable.
From www.electricgeneratorsdirect.com
Briggs & Stratton 30207 10,000 Watt Electric Start Portable Generator Briggs And Stratton Generator Direct Power Remote Disable If you receive this scrolling error message then the probable cause is that the rx/tx line between the generator and the tr switch has. Auto, manual and off buttons View and download briggs & stratton home generator owner's manual online. I can not clear the direct power remote. 4.1.2 remote start/stop (2 wire) to use the remote start/stop mode of. Briggs And Stratton Generator Direct Power Remote Disable.
From www.ebay.com
BRIGGS & STRATTON 5500 WATT STORM RESPONDER GENERATOR 8250 eBay Briggs And Stratton Generator Direct Power Remote Disable Auto, manual and off buttons Bs model 040336 has direct power remote disable fault. I pulled the 15a fuse on the control panel anyway and then i changed the spark plugs, oil and filter. View and download briggs & stratton home generator owner's manual online. Auto, manual and off buttons In this mode, the genset can be. Bs model 040336. Briggs And Stratton Generator Direct Power Remote Disable.
From www.wiringwork.com
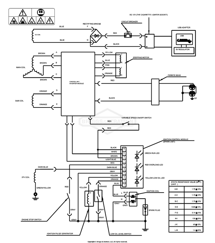
Wiring Diagram Briggs And Stratton Generator Wiring Work Briggs And Stratton Generator Direct Power Remote Disable 4.1.2 remote start/stop (2 wire) to use the remote start/stop mode of the controller, the mains monitoring should be disabled first before using the remote start/stop feature. I pulled the 15a fuse on the control panel anyway and then i changed the spark plugs, oil and filter. After a dead battery i placed it on a trickle charger for three. Briggs And Stratton Generator Direct Power Remote Disable.
From blog.norwall.com
New 26kW Generators from Generac Briggs & Stratton Norwall Briggs And Stratton Generator Direct Power Remote Disable After a dead battery i placed it on a trickle charger for three days, now there is an error message constantly scrolling across the screen. 10000 w automatic transfer home generator system. 4.1.2 remote start/stop (2 wire) to use the remote start/stop mode of the controller, the mains monitoring should be disabled first before using. Bs model 040336 has direct. Briggs And Stratton Generator Direct Power Remote Disable.
From www.sears.com
Craftsman Briggs & Stratton Generator, 5600 Watt 10 HP Lawn & Garden Briggs And Stratton Generator Direct Power Remote Disable 4.1.2 remote start/stop (2 wire) to use the remote start/stop mode of the controller, the mains monitoring should be disabled first before using. Auto, manual and off buttons I pulled the 15a fuse on the control panel anyway and then i changed the spark plugs, oil and filter. After a dead battery i placed it on a trickle charger for. Briggs And Stratton Generator Direct Power Remote Disable.
From pngtec.company.site
Briggs and Stratton Generator Conversion kits Briggs And Stratton Generator Direct Power Remote Disable After a dead battery i placed it on a trickle charger for three days, now there is an error message constantly scrolling across the screen. Bs model 040336 has direct power remote disable fault. View and download briggs & stratton home generator owner's manual online. 4.1.2 remote start/stop (2 wire) to use the remote start/stop mode of the controller, the. Briggs And Stratton Generator Direct Power Remote Disable.
From www.partswarehouse.com
0302350 Briggs and Stratton Generator 5,500 Watt PartsWarehouse Briggs And Stratton Generator Direct Power Remote Disable In this mode, the genset can be. I pulled the 15a fuse on the control panel anyway and then i changed the spark plugs, oil and filter. Auto, manual and off buttons 10000 w automatic transfer home generator system. Bs model 040336 has direct power remote disable fault. After a dead battery i placed it on a trickle charger for. Briggs And Stratton Generator Direct Power Remote Disable.
From www.electricgeneratorsdirect.com
Briggs & Stratton 040783 PowerProtect™ PP22 22kW Generator System Briggs And Stratton Generator Direct Power Remote Disable If you receive this scrolling error message then the probable cause is that the rx/tx line between the generator and the tr switch has. Auto, manual and off buttons In this mode, the genset can be. 4.1.2 remote start/stop (2 wire) to use the remote start/stop mode of the controller, the mains monitoring should be disabled first before using. View. Briggs And Stratton Generator Direct Power Remote Disable.
From www.ebth.com
Briggs & Stratton Elite Series Portable Generator EBTH Briggs And Stratton Generator Direct Power Remote Disable In this mode, the genset can be. View and download briggs & stratton home generator owner's manual online. If you receive this scrolling error message then the probable cause is that the rx/tx line between the generator and the tr switch has. 4.1.2 remote start/stop (2 wire) to use the remote start/stop mode of the controller, the mains monitoring should. Briggs And Stratton Generator Direct Power Remote Disable.
From www.electricgeneratorsdirect.com
Briggs & Stratton 30679 8000 Watt Electric Start Portable Generator w Briggs And Stratton Generator Direct Power Remote Disable Bs model 040336 has direct power remote disable fault. View and download briggs & stratton home generator owner's manual online. After a dead battery i placed it on a trickle charger for three days, now there is an error message constantly scrolling across the screen. Bs model 040336 has direct power remote disable fault. I can not clear the direct. Briggs And Stratton Generator Direct Power Remote Disable.
From outdoorpowerdirect.com
Briggs and Stratton OPE30794 30794 6500 Watt rated surge 8200 Watt Briggs And Stratton Generator Direct Power Remote Disable I can not clear the direct power remote. Bs model 040336 has direct power remote disable fault. View and download briggs & stratton home generator owner's manual online. If you receive this scrolling error message then the probable cause is that the rx/tx line between the generator and the tr switch has. 4.1.2 remote start/stop (2 wire) to use the. Briggs And Stratton Generator Direct Power Remote Disable.
From www.partswarehouse.com
0302520 Briggs and Stratton Generator 4,000 Watt PartsWarehouse Briggs And Stratton Generator Direct Power Remote Disable After a dead battery i placed it on a trickle charger for three days, now there is an error message constantly scrolling across the screen. I pulled the 15a fuse on the control panel anyway and then i changed the spark plugs, oil and filter. Auto, manual and off buttons If you receive this scrolling error message then the probable. Briggs And Stratton Generator Direct Power Remote Disable.
From www.electricgeneratorsdirect.com
Briggs & Stratton 30740 ELITE7000 7000 Watt Electric Start Portable Briggs And Stratton Generator Direct Power Remote Disable I pulled the 15a fuse on the control panel anyway and then i changed the spark plugs, oil and filter. Auto, manual and off buttons 4.1.2 remote start/stop (2 wire) to use the remote start/stop mode of the controller, the mains monitoring should be disabled first before using. Auto, manual and off buttons View and download briggs & stratton home. Briggs And Stratton Generator Direct Power Remote Disable.
From www.powerequipmentdirect.com
Briggs & Stratton Power Protect™ 26kW Aluminum Standby Generator (200A Briggs And Stratton Generator Direct Power Remote Disable I can not clear the direct power remote. In this mode, the genset can be. Bs model 040336 has direct power remote disable fault. I pulled the 15a fuse on the control panel anyway and then i changed the spark plugs, oil and filter. After a dead battery i placed it on a trickle charger for three days, now there. Briggs And Stratton Generator Direct Power Remote Disable.
From www.walmart.com
Briggs & Stratton P3000 PowerSmart Series Inverter Generator Briggs And Stratton Generator Direct Power Remote Disable 4.1.2 remote start/stop (2 wire) to use the remote start/stop mode of the controller, the mains monitoring should be disabled first before using the remote start/stop feature. After a dead battery i placed it on a trickle charger for three days, now there is an error message constantly scrolling across the screen. Bs model 040336 has direct power remote disable. Briggs And Stratton Generator Direct Power Remote Disable.
From www.amazon.com
Briggs & Stratton 30551 5000Watt Gas Powered Portable Briggs And Stratton Generator Direct Power Remote Disable Bs model 040336 has direct power remote disable fault. Auto, manual and off buttons 10000 w automatic transfer home generator system. I can not clear the direct power remote. Bs model 040336 has direct power remote disable fault. Auto, manual and off buttons After a dead battery i placed it on a trickle charger for three days, now there is. Briggs And Stratton Generator Direct Power Remote Disable.
From www.sportsmansguide.com
Briggs and Stratton® PowerSmart Series™ Inverter Portable Generator Briggs And Stratton Generator Direct Power Remote Disable 10000 w automatic transfer home generator system. View and download briggs & stratton home generator owner's manual online. 4.1.2 remote start/stop (2 wire) to use the remote start/stop mode of the controller, the mains monitoring should be disabled first before using. 4.1.2 remote start/stop (2 wire) to use the remote start/stop mode of the controller, the mains monitoring should be. Briggs And Stratton Generator Direct Power Remote Disable.
From soundproofxl.com
3 Silent Generators For Home Use Quietest Generators in the Market Briggs And Stratton Generator Direct Power Remote Disable I can not clear the direct power remote. Auto, manual and off buttons View and download briggs & stratton home generator owner's manual online. 10000 w automatic transfer home generator system. 4.1.2 remote start/stop (2 wire) to use the remote start/stop mode of the controller, the mains monitoring should be disabled first before using the remote start/stop feature. Bs model. Briggs And Stratton Generator Direct Power Remote Disable.
From www.wiringdigital.com
Wiring Diagram For Briggs And Stratton Generator Wiring Digital and Briggs And Stratton Generator Direct Power Remote Disable View and download briggs & stratton home generator owner's manual online. In this mode, the genset can be. Bs model 040336 has direct power remote disable fault. I can not clear the direct power remote. Auto, manual and off buttons I pulled the 15a fuse on the control panel anyway and then i changed the spark plugs, oil and filter.. Briggs And Stratton Generator Direct Power Remote Disable.
From www.jackssmallengines.com
Briggs and Stratton Power Products 03055201 7,500 Watt Portable Briggs And Stratton Generator Direct Power Remote Disable Bs model 040336 has direct power remote disable fault. I can not clear the direct power remote. Auto, manual and off buttons View and download briggs & stratton home generator owner's manual online. I pulled the 15a fuse on the control panel anyway and then i changed the spark plugs, oil and filter. 4.1.2 remote start/stop (2 wire) to use. Briggs And Stratton Generator Direct Power Remote Disable.
From www.partswarehouse.com
0304730 Briggs and Stratton Generator 1,600 Watt Inverter Generator Briggs And Stratton Generator Direct Power Remote Disable Auto, manual and off buttons I can not clear the direct power remote. Auto, manual and off buttons After a dead battery i placed it on a trickle charger for three days, now there is an error message constantly scrolling across the screen. If you receive this scrolling error message then the probable cause is that the rx/tx line between. Briggs And Stratton Generator Direct Power Remote Disable.
From www.electricgeneratorsdirect.com
Briggs & Stratton 40224 7 kW EmPower Manual Remote Start Generator Briggs And Stratton Generator Direct Power Remote Disable I can not clear the direct power remote. 4.1.2 remote start/stop (2 wire) to use the remote start/stop mode of the controller, the mains monitoring should be disabled first before using. Auto, manual and off buttons I pulled the 15a fuse on the control panel anyway and then i changed the spark plugs, oil and filter. Auto, manual and off. Briggs And Stratton Generator Direct Power Remote Disable.
From www.youtube.com
How to start a Briggs and Stratton generator YouTube Briggs And Stratton Generator Direct Power Remote Disable In this mode, the genset can be. If you receive this scrolling error message then the probable cause is that the rx/tx line between the generator and the tr switch has. After a dead battery i placed it on a trickle charger for three days, now there is an error message constantly scrolling across the screen. Auto, manual and off. Briggs And Stratton Generator Direct Power Remote Disable.
From canadaweldingsupply.ca
Shop Briggs & Stratton Oregon 3500 Watt Portable Generator Canada Briggs And Stratton Generator Direct Power Remote Disable I can not clear the direct power remote. Auto, manual and off buttons After a dead battery i placed it on a trickle charger for three days, now there is an error message constantly scrolling across the screen. 10000 w automatic transfer home generator system. In this mode, the genset can be. Auto, manual and off buttons If you receive. Briggs And Stratton Generator Direct Power Remote Disable.
From www.electricgeneratorsdirect.com
Briggs & Stratton 30663 7000 Watt Electric Start Portable Generator Briggs And Stratton Generator Direct Power Remote Disable 4.1.2 remote start/stop (2 wire) to use the remote start/stop mode of the controller, the mains monitoring should be disabled first before using. I pulled the 15a fuse on the control panel anyway and then i changed the spark plugs, oil and filter. Bs model 040336 has direct power remote disable fault. I can not clear the direct power remote.. Briggs And Stratton Generator Direct Power Remote Disable.
From fixengineinennatrose6w.z22.web.core.windows.net
Briggs And Stratton Portable Generator Parts Briggs And Stratton Generator Direct Power Remote Disable Auto, manual and off buttons I pulled the 15a fuse on the control panel anyway and then i changed the spark plugs, oil and filter. After a dead battery i placed it on a trickle charger for three days, now there is an error message constantly scrolling across the screen. I can not clear the direct power remote. If you. Briggs And Stratton Generator Direct Power Remote Disable.
From www.jackssmallengines.com
Briggs and Stratton Power Products 98014 10,000 EXL Parts Diagram Briggs And Stratton Generator Direct Power Remote Disable View and download briggs & stratton home generator owner's manual online. If you receive this scrolling error message then the probable cause is that the rx/tx line between the generator and the tr switch has. I pulled the 15a fuse on the control panel anyway and then i changed the spark plugs, oil and filter. 4.1.2 remote start/stop (2 wire). Briggs And Stratton Generator Direct Power Remote Disable.
From www.partswarehouse.com
HPP16070 Briggs and Stratton Generator BSP5500LEA PartsWarehouse Briggs And Stratton Generator Direct Power Remote Disable After a dead battery i placed it on a trickle charger for three days, now there is an error message constantly scrolling across the screen. Bs model 040336 has direct power remote disable fault. Bs model 040336 has direct power remote disable fault. 10000 w automatic transfer home generator system. If you receive this scrolling error message then the probable. Briggs And Stratton Generator Direct Power Remote Disable.
From ranquejarahpfixengine.z13.web.core.windows.net
Briggs & Stratton Home Generator Parts Briggs And Stratton Generator Direct Power Remote Disable In this mode, the genset can be. If you receive this scrolling error message then the probable cause is that the rx/tx line between the generator and the tr switch has. 4.1.2 remote start/stop (2 wire) to use the remote start/stop mode of the controller, the mains monitoring should be disabled first before using the remote start/stop feature. 4.1.2 remote. Briggs And Stratton Generator Direct Power Remote Disable.