Panasonic Aircon Error Code H11 . H11 indoor / outdoor abnormal. We can help you uncover the cause of the h11 error on your panasonic air conditioner and replace any defective indoor or outdoor. The onset of this error. This error occurs when there’s an interruption or total lack of communication between the indoor and outdoor units of the air conditioning system. How to fix panasonic air conditioner error code h11 In this video i will explain about panasonic ac h11 error code. Panasonic inverter air conditioners have the flexibility to vary the rotation speed of the compressor.
from www.youtube.com
This error occurs when there’s an interruption or total lack of communication between the indoor and outdoor units of the air conditioning system. Panasonic inverter air conditioners have the flexibility to vary the rotation speed of the compressor. We can help you uncover the cause of the h11 error on your panasonic air conditioner and replace any defective indoor or outdoor. H11 indoor / outdoor abnormal. The onset of this error. In this video i will explain about panasonic ac h11 error code. How to fix panasonic air conditioner error code h11
how to repair H11 ERROR CODES of Panasonic inverter aircon please watch
Panasonic Aircon Error Code H11 This error occurs when there’s an interruption or total lack of communication between the indoor and outdoor units of the air conditioning system. How to fix panasonic air conditioner error code h11 The onset of this error. Panasonic inverter air conditioners have the flexibility to vary the rotation speed of the compressor. We can help you uncover the cause of the h11 error on your panasonic air conditioner and replace any defective indoor or outdoor. H11 indoor / outdoor abnormal. In this video i will explain about panasonic ac h11 error code. This error occurs when there’s an interruption or total lack of communication between the indoor and outdoor units of the air conditioning system.
From www.arlingtonairconditioningheating.com
21 panasonic aircon error codes (FULL LIST) Panasonic Aircon Error Code H11 We can help you uncover the cause of the h11 error on your panasonic air conditioner and replace any defective indoor or outdoor. How to fix panasonic air conditioner error code h11 This error occurs when there’s an interruption or total lack of communication between the indoor and outdoor units of the air conditioning system. H11 indoor / outdoor abnormal.. Panasonic Aircon Error Code H11.
From www.youtube.com
Panasonic air conditoiner error code H11 ម៉ាសុីនត្រជាក់ panasonic error Panasonic Aircon Error Code H11 H11 indoor / outdoor abnormal. This error occurs when there’s an interruption or total lack of communication between the indoor and outdoor units of the air conditioning system. We can help you uncover the cause of the h11 error on your panasonic air conditioner and replace any defective indoor or outdoor. The onset of this error. In this video i. Panasonic Aircon Error Code H11.
From www.youtube.com
How to fix panasonic wall mounted air conditioner error code H11? YouTube Panasonic Aircon Error Code H11 The onset of this error. Panasonic inverter air conditioners have the flexibility to vary the rotation speed of the compressor. H11 indoor / outdoor abnormal. How to fix panasonic air conditioner error code h11 This error occurs when there’s an interruption or total lack of communication between the indoor and outdoor units of the air conditioning system. We can help. Panasonic Aircon Error Code H11.
From p-cube.panasonic.com
[Air Conditioner] The unit displays an H11code error (I want to know Panasonic Aircon Error Code H11 In this video i will explain about panasonic ac h11 error code. H11 indoor / outdoor abnormal. We can help you uncover the cause of the h11 error on your panasonic air conditioner and replace any defective indoor or outdoor. How to fix panasonic air conditioner error code h11 The onset of this error. This error occurs when there’s an. Panasonic Aircon Error Code H11.
From silverbackaircon.sg
Panasonic Aircon Error Codes Light Blinking? Silverback Aircon Panasonic Aircon Error Code H11 Panasonic inverter air conditioners have the flexibility to vary the rotation speed of the compressor. How to fix panasonic air conditioner error code h11 H11 indoor / outdoor abnormal. In this video i will explain about panasonic ac h11 error code. This error occurs when there’s an interruption or total lack of communication between the indoor and outdoor units of. Panasonic Aircon Error Code H11.
From www.youtube.com
how to repair H11 ERROR CODES of Panasonic inverter aircon please watch Panasonic Aircon Error Code H11 H11 indoor / outdoor abnormal. How to fix panasonic air conditioner error code h11 Panasonic inverter air conditioners have the flexibility to vary the rotation speed of the compressor. In this video i will explain about panasonic ac h11 error code. We can help you uncover the cause of the h11 error on your panasonic air conditioner and replace any. Panasonic Aircon Error Code H11.
From www.arlingtonairconditioningheating.com
21 panasonic aircon error codes (FULL LIST) Panasonic Aircon Error Code H11 The onset of this error. In this video i will explain about panasonic ac h11 error code. Panasonic inverter air conditioners have the flexibility to vary the rotation speed of the compressor. How to fix panasonic air conditioner error code h11 We can help you uncover the cause of the h11 error on your panasonic air conditioner and replace any. Panasonic Aircon Error Code H11.
From www.youtube.com
2 phút sửa lỗi H11 trên điều hòa Panasonic fix h11 error on panasonic Panasonic Aircon Error Code H11 H11 indoor / outdoor abnormal. We can help you uncover the cause of the h11 error on your panasonic air conditioner and replace any defective indoor or outdoor. In this video i will explain about panasonic ac h11 error code. The onset of this error. Panasonic inverter air conditioners have the flexibility to vary the rotation speed of the compressor.. Panasonic Aircon Error Code H11.
From www.youtube.com
Split ac Panasonic error code hoo,h11,h14,h15,h16,h19,h23,h24,h27 Panasonic Aircon Error Code H11 How to fix panasonic air conditioner error code h11 H11 indoor / outdoor abnormal. This error occurs when there’s an interruption or total lack of communication between the indoor and outdoor units of the air conditioning system. We can help you uncover the cause of the h11 error on your panasonic air conditioner and replace any defective indoor or outdoor.. Panasonic Aircon Error Code H11.
From www.arlingtonairconditioningheating.com
21 panasonic aircon error codes (FULL LIST) Panasonic Aircon Error Code H11 In this video i will explain about panasonic ac h11 error code. We can help you uncover the cause of the h11 error on your panasonic air conditioner and replace any defective indoor or outdoor. The onset of this error. Panasonic inverter air conditioners have the flexibility to vary the rotation speed of the compressor. How to fix panasonic air. Panasonic Aircon Error Code H11.
From erroresclima.com
️¿Error H 11 en tu maquina Panasonic de aire acondicionado? Panasonic Aircon Error Code H11 H11 indoor / outdoor abnormal. How to fix panasonic air conditioner error code h11 Panasonic inverter air conditioners have the flexibility to vary the rotation speed of the compressor. The onset of this error. This error occurs when there’s an interruption or total lack of communication between the indoor and outdoor units of the air conditioning system. In this video. Panasonic Aircon Error Code H11.
From inf.news
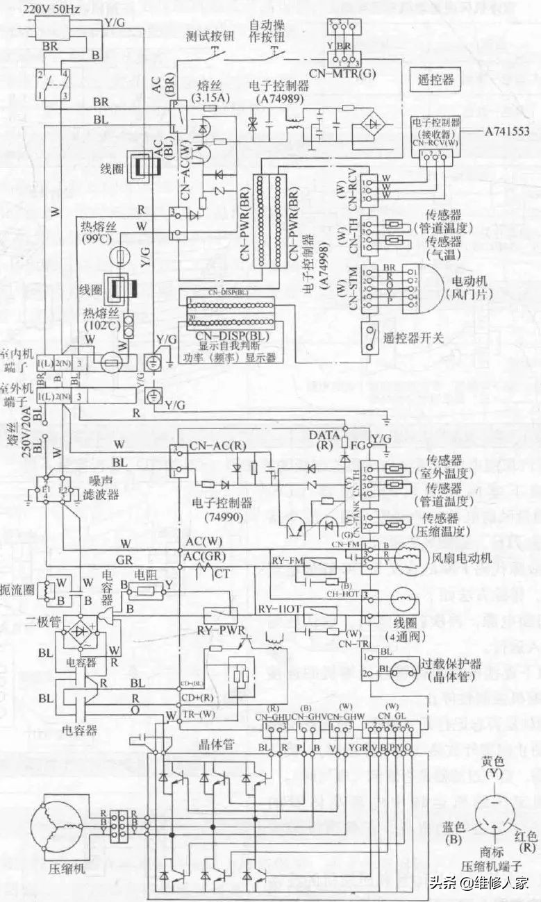
Panasonic inverter air conditioner circuit diagram and detailed Panasonic Aircon Error Code H11 H11 indoor / outdoor abnormal. This error occurs when there’s an interruption or total lack of communication between the indoor and outdoor units of the air conditioning system. How to fix panasonic air conditioner error code h11 In this video i will explain about panasonic ac h11 error code. We can help you uncover the cause of the h11 error. Panasonic Aircon Error Code H11.
From www.youtube.com
របៀបជួសជុលម៉ាសុីនត្រជាក់ PANASONIC error code H19/H11/H27/H28/panasonic Panasonic Aircon Error Code H11 How to fix panasonic air conditioner error code h11 Panasonic inverter air conditioners have the flexibility to vary the rotation speed of the compressor. In this video i will explain about panasonic ac h11 error code. This error occurs when there’s an interruption or total lack of communication between the indoor and outdoor units of the air conditioning system. The. Panasonic Aircon Error Code H11.
From www.airconhelp.com
79 Panasonic Air Conditioner Error Codes + troubleshooting Aircon Help Panasonic Aircon Error Code H11 The onset of this error. H11 indoor / outdoor abnormal. Panasonic inverter air conditioners have the flexibility to vary the rotation speed of the compressor. We can help you uncover the cause of the h11 error on your panasonic air conditioner and replace any defective indoor or outdoor. In this video i will explain about panasonic ac h11 error code.. Panasonic Aircon Error Code H11.
From www.youtube.com
Check Panasonic AC Error Code H11, F91, H85, E4 YouTube Panasonic Aircon Error Code H11 H11 indoor / outdoor abnormal. The onset of this error. In this video i will explain about panasonic ac h11 error code. This error occurs when there’s an interruption or total lack of communication between the indoor and outdoor units of the air conditioning system. How to fix panasonic air conditioner error code h11 We can help you uncover the. Panasonic Aircon Error Code H11.
From letscoolaircon.com.sg
panasonic aircon error code? Light Blinks? how to fix it? Panasonic Aircon Error Code H11 The onset of this error. How to fix panasonic air conditioner error code h11 Panasonic inverter air conditioners have the flexibility to vary the rotation speed of the compressor. H11 indoor / outdoor abnormal. In this video i will explain about panasonic ac h11 error code. We can help you uncover the cause of the h11 error on your panasonic. Panasonic Aircon Error Code H11.
From www.ahmadteknik.com
AIRTECH AC Jasa service ac Cara mengatasi kode error H11 AC Panasonic Aircon Error Code H11 We can help you uncover the cause of the h11 error on your panasonic air conditioner and replace any defective indoor or outdoor. How to fix panasonic air conditioner error code h11 Panasonic inverter air conditioners have the flexibility to vary the rotation speed of the compressor. The onset of this error. This error occurs when there’s an interruption or. Panasonic Aircon Error Code H11.
From www.arlingtonairconditioningheating.com
21 panasonic aircon error codes (FULL LIST) Panasonic Aircon Error Code H11 Panasonic inverter air conditioners have the flexibility to vary the rotation speed of the compressor. How to fix panasonic air conditioner error code h11 H11 indoor / outdoor abnormal. In this video i will explain about panasonic ac h11 error code. This error occurs when there’s an interruption or total lack of communication between the indoor and outdoor units of. Panasonic Aircon Error Code H11.
From www.aircondarwin.com.au
How to get the error code out of a Panasonic split system Panasonic Aircon Error Code H11 Panasonic inverter air conditioners have the flexibility to vary the rotation speed of the compressor. We can help you uncover the cause of the h11 error on your panasonic air conditioner and replace any defective indoor or outdoor. How to fix panasonic air conditioner error code h11 H11 indoor / outdoor abnormal. This error occurs when there’s an interruption or. Panasonic Aircon Error Code H11.
From www.youtube.com
របៀបជួសជុលម៉ាសុីនត្រជាក់PANASONIC error code H11 Panasonic Aircon Error Code H11 We can help you uncover the cause of the h11 error on your panasonic air conditioner and replace any defective indoor or outdoor. The onset of this error. How to fix panasonic air conditioner error code h11 This error occurs when there’s an interruption or total lack of communication between the indoor and outdoor units of the air conditioning system.. Panasonic Aircon Error Code H11.
From www.youtube.com
Panasonic inverter error code H11 ម៉ាសុីនត្រជាក់ panasonic error code Panasonic Aircon Error Code H11 The onset of this error. This error occurs when there’s an interruption or total lack of communication between the indoor and outdoor units of the air conditioning system. Panasonic inverter air conditioners have the flexibility to vary the rotation speed of the compressor. H11 indoor / outdoor abnormal. How to fix panasonic air conditioner error code h11 In this video. Panasonic Aircon Error Code H11.
From silverbackaircon.sg
Panasonic Aircon Error Codes Light Blinking? Silverback Aircon Panasonic Aircon Error Code H11 In this video i will explain about panasonic ac h11 error code. We can help you uncover the cause of the h11 error on your panasonic air conditioner and replace any defective indoor or outdoor. How to fix panasonic air conditioner error code h11 The onset of this error. H11 indoor / outdoor abnormal. This error occurs when there’s an. Panasonic Aircon Error Code H11.
From www.airconhelp.com
79 Panasonic Air Conditioner Error Codes + troubleshooting Aircon Help Panasonic Aircon Error Code H11 H11 indoor / outdoor abnormal. This error occurs when there’s an interruption or total lack of communication between the indoor and outdoor units of the air conditioning system. How to fix panasonic air conditioner error code h11 We can help you uncover the cause of the h11 error on your panasonic air conditioner and replace any defective indoor or outdoor.. Panasonic Aircon Error Code H11.
From www.youtube.com
Panasonic Inverter AC How to check error code H11 problem YouTube Panasonic Aircon Error Code H11 How to fix panasonic air conditioner error code h11 The onset of this error. This error occurs when there’s an interruption or total lack of communication between the indoor and outdoor units of the air conditioning system. In this video i will explain about panasonic ac h11 error code. Panasonic inverter air conditioners have the flexibility to vary the rotation. Panasonic Aircon Error Code H11.
From www.youtube.com
How to repair H11 error code panasonic YouTube Panasonic Aircon Error Code H11 In this video i will explain about panasonic ac h11 error code. Panasonic inverter air conditioners have the flexibility to vary the rotation speed of the compressor. H11 indoor / outdoor abnormal. This error occurs when there’s an interruption or total lack of communication between the indoor and outdoor units of the air conditioning system. The onset of this error.. Panasonic Aircon Error Code H11.
From letscoolaircon.com.sg
panasonic aircon error code? Light Blinks? how to fix it? Panasonic Aircon Error Code H11 This error occurs when there’s an interruption or total lack of communication between the indoor and outdoor units of the air conditioning system. The onset of this error. We can help you uncover the cause of the h11 error on your panasonic air conditioner and replace any defective indoor or outdoor. H11 indoor / outdoor abnormal. How to fix panasonic. Panasonic Aircon Error Code H11.
From letscoolaircon.com.sg
panasonic aircon error code? Light Blinks? how to fix it? Panasonic Aircon Error Code H11 This error occurs when there’s an interruption or total lack of communication between the indoor and outdoor units of the air conditioning system. We can help you uncover the cause of the h11 error on your panasonic air conditioner and replace any defective indoor or outdoor. H11 indoor / outdoor abnormal. Panasonic inverter air conditioners have the flexibility to vary. Panasonic Aircon Error Code H11.
From aircool.com.sg
panasonic Aircon Error code Panasonic Aircon Error Code H11 This error occurs when there’s an interruption or total lack of communication between the indoor and outdoor units of the air conditioning system. In this video i will explain about panasonic ac h11 error code. The onset of this error. How to fix panasonic air conditioner error code h11 H11 indoor / outdoor abnormal. Panasonic inverter air conditioners have the. Panasonic Aircon Error Code H11.
From silverbackaircon.sg
Panasonic Aircon Error Codes Light Blinking? Silverback Aircon Panasonic Aircon Error Code H11 The onset of this error. We can help you uncover the cause of the h11 error on your panasonic air conditioner and replace any defective indoor or outdoor. This error occurs when there’s an interruption or total lack of communication between the indoor and outdoor units of the air conditioning system. In this video i will explain about panasonic ac. Panasonic Aircon Error Code H11.
From www.aircondarwin.com.au
Panasonic Error Codes Split System Range Panasonic Aircon Error Code H11 In this video i will explain about panasonic ac h11 error code. Panasonic inverter air conditioners have the flexibility to vary the rotation speed of the compressor. We can help you uncover the cause of the h11 error on your panasonic air conditioner and replace any defective indoor or outdoor. H11 indoor / outdoor abnormal. How to fix panasonic air. Panasonic Aircon Error Code H11.
From www.aircondarwin.com.au
Panasonic Error Codes Split System Range Panasonic Aircon Error Code H11 H11 indoor / outdoor abnormal. In this video i will explain about panasonic ac h11 error code. How to fix panasonic air conditioner error code h11 This error occurs when there’s an interruption or total lack of communication between the indoor and outdoor units of the air conditioning system. Panasonic inverter air conditioners have the flexibility to vary the rotation. Panasonic Aircon Error Code H11.
From www.scribd.com
Panasonic Air Conditioner Error Codes PDF Air Conditioning Panasonic Aircon Error Code H11 How to fix panasonic air conditioner error code h11 H11 indoor / outdoor abnormal. We can help you uncover the cause of the h11 error on your panasonic air conditioner and replace any defective indoor or outdoor. This error occurs when there’s an interruption or total lack of communication between the indoor and outdoor units of the air conditioning system.. Panasonic Aircon Error Code H11.
From codigodeerror.com
Troubleshoot error code "H11" in Panasonic airconditioning Panasonic Aircon Error Code H11 We can help you uncover the cause of the h11 error on your panasonic air conditioner and replace any defective indoor or outdoor. This error occurs when there’s an interruption or total lack of communication between the indoor and outdoor units of the air conditioning system. Panasonic inverter air conditioners have the flexibility to vary the rotation speed of the. Panasonic Aircon Error Code H11.
From www.arlingtonairconditioningheating.com
21 panasonic aircon error codes (FULL LIST) Panasonic Aircon Error Code H11 In this video i will explain about panasonic ac h11 error code. We can help you uncover the cause of the h11 error on your panasonic air conditioner and replace any defective indoor or outdoor. H11 indoor / outdoor abnormal. How to fix panasonic air conditioner error code h11 Panasonic inverter air conditioners have the flexibility to vary the rotation. Panasonic Aircon Error Code H11.
From www.youtube.com
how to fix panasonic multi ac error code h11? YouTube Panasonic Aircon Error Code H11 The onset of this error. This error occurs when there’s an interruption or total lack of communication between the indoor and outdoor units of the air conditioning system. In this video i will explain about panasonic ac h11 error code. H11 indoor / outdoor abnormal. How to fix panasonic air conditioner error code h11 We can help you uncover the. Panasonic Aircon Error Code H11.