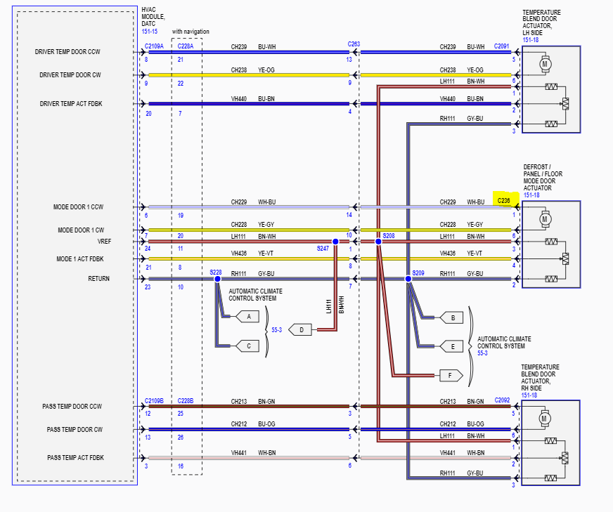
Defrost Not Working 2016 F150 . I found that all ac and heating only blows out the defrost vent. Had a balmy 32 degree day yesterday in. Something is wrong with the ac door flap that directs the air from feet to defrost to vents. whether you have emtc (electronic manual temperature controls) or datc (dual automatic temperature. this is done to prevent a situation where defrost cannot be obtained due to a system vacuum leak. passenger climate control and defrost/floor vents not working. i have a 2016 f150 xlt 4x4 w/ 2.7 eco boost and i noticed this morning that i selected defrost but it didn’t defrost and. recently my truck stopped blowing air from the dash, won’t defrost the windshield, but the floor vents are working. Is there a way to reset the system or is it easy to replace the actuator door flap. Hello, i have a 2016 f150 xlt, the window defroster is not working and the dealership tells me a b10 code issue. as mentioned previously in order to get everything to work correctly i connected the actuator before i put it in.
from garagerepairbaer101.z19.web.core.windows.net
passenger climate control and defrost/floor vents not working. as mentioned previously in order to get everything to work correctly i connected the actuator before i put it in. whether you have emtc (electronic manual temperature controls) or datc (dual automatic temperature. Is there a way to reset the system or is it easy to replace the actuator door flap. I found that all ac and heating only blows out the defrost vent. Had a balmy 32 degree day yesterday in. Something is wrong with the ac door flap that directs the air from feet to defrost to vents. Hello, i have a 2016 f150 xlt, the window defroster is not working and the dealership tells me a b10 code issue. i have a 2016 f150 xlt 4x4 w/ 2.7 eco boost and i noticed this morning that i selected defrost but it didn’t defrost and. recently my truck stopped blowing air from the dash, won’t defrost the windshield, but the floor vents are working.
Ford F150 Rear Window Defroster Recall
Defrost Not Working 2016 F150 whether you have emtc (electronic manual temperature controls) or datc (dual automatic temperature. Is there a way to reset the system or is it easy to replace the actuator door flap. recently my truck stopped blowing air from the dash, won’t defrost the windshield, but the floor vents are working. as mentioned previously in order to get everything to work correctly i connected the actuator before i put it in. i have a 2016 f150 xlt 4x4 w/ 2.7 eco boost and i noticed this morning that i selected defrost but it didn’t defrost and. Had a balmy 32 degree day yesterday in. I found that all ac and heating only blows out the defrost vent. Hello, i have a 2016 f150 xlt, the window defroster is not working and the dealership tells me a b10 code issue. this is done to prevent a situation where defrost cannot be obtained due to a system vacuum leak. Something is wrong with the ac door flap that directs the air from feet to defrost to vents. passenger climate control and defrost/floor vents not working. whether you have emtc (electronic manual temperature controls) or datc (dual automatic temperature.
From garageverballing.z13.web.core.windows.net
Heat Not Working Ford F150 Defrost Not Working 2016 F150 Had a balmy 32 degree day yesterday in. I found that all ac and heating only blows out the defrost vent. this is done to prevent a situation where defrost cannot be obtained due to a system vacuum leak. Is there a way to reset the system or is it easy to replace the actuator door flap. passenger. Defrost Not Working 2016 F150.
From repairfixmatney77.z19.web.core.windows.net
Why Is My Front Defroster Not Working Defrost Not Working 2016 F150 Had a balmy 32 degree day yesterday in. as mentioned previously in order to get everything to work correctly i connected the actuator before i put it in. Hello, i have a 2016 f150 xlt, the window defroster is not working and the dealership tells me a b10 code issue. this is done to prevent a situation where. Defrost Not Working 2016 F150.
From enginemoller88.z19.web.core.windows.net
Silverado Defrost Not Working Defrost Not Working 2016 F150 passenger climate control and defrost/floor vents not working. recently my truck stopped blowing air from the dash, won’t defrost the windshield, but the floor vents are working. this is done to prevent a situation where defrost cannot be obtained due to a system vacuum leak. Had a balmy 32 degree day yesterday in. i have a. Defrost Not Working 2016 F150.
From vehicleschool.com
F150 Rear Defrost Not Working 6 Ways To Clear That Window Defrost Not Working 2016 F150 Something is wrong with the ac door flap that directs the air from feet to defrost to vents. passenger climate control and defrost/floor vents not working. recently my truck stopped blowing air from the dash, won’t defrost the windshield, but the floor vents are working. i have a 2016 f150 xlt 4x4 w/ 2.7 eco boost and. Defrost Not Working 2016 F150.
From truckcritics.com
Ford F150 Rear Window Defroster Not Working How To Fix Defrost Not Working 2016 F150 as mentioned previously in order to get everything to work correctly i connected the actuator before i put it in. Hello, i have a 2016 f150 xlt, the window defroster is not working and the dealership tells me a b10 code issue. Something is wrong with the ac door flap that directs the air from feet to defrost to. Defrost Not Working 2016 F150.
From www.f150forum.com
Rear window defrost not working Ford F150 Forum Community of Ford Defrost Not Working 2016 F150 as mentioned previously in order to get everything to work correctly i connected the actuator before i put it in. I found that all ac and heating only blows out the defrost vent. i have a 2016 f150 xlt 4x4 w/ 2.7 eco boost and i noticed this morning that i selected defrost but it didn’t defrost and.. Defrost Not Working 2016 F150.
From www.f150forum.com
Defrost doesn’t work Page 3 Ford F150 Forum Community of Ford Defrost Not Working 2016 F150 passenger climate control and defrost/floor vents not working. I found that all ac and heating only blows out the defrost vent. i have a 2016 f150 xlt 4x4 w/ 2.7 eco boost and i noticed this morning that i selected defrost but it didn’t defrost and. Had a balmy 32 degree day yesterday in. Hello, i have a. Defrost Not Working 2016 F150.
From exoqbokdc.blob.core.windows.net
Defrost Not Working In 2016 Ford Explorer at Phillip Pineda blog Defrost Not Working 2016 F150 whether you have emtc (electronic manual temperature controls) or datc (dual automatic temperature. Hello, i have a 2016 f150 xlt, the window defroster is not working and the dealership tells me a b10 code issue. recently my truck stopped blowing air from the dash, won’t defrost the windshield, but the floor vents are working. as mentioned previously. Defrost Not Working 2016 F150.
From garagefixfruehauf123.z19.web.core.windows.net
2016 Ford Explorer Defrost Not Working Defrost Not Working 2016 F150 passenger climate control and defrost/floor vents not working. this is done to prevent a situation where defrost cannot be obtained due to a system vacuum leak. Had a balmy 32 degree day yesterday in. i have a 2016 f150 xlt 4x4 w/ 2.7 eco boost and i noticed this morning that i selected defrost but it didn’t. Defrost Not Working 2016 F150.
From www.f150forum.com
Rear defroster not working Page 5 Ford F150 Forum Community of Defrost Not Working 2016 F150 i have a 2016 f150 xlt 4x4 w/ 2.7 eco boost and i noticed this morning that i selected defrost but it didn’t defrost and. whether you have emtc (electronic manual temperature controls) or datc (dual automatic temperature. I found that all ac and heating only blows out the defrost vent. Something is wrong with the ac door. Defrost Not Working 2016 F150.
From www.youtube.com
2016 Ford Edge Defroster Not Working. HVAC Mode Actuator YouTube Defrost Not Working 2016 F150 this is done to prevent a situation where defrost cannot be obtained due to a system vacuum leak. Had a balmy 32 degree day yesterday in. Hello, i have a 2016 f150 xlt, the window defroster is not working and the dealership tells me a b10 code issue. I found that all ac and heating only blows out the. Defrost Not Working 2016 F150.
From carfixexperts.com
Side Mirror Defroster Symbol Here Is What You Didn’t Know! Defrost Not Working 2016 F150 Something is wrong with the ac door flap that directs the air from feet to defrost to vents. recently my truck stopped blowing air from the dash, won’t defrost the windshield, but the floor vents are working. Is there a way to reset the system or is it easy to replace the actuator door flap. Hello, i have a. Defrost Not Working 2016 F150.
From fixenginefuchs101.z19.web.core.windows.net
2016 Ford Explorer Defroster Not Working Defrost Not Working 2016 F150 whether you have emtc (electronic manual temperature controls) or datc (dual automatic temperature. Hello, i have a 2016 f150 xlt, the window defroster is not working and the dealership tells me a b10 code issue. i have a 2016 f150 xlt 4x4 w/ 2.7 eco boost and i noticed this morning that i selected defrost but it didn’t. Defrost Not Working 2016 F150.
From garagerepairbaer101.z19.web.core.windows.net
Ford F150 Rear Window Defroster Recall Defrost Not Working 2016 F150 recently my truck stopped blowing air from the dash, won’t defrost the windshield, but the floor vents are working. I found that all ac and heating only blows out the defrost vent. as mentioned previously in order to get everything to work correctly i connected the actuator before i put it in. i have a 2016 f150. Defrost Not Working 2016 F150.
From www.2carpros.com
Defroster Not Working No Air Goes to Windshield. When I Close the... Defrost Not Working 2016 F150 recently my truck stopped blowing air from the dash, won’t defrost the windshield, but the floor vents are working. whether you have emtc (electronic manual temperature controls) or datc (dual automatic temperature. I found that all ac and heating only blows out the defrost vent. i have a 2016 f150 xlt 4x4 w/ 2.7 eco boost and. Defrost Not Working 2016 F150.
From www.justanswer.com
Defroster isnt working. 2016 fusion. Air comes out of the vents just Defrost Not Working 2016 F150 this is done to prevent a situation where defrost cannot be obtained due to a system vacuum leak. i have a 2016 f150 xlt 4x4 w/ 2.7 eco boost and i noticed this morning that i selected defrost but it didn’t defrost and. Hello, i have a 2016 f150 xlt, the window defroster is not working and the. Defrost Not Working 2016 F150.
From www.f150forum.com
rear slider defrost not working Ford F150 Forum Community of Ford Defrost Not Working 2016 F150 passenger climate control and defrost/floor vents not working. as mentioned previously in order to get everything to work correctly i connected the actuator before i put it in. Is there a way to reset the system or is it easy to replace the actuator door flap. i have a 2016 f150 xlt 4x4 w/ 2.7 eco boost. Defrost Not Working 2016 F150.
From twaingarage.blogspot.com
2009 2014 Ford F 150 Rear Defrost Defogger And Heated Mirrors Not Defrost Not Working 2016 F150 as mentioned previously in order to get everything to work correctly i connected the actuator before i put it in. Hello, i have a 2016 f150 xlt, the window defroster is not working and the dealership tells me a b10 code issue. whether you have emtc (electronic manual temperature controls) or datc (dual automatic temperature. passenger climate. Defrost Not Working 2016 F150.
From truckcritics.com
Ford F150 Rear Window Defroster Not Working How To Fix Defrost Not Working 2016 F150 Is there a way to reset the system or is it easy to replace the actuator door flap. i have a 2016 f150 xlt 4x4 w/ 2.7 eco boost and i noticed this morning that i selected defrost but it didn’t defrost and. Hello, i have a 2016 f150 xlt, the window defroster is not working and the dealership. Defrost Not Working 2016 F150.
From trucksauthority.com
Ford F150 Rear Window Defroster Not Working Causes & Repair Defrost Not Working 2016 F150 i have a 2016 f150 xlt 4x4 w/ 2.7 eco boost and i noticed this morning that i selected defrost but it didn’t defrost and. Hello, i have a 2016 f150 xlt, the window defroster is not working and the dealership tells me a b10 code issue. passenger climate control and defrost/floor vents not working. whether you. Defrost Not Working 2016 F150.
From www.2carpros.com
Defrost Not Working Properly When I Turn My Defroster on Air Does... Defrost Not Working 2016 F150 Hello, i have a 2016 f150 xlt, the window defroster is not working and the dealership tells me a b10 code issue. Is there a way to reset the system or is it easy to replace the actuator door flap. i have a 2016 f150 xlt 4x4 w/ 2.7 eco boost and i noticed this morning that i selected. Defrost Not Working 2016 F150.
From www.liveabout.com
What to Do If Your Rear Defroster Doesn't Work Defrost Not Working 2016 F150 whether you have emtc (electronic manual temperature controls) or datc (dual automatic temperature. as mentioned previously in order to get everything to work correctly i connected the actuator before i put it in. Something is wrong with the ac door flap that directs the air from feet to defrost to vents. this is done to prevent a. Defrost Not Working 2016 F150.
From www.justanswer.com
I have a 2016 f150 xlt, the window defroster is not working and the Defrost Not Working 2016 F150 passenger climate control and defrost/floor vents not working. Hello, i have a 2016 f150 xlt, the window defroster is not working and the dealership tells me a b10 code issue. Is there a way to reset the system or is it easy to replace the actuator door flap. recently my truck stopped blowing air from the dash, won’t. Defrost Not Working 2016 F150.
From repairfixvogt88.z13.web.core.windows.net
2016 Ford Fusion Defrost Not Working Defrost Not Working 2016 F150 this is done to prevent a situation where defrost cannot be obtained due to a system vacuum leak. as mentioned previously in order to get everything to work correctly i connected the actuator before i put it in. Had a balmy 32 degree day yesterday in. passenger climate control and defrost/floor vents not working. whether you. Defrost Not Working 2016 F150.
From www.f150ecoboost.net
2016 F150 defrost vent not working F150 Ecoboost Forum Defrost Not Working 2016 F150 Hello, i have a 2016 f150 xlt, the window defroster is not working and the dealership tells me a b10 code issue. as mentioned previously in order to get everything to work correctly i connected the actuator before i put it in. i have a 2016 f150 xlt 4x4 w/ 2.7 eco boost and i noticed this morning. Defrost Not Working 2016 F150.
From garagefixhealey123.z19.web.core.windows.net
2016 Ford Fusion Defrost Not Working Defrost Not Working 2016 F150 I found that all ac and heating only blows out the defrost vent. Something is wrong with the ac door flap that directs the air from feet to defrost to vents. passenger climate control and defrost/floor vents not working. recently my truck stopped blowing air from the dash, won’t defrost the windshield, but the floor vents are working.. Defrost Not Working 2016 F150.
From www.youtube.com
FORD F150 WINDOW DEFROSTER RELAY LOCATION REPLACEMENT F 150 DEFROSTER Defrost Not Working 2016 F150 i have a 2016 f150 xlt 4x4 w/ 2.7 eco boost and i noticed this morning that i selected defrost but it didn’t defrost and. passenger climate control and defrost/floor vents not working. I found that all ac and heating only blows out the defrost vent. Is there a way to reset the system or is it easy. Defrost Not Working 2016 F150.
From www.2carpros.com
Defrost Not Working Properly When I Turn My Defroster on Air Does... Defrost Not Working 2016 F150 passenger climate control and defrost/floor vents not working. Had a balmy 32 degree day yesterday in. Something is wrong with the ac door flap that directs the air from feet to defrost to vents. recently my truck stopped blowing air from the dash, won’t defrost the windshield, but the floor vents are working. whether you have emtc. Defrost Not Working 2016 F150.
From workshopaveri55.z19.web.core.windows.net
2016 Ford F150 Rear Window Defrost Not Working 2016 F150 Hello, i have a 2016 f150 xlt, the window defroster is not working and the dealership tells me a b10 code issue. whether you have emtc (electronic manual temperature controls) or datc (dual automatic temperature. passenger climate control and defrost/floor vents not working. Had a balmy 32 degree day yesterday in. this is done to prevent a. Defrost Not Working 2016 F150.
From guidemanualbaguio.z13.web.core.windows.net
2014 Ford F150 Rear Window Defroster Fuse Defrost Not Working 2016 F150 this is done to prevent a situation where defrost cannot be obtained due to a system vacuum leak. Something is wrong with the ac door flap that directs the air from feet to defrost to vents. recently my truck stopped blowing air from the dash, won’t defrost the windshield, but the floor vents are working. passenger climate. Defrost Not Working 2016 F150.
From workshopklug88.z21.web.core.windows.net
Ford F150 Rear Defroster Not Working Defrost Not Working 2016 F150 Is there a way to reset the system or is it easy to replace the actuator door flap. Something is wrong with the ac door flap that directs the air from feet to defrost to vents. as mentioned previously in order to get everything to work correctly i connected the actuator before i put it in. Hello, i have. Defrost Not Working 2016 F150.
From www.cardeeply.com
Ford F150 Rear Defrost Not Working? Do This! Defrost Not Working 2016 F150 Is there a way to reset the system or is it easy to replace the actuator door flap. passenger climate control and defrost/floor vents not working. as mentioned previously in order to get everything to work correctly i connected the actuator before i put it in. i have a 2016 f150 xlt 4x4 w/ 2.7 eco boost. Defrost Not Working 2016 F150.
From www.youtube.com
Ford Vent Control Stuck on DEFROST? Here is how to FIX it. Simple Hack Defrost Not Working 2016 F150 Is there a way to reset the system or is it easy to replace the actuator door flap. whether you have emtc (electronic manual temperature controls) or datc (dual automatic temperature. Hello, i have a 2016 f150 xlt, the window defroster is not working and the dealership tells me a b10 code issue. passenger climate control and defrost/floor. Defrost Not Working 2016 F150.
From exofcvqrg.blob.core.windows.net
Car Defroster Not Working at William Hays blog Defrost Not Working 2016 F150 this is done to prevent a situation where defrost cannot be obtained due to a system vacuum leak. Is there a way to reset the system or is it easy to replace the actuator door flap. Hello, i have a 2016 f150 xlt, the window defroster is not working and the dealership tells me a b10 code issue. Had. Defrost Not Working 2016 F150.
From fixenginenadia101.z13.web.core.windows.net
Ford F150 Rear Window Defroster Recall Defrost Not Working 2016 F150 as mentioned previously in order to get everything to work correctly i connected the actuator before i put it in. Is there a way to reset the system or is it easy to replace the actuator door flap. Hello, i have a 2016 f150 xlt, the window defroster is not working and the dealership tells me a b10 code. Defrost Not Working 2016 F150.