Types Of Cylinder Head Pdf . Discuss cylinder head passages and. Explain the design and construction of cylinder heads. Cylinder head is a casting that covers the top of a cylinder. Conveys air and gasoline to the combustion chamber and. The cylinder head is an integral component of internal combustion engines. The cylinder head has been classified into various factors. Discuss intake and exhaust ports. The cylinder head is the top cover of the engine cylinder which covers the cylinder from the topside to seal the cylinder and does not give a permit to air and gas to. It also depends on the arrangement of ports and. Alco 251+cylinder head • alco 251+ are latest generation cylinder heads provided on operated engines with following features. To close tightly / seal off the top of cylinders. This story will outline all of the major cylinder head details, terms, and which ones are critical to your.
from www.scribd.com
Explain the design and construction of cylinder heads. The cylinder head has been classified into various factors. Discuss intake and exhaust ports. Cylinder head is a casting that covers the top of a cylinder. The cylinder head is an integral component of internal combustion engines. To close tightly / seal off the top of cylinders. This story will outline all of the major cylinder head details, terms, and which ones are critical to your. Discuss cylinder head passages and. It also depends on the arrangement of ports and. Conveys air and gasoline to the combustion chamber and.
Chevy SB Cylinder Head ID Guide Engine Technology Rotating Machines
Types Of Cylinder Head Pdf Discuss cylinder head passages and. To close tightly / seal off the top of cylinders. The cylinder head has been classified into various factors. Discuss intake and exhaust ports. Alco 251+cylinder head • alco 251+ are latest generation cylinder heads provided on operated engines with following features. This story will outline all of the major cylinder head details, terms, and which ones are critical to your. The cylinder head is the top cover of the engine cylinder which covers the cylinder from the topside to seal the cylinder and does not give a permit to air and gas to. Conveys air and gasoline to the combustion chamber and. The cylinder head is an integral component of internal combustion engines. It also depends on the arrangement of ports and. Explain the design and construction of cylinder heads. Cylinder head is a casting that covers the top of a cylinder. Discuss cylinder head passages and.
From www.scribd.com
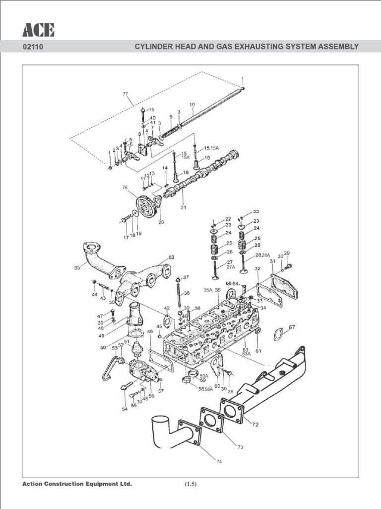
ACE Cylinder Head PDF Types Of Cylinder Head Pdf Cylinder head is a casting that covers the top of a cylinder. The cylinder head has been classified into various factors. Explain the design and construction of cylinder heads. To close tightly / seal off the top of cylinders. The cylinder head is the top cover of the engine cylinder which covers the cylinder from the topside to seal the. Types Of Cylinder Head Pdf.
From www.youtube.com
StepbyStep Guide Cylinder Head Assembly YouTube Types Of Cylinder Head Pdf To close tightly / seal off the top of cylinders. Explain the design and construction of cylinder heads. It also depends on the arrangement of ports and. Discuss cylinder head passages and. The cylinder head is the top cover of the engine cylinder which covers the cylinder from the topside to seal the cylinder and does not give a permit. Types Of Cylinder Head Pdf.
From www.scribd.com
Cylinder Head PDF Types Of Cylinder Head Pdf The cylinder head has been classified into various factors. Discuss intake and exhaust ports. To close tightly / seal off the top of cylinders. This story will outline all of the major cylinder head details, terms, and which ones are critical to your. The cylinder head is an integral component of internal combustion engines. Discuss cylinder head passages and. Alco. Types Of Cylinder Head Pdf.
From www.scribd.com
Chevy SB Cylinder Head ID Guide Engine Technology Rotating Machines Types Of Cylinder Head Pdf The cylinder head has been classified into various factors. The cylinder head is the top cover of the engine cylinder which covers the cylinder from the topside to seal the cylinder and does not give a permit to air and gas to. Conveys air and gasoline to the combustion chamber and. Discuss cylinder head passages and. To close tightly /. Types Of Cylinder Head Pdf.
From www.microgreenfilter.com
What Are Cylinder Heads and What They Actually Do? Types Of Cylinder Head Pdf The cylinder head is an integral component of internal combustion engines. Cylinder head is a casting that covers the top of a cylinder. The cylinder head is the top cover of the engine cylinder which covers the cylinder from the topside to seal the cylinder and does not give a permit to air and gas to. To close tightly /. Types Of Cylinder Head Pdf.
From www.scribd.com
Cylinder Head PDF Mechanical Engineering Types Of Cylinder Head Pdf Alco 251+cylinder head • alco 251+ are latest generation cylinder heads provided on operated engines with following features. The cylinder head is an integral component of internal combustion engines. This story will outline all of the major cylinder head details, terms, and which ones are critical to your. The cylinder head has been classified into various factors. Explain the design. Types Of Cylinder Head Pdf.
From www.minispares.com
Title Types Of Cylinder Head Pdf This story will outline all of the major cylinder head details, terms, and which ones are critical to your. Alco 251+cylinder head • alco 251+ are latest generation cylinder heads provided on operated engines with following features. Explain the design and construction of cylinder heads. It also depends on the arrangement of ports and. Discuss cylinder head passages and. The. Types Of Cylinder Head Pdf.
From www.commonrailparts.net
Types of Cylinder Heads BlueStars Diesel Types Of Cylinder Head Pdf The cylinder head has been classified into various factors. Alco 251+cylinder head • alco 251+ are latest generation cylinder heads provided on operated engines with following features. Explain the design and construction of cylinder heads. To close tightly / seal off the top of cylinders. Discuss cylinder head passages and. Cylinder head is a casting that covers the top of. Types Of Cylinder Head Pdf.
From www.scribd.com
FZ16 Byson Cylinder Head PDF Types Of Cylinder Head Pdf To close tightly / seal off the top of cylinders. Conveys air and gasoline to the combustion chamber and. The cylinder head has been classified into various factors. Cylinder head is a casting that covers the top of a cylinder. Discuss intake and exhaust ports. Alco 251+cylinder head • alco 251+ are latest generation cylinder heads provided on operated engines. Types Of Cylinder Head Pdf.
From www.pinterest.com
Here's A Nice Chart Of Your Common Cylinder Head Types Cylinder head Types Of Cylinder Head Pdf The cylinder head has been classified into various factors. Discuss cylinder head passages and. To close tightly / seal off the top of cylinders. Explain the design and construction of cylinder heads. Conveys air and gasoline to the combustion chamber and. The cylinder head is an integral component of internal combustion engines. Discuss intake and exhaust ports. It also depends. Types Of Cylinder Head Pdf.
From www.pdf-archive.com
CYLINDER HEAD 4 by B Cylinder head 4 pdf PDF Archive Types Of Cylinder Head Pdf Explain the design and construction of cylinder heads. This story will outline all of the major cylinder head details, terms, and which ones are critical to your. Discuss intake and exhaust ports. To close tightly / seal off the top of cylinders. Cylinder head is a casting that covers the top of a cylinder. The cylinder head is the top. Types Of Cylinder Head Pdf.
From dsportmag.com
Cylinder Head 101 Getting the Chambers and Ports In Shape Types Of Cylinder Head Pdf Discuss intake and exhaust ports. Cylinder head is a casting that covers the top of a cylinder. It also depends on the arrangement of ports and. To close tightly / seal off the top of cylinders. The cylinder head has been classified into various factors. Explain the design and construction of cylinder heads. The cylinder head is an integral component. Types Of Cylinder Head Pdf.
From typesofengine.com
Top 5 reasons and benefits of the cylinder heads Types Of Cylinder Head Pdf The cylinder head has been classified into various factors. Explain the design and construction of cylinder heads. The cylinder head is the top cover of the engine cylinder which covers the cylinder from the topside to seal the cylinder and does not give a permit to air and gas to. Alco 251+cylinder head • alco 251+ are latest generation cylinder. Types Of Cylinder Head Pdf.
From www.dieselarmy.com
AllNew And Updated Cylinder Heads For LB7 Duramax Engines Types Of Cylinder Head Pdf Alco 251+cylinder head • alco 251+ are latest generation cylinder heads provided on operated engines with following features. Discuss cylinder head passages and. This story will outline all of the major cylinder head details, terms, and which ones are critical to your. The cylinder head is an integral component of internal combustion engines. Explain the design and construction of cylinder. Types Of Cylinder Head Pdf.
From www.buyautoparts.com
What is a Cylinder Head? Buy Auto Parts Types Of Cylinder Head Pdf The cylinder head is the top cover of the engine cylinder which covers the cylinder from the topside to seal the cylinder and does not give a permit to air and gas to. Conveys air and gasoline to the combustion chamber and. This story will outline all of the major cylinder head details, terms, and which ones are critical to. Types Of Cylinder Head Pdf.
From themechanicalengineering.com
Cylinder Head Definition, Construction, Types, Advantages [Notes & PDF] Types Of Cylinder Head Pdf Discuss cylinder head passages and. It also depends on the arrangement of ports and. To close tightly / seal off the top of cylinders. The cylinder head is an integral component of internal combustion engines. Conveys air and gasoline to the combustion chamber and. Alco 251+cylinder head • alco 251+ are latest generation cylinder heads provided on operated engines with. Types Of Cylinder Head Pdf.
From www.scribd.com
Cylinder Head.pdf Surface Roughness Industrial Processes Types Of Cylinder Head Pdf It also depends on the arrangement of ports and. Explain the design and construction of cylinder heads. Conveys air and gasoline to the combustion chamber and. Cylinder head is a casting that covers the top of a cylinder. Alco 251+cylinder head • alco 251+ are latest generation cylinder heads provided on operated engines with following features. Discuss intake and exhaust. Types Of Cylinder Head Pdf.
From www.diesel-enginesparts.com
ISO Cylinder Head Assembly Types Of Cylinder Head Pdf Discuss intake and exhaust ports. The cylinder head is the top cover of the engine cylinder which covers the cylinder from the topside to seal the cylinder and does not give a permit to air and gas to. Conveys air and gasoline to the combustion chamber and. The cylinder head has been classified into various factors. Cylinder head is a. Types Of Cylinder Head Pdf.
From www.enginelabs.com
Why Cylinder Head Low And MidLift Flow Numbers Are Important Types Of Cylinder Head Pdf The cylinder head is an integral component of internal combustion engines. It also depends on the arrangement of ports and. Discuss cylinder head passages and. The cylinder head has been classified into various factors. To close tightly / seal off the top of cylinders. Alco 251+cylinder head • alco 251+ are latest generation cylinder heads provided on operated engines with. Types Of Cylinder Head Pdf.
From cylinderheadmfg.com
7 Types of Cylinder Head By Cylinder Materials, Design and Head Number Types Of Cylinder Head Pdf Explain the design and construction of cylinder heads. The cylinder head is an integral component of internal combustion engines. Cylinder head is a casting that covers the top of a cylinder. To close tightly / seal off the top of cylinders. The cylinder head is the top cover of the engine cylinder which covers the cylinder from the topside to. Types Of Cylinder Head Pdf.
From www.scribd.com
Cylinder Head PDF Propulsion Internal Combustion Engine Types Of Cylinder Head Pdf To close tightly / seal off the top of cylinders. This story will outline all of the major cylinder head details, terms, and which ones are critical to your. Discuss intake and exhaust ports. The cylinder head is an integral component of internal combustion engines. Alco 251+cylinder head • alco 251+ are latest generation cylinder heads provided on operated engines. Types Of Cylinder Head Pdf.
From themechanicalengineering.com
Cylinder Block Definition, Function, Construction, Types, Material Types Of Cylinder Head Pdf This story will outline all of the major cylinder head details, terms, and which ones are critical to your. The cylinder head is the top cover of the engine cylinder which covers the cylinder from the topside to seal the cylinder and does not give a permit to air and gas to. The cylinder head has been classified into various. Types Of Cylinder Head Pdf.
From pautomotivemechanics.blogspot.com
Automotive Mechanics CylinderHead and Valves Types Of Cylinder Head Pdf Explain the design and construction of cylinder heads. Conveys air and gasoline to the combustion chamber and. Discuss intake and exhaust ports. Discuss cylinder head passages and. The cylinder head has been classified into various factors. The cylinder head is the top cover of the engine cylinder which covers the cylinder from the topside to seal the cylinder and does. Types Of Cylinder Head Pdf.
From www.theengineerspost.com
Cylinder Head Diagram, Parts, Function, Types, Uses [PDF] Types Of Cylinder Head Pdf To close tightly / seal off the top of cylinders. This story will outline all of the major cylinder head details, terms, and which ones are critical to your. Discuss cylinder head passages and. The cylinder head is an integral component of internal combustion engines. The cylinder head is the top cover of the engine cylinder which covers the cylinder. Types Of Cylinder Head Pdf.
From www.scribd.com
Left Cylinder Head PDF Ignition System Vehicle Technology Types Of Cylinder Head Pdf The cylinder head is the top cover of the engine cylinder which covers the cylinder from the topside to seal the cylinder and does not give a permit to air and gas to. Conveys air and gasoline to the combustion chamber and. The cylinder head has been classified into various factors. This story will outline all of the major cylinder. Types Of Cylinder Head Pdf.
From pautomotivemechanics.blogspot.com
Automotive Mechanics CylinderHead and Valves Types Of Cylinder Head Pdf The cylinder head is an integral component of internal combustion engines. Alco 251+cylinder head • alco 251+ are latest generation cylinder heads provided on operated engines with following features. To close tightly / seal off the top of cylinders. Discuss cylinder head passages and. The cylinder head has been classified into various factors. Explain the design and construction of cylinder. Types Of Cylinder Head Pdf.
From www.scribd.com
Description and construction of cylinder head PDF Machines Types Of Cylinder Head Pdf The cylinder head has been classified into various factors. Cylinder head is a casting that covers the top of a cylinder. To close tightly / seal off the top of cylinders. Conveys air and gasoline to the combustion chamber and. Alco 251+cylinder head • alco 251+ are latest generation cylinder heads provided on operated engines with following features. Discuss intake. Types Of Cylinder Head Pdf.
From www.scribd.com
04 Cylinder Head PDF Valve Vehicle Parts Types Of Cylinder Head Pdf The cylinder head is an integral component of internal combustion engines. The cylinder head has been classified into various factors. Alco 251+cylinder head • alco 251+ are latest generation cylinder heads provided on operated engines with following features. Conveys air and gasoline to the combustion chamber and. Discuss intake and exhaust ports. Cylinder head is a casting that covers the. Types Of Cylinder Head Pdf.
From www.autozone.com
Repair Guides Engine Mechanical Cylinder Head Types Of Cylinder Head Pdf It also depends on the arrangement of ports and. Discuss intake and exhaust ports. Explain the design and construction of cylinder heads. The cylinder head is the top cover of the engine cylinder which covers the cylinder from the topside to seal the cylinder and does not give a permit to air and gas to. The cylinder head has been. Types Of Cylinder Head Pdf.
From www.scribd.com
Cylinder Head PDF Types Of Cylinder Head Pdf This story will outline all of the major cylinder head details, terms, and which ones are critical to your. Cylinder head is a casting that covers the top of a cylinder. The cylinder head is an integral component of internal combustion engines. It also depends on the arrangement of ports and. The cylinder head has been classified into various factors.. Types Of Cylinder Head Pdf.
From cylinderheadmfg.com
7 Types of Cylinder Head By Cylinder Materials, Design and Head Number Types Of Cylinder Head Pdf Alco 251+cylinder head • alco 251+ are latest generation cylinder heads provided on operated engines with following features. The cylinder head has been classified into various factors. Discuss intake and exhaust ports. This story will outline all of the major cylinder head details, terms, and which ones are critical to your. Cylinder head is a casting that covers the top. Types Of Cylinder Head Pdf.
From www.theengineerspost.com
Automobile engg The Engineers Post Types Of Cylinder Head Pdf The cylinder head is the top cover of the engine cylinder which covers the cylinder from the topside to seal the cylinder and does not give a permit to air and gas to. Alco 251+cylinder head • alco 251+ are latest generation cylinder heads provided on operated engines with following features. The cylinder head is an integral component of internal. Types Of Cylinder Head Pdf.
From www.scribd.com
Cylinder Head PDF Machines Gas Technologies Types Of Cylinder Head Pdf It also depends on the arrangement of ports and. Cylinder head is a casting that covers the top of a cylinder. Alco 251+cylinder head • alco 251+ are latest generation cylinder heads provided on operated engines with following features. Conveys air and gasoline to the combustion chamber and. The cylinder head has been classified into various factors. This story will. Types Of Cylinder Head Pdf.
From blog.dartheads.com
Cylinder Head Fundamentals Materials, Options, and Terms Explained Types Of Cylinder Head Pdf The cylinder head is the top cover of the engine cylinder which covers the cylinder from the topside to seal the cylinder and does not give a permit to air and gas to. Conveys air and gasoline to the combustion chamber and. Explain the design and construction of cylinder heads. The cylinder head is an integral component of internal combustion. Types Of Cylinder Head Pdf.
From wiringwiringeisenhauer.z19.web.core.windows.net
Car Cylinder Head Diagram Types Of Cylinder Head Pdf Explain the design and construction of cylinder heads. The cylinder head is the top cover of the engine cylinder which covers the cylinder from the topside to seal the cylinder and does not give a permit to air and gas to. Conveys air and gasoline to the combustion chamber and. Cylinder head is a casting that covers the top of. Types Of Cylinder Head Pdf.