Leg Support For Vertical Vessel . Larger vertical vessels are generally supported by a skirt support,. The pressure vessel under consideration is a cylindrical shell with two elliptical heads, two nozzles, a manway, and four leg supports. Vessel leg supports are individual supports attached directly to the bottom of the vessel, offering vertical support. The vessel is cylindrical in shape and features two elliptical heads, two nozzles, a manway, and four leg supports. We have vertical vessel to be designed as per asme sec viii div 1. These legs are typically made out of “channel” or “i”. The design process involves geometric modelling. They are commonly utilized for vertical. Lugs, legs, or a skirt. Vessel supports are almost always one of three types for vertical vessels: The vessel is supported on vertical unbraced legs, which. Horizontal vessels are usually supported by saddles.
from www.eng-tips.com
The design process involves geometric modelling. Lugs, legs, or a skirt. Vessel supports are almost always one of three types for vertical vessels: Larger vertical vessels are generally supported by a skirt support,. The vessel is cylindrical in shape and features two elliptical heads, two nozzles, a manway, and four leg supports. They are commonly utilized for vertical. These legs are typically made out of “channel” or “i”. Horizontal vessels are usually supported by saddles. The vessel is supported on vertical unbraced legs, which. We have vertical vessel to be designed as per asme sec viii div 1.
Skirt/Ring/Pedestal Support for Vertical Pressure Vessel Boiler and Pressure Vessel
Leg Support For Vertical Vessel Horizontal vessels are usually supported by saddles. These legs are typically made out of “channel” or “i”. The design process involves geometric modelling. Horizontal vessels are usually supported by saddles. Vessel leg supports are individual supports attached directly to the bottom of the vessel, offering vertical support. Lugs, legs, or a skirt. They are commonly utilized for vertical. We have vertical vessel to be designed as per asme sec viii div 1. Larger vertical vessels are generally supported by a skirt support,. The pressure vessel under consideration is a cylindrical shell with two elliptical heads, two nozzles, a manway, and four leg supports. The vessel is cylindrical in shape and features two elliptical heads, two nozzles, a manway, and four leg supports. Vessel supports are almost always one of three types for vertical vessels: The vessel is supported on vertical unbraced legs, which.
From www.americanpoleandtimber.com
Wood Pressure Support Saddles for Industrial Equipment Leg Support For Vertical Vessel Larger vertical vessels are generally supported by a skirt support,. We have vertical vessel to be designed as per asme sec viii div 1. Vessel supports are almost always one of three types for vertical vessels: The design process involves geometric modelling. Horizontal vessels are usually supported by saddles. Lugs, legs, or a skirt. The vessel is cylindrical in shape. Leg Support For Vertical Vessel.
From www.phxequip.com
2250 Gal Evans & Sons Vertical Carbon Steel Pressure Vessel 6692 New Used and Surplus Leg Support For Vertical Vessel The vessel is supported on vertical unbraced legs, which. The vessel is cylindrical in shape and features two elliptical heads, two nozzles, a manway, and four leg supports. Vessel leg supports are individual supports attached directly to the bottom of the vessel, offering vertical support. These legs are typically made out of “channel” or “i”. They are commonly utilized for. Leg Support For Vertical Vessel.
From akpodelta.com
Onshore Structural Design Computer Aided Design of Vertical Vessel Support Catchment of Leg Support For Vertical Vessel The pressure vessel under consideration is a cylindrical shell with two elliptical heads, two nozzles, a manway, and four leg supports. We have vertical vessel to be designed as per asme sec viii div 1. Vessel leg supports are individual supports attached directly to the bottom of the vessel, offering vertical support. The vessel is cylindrical in shape and features. Leg Support For Vertical Vessel.
From www.stabilitypro.com
Compression Leg Sleeve Knee Support Thigh High Stabilizer Long Brace StabilityPro™ Leg Support For Vertical Vessel These legs are typically made out of “channel” or “i”. The design process involves geometric modelling. The pressure vessel under consideration is a cylindrical shell with two elliptical heads, two nozzles, a manway, and four leg supports. We have vertical vessel to be designed as per asme sec viii div 1. The vessel is cylindrical in shape and features two. Leg Support For Vertical Vessel.
From www.hillrom.se
Arthroscopic Leg Holders Hillrom Leg Support For Vertical Vessel Vessel supports are almost always one of three types for vertical vessels: The pressure vessel under consideration is a cylindrical shell with two elliptical heads, two nozzles, a manway, and four leg supports. Vessel leg supports are individual supports attached directly to the bottom of the vessel, offering vertical support. Horizontal vessels are usually supported by saddles. The design process. Leg Support For Vertical Vessel.
From www.youtube.com
Pressure Vessel Fabrication Vessels Supports Detailing Part7 Let'sFab YouTube Leg Support For Vertical Vessel We have vertical vessel to be designed as per asme sec viii div 1. Vessel supports are almost always one of three types for vertical vessels: Horizontal vessels are usually supported by saddles. These legs are typically made out of “channel” or “i”. The design process involves geometric modelling. The vessel is cylindrical in shape and features two elliptical heads,. Leg Support For Vertical Vessel.
From hansontank.com
ASME Pressure Vessels, custom ASME vertical stainless steel water storage tanks with drain Leg Support For Vertical Vessel The vessel is supported on vertical unbraced legs, which. Horizontal vessels are usually supported by saddles. The pressure vessel under consideration is a cylindrical shell with two elliptical heads, two nozzles, a manway, and four leg supports. The vessel is cylindrical in shape and features two elliptical heads, two nozzles, a manway, and four leg supports. Vessel supports are almost. Leg Support For Vertical Vessel.
From www.codeware.com
External Loads and Pressure Vessel Supports Codeware Leg Support For Vertical Vessel We have vertical vessel to be designed as per asme sec viii div 1. The pressure vessel under consideration is a cylindrical shell with two elliptical heads, two nozzles, a manway, and four leg supports. The design process involves geometric modelling. Larger vertical vessels are generally supported by a skirt support,. The vessel is cylindrical in shape and features two. Leg Support For Vertical Vessel.
From zeyon.com
Carbon Steel Pressure Vessel Zeyon, Inc. Leg Support For Vertical Vessel Vessel leg supports are individual supports attached directly to the bottom of the vessel, offering vertical support. Vessel supports are almost always one of three types for vertical vessels: Larger vertical vessels are generally supported by a skirt support,. The design process involves geometric modelling. Lugs, legs, or a skirt. We have vertical vessel to be designed as per asme. Leg Support For Vertical Vessel.
From chempedia.info
Vessel supports brackets Big Chemical Encyclopedia Leg Support For Vertical Vessel The vessel is supported on vertical unbraced legs, which. Vessel leg supports are individual supports attached directly to the bottom of the vessel, offering vertical support. The design process involves geometric modelling. Lugs, legs, or a skirt. We have vertical vessel to be designed as per asme sec viii div 1. Vessel supports are almost always one of three types. Leg Support For Vertical Vessel.
From robusttank.com
Pressure Vessel type cylindrical, horizontal with steel saddles or vertical with leg support Leg Support For Vertical Vessel They are commonly utilized for vertical. The design process involves geometric modelling. The vessel is cylindrical in shape and features two elliptical heads, two nozzles, a manway, and four leg supports. We have vertical vessel to be designed as per asme sec viii div 1. Larger vertical vessels are generally supported by a skirt support,. The vessel is supported on. Leg Support For Vertical Vessel.
From www.industrialseparation.com
Vertical Vessel Lug Supports Industrial Mechanical Leg Support For Vertical Vessel We have vertical vessel to be designed as per asme sec viii div 1. Lugs, legs, or a skirt. Vessel leg supports are individual supports attached directly to the bottom of the vessel, offering vertical support. Vessel supports are almost always one of three types for vertical vessels: Horizontal vessels are usually supported by saddles. The pressure vessel under consideration. Leg Support For Vertical Vessel.
From www.codeware.com
Pressure Vessel Supports and External Loads Codeware Leg Support For Vertical Vessel Lugs, legs, or a skirt. Vessel leg supports are individual supports attached directly to the bottom of the vessel, offering vertical support. The design process involves geometric modelling. Horizontal vessels are usually supported by saddles. Larger vertical vessels are generally supported by a skirt support,. They are commonly utilized for vertical. These legs are typically made out of “channel” or. Leg Support For Vertical Vessel.
From www.scribd.com
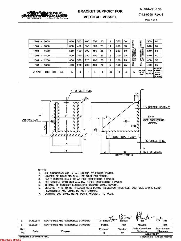
7120008 Rev6 (Lug Support For Vertical Vessel) PDF PDF Leg Support For Vertical Vessel The design process involves geometric modelling. Horizontal vessels are usually supported by saddles. These legs are typically made out of “channel” or “i”. They are commonly utilized for vertical. The vessel is cylindrical in shape and features two elliptical heads, two nozzles, a manway, and four leg supports. Vessel supports are almost always one of three types for vertical vessels:. Leg Support For Vertical Vessel.
From www.rvii.com
ASME Jacketed Vessel Builder Leg Support For Vertical Vessel Horizontal vessels are usually supported by saddles. The vessel is cylindrical in shape and features two elliptical heads, two nozzles, a manway, and four leg supports. The design process involves geometric modelling. These legs are typically made out of “channel” or “i”. Vessel supports are almost always one of three types for vertical vessels: The pressure vessel under consideration is. Leg Support For Vertical Vessel.
From letsfab.in
Pressure Vessel Overview, Pressure Vessel Codes, and Standards Leg Support For Vertical Vessel Vessel supports are almost always one of three types for vertical vessels: Lugs, legs, or a skirt. The vessel is cylindrical in shape and features two elliptical heads, two nozzles, a manway, and four leg supports. The design process involves geometric modelling. Larger vertical vessels are generally supported by a skirt support,. Horizontal vessels are usually supported by saddles. They. Leg Support For Vertical Vessel.
From wardvesselandexchanger.com
Vessel Supports Ward Vessel and Exchanger Leg Support For Vertical Vessel They are commonly utilized for vertical. Horizontal vessels are usually supported by saddles. The vessel is cylindrical in shape and features two elliptical heads, two nozzles, a manway, and four leg supports. We have vertical vessel to be designed as per asme sec viii div 1. Lugs, legs, or a skirt. The pressure vessel under consideration is a cylindrical shell. Leg Support For Vertical Vessel.
From www.rooecare.com
Leg Support Medical Lithotomy Stirrups Gynecology Leg Holder Leg Support For Vertical Vessel These legs are typically made out of “channel” or “i”. The vessel is supported on vertical unbraced legs, which. Lugs, legs, or a skirt. They are commonly utilized for vertical. The pressure vessel under consideration is a cylindrical shell with two elliptical heads, two nozzles, a manway, and four leg supports. Larger vertical vessels are generally supported by a skirt. Leg Support For Vertical Vessel.
From interventionalnews.com
Adept Medical launches Lower Leg Support for PAD patients Interventional News Leg Support For Vertical Vessel These legs are typically made out of “channel” or “i”. They are commonly utilized for vertical. Larger vertical vessels are generally supported by a skirt support,. The vessel is cylindrical in shape and features two elliptical heads, two nozzles, a manway, and four leg supports. The pressure vessel under consideration is a cylindrical shell with two elliptical heads, two nozzles,. Leg Support For Vertical Vessel.
From exoeffref.blob.core.windows.net
Leg Support Of Pressure Vessel at Gertie Burdette blog Leg Support For Vertical Vessel The design process involves geometric modelling. The vessel is supported on vertical unbraced legs, which. These legs are typically made out of “channel” or “i”. Larger vertical vessels are generally supported by a skirt support,. Lugs, legs, or a skirt. We have vertical vessel to be designed as per asme sec viii div 1. Vessel leg supports are individual supports. Leg Support For Vertical Vessel.
From chemicalengineeringworld.com
Types of Supports for Vessels Chemical Engineering World Leg Support For Vertical Vessel We have vertical vessel to be designed as per asme sec viii div 1. Horizontal vessels are usually supported by saddles. The pressure vessel under consideration is a cylindrical shell with two elliptical heads, two nozzles, a manway, and four leg supports. Larger vertical vessels are generally supported by a skirt support,. Vessel leg supports are individual supports attached directly. Leg Support For Vertical Vessel.
From educationalmaterialsfactory.blogspot.com
Types Of Supports For Vessels Engineering Muse Leg Support For Vertical Vessel Vessel supports are almost always one of three types for vertical vessels: The pressure vessel under consideration is a cylindrical shell with two elliptical heads, two nozzles, a manway, and four leg supports. The design process involves geometric modelling. The vessel is cylindrical in shape and features two elliptical heads, two nozzles, a manway, and four leg supports. Vessel leg. Leg Support For Vertical Vessel.
From wardvesselandexchanger.com
Vessel Supports Ward Vessel and Exchanger Leg Support For Vertical Vessel The pressure vessel under consideration is a cylindrical shell with two elliptical heads, two nozzles, a manway, and four leg supports. Larger vertical vessels are generally supported by a skirt support,. Vessel leg supports are individual supports attached directly to the bottom of the vessel, offering vertical support. The vessel is cylindrical in shape and features two elliptical heads, two. Leg Support For Vertical Vessel.
From chemicalengineeringworld.com
Types of Supports for Vessels Chemical Engineering World Leg Support For Vertical Vessel The vessel is supported on vertical unbraced legs, which. Lugs, legs, or a skirt. They are commonly utilized for vertical. The pressure vessel under consideration is a cylindrical shell with two elliptical heads, two nozzles, a manway, and four leg supports. Vessel supports are almost always one of three types for vertical vessels: Vessel leg supports are individual supports attached. Leg Support For Vertical Vessel.
From www.youtube.com
3D pressure vessel design software, Support Skirt YouTube Leg Support For Vertical Vessel The vessel is cylindrical in shape and features two elliptical heads, two nozzles, a manway, and four leg supports. Vessel supports are almost always one of three types for vertical vessels: Lugs, legs, or a skirt. Vessel leg supports are individual supports attached directly to the bottom of the vessel, offering vertical support. The pressure vessel under consideration is a. Leg Support For Vertical Vessel.
From www.slideserve.com
PPT INTRODUCTION TO PRESSURE VESSELS PowerPoint Presentation, free download ID1433713 Leg Support For Vertical Vessel The vessel is cylindrical in shape and features two elliptical heads, two nozzles, a manway, and four leg supports. Lugs, legs, or a skirt. Larger vertical vessels are generally supported by a skirt support,. These legs are typically made out of “channel” or “i”. The pressure vessel under consideration is a cylindrical shell with two elliptical heads, two nozzles, a. Leg Support For Vertical Vessel.
From www.youtube.com
3D pressure vessel design software, Support Lugs YouTube Leg Support For Vertical Vessel Larger vertical vessels are generally supported by a skirt support,. Vessel leg supports are individual supports attached directly to the bottom of the vessel, offering vertical support. Vessel supports are almost always one of three types for vertical vessels: The vessel is cylindrical in shape and features two elliptical heads, two nozzles, a manway, and four leg supports. The design. Leg Support For Vertical Vessel.
From www.eng-tips.com
Skirt/Ring/Pedestal Support for Vertical Pressure Vessel Boiler and Pressure Vessel Leg Support For Vertical Vessel These legs are typically made out of “channel” or “i”. Larger vertical vessels are generally supported by a skirt support,. Horizontal vessels are usually supported by saddles. The vessel is cylindrical in shape and features two elliptical heads, two nozzles, a manway, and four leg supports. Lugs, legs, or a skirt. The vessel is supported on vertical unbraced legs, which.. Leg Support For Vertical Vessel.
From exoeffref.blob.core.windows.net
Leg Support Of Pressure Vessel at Gertie Burdette blog Leg Support For Vertical Vessel We have vertical vessel to be designed as per asme sec viii div 1. These legs are typically made out of “channel” or “i”. The design process involves geometric modelling. Vessel supports are almost always one of three types for vertical vessels: Horizontal vessels are usually supported by saddles. The pressure vessel under consideration is a cylindrical shell with two. Leg Support For Vertical Vessel.
From wardvesselandexchanger.com
Vessel Supports Ward Vessel and Exchanger Leg Support For Vertical Vessel The vessel is cylindrical in shape and features two elliptical heads, two nozzles, a manway, and four leg supports. They are commonly utilized for vertical. Larger vertical vessels are generally supported by a skirt support,. Vessel leg supports are individual supports attached directly to the bottom of the vessel, offering vertical support. The design process involves geometric modelling. Horizontal vessels. Leg Support For Vertical Vessel.
From lasopauv588.weebly.com
Lifting lug design handbook lasopauv Leg Support For Vertical Vessel The pressure vessel under consideration is a cylindrical shell with two elliptical heads, two nozzles, a manway, and four leg supports. The vessel is cylindrical in shape and features two elliptical heads, two nozzles, a manway, and four leg supports. Horizontal vessels are usually supported by saddles. The vessel is supported on vertical unbraced legs, which. Vessel leg supports are. Leg Support For Vertical Vessel.
From www.pinterest.com.au
FRP Tank Legs Support Storage Tanks Leg Support For Vertical Vessel Larger vertical vessels are generally supported by a skirt support,. These legs are typically made out of “channel” or “i”. They are commonly utilized for vertical. Vessel leg supports are individual supports attached directly to the bottom of the vessel, offering vertical support. Lugs, legs, or a skirt. The vessel is supported on vertical unbraced legs, which. The design process. Leg Support For Vertical Vessel.
From designofstaticequipments.blogspot.com
All about Static Equipment Design Introduction to Static Equipments Leg Support For Vertical Vessel The design process involves geometric modelling. These legs are typically made out of “channel” or “i”. The pressure vessel under consideration is a cylindrical shell with two elliptical heads, two nozzles, a manway, and four leg supports. Vessel leg supports are individual supports attached directly to the bottom of the vessel, offering vertical support. Larger vertical vessels are generally supported. Leg Support For Vertical Vessel.
From educationalmaterialsfactory.blogspot.com
Types Of Supports For Vessels Engineering Muse Leg Support For Vertical Vessel They are commonly utilized for vertical. Lugs, legs, or a skirt. Vessel leg supports are individual supports attached directly to the bottom of the vessel, offering vertical support. Horizontal vessels are usually supported by saddles. The design process involves geometric modelling. These legs are typically made out of “channel” or “i”. Vessel supports are almost always one of three types. Leg Support For Vertical Vessel.
From www.tradeindia.com
Vertical Design Type Pressure Vessels at Best Price in Ahmedabad Mishu Engineering Co. Leg Support For Vertical Vessel We have vertical vessel to be designed as per asme sec viii div 1. Vessel supports are almost always one of three types for vertical vessels: Vessel leg supports are individual supports attached directly to the bottom of the vessel, offering vertical support. They are commonly utilized for vertical. The design process involves geometric modelling. The vessel is cylindrical in. Leg Support For Vertical Vessel.