Holset Air Compressor Parts Breakdown . Everything you need to get your cummins / holset single air brake compressor working like new. Table of contents cutaway view holset® ss191 a/c model exploded view holset® ss191 a/c model cutaway view holset® ss296, ss296e, and ss338e a/c model. The latest technology and the highest quality standards are used in the manufacture of holset turbochargers. There are now three options for dealing with the problem of frequent air dryer cycling in air supply systems that incorporate the holset type e and. El13040 and el13040x compressors may also. Bushing/bearings, compressor acc., gaskets, head kits, major components,. Port orientation viewed from rear.
from www.jackssmallengines.com
Table of contents cutaway view holset® ss191 a/c model exploded view holset® ss191 a/c model cutaway view holset® ss296, ss296e, and ss338e a/c model. There are now three options for dealing with the problem of frequent air dryer cycling in air supply systems that incorporate the holset type e and. The latest technology and the highest quality standards are used in the manufacture of holset turbochargers. Port orientation viewed from rear. Everything you need to get your cummins / holset single air brake compressor working like new. Bushing/bearings, compressor acc., gaskets, head kits, major components,. El13040 and el13040x compressors may also.
Campbell Hausfeld HX5100 Parts Diagram for Parts
Holset Air Compressor Parts Breakdown Bushing/bearings, compressor acc., gaskets, head kits, major components,. Bushing/bearings, compressor acc., gaskets, head kits, major components,. Everything you need to get your cummins / holset single air brake compressor working like new. Table of contents cutaway view holset® ss191 a/c model exploded view holset® ss191 a/c model cutaway view holset® ss296, ss296e, and ss338e a/c model. There are now three options for dealing with the problem of frequent air dryer cycling in air supply systems that incorporate the holset type e and. Port orientation viewed from rear. El13040 and el13040x compressors may also. The latest technology and the highest quality standards are used in the manufacture of holset turbochargers.
From service-workshopmanual.com
Holset Air Compressors Master Repair Manual PDF Download Service Holset Air Compressor Parts Breakdown Table of contents cutaway view holset® ss191 a/c model exploded view holset® ss191 a/c model cutaway view holset® ss296, ss296e, and ss338e a/c model. El13040 and el13040x compressors may also. Port orientation viewed from rear. There are now three options for dealing with the problem of frequent air dryer cycling in air supply systems that incorporate the holset type e. Holset Air Compressor Parts Breakdown.
From www.amazon.in
Interchange Cummins/holset Air Compressor Minor Head Set Gasket Kit, As Holset Air Compressor Parts Breakdown Table of contents cutaway view holset® ss191 a/c model exploded view holset® ss191 a/c model cutaway view holset® ss296, ss296e, and ss338e a/c model. There are now three options for dealing with the problem of frequent air dryer cycling in air supply systems that incorporate the holset type e and. The latest technology and the highest quality standards are used. Holset Air Compressor Parts Breakdown.
From www.about-air-compressors.com
Parts of An Air Compressor Diagram Guide Air Compressor Parts List Holset Air Compressor Parts Breakdown Table of contents cutaway view holset® ss191 a/c model exploded view holset® ss191 a/c model cutaway view holset® ss296, ss296e, and ss338e a/c model. There are now three options for dealing with the problem of frequent air dryer cycling in air supply systems that incorporate the holset type e and. The latest technology and the highest quality standards are used. Holset Air Compressor Parts Breakdown.
From www.dieselmotors.info
Holset Air Compressors Master Repair Manual 208002 Component Holset Air Compressor Parts Breakdown Table of contents cutaway view holset® ss191 a/c model exploded view holset® ss191 a/c model cutaway view holset® ss296, ss296e, and ss338e a/c model. Bushing/bearings, compressor acc., gaskets, head kits, major components,. The latest technology and the highest quality standards are used in the manufacture of holset turbochargers. Everything you need to get your cummins / holset single air brake. Holset Air Compressor Parts Breakdown.
From www.autorepairmanuals.ws
Cummins Holset Air Compressors Master Repair Manual Auto Repair Holset Air Compressor Parts Breakdown Bushing/bearings, compressor acc., gaskets, head kits, major components,. There are now three options for dealing with the problem of frequent air dryer cycling in air supply systems that incorporate the holset type e and. Table of contents cutaway view holset® ss191 a/c model exploded view holset® ss191 a/c model cutaway view holset® ss296, ss296e, and ss338e a/c model. El13040 and. Holset Air Compressor Parts Breakdown.
From www.about-air-compressors.com
Parts of An Air Compressor Diagram Guide Air Compressor Parts List Holset Air Compressor Parts Breakdown Bushing/bearings, compressor acc., gaskets, head kits, major components,. Port orientation viewed from rear. There are now three options for dealing with the problem of frequent air dryer cycling in air supply systems that incorporate the holset type e and. El13040 and el13040x compressors may also. Table of contents cutaway view holset® ss191 a/c model exploded view holset® ss191 a/c model. Holset Air Compressor Parts Breakdown.
From www.dieselmotors.info
Holset Air Compressors Master Repair Manual 208002 Component Holset Air Compressor Parts Breakdown Bushing/bearings, compressor acc., gaskets, head kits, major components,. El13040 and el13040x compressors may also. Port orientation viewed from rear. There are now three options for dealing with the problem of frequent air dryer cycling in air supply systems that incorporate the holset type e and. The latest technology and the highest quality standards are used in the manufacture of holset. Holset Air Compressor Parts Breakdown.
From www.accupart.com
Cummins/Holset Single Air Compressor Head Kit + Wave Springs, QE296 Holset Air Compressor Parts Breakdown There are now three options for dealing with the problem of frequent air dryer cycling in air supply systems that incorporate the holset type e and. The latest technology and the highest quality standards are used in the manufacture of holset turbochargers. Everything you need to get your cummins / holset single air brake compressor working like new. Port orientation. Holset Air Compressor Parts Breakdown.
From www.dsmtuners.com
How to read the HX35 & HX40 compressor map(s) DSMtuners Holset Air Compressor Parts Breakdown Bushing/bearings, compressor acc., gaskets, head kits, major components,. El13040 and el13040x compressors may also. The latest technology and the highest quality standards are used in the manufacture of holset turbochargers. Port orientation viewed from rear. Everything you need to get your cummins / holset single air brake compressor working like new. There are now three options for dealing with the. Holset Air Compressor Parts Breakdown.
From www.ebay.com
Compressor Head Repair Kit for a Holset QE 296 PAI 220039 Ref Holset Air Compressor Parts Breakdown There are now three options for dealing with the problem of frequent air dryer cycling in air supply systems that incorporate the holset type e and. Bushing/bearings, compressor acc., gaskets, head kits, major components,. El13040 and el13040x compressors may also. The latest technology and the highest quality standards are used in the manufacture of holset turbochargers. Port orientation viewed from. Holset Air Compressor Parts Breakdown.
From allmakestruckparts.com
COMPRESSOR HOLSET QE296 XCHG All Makes Truck Parts Holset Air Compressor Parts Breakdown The latest technology and the highest quality standards are used in the manufacture of holset turbochargers. Bushing/bearings, compressor acc., gaskets, head kits, major components,. Everything you need to get your cummins / holset single air brake compressor working like new. There are now three options for dealing with the problem of frequent air dryer cycling in air supply systems that. Holset Air Compressor Parts Breakdown.
From www.dieselmotors.info
Holset Air Compressors Master Repair Manual 208002 Component Holset Air Compressor Parts Breakdown There are now three options for dealing with the problem of frequent air dryer cycling in air supply systems that incorporate the holset type e and. El13040 and el13040x compressors may also. Everything you need to get your cummins / holset single air brake compressor working like new. The latest technology and the highest quality standards are used in the. Holset Air Compressor Parts Breakdown.
From www.narodnatribuna.info
Cummins Air Compressor Parts Diagram Holset Air Compressor Parts Breakdown El13040 and el13040x compressors may also. Table of contents cutaway view holset® ss191 a/c model exploded view holset® ss191 a/c model cutaway view holset® ss296, ss296e, and ss338e a/c model. Port orientation viewed from rear. The latest technology and the highest quality standards are used in the manufacture of holset turbochargers. Bushing/bearings, compressor acc., gaskets, head kits, major components,. There. Holset Air Compressor Parts Breakdown.
From constructioncranes.tpub.com
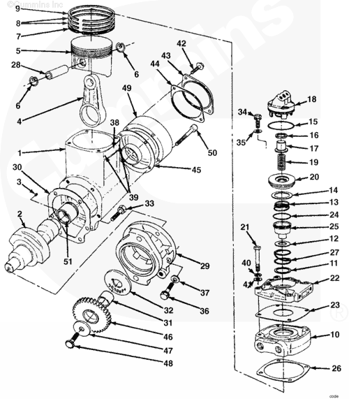
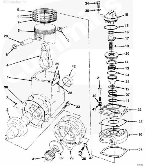
Air Compressor (Holset QE230, SS296, SS296E, QE296, SS338E and QE338 Holset Air Compressor Parts Breakdown El13040 and el13040x compressors may also. The latest technology and the highest quality standards are used in the manufacture of holset turbochargers. There are now three options for dealing with the problem of frequent air dryer cycling in air supply systems that incorporate the holset type e and. Port orientation viewed from rear. Everything you need to get your cummins. Holset Air Compressor Parts Breakdown.
From mypowermanual.com
Holset Air Compressor Master Repair Manual PDF MyPowerManual Holset Air Compressor Parts Breakdown Port orientation viewed from rear. Table of contents cutaway view holset® ss191 a/c model exploded view holset® ss191 a/c model cutaway view holset® ss296, ss296e, and ss338e a/c model. The latest technology and the highest quality standards are used in the manufacture of holset turbochargers. Bushing/bearings, compressor acc., gaskets, head kits, major components,. Everything you need to get your cummins. Holset Air Compressor Parts Breakdown.
From schematiclistmorvant.z13.web.core.windows.net
Gas Powered Air Compressor Parts Diagram Holset Air Compressor Parts Breakdown The latest technology and the highest quality standards are used in the manufacture of holset turbochargers. Port orientation viewed from rear. Bushing/bearings, compressor acc., gaskets, head kits, major components,. Table of contents cutaway view holset® ss191 a/c model exploded view holset® ss191 a/c model cutaway view holset® ss296, ss296e, and ss338e a/c model. Everything you need to get your cummins. Holset Air Compressor Parts Breakdown.
From www.jackssmallengines.com
Campbell Hausfeld MT5012 Parts Diagram for Parts Holset Air Compressor Parts Breakdown El13040 and el13040x compressors may also. Everything you need to get your cummins / holset single air brake compressor working like new. Table of contents cutaway view holset® ss191 a/c model exploded view holset® ss191 a/c model cutaway view holset® ss296, ss296e, and ss338e a/c model. There are now three options for dealing with the problem of frequent air dryer. Holset Air Compressor Parts Breakdown.
From www.dieselmotors.info
Holset Air Compressors Master Repair Manual 208002 Component Holset Air Compressor Parts Breakdown Everything you need to get your cummins / holset single air brake compressor working like new. There are now three options for dealing with the problem of frequent air dryer cycling in air supply systems that incorporate the holset type e and. Table of contents cutaway view holset® ss191 a/c model exploded view holset® ss191 a/c model cutaway view holset®. Holset Air Compressor Parts Breakdown.
From www.justanswer.com
Holset Air Compressor Breakdown Q&A for Cummins and DD13 Engines Holset Air Compressor Parts Breakdown There are now three options for dealing with the problem of frequent air dryer cycling in air supply systems that incorporate the holset type e and. Table of contents cutaway view holset® ss191 a/c model exploded view holset® ss191 a/c model cutaway view holset® ss296, ss296e, and ss338e a/c model. Everything you need to get your cummins / holset single. Holset Air Compressor Parts Breakdown.
From www.dieselmotors.info
Holset Air Compressors Master Repair Manual 208002 Component Holset Air Compressor Parts Breakdown Table of contents cutaway view holset® ss191 a/c model exploded view holset® ss191 a/c model cutaway view holset® ss296, ss296e, and ss338e a/c model. Bushing/bearings, compressor acc., gaskets, head kits, major components,. Everything you need to get your cummins / holset single air brake compressor working like new. Port orientation viewed from rear. The latest technology and the highest quality. Holset Air Compressor Parts Breakdown.
From www.researchgate.net
2. Performance map of Holset HX80 turbocharger. The solid circles Holset Air Compressor Parts Breakdown Table of contents cutaway view holset® ss191 a/c model exploded view holset® ss191 a/c model cutaway view holset® ss296, ss296e, and ss338e a/c model. Port orientation viewed from rear. Bushing/bearings, compressor acc., gaskets, head kits, major components,. Everything you need to get your cummins / holset single air brake compressor working like new. There are now three options for dealing. Holset Air Compressor Parts Breakdown.
From www.autorepairmanuals.ws
Cummins Holset Air Compressors Master Repair Manual Auto Repair Holset Air Compressor Parts Breakdown There are now three options for dealing with the problem of frequent air dryer cycling in air supply systems that incorporate the holset type e and. Table of contents cutaway view holset® ss191 a/c model exploded view holset® ss191 a/c model cutaway view holset® ss296, ss296e, and ss338e a/c model. The latest technology and the highest quality standards are used. Holset Air Compressor Parts Breakdown.
From powerbrakes.com
Cummins/Holset Air Compressor 3558082X/SS296 Holset Air Compressor Parts Breakdown There are now three options for dealing with the problem of frequent air dryer cycling in air supply systems that incorporate the holset type e and. Port orientation viewed from rear. Table of contents cutaway view holset® ss191 a/c model exploded view holset® ss191 a/c model cutaway view holset® ss296, ss296e, and ss338e a/c model. Bushing/bearings, compressor acc., gaskets, head. Holset Air Compressor Parts Breakdown.
From manuals-express.com
Cummins Holset Air Compressor Official Service Master Repair Holset Air Compressor Parts Breakdown Port orientation viewed from rear. Everything you need to get your cummins / holset single air brake compressor working like new. Bushing/bearings, compressor acc., gaskets, head kits, major components,. The latest technology and the highest quality standards are used in the manufacture of holset turbochargers. Table of contents cutaway view holset® ss191 a/c model exploded view holset® ss191 a/c model. Holset Air Compressor Parts Breakdown.
From constructioncranes.tpub.com
Air Compressor (Holset QE230, SS296, SS296E, QE296, SS338E and QE338 Holset Air Compressor Parts Breakdown Bushing/bearings, compressor acc., gaskets, head kits, major components,. The latest technology and the highest quality standards are used in the manufacture of holset turbochargers. There are now three options for dealing with the problem of frequent air dryer cycling in air supply systems that incorporate the holset type e and. Everything you need to get your cummins / holset single. Holset Air Compressor Parts Breakdown.
From www.epcatalogs.com
Cummins Holset Air Compressors Master Manual Download Holset Air Compressor Parts Breakdown El13040 and el13040x compressors may also. Bushing/bearings, compressor acc., gaskets, head kits, major components,. The latest technology and the highest quality standards are used in the manufacture of holset turbochargers. Port orientation viewed from rear. Everything you need to get your cummins / holset single air brake compressor working like new. Table of contents cutaway view holset® ss191 a/c model. Holset Air Compressor Parts Breakdown.
From constructioncranes.tpub.com
Air Compressor (Holset QE230, SS296, SS296E, QE296, SS338E and QE338 Holset Air Compressor Parts Breakdown There are now three options for dealing with the problem of frequent air dryer cycling in air supply systems that incorporate the holset type e and. The latest technology and the highest quality standards are used in the manufacture of holset turbochargers. Bushing/bearings, compressor acc., gaskets, head kits, major components,. Port orientation viewed from rear. El13040 and el13040x compressors may. Holset Air Compressor Parts Breakdown.
From ru.777parts.net
9701 Air Compressor Kit (Holset) ДВИГАТЕЛЬ John Deere 6081 ENGINE Holset Air Compressor Parts Breakdown El13040 and el13040x compressors may also. Port orientation viewed from rear. The latest technology and the highest quality standards are used in the manufacture of holset turbochargers. Table of contents cutaway view holset® ss191 a/c model exploded view holset® ss191 a/c model cutaway view holset® ss296, ss296e, and ss338e a/c model. Bushing/bearings, compressor acc., gaskets, head kits, major components,. There. Holset Air Compressor Parts Breakdown.
From powerbrakes.com
Cummins / Holset Air Compressor 3558204X/SS296BE Holset Air Compressor Parts Breakdown Everything you need to get your cummins / holset single air brake compressor working like new. The latest technology and the highest quality standards are used in the manufacture of holset turbochargers. Table of contents cutaway view holset® ss191 a/c model exploded view holset® ss191 a/c model cutaway view holset® ss296, ss296e, and ss338e a/c model. Port orientation viewed from. Holset Air Compressor Parts Breakdown.
From www.jackssmallengines.com
Campbell Hausfeld HX5100 Parts Diagram for Parts Holset Air Compressor Parts Breakdown Everything you need to get your cummins / holset single air brake compressor working like new. Table of contents cutaway view holset® ss191 a/c model exploded view holset® ss191 a/c model cutaway view holset® ss296, ss296e, and ss338e a/c model. Bushing/bearings, compressor acc., gaskets, head kits, major components,. The latest technology and the highest quality standards are used in the. Holset Air Compressor Parts Breakdown.
From www.finditparts.com
3558074X by BENDIX Holset Air Brake Compressor, Remanufactured Holset Air Compressor Parts Breakdown The latest technology and the highest quality standards are used in the manufacture of holset turbochargers. El13040 and el13040x compressors may also. Table of contents cutaway view holset® ss191 a/c model exploded view holset® ss191 a/c model cutaway view holset® ss296, ss296e, and ss338e a/c model. There are now three options for dealing with the problem of frequent air dryer. Holset Air Compressor Parts Breakdown.
From mypowermanual.com
Holset Air Compressor Master Repair Manual MyPowerManual Holset Air Compressor Parts Breakdown There are now three options for dealing with the problem of frequent air dryer cycling in air supply systems that incorporate the holset type e and. Everything you need to get your cummins / holset single air brake compressor working like new. Table of contents cutaway view holset® ss191 a/c model exploded view holset® ss191 a/c model cutaway view holset®. Holset Air Compressor Parts Breakdown.
From constructioncranes.tpub.com
Air Compressor (Holset QE230, SS296, SS296E, QE296, SS338E and QE338 Holset Air Compressor Parts Breakdown There are now three options for dealing with the problem of frequent air dryer cycling in air supply systems that incorporate the holset type e and. Everything you need to get your cummins / holset single air brake compressor working like new. The latest technology and the highest quality standards are used in the manufacture of holset turbochargers. Table of. Holset Air Compressor Parts Breakdown.
From www.alibaba.com
Holset Model Ss296c Water Cooled Air Compressor 3558006 For Liugong Holset Air Compressor Parts Breakdown The latest technology and the highest quality standards are used in the manufacture of holset turbochargers. Bushing/bearings, compressor acc., gaskets, head kits, major components,. Table of contents cutaway view holset® ss191 a/c model exploded view holset® ss191 a/c model cutaway view holset® ss296, ss296e, and ss338e a/c model. There are now three options for dealing with the problem of frequent. Holset Air Compressor Parts Breakdown.
From www.dieselmotors.info
Holset Air Compressors Master Repair Manual 208002 Component Holset Air Compressor Parts Breakdown Bushing/bearings, compressor acc., gaskets, head kits, major components,. There are now three options for dealing with the problem of frequent air dryer cycling in air supply systems that incorporate the holset type e and. Table of contents cutaway view holset® ss191 a/c model exploded view holset® ss191 a/c model cutaway view holset® ss296, ss296e, and ss338e a/c model. The latest. Holset Air Compressor Parts Breakdown.