Trw Steering Box Repair Manual . Trw commercial steering division has exercised reasonable care and diligence. View and download trw ta s40 series service manual online. This service manual has been prepared by trw commercial steering systems for reference and use by mechanics who have been trained to. A warning describes hazards or unsafe. In this section you can find all our relevant trw truck steering service literature (manuals and procedures) listed by product category. Ta s40 series touchscreen pdf manual download. This service manual has been prepared by trw commercial steering division for reference and use by mechanics who have been trained to repair and service steering components and. This service manual has been prepared by trw commercial steering division for reference and use by mechanics who have been trained to. Chart your way to easy steering.
from www.autozone.com
View and download trw ta s40 series service manual online. This service manual has been prepared by trw commercial steering systems for reference and use by mechanics who have been trained to. Chart your way to easy steering. Ta s40 series touchscreen pdf manual download. In this section you can find all our relevant trw truck steering service literature (manuals and procedures) listed by product category. This service manual has been prepared by trw commercial steering division for reference and use by mechanics who have been trained to. A warning describes hazards or unsafe. Trw commercial steering division has exercised reasonable care and diligence. This service manual has been prepared by trw commercial steering division for reference and use by mechanics who have been trained to repair and service steering components and.
Repair Guides Steering Manual Steering/rack And Pinion
Trw Steering Box Repair Manual In this section you can find all our relevant trw truck steering service literature (manuals and procedures) listed by product category. This service manual has been prepared by trw commercial steering division for reference and use by mechanics who have been trained to repair and service steering components and. View and download trw ta s40 series service manual online. This service manual has been prepared by trw commercial steering division for reference and use by mechanics who have been trained to. In this section you can find all our relevant trw truck steering service literature (manuals and procedures) listed by product category. This service manual has been prepared by trw commercial steering systems for reference and use by mechanics who have been trained to. A warning describes hazards or unsafe. Trw commercial steering division has exercised reasonable care and diligence. Chart your way to easy steering. Ta s40 series touchscreen pdf manual download.
From workshop-manuals.com
Audi Service and Repair Manuals > A2 > Running gear, front Trw Steering Box Repair Manual A warning describes hazards or unsafe. Trw commercial steering division has exercised reasonable care and diligence. This service manual has been prepared by trw commercial steering division for reference and use by mechanics who have been trained to. This service manual has been prepared by trw commercial steering division for reference and use by mechanics who have been trained to. Trw Steering Box Repair Manual.
From www.youtube.com
TRW Steering Gear Poppet Setting and Resetting Procedure YouTube Trw Steering Box Repair Manual A warning describes hazards or unsafe. In this section you can find all our relevant trw truck steering service literature (manuals and procedures) listed by product category. Ta s40 series touchscreen pdf manual download. This service manual has been prepared by trw commercial steering division for reference and use by mechanics who have been trained to. View and download trw. Trw Steering Box Repair Manual.
From wiringdbdreher.z19.web.core.windows.net
Trw Steering Box Diagram Trw Steering Box Repair Manual Chart your way to easy steering. This service manual has been prepared by trw commercial steering systems for reference and use by mechanics who have been trained to. Trw commercial steering division has exercised reasonable care and diligence. View and download trw ta s40 series service manual online. Ta s40 series touchscreen pdf manual download. In this section you can. Trw Steering Box Repair Manual.
From usparts.volvocars.com
9140422 Steering Gear. Steering Box. MARKED 4. TRW. 1PCS 5003969 2 Trw Steering Box Repair Manual View and download trw ta s40 series service manual online. Trw commercial steering division has exercised reasonable care and diligence. This service manual has been prepared by trw commercial steering division for reference and use by mechanics who have been trained to repair and service steering components and. This service manual has been prepared by trw commercial steering division for. Trw Steering Box Repair Manual.
From www.scribd.com
TRW1112 TRW Ross HF64 Steering Gear Service Manual.pdf Trw Steering Box Repair Manual Trw commercial steering division has exercised reasonable care and diligence. This service manual has been prepared by trw commercial steering systems for reference and use by mechanics who have been trained to. Ta s40 series touchscreen pdf manual download. This service manual has been prepared by trw commercial steering division for reference and use by mechanics who have been trained. Trw Steering Box Repair Manual.
From www.ebay.com
TRW ROSS HFB70 70 STEERING GEAR BOX PARTS SERVICE MANUAL SEMITRUCK eBay Trw Steering Box Repair Manual View and download trw ta s40 series service manual online. A warning describes hazards or unsafe. Chart your way to easy steering. This service manual has been prepared by trw commercial steering systems for reference and use by mechanics who have been trained to. Ta s40 series touchscreen pdf manual download. In this section you can find all our relevant. Trw Steering Box Repair Manual.
From www.thesamba.com
Type 3 View topic Steering Boxes VW vs. TRW; VW Trw Steering Box Repair Manual A warning describes hazards or unsafe. This service manual has been prepared by trw commercial steering division for reference and use by mechanics who have been trained to. Ta s40 series touchscreen pdf manual download. This service manual has been prepared by trw commercial steering division for reference and use by mechanics who have been trained to repair and service. Trw Steering Box Repair Manual.
From www.paylesstruckparts.com
TRW/Ross Steering Gear / Rack Payless Truck Parts Trw Steering Box Repair Manual A warning describes hazards or unsafe. View and download trw ta s40 series service manual online. In this section you can find all our relevant trw truck steering service literature (manuals and procedures) listed by product category. This service manual has been prepared by trw commercial steering division for reference and use by mechanics who have been trained to repair. Trw Steering Box Repair Manual.
From www.autozone.com
Repair Guides Steering Manual Steering/rack And Pinion Trw Steering Box Repair Manual This service manual has been prepared by trw commercial steering division for reference and use by mechanics who have been trained to. A warning describes hazards or unsafe. View and download trw ta s40 series service manual online. Trw commercial steering division has exercised reasonable care and diligence. In this section you can find all our relevant trw truck steering. Trw Steering Box Repair Manual.
From www.intos.kr
Heavy Equipment, Parts & Attachments TRW Automotive TAS 40 55 65 & 85 Trw Steering Box Repair Manual This service manual has been prepared by trw commercial steering division for reference and use by mechanics who have been trained to. Trw commercial steering division has exercised reasonable care and diligence. In this section you can find all our relevant trw truck steering service literature (manuals and procedures) listed by product category. A warning describes hazards or unsafe. This. Trw Steering Box Repair Manual.
From workshop-manuals.com
Vauxhall Service and Repair Manuals > Astra H > M Steering Trw Steering Box Repair Manual This service manual has been prepared by trw commercial steering division for reference and use by mechanics who have been trained to repair and service steering components and. This service manual has been prepared by trw commercial steering systems for reference and use by mechanics who have been trained to. In this section you can find all our relevant trw. Trw Steering Box Repair Manual.
From www.autorepairmanuals.ws
TRW THP Steering Gear Maintenance Manual VDL Bus & Coach Auto Repair Trw Steering Box Repair Manual Chart your way to easy steering. A warning describes hazards or unsafe. Trw commercial steering division has exercised reasonable care and diligence. In this section you can find all our relevant trw truck steering service literature (manuals and procedures) listed by product category. Ta s40 series touchscreen pdf manual download. This service manual has been prepared by trw commercial steering. Trw Steering Box Repair Manual.
From workshop-manuals.com
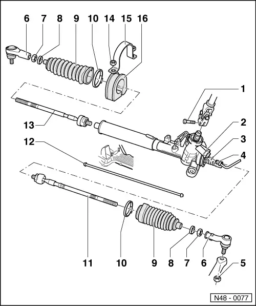
Volkswagen Manuals > Golf Mk3 > Running gear > Steering Trw Steering Box Repair Manual View and download trw ta s40 series service manual online. In this section you can find all our relevant trw truck steering service literature (manuals and procedures) listed by product category. This service manual has been prepared by trw commercial steering division for reference and use by mechanics who have been trained to repair and service steering components and. Chart. Trw Steering Box Repair Manual.
From www.pinterest.com
Beetle steering box differences Beetle, Trw, Type 3 Trw Steering Box Repair Manual This service manual has been prepared by trw commercial steering division for reference and use by mechanics who have been trained to. In this section you can find all our relevant trw truck steering service literature (manuals and procedures) listed by product category. Ta s40 series touchscreen pdf manual download. View and download trw ta s40 series service manual online.. Trw Steering Box Repair Manual.
From www.ebay.com
TRW Steering Gear Service Manual TAS40 TAS55 TAS65 Gearbox Shop Repair Trw Steering Box Repair Manual Trw commercial steering division has exercised reasonable care and diligence. In this section you can find all our relevant trw truck steering service literature (manuals and procedures) listed by product category. This service manual has been prepared by trw commercial steering division for reference and use by mechanics who have been trained to repair and service steering components and. A. Trw Steering Box Repair Manual.
From www.autorepairmanuals.ws
TRW Automotive THPPCF Steering Gear Service Manual Auto Repair Manual Trw Steering Box Repair Manual View and download trw ta s40 series service manual online. This service manual has been prepared by trw commercial steering division for reference and use by mechanics who have been trained to repair and service steering components and. Trw commercial steering division has exercised reasonable care and diligence. Chart your way to easy steering. Ta s40 series touchscreen pdf manual. Trw Steering Box Repair Manual.
From diagramdbkortig.z13.web.core.windows.net
Trw Steering Box Diagram Trw Steering Box Repair Manual Chart your way to easy steering. Ta s40 series touchscreen pdf manual download. Trw commercial steering division has exercised reasonable care and diligence. This service manual has been prepared by trw commercial steering division for reference and use by mechanics who have been trained to repair and service steering components and. A warning describes hazards or unsafe. In this section. Trw Steering Box Repair Manual.
From www.scribd.com
TRW1312 TRW Power Steering Pump Service Manual PS Series PDF PDF Trw Steering Box Repair Manual View and download trw ta s40 series service manual online. This service manual has been prepared by trw commercial steering division for reference and use by mechanics who have been trained to. Ta s40 series touchscreen pdf manual download. A warning describes hazards or unsafe. Chart your way to easy steering. This service manual has been prepared by trw commercial. Trw Steering Box Repair Manual.
From www.ebay.com
Steering box repair kit type with power steering built by TRW Ford Trw Steering Box Repair Manual Trw commercial steering division has exercised reasonable care and diligence. View and download trw ta s40 series service manual online. This service manual has been prepared by trw commercial steering division for reference and use by mechanics who have been trained to repair and service steering components and. This service manual has been prepared by trw commercial steering division for. Trw Steering Box Repair Manual.
From www.ebay.com
Steering box repair kit type with power steering built by TRW Ford Trw Steering Box Repair Manual Trw commercial steering division has exercised reasonable care and diligence. A warning describes hazards or unsafe. In this section you can find all our relevant trw truck steering service literature (manuals and procedures) listed by product category. Chart your way to easy steering. Ta s40 series touchscreen pdf manual download. This service manual has been prepared by trw commercial steering. Trw Steering Box Repair Manual.
From www.autozone.com
Repair Guides Steering Manual Steering/rack And Pinion Trw Steering Box Repair Manual Ta s40 series touchscreen pdf manual download. This service manual has been prepared by trw commercial steering division for reference and use by mechanics who have been trained to repair and service steering components and. This service manual has been prepared by trw commercial steering systems for reference and use by mechanics who have been trained to. A warning describes. Trw Steering Box Repair Manual.
From www.youtube.com
TRW Commercial Steering Systems Steering Gear Sector Shaft Adjustment Trw Steering Box Repair Manual View and download trw ta s40 series service manual online. Ta s40 series touchscreen pdf manual download. This service manual has been prepared by trw commercial steering division for reference and use by mechanics who have been trained to repair and service steering components and. This service manual has been prepared by trw commercial steering systems for reference and use. Trw Steering Box Repair Manual.
From workshop-manuals.com
Volkswagen Manuals > Golf Mk2 > Running gear > Steering Trw Steering Box Repair Manual Trw commercial steering division has exercised reasonable care and diligence. Chart your way to easy steering. This service manual has been prepared by trw commercial steering division for reference and use by mechanics who have been trained to repair and service steering components and. A warning describes hazards or unsafe. In this section you can find all our relevant trw. Trw Steering Box Repair Manual.
From www.youtube.com
TRW, steering box kenworth, Pete, freighter...how install seals Trw Steering Box Repair Manual This service manual has been prepared by trw commercial steering systems for reference and use by mechanics who have been trained to. This service manual has been prepared by trw commercial steering division for reference and use by mechanics who have been trained to repair and service steering components and. In this section you can find all our relevant trw. Trw Steering Box Repair Manual.
From www.thesamba.com
Type 3 View topic Steering Boxes VW vs. TRW; VW Trw Steering Box Repair Manual A warning describes hazards or unsafe. This service manual has been prepared by trw commercial steering division for reference and use by mechanics who have been trained to repair and service steering components and. Chart your way to easy steering. Trw commercial steering division has exercised reasonable care and diligence. This service manual has been prepared by trw commercial steering. Trw Steering Box Repair Manual.
From workshop-manuals.com
Audi Service and Repair Manuals > A2 > Running gear, front Trw Steering Box Repair Manual Trw commercial steering division has exercised reasonable care and diligence. A warning describes hazards or unsafe. This service manual has been prepared by trw commercial steering division for reference and use by mechanics who have been trained to repair and service steering components and. This service manual has been prepared by trw commercial steering systems for reference and use by. Trw Steering Box Repair Manual.
From workshop-manuals.com
TRW PowerAssisted Steering Repair VW Golf Mk2 Manuals Trw Steering Box Repair Manual Ta s40 series touchscreen pdf manual download. In this section you can find all our relevant trw truck steering service literature (manuals and procedures) listed by product category. This service manual has been prepared by trw commercial steering systems for reference and use by mechanics who have been trained to. View and download trw ta s40 series service manual online.. Trw Steering Box Repair Manual.
From www.thesamba.com
Type 3 View topic Steering Boxes VW vs. TRW; VW Trw Steering Box Repair Manual In this section you can find all our relevant trw truck steering service literature (manuals and procedures) listed by product category. Trw commercial steering division has exercised reasonable care and diligence. This service manual has been prepared by trw commercial steering division for reference and use by mechanics who have been trained to repair and service steering components and. Chart. Trw Steering Box Repair Manual.
From www.scribd.com
TRW Steering Box Service Manual PDF Steering Automatic Transmission Trw Steering Box Repair Manual Chart your way to easy steering. Ta s40 series touchscreen pdf manual download. View and download trw ta s40 series service manual online. In this section you can find all our relevant trw truck steering service literature (manuals and procedures) listed by product category. This service manual has been prepared by trw commercial steering systems for reference and use by. Trw Steering Box Repair Manual.
From wimanual.com
Daf Bus Trw Steering Gears Manual Trw Steering Box Repair Manual In this section you can find all our relevant trw truck steering service literature (manuals and procedures) listed by product category. Trw commercial steering division has exercised reasonable care and diligence. A warning describes hazards or unsafe. This service manual has been prepared by trw commercial steering systems for reference and use by mechanics who have been trained to. This. Trw Steering Box Repair Manual.
From appu.com.uy
6872 VW Bus Steering Box Removal Installation, 56 OFF Trw Steering Box Repair Manual View and download trw ta s40 series service manual online. Chart your way to easy steering. A warning describes hazards or unsafe. This service manual has been prepared by trw commercial steering division for reference and use by mechanics who have been trained to repair and service steering components and. Trw commercial steering division has exercised reasonable care and diligence.. Trw Steering Box Repair Manual.
From www.thesamba.com
Type 3 View topic Steering Boxes VW vs. TRW; VW Trw Steering Box Repair Manual This service manual has been prepared by trw commercial steering systems for reference and use by mechanics who have been trained to. This service manual has been prepared by trw commercial steering division for reference and use by mechanics who have been trained to repair and service steering components and. A warning describes hazards or unsafe. In this section you. Trw Steering Box Repair Manual.
From www.binderplanet.com
1972 Scout II Manual Steering TRW 253CC002 Gear Box Trw Steering Box Repair Manual This service manual has been prepared by trw commercial steering division for reference and use by mechanics who have been trained to. This service manual has been prepared by trw commercial steering systems for reference and use by mechanics who have been trained to. Ta s40 series touchscreen pdf manual download. In this section you can find all our relevant. Trw Steering Box Repair Manual.
From schempal.com
Understanding the Power Steering Gearbox Diagram A Comprehensive Guide Trw Steering Box Repair Manual View and download trw ta s40 series service manual online. Chart your way to easy steering. This service manual has been prepared by trw commercial steering division for reference and use by mechanics who have been trained to. In this section you can find all our relevant trw truck steering service literature (manuals and procedures) listed by product category. Trw. Trw Steering Box Repair Manual.
From workshop-manuals.com
Volkswagen Service and Repair Manuals > Polo Mk4 > Running Trw Steering Box Repair Manual This service manual has been prepared by trw commercial steering division for reference and use by mechanics who have been trained to repair and service steering components and. This service manual has been prepared by trw commercial steering systems for reference and use by mechanics who have been trained to. View and download trw ta s40 series service manual online.. Trw Steering Box Repair Manual.