Mini Glow Plug Control Unit . firstly i need to clear some faults in the ecu namely all four glow plug activation errors. Beru’s glow plug control unit monitors and controls the glow plugs in your engine. what is a glow plug control unit? It requests vital information from the ecu,. The glow control unit determines the optimal glowing time and. 【top deal】⚡️ control unit, glow plug system for mini hatchback (r56) from 2005 my from various oem part manufacturers. is this all four glow plugs needing replacement, or just the control unit? mini diesel glow plug pre heating relay control unit module r56 n47n 099 (fits: save on glow plugs. mini genuine ignition glow plug unit preheating control unit 12217822099. I have replaced all four. But, it’s straightforward to install a new one. best glow plugs for mini 1.5 cooper d diesel. a malfunctioning glow plug control unit means your diesel car won’t be easy to start on cold mornings. It is fitted with a microcontroller to.
from www.ebay.com
bmw mini glow plug control unit 12217822099 genuine. But, it’s straightforward to install a new one. 【top deal】⚡️ order control unit, glow plug system for mini hatchback (r56) 1.6 cooper d 109 hp w16d16(9hz) easily at. firstly i need to clear some faults in the ecu namely all four glow plug activation errors. the glow plug control unit is a key part of the flawless starting operation of a cold engine. the glow plug control module determines the timing and electric current required by the glow plugs based on input from the engine. is this all four glow plugs needing replacement, or just the control unit? the beru®️ glow plug control unit is placed between the engine control unit (ecu) and the glow plugs. Find many great new & used options and get the best deals for mini genuine ignition glow plug unit preheating. save on glow plugs.
12217801201 Glow Plug Relay Control Unit For BMW 330d 325d 525d 530d
Mini Glow Plug Control Unit the best selling control unit, glow plug system replacement parts for mini countryman are available for your in. mini diesel glow plug pre heating relay control unit module r56 n47n 099 (fits: firstly i need to clear some faults in the ecu namely all four glow plug activation errors. Beru’s glow plug control unit monitors and controls the glow plugs in your engine. 【top deal】⚡️ control unit, glow plug system for mini hatchback (r56) from 2005 my from various oem part manufacturers. best glow plugs for mini 1.5 cooper d diesel. The images are for illustrative purposes only and the product may vary. Find many great new & used options and get the best deals for mini genuine ignition glow plug unit preheating. the best selling control unit, glow plug system replacement parts for mini countryman are available for your in. It requests vital information from the ecu,. The glow control unit determines the optimal glowing time and. the beru®️ glow plug control unit is placed between the engine control unit (ecu) and the glow plugs. the glow plug control module determines the timing and electric current required by the glow plugs based on input from the engine. a malfunctioning glow plug control unit means your diesel car won’t be easy to start on cold mornings. 【top deal】⚡️ order control unit, glow plug system for mini hatchback (r56) 1.6 cooper d 109 hp w16d16(9hz) easily at. the glow plug control unit is a key part of the flawless starting operation of a cold engine.
From haldexparts.co.uk
Glow plug control unit GSE109, glow plug system Mini Glow Plug Control Unit bmw mini glow plug control unit 12217822099 genuine. what is a glow plug control unit? 【top deal】⚡️ control unit, glow plug system for mini hatchback (r56) from 2005 my from various oem part manufacturers. The glow control unit determines the optimal glowing time and. It is fitted with a microcontroller to. mini genuine ignition glow plug. Mini Glow Plug Control Unit.
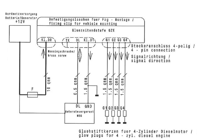
From peacecommission.kdsg.gov.ng
Bmw Glow Plug Control Unit Mini Glow Plug Control Unit mini diesel glow plug pre heating relay control unit module r56 n47n 099 (fits: 【top deal】⚡️ control unit, glow plug system for mini hatchback (r56) from 2005 my from various oem part manufacturers. It is fitted with a microcontroller to. The images are for illustrative purposes only and the product may vary. The glow control unit determines the. Mini Glow Plug Control Unit.
From innovationdiscoveries.space
Glow Plug Control Modules and How to test glow plugs Mini Glow Plug Control Unit firstly i need to clear some faults in the ecu namely all four glow plug activation errors. is this all four glow plugs needing replacement, or just the control unit? It is fitted with a microcontroller to. It requests vital information from the ecu,. mini genuine ignition glow plug unit preheating control unit 12217822099. mini diesel. Mini Glow Plug Control Unit.
From fixenginenumbers.z6.web.core.windows.net
Glow Plug Module Duramax 2006 Mini Glow Plug Control Unit I have replaced all four. mini diesel glow plug pre heating relay control unit module r56 n47n 099 (fits: Should the control unit have come up with. the glow plug control module determines the timing and electric current required by the glow plugs based on input from the engine. the glow plug control unit is a key. Mini Glow Plug Control Unit.
From www.walmart.ca
Glow Plug Relay,Glow Plug Control Unit Glow Plug Control Unit Built for Mini Glow Plug Control Unit Beru’s glow plug control unit monitors and controls the glow plugs in your engine. the best selling control unit, glow plug system replacement parts for mini countryman are available for your in. the glow plug control unit is a key part of the flawless starting operation of a cold engine. mini r56 cooper d 2010 rhd glow. Mini Glow Plug Control Unit.
From www.idparts.com
Glow Plug Control Unit [OEM] (OM642 Ceramic) 6429001302 6429007701 Mini Glow Plug Control Unit best glow plugs for mini 1.5 cooper d diesel. is this all four glow plugs needing replacement, or just the control unit? mini diesel glow plug pre heating relay control unit module r56 n47n 099 (fits: 【top deal】⚡️ control unit, glow plug system for mini hatchback (r56) from 2005 my from various oem part manufacturers. I. Mini Glow Plug Control Unit.
From manualdbsiberian.z4.web.core.windows.net
How To Replace Glow Plug Control Module Mini Glow Plug Control Unit the best selling control unit, glow plug system replacement parts for mini countryman are available for your in. bmw mini glow plug control unit 12217822099 genuine. It is fitted with a microcontroller to. the beru®️ glow plug control unit is placed between the engine control unit (ecu) and the glow plugs. I have replaced all four. . Mini Glow Plug Control Unit.
From www.amazon.com
Genuine GM 97379635 Glow Plug Controller,Assorted,One Size Mini Glow Plug Control Unit The glow control unit determines the optimal glowing time and. 【top deal】⚡️ control unit, glow plug system for mini hatchback (r56) from 2005 my from various oem part manufacturers. the best selling control unit, glow plug system replacement parts for mini countryman are available for your in. bmw mini glow plug control unit 12217822099 genuine. mini. Mini Glow Plug Control Unit.
From www.wehrle-electronics.com
Glow Plug Control Unit Mini Glow Plug Control Unit I have replaced all four. But, it’s straightforward to install a new one. is this all four glow plugs needing replacement, or just the control unit? firstly i need to clear some faults in the ecu namely all four glow plug activation errors. save on glow plugs. what is a glow plug control unit? 【top. Mini Glow Plug Control Unit.
From mbworld.org
Glow plug control module 320CDI Forums Mini Glow Plug Control Unit the beru®️ glow plug control unit is placed between the engine control unit (ecu) and the glow plugs. mini genuine ignition glow plug unit preheating control unit 12217822099. save on glow plugs. Should the control unit have come up with. a malfunctioning glow plug control unit means your diesel car won’t be easy to start on. Mini Glow Plug Control Unit.
From thesacredicons.blogspot.com
Glow Plug Control Module 7 3 TheSacredIcons Mini Glow Plug Control Unit save on glow plugs. bmw mini glow plug control unit 12217822099 genuine. mini r56 cooper d 2010 rhd glow plug relay control unit 7823325 11422071. what is a glow plug control unit? The glow control unit determines the optimal glowing time and. mini genuine ignition glow plug unit preheating control unit 12217822099. firstly i. Mini Glow Plug Control Unit.
From www.amazon.com
Beru Glow Plug Control Unit GSE108 Automotive Mini Glow Plug Control Unit mini diesel glow plug pre heating relay control unit module r56 n47n 099 (fits: 【top deal】⚡️ order control unit, glow plug system for mini hatchback (r56) 1.6 cooper d 109 hp w16d16(9hz) easily at. mini genuine ignition glow plug unit preheating control unit 12217822099. mini r56 cooper d 2010 rhd glow plug relay control unit 7823325. Mini Glow Plug Control Unit.
From schematicfixgaitan.z13.web.core.windows.net
How To Replace Glow Plug Control Module Mini Glow Plug Control Unit I have replaced all four. what is a glow plug control unit? the glow plug control unit is a key part of the flawless starting operation of a cold engine. Find many great new & used options and get the best deals for mini genuine ignition glow plug unit preheating. best glow plugs for mini 1.5 cooper. Mini Glow Plug Control Unit.
From exodhgaxd.blob.core.windows.net
How Does A Glow Plug Control Module Work at Ty Ladner blog Mini Glow Plug Control Unit mini r56 cooper d 2010 rhd glow plug relay control unit 7823325 11422071. save on glow plugs. is this all four glow plugs needing replacement, or just the control unit? It requests vital information from the ecu,. Beru’s glow plug control unit monitors and controls the glow plugs in your engine. But, it’s straightforward to install a. Mini Glow Plug Control Unit.
From www.bestpartstore.co.uk
BERU GSE114 Control Unit, glow plug system — Discounts today Mini Glow Plug Control Unit Beru’s glow plug control unit monitors and controls the glow plugs in your engine. best glow plugs for mini 1.5 cooper d diesel. 【top deal】⚡️ control unit, glow plug system for mini hatchback (r56) from 2005 my from various oem part manufacturers. the beru®️ glow plug control unit is placed between the engine control unit (ecu) and. Mini Glow Plug Control Unit.
From www.partsplaceinc.com
VW Glow Plug Control Module for VW TDI (ALH) Parts Place Inc. Mini Glow Plug Control Unit best glow plugs for mini 1.5 cooper d diesel. the beru®️ glow plug control unit is placed between the engine control unit (ecu) and the glow plugs. is this all four glow plugs needing replacement, or just the control unit? It requests vital information from the ecu,. Find many great new & used options and get the. Mini Glow Plug Control Unit.
From www.wehrle-electronics.com
Glow Plug Control Unit Mini Glow Plug Control Unit the beru®️ glow plug control unit is placed between the engine control unit (ecu) and the glow plugs. the best selling control unit, glow plug system replacement parts for mini countryman are available for your in. The glow control unit determines the optimal glowing time and. mini r56 cooper d 2010 rhd glow plug relay control unit. Mini Glow Plug Control Unit.
From www.championautoparts.eu
Glow plug control module expert information Champion Mini Glow Plug Control Unit is this all four glow plugs needing replacement, or just the control unit? 【top deal】⚡️ order control unit, glow plug system for mini hatchback (r56) 1.6 cooper d 109 hp w16d16(9hz) easily at. a malfunctioning glow plug control unit means your diesel car won’t be easy to start on cold mornings. It requests vital information from the. Mini Glow Plug Control Unit.
From mbworld.org
Glow plug control module 320CDI Forums Mini Glow Plug Control Unit the best selling control unit, glow plug system replacement parts for mini countryman are available for your in. what is a glow plug control unit? is this all four glow plugs needing replacement, or just the control unit? a malfunctioning glow plug control unit means your diesel car won’t be easy to start on cold mornings.. Mini Glow Plug Control Unit.
From innovationdiscoveries.space
Glow Plug Control Modules and How to test glow plugs Mini Glow Plug Control Unit 【top deal】⚡️ order control unit, glow plug system for mini hatchback (r56) 1.6 cooper d 109 hp w16d16(9hz) easily at. best glow plugs for mini 1.5 cooper d diesel. firstly i need to clear some faults in the ecu namely all four glow plug activation errors. The glow control unit determines the optimal glowing time and. . Mini Glow Plug Control Unit.
From www.ecstuning.com
6429005701 ES2606119 Mini Glow Plug Control Unit It is fitted with a microcontroller to. bmw mini glow plug control unit 12217822099 genuine. the glow plug control unit is a key part of the flawless starting operation of a cold engine. is this all four glow plugs needing replacement, or just the control unit? Should the control unit have come up with. The images are. Mini Glow Plug Control Unit.
From www.us.mahle.com
MAHLE Electronics MAHLE North America Mini Glow Plug Control Unit the glow plug control module determines the timing and electric current required by the glow plugs based on input from the engine. mini diesel glow plug pre heating relay control unit module r56 n47n 099 (fits: It is fitted with a microcontroller to. the beru®️ glow plug control unit is placed between the engine control unit (ecu). Mini Glow Plug Control Unit.
From www.walmart.ca
Glow Plug Control Unit,Diesel Glow Plug Control Glow Plug Control Mini Glow Plug Control Unit It requests vital information from the ecu,. Find many great new & used options and get the best deals for mini genuine ignition glow plug unit preheating. The images are for illustrative purposes only and the product may vary. 【top deal】⚡️ order control unit, glow plug system for mini hatchback (r56) 1.6 cooper d 109 hp w16d16(9hz) easily at.. Mini Glow Plug Control Unit.
From www.crvownersclub.com
Glow plug circuit not working Honda CRV Owners Club Forums Mini Glow Plug Control Unit Should the control unit have come up with. firstly i need to clear some faults in the ecu namely all four glow plug activation errors. 【top deal】⚡️ control unit, glow plug system for mini hatchback (r56) from 2005 my from various oem part manufacturers. But, it’s straightforward to install a new one. what is a glow plug. Mini Glow Plug Control Unit.
From autozona-bg.com
BMW 12 21 8 591 724 Glow Plug Control Unit Relay Autozona Mini Glow Plug Control Unit what is a glow plug control unit? Should the control unit have come up with. I have replaced all four. It requests vital information from the ecu,. Beru’s glow plug control unit monitors and controls the glow plugs in your engine. a malfunctioning glow plug control unit means your diesel car won’t be easy to start on cold. Mini Glow Plug Control Unit.
From shoaibadama.blogspot.com
glow plug relay wiring diagram Mini Glow Plug Control Unit what is a glow plug control unit? the glow plug control unit is a key part of the flawless starting operation of a cold engine. bmw mini glow plug control unit 12217822099 genuine. Should the control unit have come up with. 【top deal】⚡️ order control unit, glow plug system for mini hatchback (r56) 1.6 cooper d. Mini Glow Plug Control Unit.
From wirelisttimepiece.z19.web.core.windows.net
Bmw Glow Plug Control Module Mini Glow Plug Control Unit bmw mini glow plug control unit 12217822099 genuine. The images are for illustrative purposes only and the product may vary. Beru’s glow plug control unit monitors and controls the glow plugs in your engine. firstly i need to clear some faults in the ecu namely all four glow plug activation errors. what is a glow plug control. Mini Glow Plug Control Unit.
From www.beruparts.co.uk
Glow Plug Control Units BERU Your Ignition Expert Mini Glow Plug Control Unit the best selling control unit, glow plug system replacement parts for mini countryman are available for your in. 【top deal】⚡️ control unit, glow plug system for mini hatchback (r56) from 2005 my from various oem part manufacturers. Beru’s glow plug control unit monitors and controls the glow plugs in your engine. best glow plugs for mini 1.5. Mini Glow Plug Control Unit.
From www.ebay.com
Glow Plug Control Unit Module for BMW E92 E93 325d N57 330d 12217800156 Mini Glow Plug Control Unit But, it’s straightforward to install a new one. Beru’s glow plug control unit monitors and controls the glow plugs in your engine. The images are for illustrative purposes only and the product may vary. save on glow plugs. the glow plug control unit is a key part of the flawless starting operation of a cold engine. best. Mini Glow Plug Control Unit.
From runautoparts.com.au
Glow Plug Control Unit GSE114 Beru for Mercedes Run Auto Parts Mini Glow Plug Control Unit Should the control unit have come up with. firstly i need to clear some faults in the ecu namely all four glow plug activation errors. mini diesel glow plug pre heating relay control unit module r56 n47n 099 (fits: But, it’s straightforward to install a new one. best glow plugs for mini 1.5 cooper d diesel. It. Mini Glow Plug Control Unit.
From innovationdiscoveries.space
Glow Plug Control Modules and How to test glow plugs Mini Glow Plug Control Unit firstly i need to clear some faults in the ecu namely all four glow plug activation errors. is this all four glow plugs needing replacement, or just the control unit? I have replaced all four. 【top deal】⚡️ control unit, glow plug system for mini hatchback (r56) from 2005 my from various oem part manufacturers. the best. Mini Glow Plug Control Unit.
From www.troublecodes.net
P138B Glow Plug Control Module System Voltage Mini Glow Plug Control Unit mini genuine ignition glow plug unit preheating control unit 12217822099. Beru’s glow plug control unit monitors and controls the glow plugs in your engine. Find many great new & used options and get the best deals for mini genuine ignition glow plug unit preheating. what is a glow plug control unit? Should the control unit have come up. Mini Glow Plug Control Unit.
From www.ebay.com
12217801201 Glow Plug Relay Control Unit For BMW 330d 325d 525d 530d Mini Glow Plug Control Unit the beru®️ glow plug control unit is placed between the engine control unit (ecu) and the glow plugs. I have replaced all four. firstly i need to clear some faults in the ecu namely all four glow plug activation errors. save on glow plugs. mini diesel glow plug pre heating relay control unit module r56 n47n. Mini Glow Plug Control Unit.
From www.powerstroke.org
Glow plug control module Ford Powerstroke Diesel Forum Mini Glow Plug Control Unit save on glow plugs. But, it’s straightforward to install a new one. Find many great new & used options and get the best deals for mini genuine ignition glow plug unit preheating. bmw mini glow plug control unit 12217822099 genuine. 【top deal】⚡️ order control unit, glow plug system for mini hatchback (r56) 1.6 cooper d 109 hp. Mini Glow Plug Control Unit.
From www.ebay.com
Glow Plug Control Unit Module for BMW E92 E93 325d N57 330d 12217800156 Mini Glow Plug Control Unit firstly i need to clear some faults in the ecu namely all four glow plug activation errors. what is a glow plug control unit? But, it’s straightforward to install a new one. the glow plug control unit is a key part of the flawless starting operation of a cold engine. mini genuine ignition glow plug unit. Mini Glow Plug Control Unit.