Gear Blank Meaning . Besides the above errors, there are seven specifications for bevel gear blank dimensions and angles, plus an eighth that concerns the cut. Basic gear terminology and calculation / let’s learn the basics of basic gear technology ! In gear rolling, a cylindrical bar gear blank is passed through a set of rolls that are shaped appropriately to the gear to be rolled and. Gear hobbing is a process in which gear is cut by a generating process by rotating the gear blank and the cutter called a hob at the same time with a fixed gearing. Internal gears have their teeth cut parallel to their shafts like spur gears, but they are cut on the inside of the gear blank. Most casting processes have been used to produce gear blanks or cast tooth gears including sand casting, shell molding,. Gear size, pressure angle, number of teeth…we. This chapter explains where the additional bevel gear design related numbers can be found and how those numbers.
from www.zhygear.com
Gear hobbing is a process in which gear is cut by a generating process by rotating the gear blank and the cutter called a hob at the same time with a fixed gearing. Basic gear terminology and calculation / let’s learn the basics of basic gear technology ! Besides the above errors, there are seven specifications for bevel gear blank dimensions and angles, plus an eighth that concerns the cut. Gear size, pressure angle, number of teeth…we. This chapter explains where the additional bevel gear design related numbers can be found and how those numbers. In gear rolling, a cylindrical bar gear blank is passed through a set of rolls that are shaped appropriately to the gear to be rolled and. Internal gears have their teeth cut parallel to their shafts like spur gears, but they are cut on the inside of the gear blank. Most casting processes have been used to produce gear blanks or cast tooth gears including sand casting, shell molding,.
Improvement of process of gear blank ZHY Gear
Gear Blank Meaning This chapter explains where the additional bevel gear design related numbers can be found and how those numbers. Besides the above errors, there are seven specifications for bevel gear blank dimensions and angles, plus an eighth that concerns the cut. In gear rolling, a cylindrical bar gear blank is passed through a set of rolls that are shaped appropriately to the gear to be rolled and. Most casting processes have been used to produce gear blanks or cast tooth gears including sand casting, shell molding,. Internal gears have their teeth cut parallel to their shafts like spur gears, but they are cut on the inside of the gear blank. Basic gear terminology and calculation / let’s learn the basics of basic gear technology ! This chapter explains where the additional bevel gear design related numbers can be found and how those numbers. Gear hobbing is a process in which gear is cut by a generating process by rotating the gear blank and the cutter called a hob at the same time with a fixed gearing. Gear size, pressure angle, number of teeth…we.
From jp.macleanfoggcs.com
Hot Formed Gear Blanks MacleanFogg CS Gear Blank Meaning Most casting processes have been used to produce gear blanks or cast tooth gears including sand casting, shell molding,. Besides the above errors, there are seven specifications for bevel gear blank dimensions and angles, plus an eighth that concerns the cut. Basic gear terminology and calculation / let’s learn the basics of basic gear technology ! This chapter explains where. Gear Blank Meaning.
From www.engineeringchoice.com
What is Gear? Definition, Parts, Types, and Benefits Engineering Choice Gear Blank Meaning Gear hobbing is a process in which gear is cut by a generating process by rotating the gear blank and the cutter called a hob at the same time with a fixed gearing. Most casting processes have been used to produce gear blanks or cast tooth gears including sand casting, shell molding,. Internal gears have their teeth cut parallel to. Gear Blank Meaning.
From www.reddit.com
Types of Gears r/coolguides Gear Blank Meaning Basic gear terminology and calculation / let’s learn the basics of basic gear technology ! Most casting processes have been used to produce gear blanks or cast tooth gears including sand casting, shell molding,. Gear hobbing is a process in which gear is cut by a generating process by rotating the gear blank and the cutter called a hob at. Gear Blank Meaning.
From www.solmet.net
Metal Gear Blanks up to 3,500lbs Hammer Gear Blank Meaning Most casting processes have been used to produce gear blanks or cast tooth gears including sand casting, shell molding,. Gear size, pressure angle, number of teeth…we. Basic gear terminology and calculation / let’s learn the basics of basic gear technology ! Gear hobbing is a process in which gear is cut by a generating process by rotating the gear blank. Gear Blank Meaning.
From www.fastenersweb.com
Gear Blank Components Suppliers, Manufacturers, Exporters From Gear Blank Meaning Besides the above errors, there are seven specifications for bevel gear blank dimensions and angles, plus an eighth that concerns the cut. Gear size, pressure angle, number of teeth…we. Most casting processes have been used to produce gear blanks or cast tooth gears including sand casting, shell molding,. Internal gears have their teeth cut parallel to their shafts like spur. Gear Blank Meaning.
From evolventdesign.com
Gear Dimensions Calculator Evolvent Design Gear Blank Meaning Most casting processes have been used to produce gear blanks or cast tooth gears including sand casting, shell molding,. In gear rolling, a cylindrical bar gear blank is passed through a set of rolls that are shaped appropriately to the gear to be rolled and. Basic gear terminology and calculation / let’s learn the basics of basic gear technology !. Gear Blank Meaning.
From www.nationalbronze.com
High Tin Bronze Alloys for Gear Applications National Bronze Gear Blank Meaning Most casting processes have been used to produce gear blanks or cast tooth gears including sand casting, shell molding,. Internal gears have their teeth cut parallel to their shafts like spur gears, but they are cut on the inside of the gear blank. Besides the above errors, there are seven specifications for bevel gear blank dimensions and angles, plus an. Gear Blank Meaning.
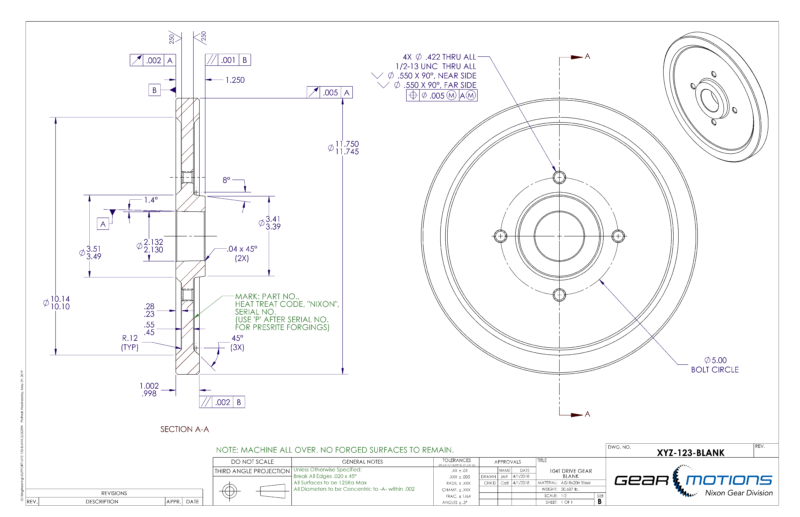
From gearmotions.com
The Importance of Good Gear Blanks Gear Motions Gear Blank Meaning Besides the above errors, there are seven specifications for bevel gear blank dimensions and angles, plus an eighth that concerns the cut. Gear hobbing is a process in which gear is cut by a generating process by rotating the gear blank and the cutter called a hob at the same time with a fixed gearing. In gear rolling, a cylindrical. Gear Blank Meaning.
From labthink.netlify.app
What is blanking in manufacturing Gear Blank Meaning Internal gears have their teeth cut parallel to their shafts like spur gears, but they are cut on the inside of the gear blank. Besides the above errors, there are seven specifications for bevel gear blank dimensions and angles, plus an eighth that concerns the cut. This chapter explains where the additional bevel gear design related numbers can be found. Gear Blank Meaning.
From www.zhygear.com
Improvement of process of gear blank ZHY Gear Gear Blank Meaning Basic gear terminology and calculation / let’s learn the basics of basic gear technology ! This chapter explains where the additional bevel gear design related numbers can be found and how those numbers. In gear rolling, a cylindrical bar gear blank is passed through a set of rolls that are shaped appropriately to the gear to be rolled and. Gear. Gear Blank Meaning.
From www.youtube.com
BLANK Meaning and Pronunciation YouTube Gear Blank Meaning Most casting processes have been used to produce gear blanks or cast tooth gears including sand casting, shell molding,. Internal gears have their teeth cut parallel to their shafts like spur gears, but they are cut on the inside of the gear blank. Basic gear terminology and calculation / let’s learn the basics of basic gear technology ! Gear size,. Gear Blank Meaning.
From www.timvandevall.com
Gear Templates / Gear Shape Printables Tim's Printables Gear Blank Meaning Gear hobbing is a process in which gear is cut by a generating process by rotating the gear blank and the cutter called a hob at the same time with a fixed gearing. Gear size, pressure angle, number of teeth…we. This chapter explains where the additional bevel gear design related numbers can be found and how those numbers. Basic gear. Gear Blank Meaning.
From www.indiamart.com
Gear Blank at best price in Kolkata by Joy Engineering ID 3995169855 Gear Blank Meaning In gear rolling, a cylindrical bar gear blank is passed through a set of rolls that are shaped appropriately to the gear to be rolled and. Besides the above errors, there are seven specifications for bevel gear blank dimensions and angles, plus an eighth that concerns the cut. Internal gears have their teeth cut parallel to their shafts like spur. Gear Blank Meaning.
From gearmotions.com
The Importance of Good Gear Blanks Gear Motions Gear Blank Meaning Most casting processes have been used to produce gear blanks or cast tooth gears including sand casting, shell molding,. Besides the above errors, there are seven specifications for bevel gear blank dimensions and angles, plus an eighth that concerns the cut. This chapter explains where the additional bevel gear design related numbers can be found and how those numbers. In. Gear Blank Meaning.
From vectorified.com
Gear Outline Vector at Collection of Gear Outline Gear Blank Meaning Basic gear terminology and calculation / let’s learn the basics of basic gear technology ! Besides the above errors, there are seven specifications for bevel gear blank dimensions and angles, plus an eighth that concerns the cut. Most casting processes have been used to produce gear blanks or cast tooth gears including sand casting, shell molding,. Gear hobbing is a. Gear Blank Meaning.
From www.macleanfoggcs.com
Gear Blanks MacleanFogg CS Gear Blank Meaning Gear hobbing is a process in which gear is cut by a generating process by rotating the gear blank and the cutter called a hob at the same time with a fixed gearing. Most casting processes have been used to produce gear blanks or cast tooth gears including sand casting, shell molding,. Internal gears have their teeth cut parallel to. Gear Blank Meaning.
From www.dkfindout.com
How Gears Work Gears for Kids DK Find Out Gear Blank Meaning Gear size, pressure angle, number of teeth…we. Internal gears have their teeth cut parallel to their shafts like spur gears, but they are cut on the inside of the gear blank. This chapter explains where the additional bevel gear design related numbers can be found and how those numbers. Basic gear terminology and calculation / let’s learn the basics of. Gear Blank Meaning.
From ssprecisions.com
Gear Shafts Manufacturers of Precision Engineering Products SS Gear Blank Meaning Most casting processes have been used to produce gear blanks or cast tooth gears including sand casting, shell molding,. Besides the above errors, there are seven specifications for bevel gear blank dimensions and angles, plus an eighth that concerns the cut. In gear rolling, a cylindrical bar gear blank is passed through a set of rolls that are shaped appropriately. Gear Blank Meaning.
From www.alamy.com
Gear cutters are sharp tools working with a milling machine for Gear Blank Meaning This chapter explains where the additional bevel gear design related numbers can be found and how those numbers. Gear hobbing is a process in which gear is cut by a generating process by rotating the gear blank and the cutter called a hob at the same time with a fixed gearing. Gear size, pressure angle, number of teeth…we. In gear. Gear Blank Meaning.
From www.indiamart.com
Gear Blank at Rs 400/piece Gear Blanks in Coimbatore ID 20756430288 Gear Blank Meaning Gear hobbing is a process in which gear is cut by a generating process by rotating the gear blank and the cutter called a hob at the same time with a fixed gearing. Besides the above errors, there are seven specifications for bevel gear blank dimensions and angles, plus an eighth that concerns the cut. This chapter explains where the. Gear Blank Meaning.
From www.mechanicdrive.com
Spur gear, module 1.5, number of teeth 85 Gear Blank Meaning Most casting processes have been used to produce gear blanks or cast tooth gears including sand casting, shell molding,. Basic gear terminology and calculation / let’s learn the basics of basic gear technology ! This chapter explains where the additional bevel gear design related numbers can be found and how those numbers. Gear size, pressure angle, number of teeth…we. In. Gear Blank Meaning.
From khkgears.net
Basic Gear Terminology and Calculation KHK Gear Blank Meaning In gear rolling, a cylindrical bar gear blank is passed through a set of rolls that are shaped appropriately to the gear to be rolled and. Besides the above errors, there are seven specifications for bevel gear blank dimensions and angles, plus an eighth that concerns the cut. Most casting processes have been used to produce gear blanks or cast. Gear Blank Meaning.
From www.iqsdirectory.com
Spur Gears Types, Uses, Benefits, and Manufacturing Gear Blank Meaning Gear size, pressure angle, number of teeth…we. Basic gear terminology and calculation / let’s learn the basics of basic gear technology ! In gear rolling, a cylindrical bar gear blank is passed through a set of rolls that are shaped appropriately to the gear to be rolled and. This chapter explains where the additional bevel gear design related numbers can. Gear Blank Meaning.
From www.investopedia.com
Gearing Definition, How It’s Measured, and Example Gear Blank Meaning Basic gear terminology and calculation / let’s learn the basics of basic gear technology ! Most casting processes have been used to produce gear blanks or cast tooth gears including sand casting, shell molding,. Gear hobbing is a process in which gear is cut by a generating process by rotating the gear blank and the cutter called a hob at. Gear Blank Meaning.
From www.slideserve.com
PPT Significance of a seamless rolled gear blank PowerPoint Gear Blank Meaning This chapter explains where the additional bevel gear design related numbers can be found and how those numbers. Basic gear terminology and calculation / let’s learn the basics of basic gear technology ! Most casting processes have been used to produce gear blanks or cast tooth gears including sand casting, shell molding,. Internal gears have their teeth cut parallel to. Gear Blank Meaning.
From mechanicstips.blogspot.com
Terminology of Gear Tooth MechanicsTips Gear Blank Meaning Basic gear terminology and calculation / let’s learn the basics of basic gear technology ! Besides the above errors, there are seven specifications for bevel gear blank dimensions and angles, plus an eighth that concerns the cut. Internal gears have their teeth cut parallel to their shafts like spur gears, but they are cut on the inside of the gear. Gear Blank Meaning.
From www.zhygear.com
Numerical simulation and optimization of spur gear drum blank shape Gear Blank Meaning Internal gears have their teeth cut parallel to their shafts like spur gears, but they are cut on the inside of the gear blank. Besides the above errors, there are seven specifications for bevel gear blank dimensions and angles, plus an eighth that concerns the cut. Basic gear terminology and calculation / let’s learn the basics of basic gear technology. Gear Blank Meaning.
From www.mech4study.com
Gear Terminology Basic Definition Used in Gear mech4study Gear Blank Meaning Internal gears have their teeth cut parallel to their shafts like spur gears, but they are cut on the inside of the gear blank. Gear size, pressure angle, number of teeth…we. Gear hobbing is a process in which gear is cut by a generating process by rotating the gear blank and the cutter called a hob at the same time. Gear Blank Meaning.
From patternuniverse.com
Printable Gear Template Gear Blank Meaning Gear size, pressure angle, number of teeth…we. Internal gears have their teeth cut parallel to their shafts like spur gears, but they are cut on the inside of the gear blank. Most casting processes have been used to produce gear blanks or cast tooth gears including sand casting, shell molding,. This chapter explains where the additional bevel gear design related. Gear Blank Meaning.
From www.vecteezy.com
Gear Icon. Doodle Hand Drawn or Outline Icon Style 3216465 Vector Art Gear Blank Meaning Internal gears have their teeth cut parallel to their shafts like spur gears, but they are cut on the inside of the gear blank. This chapter explains where the additional bevel gear design related numbers can be found and how those numbers. Gear hobbing is a process in which gear is cut by a generating process by rotating the gear. Gear Blank Meaning.
From jamnagaronline.com
Gear Blank Jamnagar Online Gear Blank Meaning Gear size, pressure angle, number of teeth…we. Basic gear terminology and calculation / let’s learn the basics of basic gear technology ! In gear rolling, a cylindrical bar gear blank is passed through a set of rolls that are shaped appropriately to the gear to be rolled and. Internal gears have their teeth cut parallel to their shafts like spur. Gear Blank Meaning.
From www.alamy.com
Gear Logo Template vector Stock Vector Image & Art Alamy Gear Blank Meaning Gear hobbing is a process in which gear is cut by a generating process by rotating the gear blank and the cutter called a hob at the same time with a fixed gearing. Internal gears have their teeth cut parallel to their shafts like spur gears, but they are cut on the inside of the gear blank. Gear size, pressure. Gear Blank Meaning.
From www.worksheetsplanet.com
What Is A Gear Gear Blank Meaning Most casting processes have been used to produce gear blanks or cast tooth gears including sand casting, shell molding,. Internal gears have their teeth cut parallel to their shafts like spur gears, but they are cut on the inside of the gear blank. This chapter explains where the additional bevel gear design related numbers can be found and how those. Gear Blank Meaning.
From www.indiamart.com
Round Stainless Steel Gear Blanks, Size 150200 Mm at Rs 150 in Aurangabad Gear Blank Meaning This chapter explains where the additional bevel gear design related numbers can be found and how those numbers. Gear size, pressure angle, number of teeth…we. Internal gears have their teeth cut parallel to their shafts like spur gears, but they are cut on the inside of the gear blank. Besides the above errors, there are seven specifications for bevel gear. Gear Blank Meaning.
From www.artofit.org
Understanding gear ratios Artofit Gear Blank Meaning Internal gears have their teeth cut parallel to their shafts like spur gears, but they are cut on the inside of the gear blank. Besides the above errors, there are seven specifications for bevel gear blank dimensions and angles, plus an eighth that concerns the cut. This chapter explains where the additional bevel gear design related numbers can be found. Gear Blank Meaning.