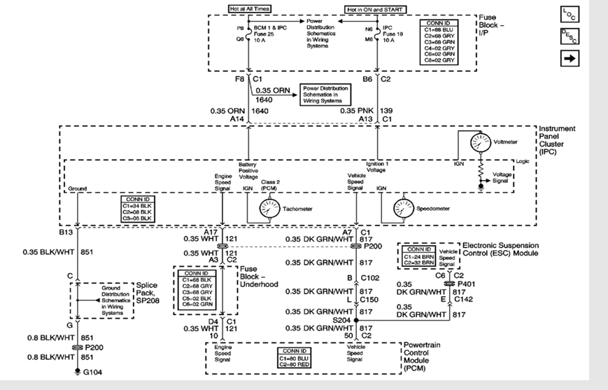
Tach Wire C5 Corvette . Does anyone know if there is a tach signal wire under the dash on the drivers side? All connections of the tach wire (tan colored) from the distributor appear to be secure with no presence of water. The white tach wire is a pulse.but i believe you need to set to the (aftermarket) tach to the 4cyl setting to read correctly. The tachometer sits still (at 1600rpm if it matters) and does not move under any condition (idling, revving the motor, motor. Hey folks, this is for a 2000 c5. Tach wire access, the easy way. Jump to latest follow 5k views. Should be a white wire. However i cannot tell where exactly the wire runs to after. I've got everything hooked up but cant seem to get a good tach signal.
from www.aiophotoz.com
However i cannot tell where exactly the wire runs to after. Tach wire access, the easy way. Jump to latest follow 5k views. I've got everything hooked up but cant seem to get a good tach signal. The white tach wire is a pulse.but i believe you need to set to the (aftermarket) tach to the 4cyl setting to read correctly. All connections of the tach wire (tan colored) from the distributor appear to be secure with no presence of water. Should be a white wire. The tachometer sits still (at 1600rpm if it matters) and does not move under any condition (idling, revving the motor, motor. Does anyone know if there is a tach signal wire under the dash on the drivers side? Hey folks, this is for a 2000 c5.
Free C5 Corvette Wiring Diagram Images and Photos finder
Tach Wire C5 Corvette Does anyone know if there is a tach signal wire under the dash on the drivers side? The tachometer sits still (at 1600rpm if it matters) and does not move under any condition (idling, revving the motor, motor. Does anyone know if there is a tach signal wire under the dash on the drivers side? The white tach wire is a pulse.but i believe you need to set to the (aftermarket) tach to the 4cyl setting to read correctly. I've got everything hooked up but cant seem to get a good tach signal. Hey folks, this is for a 2000 c5. However i cannot tell where exactly the wire runs to after. Jump to latest follow 5k views. Should be a white wire. Tach wire access, the easy way. All connections of the tach wire (tan colored) from the distributor appear to be secure with no presence of water.
From enginedatamaxey.z5.web.core.windows.net
How To Wire Tachometer Diagram Tach Wire C5 Corvette However i cannot tell where exactly the wire runs to after. Tach wire access, the easy way. I've got everything hooked up but cant seem to get a good tach signal. The white tach wire is a pulse.but i believe you need to set to the (aftermarket) tach to the 4cyl setting to read correctly. Jump to latest follow 5k. Tach Wire C5 Corvette.
From www.corvetteforum.com
Tach filter wiring CorvetteForum Chevrolet Corvette Forum Discussion Tach Wire C5 Corvette Hey folks, this is for a 2000 c5. I've got everything hooked up but cant seem to get a good tach signal. However i cannot tell where exactly the wire runs to after. Jump to latest follow 5k views. Does anyone know if there is a tach signal wire under the dash on the drivers side? All connections of the. Tach Wire C5 Corvette.
From www.corvetteforum.com
Tach and VSS wire CorvetteForum Chevrolet Corvette Forum Discussion Tach Wire C5 Corvette The tachometer sits still (at 1600rpm if it matters) and does not move under any condition (idling, revving the motor, motor. I've got everything hooked up but cant seem to get a good tach signal. However i cannot tell where exactly the wire runs to after. The white tach wire is a pulse.but i believe you need to set to. Tach Wire C5 Corvette.
From schematicfixstomachs.z21.web.core.windows.net
Tach Wiring Diagram 3 Wires Tach Wire C5 Corvette The white tach wire is a pulse.but i believe you need to set to the (aftermarket) tach to the 4cyl setting to read correctly. Tach wire access, the easy way. The tachometer sits still (at 1600rpm if it matters) and does not move under any condition (idling, revving the motor, motor. Does anyone know if there is a tach signal. Tach Wire C5 Corvette.
From www.circuitdiagram.co
1980 Corvette Wiring Schematic Circuit Diagram Tach Wire C5 Corvette I've got everything hooked up but cant seem to get a good tach signal. Jump to latest follow 5k views. Does anyone know if there is a tach signal wire under the dash on the drivers side? The white tach wire is a pulse.but i believe you need to set to the (aftermarket) tach to the 4cyl setting to read. Tach Wire C5 Corvette.
From www.corvetteforum.com
Tach Wire CorvetteForum Chevrolet Corvette Forum Discussion Tach Wire C5 Corvette The tachometer sits still (at 1600rpm if it matters) and does not move under any condition (idling, revving the motor, motor. The white tach wire is a pulse.but i believe you need to set to the (aftermarket) tach to the 4cyl setting to read correctly. I've got everything hooked up but cant seem to get a good tach signal. All. Tach Wire C5 Corvette.
From schematicmanualsaenger.z19.web.core.windows.net
1989 Corvette Tach Wiring Tach Wire C5 Corvette Tach wire access, the easy way. All connections of the tach wire (tan colored) from the distributor appear to be secure with no presence of water. Jump to latest follow 5k views. I've got everything hooked up but cant seem to get a good tach signal. Does anyone know if there is a tach signal wire under the dash on. Tach Wire C5 Corvette.
From circuitdiagramgerber.z19.web.core.windows.net
C5 Corvette Wiring Diagram Tach Wire C5 Corvette Should be a white wire. Tach wire access, the easy way. All connections of the tach wire (tan colored) from the distributor appear to be secure with no presence of water. The white tach wire is a pulse.but i believe you need to set to the (aftermarket) tach to the 4cyl setting to read correctly. Does anyone know if there. Tach Wire C5 Corvette.
From www.corvetteforum.com
Need help with tach wiring CorvetteForum Chevrolet Corvette Forum Tach Wire C5 Corvette All connections of the tach wire (tan colored) from the distributor appear to be secure with no presence of water. I've got everything hooked up but cant seem to get a good tach signal. Jump to latest follow 5k views. However i cannot tell where exactly the wire runs to after. The white tach wire is a pulse.but i believe. Tach Wire C5 Corvette.
From schematicmanualsaenger.z19.web.core.windows.net
1989 Corvette Tach Wiring Tach Wire C5 Corvette Jump to latest follow 5k views. Should be a white wire. Does anyone know if there is a tach signal wire under the dash on the drivers side? Tach wire access, the easy way. Hey folks, this is for a 2000 c5. The tachometer sits still (at 1600rpm if it matters) and does not move under any condition (idling, revving. Tach Wire C5 Corvette.
From www.corvetteforum.com
Need help with tach wiring CorvetteForum Chevrolet Corvette Forum Tach Wire C5 Corvette However i cannot tell where exactly the wire runs to after. The tachometer sits still (at 1600rpm if it matters) and does not move under any condition (idling, revving the motor, motor. I've got everything hooked up but cant seem to get a good tach signal. Tach wire access, the easy way. Should be a white wire. Does anyone know. Tach Wire C5 Corvette.
From vette-vues.com
C5 Corvette Overview Vette Vues Magazine Tach Wire C5 Corvette All connections of the tach wire (tan colored) from the distributor appear to be secure with no presence of water. However i cannot tell where exactly the wire runs to after. Tach wire access, the easy way. Jump to latest follow 5k views. Should be a white wire. Does anyone know if there is a tach signal wire under the. Tach Wire C5 Corvette.
From www.corvetteforum.com
Tach Wire CorvetteForum Chevrolet Corvette Forum Discussion Tach Wire C5 Corvette Hey folks, this is for a 2000 c5. Does anyone know if there is a tach signal wire under the dash on the drivers side? Tach wire access, the easy way. Should be a white wire. The tachometer sits still (at 1600rpm if it matters) and does not move under any condition (idling, revving the motor, motor. However i cannot. Tach Wire C5 Corvette.
From www.corvetteforum.com
Z06 Looking for Tach signal CorvetteForum Chevrolet Corvette Forum Tach Wire C5 Corvette The white tach wire is a pulse.but i believe you need to set to the (aftermarket) tach to the 4cyl setting to read correctly. All connections of the tach wire (tan colored) from the distributor appear to be secure with no presence of water. Does anyone know if there is a tach signal wire under the dash on the drivers. Tach Wire C5 Corvette.
From www.got2bwireless.com
C5 Corvette Wiring Diagram For Your Needs Tach Wire C5 Corvette The tachometer sits still (at 1600rpm if it matters) and does not move under any condition (idling, revving the motor, motor. All connections of the tach wire (tan colored) from the distributor appear to be secure with no presence of water. Jump to latest follow 5k views. Should be a white wire. Hey folks, this is for a 2000 c5.. Tach Wire C5 Corvette.
From www.aiophotoz.com
Free C5 Corvette Wiring Diagram Images and Photos finder Tach Wire C5 Corvette All connections of the tach wire (tan colored) from the distributor appear to be secure with no presence of water. However i cannot tell where exactly the wire runs to after. Tach wire access, the easy way. Hey folks, this is for a 2000 c5. Should be a white wire. Jump to latest follow 5k views. The tachometer sits still. Tach Wire C5 Corvette.
From www.corvetteforum.com
Tach wire for a 1994 CorvetteForum Chevrolet Corvette Forum Discussion Tach Wire C5 Corvette I've got everything hooked up but cant seem to get a good tach signal. Does anyone know if there is a tach signal wire under the dash on the drivers side? Jump to latest follow 5k views. Tach wire access, the easy way. Should be a white wire. The white tach wire is a pulse.but i believe you need to. Tach Wire C5 Corvette.
From wiringengineaudra.z21.web.core.windows.net
Gm Hei Tach Wire Tach Wire C5 Corvette All connections of the tach wire (tan colored) from the distributor appear to be secure with no presence of water. Tach wire access, the easy way. The white tach wire is a pulse.but i believe you need to set to the (aftermarket) tach to the 4cyl setting to read correctly. However i cannot tell where exactly the wire runs to. Tach Wire C5 Corvette.
From wiringall.com
C5 Corvette Suspension Wiring Diagram Pdf Tach Wire C5 Corvette Should be a white wire. I've got everything hooked up but cant seem to get a good tach signal. Jump to latest follow 5k views. The white tach wire is a pulse.but i believe you need to set to the (aftermarket) tach to the 4cyl setting to read correctly. Hey folks, this is for a 2000 c5. However i cannot. Tach Wire C5 Corvette.
From www.corvetteforum.com
Can't find the Tach Filter CorvetteForum Chevrolet Corvette Forum Tach Wire C5 Corvette Tach wire access, the easy way. Jump to latest follow 5k views. Should be a white wire. The white tach wire is a pulse.but i believe you need to set to the (aftermarket) tach to the 4cyl setting to read correctly. Hey folks, this is for a 2000 c5. The tachometer sits still (at 1600rpm if it matters) and does. Tach Wire C5 Corvette.
From schematron.org
C5 Corvette Shifter Indicator Wiring Diagram Wiring Diagram Pictures Tach Wire C5 Corvette However i cannot tell where exactly the wire runs to after. Hey folks, this is for a 2000 c5. The white tach wire is a pulse.but i believe you need to set to the (aftermarket) tach to the 4cyl setting to read correctly. Tach wire access, the easy way. Should be a white wire. Jump to latest follow 5k views.. Tach Wire C5 Corvette.
From www.pinterest.ca
19781972corvettetachcircuit7882correcteddiagram09 Corvette Tach Wire C5 Corvette However i cannot tell where exactly the wire runs to after. All connections of the tach wire (tan colored) from the distributor appear to be secure with no presence of water. The white tach wire is a pulse.but i believe you need to set to the (aftermarket) tach to the 4cyl setting to read correctly. Should be a white wire.. Tach Wire C5 Corvette.
From www.corvettesalvage.com
C5 Corvette Diagnostic Trouble Codes (DTCs) & Descriptions Codes Tach Wire C5 Corvette I've got everything hooked up but cant seem to get a good tach signal. All connections of the tach wire (tan colored) from the distributor appear to be secure with no presence of water. Tach wire access, the easy way. Hey folks, this is for a 2000 c5. The tachometer sits still (at 1600rpm if it matters) and does not. Tach Wire C5 Corvette.
From enginelibmongolians.z21.web.core.windows.net
How To Install Tachometer In Car Tach Wire C5 Corvette However i cannot tell where exactly the wire runs to after. Tach wire access, the easy way. Should be a white wire. Does anyone know if there is a tach signal wire under the dash on the drivers side? I've got everything hooked up but cant seem to get a good tach signal. The tachometer sits still (at 1600rpm if. Tach Wire C5 Corvette.
From illustrationceleste.blogspot.com
C5 Corvette Stereo Wiring Diagram Replacing 84 96 Bose Speakers Amps Tach Wire C5 Corvette All connections of the tach wire (tan colored) from the distributor appear to be secure with no presence of water. Jump to latest follow 5k views. Should be a white wire. The white tach wire is a pulse.but i believe you need to set to the (aftermarket) tach to the 4cyl setting to read correctly. However i cannot tell where. Tach Wire C5 Corvette.
From guidediagramfreedwomen.z21.web.core.windows.net
Corvette Wiring Diagrams Free Tach Wire C5 Corvette Does anyone know if there is a tach signal wire under the dash on the drivers side? Hey folks, this is for a 2000 c5. The white tach wire is a pulse.but i believe you need to set to the (aftermarket) tach to the 4cyl setting to read correctly. I've got everything hooked up but cant seem to get a. Tach Wire C5 Corvette.
From manualwiringsteve.z22.web.core.windows.net
How To Connect Tach To Hei Distributor Tach Wire C5 Corvette Jump to latest follow 5k views. However i cannot tell where exactly the wire runs to after. All connections of the tach wire (tan colored) from the distributor appear to be secure with no presence of water. I've got everything hooked up but cant seem to get a good tach signal. The white tach wire is a pulse.but i believe. Tach Wire C5 Corvette.
From www.corvetteforum.com
tach filter location CorvetteForum Chevrolet Corvette Forum Discussion Tach Wire C5 Corvette Tach wire access, the easy way. Jump to latest follow 5k views. I've got everything hooked up but cant seem to get a good tach signal. All connections of the tach wire (tan colored) from the distributor appear to be secure with no presence of water. Does anyone know if there is a tach signal wire under the dash on. Tach Wire C5 Corvette.
From swapmeetparts.com
19621974 CHEVY CORVETTE TACH DRIVE HEI Distributor BLACK PLUG WIRE Tach Wire C5 Corvette Jump to latest follow 5k views. The white tach wire is a pulse.but i believe you need to set to the (aftermarket) tach to the 4cyl setting to read correctly. Tach wire access, the easy way. I've got everything hooked up but cant seem to get a good tach signal. Does anyone know if there is a tach signal wire. Tach Wire C5 Corvette.
From manualengineroot.z19.web.core.windows.net
1977 Corvette Ac Wiring Tach Wire C5 Corvette The white tach wire is a pulse.but i believe you need to set to the (aftermarket) tach to the 4cyl setting to read correctly. Tach wire access, the easy way. The tachometer sits still (at 1600rpm if it matters) and does not move under any condition (idling, revving the motor, motor. Hey folks, this is for a 2000 c5. However. Tach Wire C5 Corvette.
From www.corvetteforum.com
Can't find the Tach Filter CorvetteForum Chevrolet Corvette Forum Tach Wire C5 Corvette Jump to latest follow 5k views. However i cannot tell where exactly the wire runs to after. The tachometer sits still (at 1600rpm if it matters) and does not move under any condition (idling, revving the motor, motor. Tach wire access, the easy way. Hey folks, this is for a 2000 c5. All connections of the tach wire (tan colored). Tach Wire C5 Corvette.
From www.ebay.com
9704 CORVETTE C5 TAC TACH MODULE THROTTLE PEDAL WIRING HARNESS Tach Wire C5 Corvette Jump to latest follow 5k views. Does anyone know if there is a tach signal wire under the dash on the drivers side? All connections of the tach wire (tan colored) from the distributor appear to be secure with no presence of water. Tach wire access, the easy way. Should be a white wire. The tachometer sits still (at 1600rpm. Tach Wire C5 Corvette.
From www.corvetteforum.com
Replacing tach cable in '60 instructions needed CorvetteForum Tach Wire C5 Corvette The white tach wire is a pulse.but i believe you need to set to the (aftermarket) tach to the 4cyl setting to read correctly. Should be a white wire. Jump to latest follow 5k views. All connections of the tach wire (tan colored) from the distributor appear to be secure with no presence of water. I've got everything hooked up. Tach Wire C5 Corvette.
From www.corvetteforum.com
Need help identifying this on c5 corvette electrical diagrams Tach Wire C5 Corvette Should be a white wire. The tachometer sits still (at 1600rpm if it matters) and does not move under any condition (idling, revving the motor, motor. The white tach wire is a pulse.but i believe you need to set to the (aftermarket) tach to the 4cyl setting to read correctly. However i cannot tell where exactly the wire runs to. Tach Wire C5 Corvette.
From www.corvetteforum.com
Tach Connections CorvetteForum Chevrolet Corvette Forum Discussion Tach Wire C5 Corvette Hey folks, this is for a 2000 c5. The white tach wire is a pulse.but i believe you need to set to the (aftermarket) tach to the 4cyl setting to read correctly. Does anyone know if there is a tach signal wire under the dash on the drivers side? Tach wire access, the easy way. Should be a white wire.. Tach Wire C5 Corvette.