What Is Diaphragm Coupling . A diaphragm coupling consists of one or more metallic membranes which are attached at the outside diameter of a drive flange and transfer. The other type of metallic membrane coupling is disk coupling. A diaphragm coupling consists of one or more metallic membranes which are attached at the outside diameter of a drive flange and transfer torque radially through the diaphragm to an inside diameter attachment. Single straight contoured diaphragm couplings eliminate the fretting. 4) is one type of metallic membrane coupling. The diaphragm coupling is considered to have more axial displacement capability at lower forces than the disc coupling. A diaphragm coupling consists of one or more. A diaphragm coupling is a mechanical device that connects two rotating shafts, allowing them to transmit torque while accommodating for.
        
        from www.johncrane.com 
     
        
        A diaphragm coupling consists of one or more. Single straight contoured diaphragm couplings eliminate the fretting. The diaphragm coupling is considered to have more axial displacement capability at lower forces than the disc coupling. 4) is one type of metallic membrane coupling. A diaphragm coupling consists of one or more metallic membranes which are attached at the outside diameter of a drive flange and transfer. A diaphragm coupling consists of one or more metallic membranes which are attached at the outside diameter of a drive flange and transfer torque radially through the diaphragm to an inside diameter attachment. A diaphragm coupling is a mechanical device that connects two rotating shafts, allowing them to transmit torque while accommodating for. The other type of metallic membrane coupling is disk coupling.
    
    	
            
	
		 
         
    Diaphragm Couplings John Crane 
    What Is Diaphragm Coupling  Single straight contoured diaphragm couplings eliminate the fretting. Single straight contoured diaphragm couplings eliminate the fretting. The diaphragm coupling is considered to have more axial displacement capability at lower forces than the disc coupling. A diaphragm coupling consists of one or more metallic membranes which are attached at the outside diameter of a drive flange and transfer torque radially through the diaphragm to an inside diameter attachment. A diaphragm coupling consists of one or more. The other type of metallic membrane coupling is disk coupling. 4) is one type of metallic membrane coupling. A diaphragm coupling is a mechanical device that connects two rotating shafts, allowing them to transmit torque while accommodating for. A diaphragm coupling consists of one or more metallic membranes which are attached at the outside diameter of a drive flange and transfer.
            
	
		 
         
 
    
        From rsvindustries.com 
                    Unique Double Diaphragm Couplings RSV Industries What Is Diaphragm Coupling  A diaphragm coupling is a mechanical device that connects two rotating shafts, allowing them to transmit torque while accommodating for. Single straight contoured diaphragm couplings eliminate the fretting. A diaphragm coupling consists of one or more metallic membranes which are attached at the outside diameter of a drive flange and transfer torque radially through the diaphragm to an inside diameter. What Is Diaphragm Coupling.
     
    
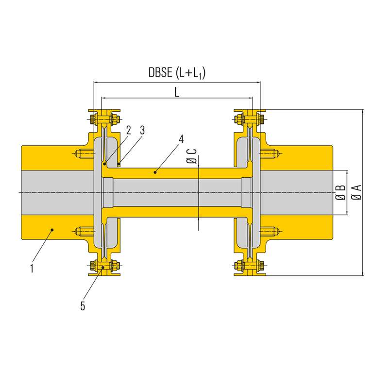
        From www.riverhawk.com 
                    Diaphragm Couplings for Turbomachinery Riverhawk Company What Is Diaphragm Coupling  A diaphragm coupling consists of one or more. A diaphragm coupling is a mechanical device that connects two rotating shafts, allowing them to transmit torque while accommodating for. 4) is one type of metallic membrane coupling. A diaphragm coupling consists of one or more metallic membranes which are attached at the outside diameter of a drive flange and transfer torque. What Is Diaphragm Coupling.
     
    
        From engineeringlearn.com 
                    Shaft Coupling Definition, Types, Uses, Working Principle & Advantages What Is Diaphragm Coupling  A diaphragm coupling consists of one or more metallic membranes which are attached at the outside diameter of a drive flange and transfer torque radially through the diaphragm to an inside diameter attachment. The diaphragm coupling is considered to have more axial displacement capability at lower forces than the disc coupling. Single straight contoured diaphragm couplings eliminate the fretting. A. What Is Diaphragm Coupling.
     
    
        From b2bmap.com 
                    Diaphragm Coupling What Is Diaphragm Coupling  A diaphragm coupling consists of one or more metallic membranes which are attached at the outside diameter of a drive flange and transfer torque radially through the diaphragm to an inside diameter attachment. Single straight contoured diaphragm couplings eliminate the fretting. The diaphragm coupling is considered to have more axial displacement capability at lower forces than the disc coupling. The. What Is Diaphragm Coupling.
     
    
        From www.eagleburgmann.com 
                    Diaphragm Coupling Model 100 API 671 / ISO 10441 EN What Is Diaphragm Coupling  The other type of metallic membrane coupling is disk coupling. Single straight contoured diaphragm couplings eliminate the fretting. A diaphragm coupling is a mechanical device that connects two rotating shafts, allowing them to transmit torque while accommodating for. The diaphragm coupling is considered to have more axial displacement capability at lower forces than the disc coupling. A diaphragm coupling consists. What Is Diaphragm Coupling.
     
    
        From www.sydensen.com 
                    Densen customized JM type diaphragm coupling,flexible diaphragm What Is Diaphragm Coupling  The other type of metallic membrane coupling is disk coupling. A diaphragm coupling consists of one or more metallic membranes which are attached at the outside diameter of a drive flange and transfer. A diaphragm coupling consists of one or more metallic membranes which are attached at the outside diameter of a drive flange and transfer torque radially through the. What Is Diaphragm Coupling.
     
    
        From www.flex-couplings.com 
                    Double Key Elastic Flexible Diaphragm Coupling / Disc Type Coupling What Is Diaphragm Coupling  A diaphragm coupling consists of one or more metallic membranes which are attached at the outside diameter of a drive flange and transfer. Single straight contoured diaphragm couplings eliminate the fretting. A diaphragm coupling is a mechanical device that connects two rotating shafts, allowing them to transmit torque while accommodating for. The other type of metallic membrane coupling is disk. What Is Diaphragm Coupling.
     
    
        From www.ato.com 
                    Two Diaphragms Coupling, 4mm to 8mm What Is Diaphragm Coupling  4) is one type of metallic membrane coupling. The diaphragm coupling is considered to have more axial displacement capability at lower forces than the disc coupling. A diaphragm coupling consists of one or more metallic membranes which are attached at the outside diameter of a drive flange and transfer torque radially through the diaphragm to an inside diameter attachment. A. What Is Diaphragm Coupling.
     
    
        From www.johncrane.com 
                    Diaphragm Couplings John Crane What Is Diaphragm Coupling  The diaphragm coupling is considered to have more axial displacement capability at lower forces than the disc coupling. A diaphragm coupling consists of one or more metallic membranes which are attached at the outside diameter of a drive flange and transfer. A diaphragm coupling consists of one or more. Single straight contoured diaphragm couplings eliminate the fretting. A diaphragm coupling. What Is Diaphragm Coupling.
     
    
        From www.menowa.cn 
                    Diaphragm couplings Menowa What Is Diaphragm Coupling  A diaphragm coupling is a mechanical device that connects two rotating shafts, allowing them to transmit torque while accommodating for. A diaphragm coupling consists of one or more metallic membranes which are attached at the outside diameter of a drive flange and transfer torque radially through the diaphragm to an inside diameter attachment. Single straight contoured diaphragm couplings eliminate the. What Is Diaphragm Coupling.
     
    
        From www.menowa.cn 
                    Diaphragm couplings Menowa What Is Diaphragm Coupling  The diaphragm coupling is considered to have more axial displacement capability at lower forces than the disc coupling. The other type of metallic membrane coupling is disk coupling. Single straight contoured diaphragm couplings eliminate the fretting. 4) is one type of metallic membrane coupling. A diaphragm coupling is a mechanical device that connects two rotating shafts, allowing them to transmit. What Is Diaphragm Coupling.
     
    
        From www.pinterest.jp 
                    Diaphragm CouplingDisc Coupling JM series diaphragm couplings belong What Is Diaphragm Coupling  Single straight contoured diaphragm couplings eliminate the fretting. A diaphragm coupling consists of one or more. The other type of metallic membrane coupling is disk coupling. A diaphragm coupling consists of one or more metallic membranes which are attached at the outside diameter of a drive flange and transfer. A diaphragm coupling consists of one or more metallic membranes which. What Is Diaphragm Coupling.
     
    
        From www.ato.com 
                    Two Diaphragms Coupling, 12mm to 25mm What Is Diaphragm Coupling  A diaphragm coupling consists of one or more. A diaphragm coupling is a mechanical device that connects two rotating shafts, allowing them to transmit torque while accommodating for. A diaphragm coupling consists of one or more metallic membranes which are attached at the outside diameter of a drive flange and transfer. The other type of metallic membrane coupling is disk. What Is Diaphragm Coupling.
     
    
        From www.kemaipump.com 
                    Diaphragm Coupling with Taper lock KEMAI PUMP What Is Diaphragm Coupling  The other type of metallic membrane coupling is disk coupling. A diaphragm coupling consists of one or more metallic membranes which are attached at the outside diameter of a drive flange and transfer. Single straight contoured diaphragm couplings eliminate the fretting. A diaphragm coupling consists of one or more metallic membranes which are attached at the outside diameter of a. What Is Diaphragm Coupling.
     
    
        From dxodrehvd.blob.core.windows.net 
                    Diaphragm Couplings at Jerry Malbon blog What Is Diaphragm Coupling  The diaphragm coupling is considered to have more axial displacement capability at lower forces than the disc coupling. A diaphragm coupling consists of one or more metallic membranes which are attached at the outside diameter of a drive flange and transfer. The other type of metallic membrane coupling is disk coupling. A diaphragm coupling consists of one or more. Single. What Is Diaphragm Coupling.
     
    
        From www.alibaba.com 
                    Djm Single Diaphragm Coupling Special Flexible Coupling For What Is Diaphragm Coupling  A diaphragm coupling is a mechanical device that connects two rotating shafts, allowing them to transmit torque while accommodating for. A diaphragm coupling consists of one or more metallic membranes which are attached at the outside diameter of a drive flange and transfer torque radially through the diaphragm to an inside diameter attachment. A diaphragm coupling consists of one or. What Is Diaphragm Coupling.
     
    
        From voith.com 
                    Voith BHS diaphragm coupling Voith What Is Diaphragm Coupling  The diaphragm coupling is considered to have more axial displacement capability at lower forces than the disc coupling. The other type of metallic membrane coupling is disk coupling. A diaphragm coupling consists of one or more metallic membranes which are attached at the outside diameter of a drive flange and transfer torque radially through the diaphragm to an inside diameter. What Is Diaphragm Coupling.
     
    
        From www.sydensen.com 
                    Densen customized JM type diaphragm coupling,flexible diaphragm What Is Diaphragm Coupling  A diaphragm coupling consists of one or more metallic membranes which are attached at the outside diameter of a drive flange and transfer. 4) is one type of metallic membrane coupling. The diaphragm coupling is considered to have more axial displacement capability at lower forces than the disc coupling. The other type of metallic membrane coupling is disk coupling. A. What Is Diaphragm Coupling.
     
    
        From www.researchgate.net 
                    Diaphragm coupling connected by bolts. Download Scientific Diagram What Is Diaphragm Coupling  The diaphragm coupling is considered to have more axial displacement capability at lower forces than the disc coupling. Single straight contoured diaphragm couplings eliminate the fretting. The other type of metallic membrane coupling is disk coupling. A diaphragm coupling consists of one or more metallic membranes which are attached at the outside diameter of a drive flange and transfer. A. What Is Diaphragm Coupling.
     
    
        From www.iqsdirectory.com 
                    Quick Release Couplings Types, Benefits, Classifications, and Purpose What Is Diaphragm Coupling  Single straight contoured diaphragm couplings eliminate the fretting. 4) is one type of metallic membrane coupling. A diaphragm coupling consists of one or more metallic membranes which are attached at the outside diameter of a drive flange and transfer torque radially through the diaphragm to an inside diameter attachment. The other type of metallic membrane coupling is disk coupling. The. What Is Diaphragm Coupling.
     
    
        From www.mrosupply.com 
                    Flexible Coupling Applications Overview What Is Diaphragm Coupling  Single straight contoured diaphragm couplings eliminate the fretting. A diaphragm coupling consists of one or more. A diaphragm coupling consists of one or more metallic membranes which are attached at the outside diameter of a drive flange and transfer. The diaphragm coupling is considered to have more axial displacement capability at lower forces than the disc coupling. A diaphragm coupling. What Is Diaphragm Coupling.
     
    
        From www.researchgate.net 
                    Diaphragm coupling structure diagram. Download Scientific Diagram What Is Diaphragm Coupling  4) is one type of metallic membrane coupling. A diaphragm coupling consists of one or more metallic membranes which are attached at the outside diameter of a drive flange and transfer torque radially through the diaphragm to an inside diameter attachment. A diaphragm coupling is a mechanical device that connects two rotating shafts, allowing them to transmit torque while accommodating. What Is Diaphragm Coupling.
     
    
        From www.ameridrives.com 
                    Ameriflex Diaphragm Couplings What Is Diaphragm Coupling  The diaphragm coupling is considered to have more axial displacement capability at lower forces than the disc coupling. A diaphragm coupling is a mechanical device that connects two rotating shafts, allowing them to transmit torque while accommodating for. A diaphragm coupling consists of one or more metallic membranes which are attached at the outside diameter of a drive flange and. What Is Diaphragm Coupling.
     
    
        From www.gyballscrew.com 
                    Basic knowledge of diaphragm coupling What Is Diaphragm Coupling  A diaphragm coupling is a mechanical device that connects two rotating shafts, allowing them to transmit torque while accommodating for. A diaphragm coupling consists of one or more metallic membranes which are attached at the outside diameter of a drive flange and transfer torque radially through the diaphragm to an inside diameter attachment. 4) is one type of metallic membrane. What Is Diaphragm Coupling.
     
    
        From b2bmap.com 
                    Diaphragm Coupling What Is Diaphragm Coupling  The other type of metallic membrane coupling is disk coupling. A diaphragm coupling consists of one or more metallic membranes which are attached at the outside diameter of a drive flange and transfer torque radially through the diaphragm to an inside diameter attachment. A diaphragm coupling is a mechanical device that connects two rotating shafts, allowing them to transmit torque. What Is Diaphragm Coupling.
     
    
        From www.renk.com 
                    Diaphragm Couplings Couplings Products RENK What Is Diaphragm Coupling  The diaphragm coupling is considered to have more axial displacement capability at lower forces than the disc coupling. 4) is one type of metallic membrane coupling. A diaphragm coupling consists of one or more. Single straight contoured diaphragm couplings eliminate the fretting. A diaphragm coupling consists of one or more metallic membranes which are attached at the outside diameter of. What Is Diaphragm Coupling.
     
    
        From www.couplingtips.com 
                    Ameriflex diaphragm couplings from Ameridrives What Is Diaphragm Coupling  A diaphragm coupling is a mechanical device that connects two rotating shafts, allowing them to transmit torque while accommodating for. The diaphragm coupling is considered to have more axial displacement capability at lower forces than the disc coupling. 4) is one type of metallic membrane coupling. The other type of metallic membrane coupling is disk coupling. A diaphragm coupling consists. What Is Diaphragm Coupling.
     
    
        From www.menowa.cn 
                    Diaphragm couplings Menowa What Is Diaphragm Coupling  Single straight contoured diaphragm couplings eliminate the fretting. A diaphragm coupling consists of one or more. A diaphragm coupling is a mechanical device that connects two rotating shafts, allowing them to transmit torque while accommodating for. A diaphragm coupling consists of one or more metallic membranes which are attached at the outside diameter of a drive flange and transfer. 4). What Is Diaphragm Coupling.
     
    
        From www.eagleburgmann.sa 
                    Diaphragm Coupling Model 99 API 671 / ISO 10441 EN What Is Diaphragm Coupling  The diaphragm coupling is considered to have more axial displacement capability at lower forces than the disc coupling. A diaphragm coupling consists of one or more. Single straight contoured diaphragm couplings eliminate the fretting. A diaphragm coupling is a mechanical device that connects two rotating shafts, allowing them to transmit torque while accommodating for. A diaphragm coupling consists of one. What Is Diaphragm Coupling.
     
    
        From www.kemaipump.com 
                    JZMJ Heavy Duty Elastic Diaphragm Coupling KEMAI PUMP What Is Diaphragm Coupling  4) is one type of metallic membrane coupling. The diaphragm coupling is considered to have more axial displacement capability at lower forces than the disc coupling. Single straight contoured diaphragm couplings eliminate the fretting. The other type of metallic membrane coupling is disk coupling. A diaphragm coupling consists of one or more. A diaphragm coupling consists of one or more. What Is Diaphragm Coupling.
     
    
        From www.kemaipump.com 
                    JMIJ Double Key Elastic Diaphragm Coupling KEMAI PUMP What Is Diaphragm Coupling  A diaphragm coupling consists of one or more metallic membranes which are attached at the outside diameter of a drive flange and transfer torque radially through the diaphragm to an inside diameter attachment. A diaphragm coupling consists of one or more metallic membranes which are attached at the outside diameter of a drive flange and transfer. Single straight contoured diaphragm. What Is Diaphragm Coupling.
     
    
        From www.iqsdirectory.com 
                    Shaft Coupling What Is It? How Is it Used? Types Of, Roles What Is Diaphragm Coupling  A diaphragm coupling consists of one or more metallic membranes which are attached at the outside diameter of a drive flange and transfer torque radially through the diaphragm to an inside diameter attachment. A diaphragm coupling is a mechanical device that connects two rotating shafts, allowing them to transmit torque while accommodating for. Single straight contoured diaphragm couplings eliminate the. What Is Diaphragm Coupling.
     
    
        From mh-coupling.net 
                    Diaphragm coupling, couplingBotou HZPT Coupling Co., Ltd. What Is Diaphragm Coupling  The diaphragm coupling is considered to have more axial displacement capability at lower forces than the disc coupling. Single straight contoured diaphragm couplings eliminate the fretting. The other type of metallic membrane coupling is disk coupling. A diaphragm coupling consists of one or more. 4) is one type of metallic membrane coupling. A diaphragm coupling is a mechanical device that. What Is Diaphragm Coupling.
     
    
        From www.researchgate.net 
                    (PDF) The diaphragm coupling in energy equipment A review What Is Diaphragm Coupling  4) is one type of metallic membrane coupling. The other type of metallic membrane coupling is disk coupling. A diaphragm coupling consists of one or more metallic membranes which are attached at the outside diameter of a drive flange and transfer. A diaphragm coupling is a mechanical device that connects two rotating shafts, allowing them to transmit torque while accommodating. What Is Diaphragm Coupling.
     
    
        From blog.thepipingmart.com 
                    Disc Coupling vs Diaphragm Coupling What's the Difference What Is Diaphragm Coupling  A diaphragm coupling is a mechanical device that connects two rotating shafts, allowing them to transmit torque while accommodating for. Single straight contoured diaphragm couplings eliminate the fretting. A diaphragm coupling consists of one or more metallic membranes which are attached at the outside diameter of a drive flange and transfer. A diaphragm coupling consists of one or more. A. What Is Diaphragm Coupling.