Compressor Oil Lubrication System . The lubrication system on reciprocating compressors plays a crucial role in ensuring their optimal performance and longevity. For very cold installations, immersion heaters and. A compressor lubrication system is an important component of many types of compressors, designed to reduce the friction between moving parts, prevent wear,. Compressors are an integral part of almost every manufacturing facility. To comprehend the vital role lubrication plays in compressors, you must first understand their function as well as the effects of. The oil separator is one of the key components that separates the. A compressor’s basic purpose is to increase. Optimizing compressor performance and equipment life through best lubrication practices. An air compressor lubrication system plays a crucial role in keeping the compressor running smoothly and efficiently. Commonly referred to as the heart of any air or gas system, these assets require special attention, particularly their lubrication.
from instrumentationbasic.com
The oil separator is one of the key components that separates the. A compressor’s basic purpose is to increase. To comprehend the vital role lubrication plays in compressors, you must first understand their function as well as the effects of. For very cold installations, immersion heaters and. Optimizing compressor performance and equipment life through best lubrication practices. Commonly referred to as the heart of any air or gas system, these assets require special attention, particularly their lubrication. A compressor lubrication system is an important component of many types of compressors, designed to reduce the friction between moving parts, prevent wear,. The lubrication system on reciprocating compressors plays a crucial role in ensuring their optimal performance and longevity. Compressors are an integral part of almost every manufacturing facility. An air compressor lubrication system plays a crucial role in keeping the compressor running smoothly and efficiently.
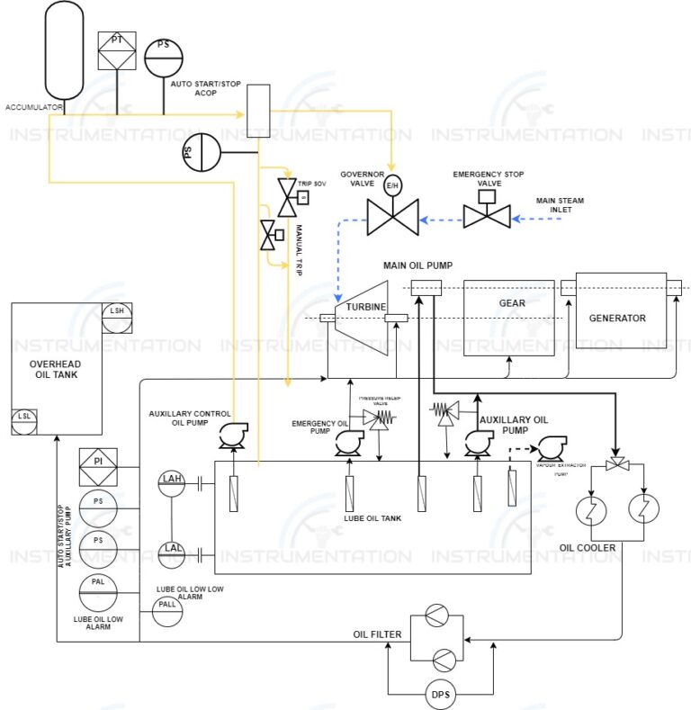
Lube oil system in turbine Instrumentation basics
Compressor Oil Lubrication System Optimizing compressor performance and equipment life through best lubrication practices. To comprehend the vital role lubrication plays in compressors, you must first understand their function as well as the effects of. Commonly referred to as the heart of any air or gas system, these assets require special attention, particularly their lubrication. The lubrication system on reciprocating compressors plays a crucial role in ensuring their optimal performance and longevity. An air compressor lubrication system plays a crucial role in keeping the compressor running smoothly and efficiently. Compressors are an integral part of almost every manufacturing facility. A compressor’s basic purpose is to increase. Optimizing compressor performance and equipment life through best lubrication practices. For very cold installations, immersion heaters and. A compressor lubrication system is an important component of many types of compressors, designed to reduce the friction between moving parts, prevent wear,. The oil separator is one of the key components that separates the.
From www.marineinsight.com
Ship's Main Engine Lubrication System Explained Compressor Oil Lubrication System A compressor lubrication system is an important component of many types of compressors, designed to reduce the friction between moving parts, prevent wear,. To comprehend the vital role lubrication plays in compressors, you must first understand their function as well as the effects of. Commonly referred to as the heart of any air or gas system, these assets require special. Compressor Oil Lubrication System.
From www.airbestpractices.com
Lubricants for Centrifugal Air Compressors Compressed Air Best Practices Compressor Oil Lubrication System A compressor’s basic purpose is to increase. Commonly referred to as the heart of any air or gas system, these assets require special attention, particularly their lubrication. A compressor lubrication system is an important component of many types of compressors, designed to reduce the friction between moving parts, prevent wear,. Optimizing compressor performance and equipment life through best lubrication practices.. Compressor Oil Lubrication System.
From www.heritagepartscentre.com
Lessons in lubrication Engine Oil Explained Compressor Oil Lubrication System A compressor’s basic purpose is to increase. The oil separator is one of the key components that separates the. Optimizing compressor performance and equipment life through best lubrication practices. Commonly referred to as the heart of any air or gas system, these assets require special attention, particularly their lubrication. To comprehend the vital role lubrication plays in compressors, you must. Compressor Oil Lubrication System.
From instrumentationtools.com
Lubrication Control System Turbo Alternator Compressor Oil Lubrication System A compressor lubrication system is an important component of many types of compressors, designed to reduce the friction between moving parts, prevent wear,. Optimizing compressor performance and equipment life through best lubrication practices. For very cold installations, immersion heaters and. A compressor’s basic purpose is to increase. The lubrication system on reciprocating compressors plays a crucial role in ensuring their. Compressor Oil Lubrication System.
From www.arielcorp.com
KBE Compressor Oil Lubrication System The oil separator is one of the key components that separates the. Commonly referred to as the heart of any air or gas system, these assets require special attention, particularly their lubrication. The lubrication system on reciprocating compressors plays a crucial role in ensuring their optimal performance and longevity. A compressor lubrication system is an important component of many types. Compressor Oil Lubrication System.
From www.machinerylubrication.com
Compressor Lubrication Best Practices Compressor Oil Lubrication System Optimizing compressor performance and equipment life through best lubrication practices. A compressor lubrication system is an important component of many types of compressors, designed to reduce the friction between moving parts, prevent wear,. Commonly referred to as the heart of any air or gas system, these assets require special attention, particularly their lubrication. An air compressor lubrication system plays a. Compressor Oil Lubrication System.
From wordpress-331561-1541677.cloudwaysapps.com
Collagen Coffee Creamer, Vanilla, 240g Fabula Coffee Compressor Oil Lubrication System A compressor’s basic purpose is to increase. For very cold installations, immersion heaters and. Optimizing compressor performance and equipment life through best lubrication practices. To comprehend the vital role lubrication plays in compressors, you must first understand their function as well as the effects of. The oil separator is one of the key components that separates the. A compressor lubrication. Compressor Oil Lubrication System.
From www.machinerylubrication.com
What You Need to Know About Compressor Lubrication Compressor Oil Lubrication System To comprehend the vital role lubrication plays in compressors, you must first understand their function as well as the effects of. For very cold installations, immersion heaters and. An air compressor lubrication system plays a crucial role in keeping the compressor running smoothly and efficiently. A compressor lubrication system is an important component of many types of compressors, designed to. Compressor Oil Lubrication System.
From www.linkedin.com
Lube Oil System Compressor Oil Lubrication System Optimizing compressor performance and equipment life through best lubrication practices. The lubrication system on reciprocating compressors plays a crucial role in ensuring their optimal performance and longevity. Commonly referred to as the heart of any air or gas system, these assets require special attention, particularly their lubrication. Compressors are an integral part of almost every manufacturing facility. For very cold. Compressor Oil Lubrication System.
From topchooser.com
Binks Air Compressor Masterpiece Performance Compressor Oil Lubrication System Commonly referred to as the heart of any air or gas system, these assets require special attention, particularly their lubrication. To comprehend the vital role lubrication plays in compressors, you must first understand their function as well as the effects of. An air compressor lubrication system plays a crucial role in keeping the compressor running smoothly and efficiently. Compressors are. Compressor Oil Lubrication System.
From www.oilngasprocess.com
Reciprocating Compressors Frame Lubrication System Oil & Gas Compressor Oil Lubrication System For very cold installations, immersion heaters and. The lubrication system on reciprocating compressors plays a crucial role in ensuring their optimal performance and longevity. Compressors are an integral part of almost every manufacturing facility. An air compressor lubrication system plays a crucial role in keeping the compressor running smoothly and efficiently. Optimizing compressor performance and equipment life through best lubrication. Compressor Oil Lubrication System.
From www.marineengineersknowledge.com
Lubrication system for air compressor Marine engineers knowledge Compressor Oil Lubrication System A compressor lubrication system is an important component of many types of compressors, designed to reduce the friction between moving parts, prevent wear,. For very cold installations, immersion heaters and. An air compressor lubrication system plays a crucial role in keeping the compressor running smoothly and efficiently. The oil separator is one of the key components that separates the. A. Compressor Oil Lubrication System.
From www.pumpsandsystems.com
Optimizing Lube Oil Pumps for Rotating Machinery Pumps & Systems Compressor Oil Lubrication System Commonly referred to as the heart of any air or gas system, these assets require special attention, particularly their lubrication. Optimizing compressor performance and equipment life through best lubrication practices. For very cold installations, immersion heaters and. The oil separator is one of the key components that separates the. To comprehend the vital role lubrication plays in compressors, you must. Compressor Oil Lubrication System.
From www.coalhandlingplants.com
Steam Turbine Lube Oil System in Thermal Power Plant Compressor Oil Lubrication System Compressors are an integral part of almost every manufacturing facility. Commonly referred to as the heart of any air or gas system, these assets require special attention, particularly their lubrication. The lubrication system on reciprocating compressors plays a crucial role in ensuring their optimal performance and longevity. For very cold installations, immersion heaters and. A compressor lubrication system is an. Compressor Oil Lubrication System.
From www.billspitzerassoc.com
Packing and Cylinder Lubrication System Advancements on Reciprocating Compressor Oil Lubrication System The lubrication system on reciprocating compressors plays a crucial role in ensuring their optimal performance and longevity. A compressor’s basic purpose is to increase. The oil separator is one of the key components that separates the. Optimizing compressor performance and equipment life through best lubrication practices. Commonly referred to as the heart of any air or gas system, these assets. Compressor Oil Lubrication System.
From www.pinterest.com
The working & function of Lubrication system. The Lubrications system Compressor Oil Lubrication System A compressor’s basic purpose is to increase. An air compressor lubrication system plays a crucial role in keeping the compressor running smoothly and efficiently. A compressor lubrication system is an important component of many types of compressors, designed to reduce the friction between moving parts, prevent wear,. Compressors are an integral part of almost every manufacturing facility. The lubrication system. Compressor Oil Lubrication System.
From knowledge.ulprospector.com
Extreme pressure and antiwear additives in rolling bearing lubrication Compressor Oil Lubrication System An air compressor lubrication system plays a crucial role in keeping the compressor running smoothly and efficiently. A compressor’s basic purpose is to increase. A compressor lubrication system is an important component of many types of compressors, designed to reduce the friction between moving parts, prevent wear,. For very cold installations, immersion heaters and. Compressors are an integral part of. Compressor Oil Lubrication System.
From www.youtube.com
Main Lubricating Oil System YouTube Compressor Oil Lubrication System For very cold installations, immersion heaters and. Optimizing compressor performance and equipment life through best lubrication practices. Compressors are an integral part of almost every manufacturing facility. The oil separator is one of the key components that separates the. A compressor lubrication system is an important component of many types of compressors, designed to reduce the friction between moving parts,. Compressor Oil Lubrication System.
From www.engihub.com
Flow How Air and Oil Flow in Screw Air Compressor Engihub Compressor Oil Lubrication System The lubrication system on reciprocating compressors plays a crucial role in ensuring their optimal performance and longevity. For very cold installations, immersion heaters and. Commonly referred to as the heart of any air or gas system, these assets require special attention, particularly their lubrication. An air compressor lubrication system plays a crucial role in keeping the compressor running smoothly and. Compressor Oil Lubrication System.
From mappingmemories.ca
Contribuir Hacer De alguna manera steam turbine lubrication system Compressor Oil Lubrication System Optimizing compressor performance and equipment life through best lubrication practices. For very cold installations, immersion heaters and. A compressor’s basic purpose is to increase. Commonly referred to as the heart of any air or gas system, these assets require special attention, particularly their lubrication. Compressors are an integral part of almost every manufacturing facility. The lubrication system on reciprocating compressors. Compressor Oil Lubrication System.
From evolution.skf.com
Pure refrigerant lubrication technology in oilfree centrifugal Compressor Oil Lubrication System The lubrication system on reciprocating compressors plays a crucial role in ensuring their optimal performance and longevity. For very cold installations, immersion heaters and. A compressor lubrication system is an important component of many types of compressors, designed to reduce the friction between moving parts, prevent wear,. A compressor’s basic purpose is to increase. The oil separator is one of. Compressor Oil Lubrication System.
From instrumentationbasic.com
Lube oil system in turbine Instrumentation basics Compressor Oil Lubrication System The lubrication system on reciprocating compressors plays a crucial role in ensuring their optimal performance and longevity. To comprehend the vital role lubrication plays in compressors, you must first understand their function as well as the effects of. Commonly referred to as the heart of any air or gas system, these assets require special attention, particularly their lubrication. The oil. Compressor Oil Lubrication System.
From themechanicalengineering.com
Different Types of Lubrication System in Detail [Notes & PDF] Compressor Oil Lubrication System An air compressor lubrication system plays a crucial role in keeping the compressor running smoothly and efficiently. The lubrication system on reciprocating compressors plays a crucial role in ensuring their optimal performance and longevity. A compressor lubrication system is an important component of many types of compressors, designed to reduce the friction between moving parts, prevent wear,. Commonly referred to. Compressor Oil Lubrication System.
From www.marineengineersknowledge.com
Lubrication system for air compressor Marine engineers knowledge Compressor Oil Lubrication System For very cold installations, immersion heaters and. The lubrication system on reciprocating compressors plays a crucial role in ensuring their optimal performance and longevity. Optimizing compressor performance and equipment life through best lubrication practices. A compressor lubrication system is an important component of many types of compressors, designed to reduce the friction between moving parts, prevent wear,. Commonly referred to. Compressor Oil Lubrication System.
From www.researchgate.net
(PDF) Lubrication Purpose, Properties, and Use in Agrimechanics Compressor Oil Lubrication System The lubrication system on reciprocating compressors plays a crucial role in ensuring their optimal performance and longevity. A compressor’s basic purpose is to increase. Commonly referred to as the heart of any air or gas system, these assets require special attention, particularly their lubrication. The oil separator is one of the key components that separates the. Optimizing compressor performance and. Compressor Oil Lubrication System.
From www.tpub.com
Lubrication Systems Compressor Oil Lubrication System Optimizing compressor performance and equipment life through best lubrication practices. A compressor lubrication system is an important component of many types of compressors, designed to reduce the friction between moving parts, prevent wear,. A compressor’s basic purpose is to increase. The oil separator is one of the key components that separates the. The lubrication system on reciprocating compressors plays a. Compressor Oil Lubrication System.
From highpuritynorthwest.com
Centralized Circulating Lubrication Systems High Purity Northwest Compressor Oil Lubrication System The oil separator is one of the key components that separates the. The lubrication system on reciprocating compressors plays a crucial role in ensuring their optimal performance and longevity. An air compressor lubrication system plays a crucial role in keeping the compressor running smoothly and efficiently. Compressors are an integral part of almost every manufacturing facility. Optimizing compressor performance and. Compressor Oil Lubrication System.
From www.youtube.com
Engine lubrication system / How does it work? (3D animation) YouTube Compressor Oil Lubrication System Optimizing compressor performance and equipment life through best lubrication practices. An air compressor lubrication system plays a crucial role in keeping the compressor running smoothly and efficiently. The lubrication system on reciprocating compressors plays a crucial role in ensuring their optimal performance and longevity. Compressors are an integral part of almost every manufacturing facility. A compressor’s basic purpose is to. Compressor Oil Lubrication System.
From elangair.com
The Components and Working Principle of The Screw Air Compressor Oil Compressor Oil Lubrication System A compressor lubrication system is an important component of many types of compressors, designed to reduce the friction between moving parts, prevent wear,. The lubrication system on reciprocating compressors plays a crucial role in ensuring their optimal performance and longevity. To comprehend the vital role lubrication plays in compressors, you must first understand their function as well as the effects. Compressor Oil Lubrication System.
From www.researchgate.net
Compressor Package Lubrication Oil System MATLAB/Simulink Compressor Oil Lubrication System Compressors are an integral part of almost every manufacturing facility. To comprehend the vital role lubrication plays in compressors, you must first understand their function as well as the effects of. A compressor lubrication system is an important component of many types of compressors, designed to reduce the friction between moving parts, prevent wear,. For very cold installations, immersion heaters. Compressor Oil Lubrication System.
From theengineeringmindset.com
Chiller Oil Lubrication Circuit The Engineering Mindset Compressor Oil Lubrication System For very cold installations, immersion heaters and. The oil separator is one of the key components that separates the. An air compressor lubrication system plays a crucial role in keeping the compressor running smoothly and efficiently. A compressor lubrication system is an important component of many types of compressors, designed to reduce the friction between moving parts, prevent wear,. Compressors. Compressor Oil Lubrication System.
From instrumentationtools.com
Gas Compressor Seal Oil System Instrumentation Tools Compressor Oil Lubrication System Compressors are an integral part of almost every manufacturing facility. The lubrication system on reciprocating compressors plays a crucial role in ensuring their optimal performance and longevity. A compressor’s basic purpose is to increase. The oil separator is one of the key components that separates the. Optimizing compressor performance and equipment life through best lubrication practices. An air compressor lubrication. Compressor Oil Lubrication System.
From detoxicrecenze.com
Lubrication System Diagram My Wiring DIagram Compressor Oil Lubrication System Compressors are an integral part of almost every manufacturing facility. To comprehend the vital role lubrication plays in compressors, you must first understand their function as well as the effects of. A compressor’s basic purpose is to increase. A compressor lubrication system is an important component of many types of compressors, designed to reduce the friction between moving parts, prevent. Compressor Oil Lubrication System.
From mungfali.com
Lube Oil System Diagram Compressor Oil Lubrication System For very cold installations, immersion heaters and. A compressor’s basic purpose is to increase. To comprehend the vital role lubrication plays in compressors, you must first understand their function as well as the effects of. Optimizing compressor performance and equipment life through best lubrication practices. The oil separator is one of the key components that separates the. The lubrication system. Compressor Oil Lubrication System.
From www.machinerylubrication.com
Compressor Lubrication Best Practices Compressor Oil Lubrication System An air compressor lubrication system plays a crucial role in keeping the compressor running smoothly and efficiently. Commonly referred to as the heart of any air or gas system, these assets require special attention, particularly their lubrication. A compressor lubrication system is an important component of many types of compressors, designed to reduce the friction between moving parts, prevent wear,.. Compressor Oil Lubrication System.