Gas Burner Parts List . Do not attempt to repair defective parts. When ordering repair parts from your dealer or a. Find burner parts, gas meters and switches, propane burners, flame rods, propane vaporizers and more on our website. We have what you need. This search can be used to locate the spare part required or the correct manual / spare parts list for the burner code entered. Only factory authorized parts are to be used. Here you will find our burner spare parts lists. Browse our wide variety of spare parts that will suit your requirements ! Download spare parts catalogs for your bentone model. At online appliance parts, you have access to a large range of gas oven and gas cooktop spare parts such as burners, burner caps, diffusers and igniters, to suit all the leading brands of.
from fireplaceuniverse.com
When ordering repair parts from your dealer or a. Browse our wide variety of spare parts that will suit your requirements ! Download spare parts catalogs for your bentone model. Find burner parts, gas meters and switches, propane burners, flame rods, propane vaporizers and more on our website. Only factory authorized parts are to be used. At online appliance parts, you have access to a large range of gas oven and gas cooktop spare parts such as burners, burner caps, diffusers and igniters, to suit all the leading brands of. Here you will find our burner spare parts lists. We have what you need. Do not attempt to repair defective parts. This search can be used to locate the spare part required or the correct manual / spare parts list for the burner code entered.
Parts Of A Gas Fireplace (Explained With Real Examples)
Gas Burner Parts List We have what you need. Download spare parts catalogs for your bentone model. When ordering repair parts from your dealer or a. Browse our wide variety of spare parts that will suit your requirements ! Here you will find our burner spare parts lists. At online appliance parts, you have access to a large range of gas oven and gas cooktop spare parts such as burners, burner caps, diffusers and igniters, to suit all the leading brands of. Find burner parts, gas meters and switches, propane burners, flame rods, propane vaporizers and more on our website. This search can be used to locate the spare part required or the correct manual / spare parts list for the burner code entered. We have what you need. Do not attempt to repair defective parts. Only factory authorized parts are to be used.
From engineeringlearn.com
18 Types of Burners and Their Uses Guide] Engineering Learn Gas Burner Parts List Only factory authorized parts are to be used. When ordering repair parts from your dealer or a. Find burner parts, gas meters and switches, propane burners, flame rods, propane vaporizers and more on our website. Here you will find our burner spare parts lists. Browse our wide variety of spare parts that will suit your requirements ! Download spare parts. Gas Burner Parts List.
From webmotor.org
What Are The Parts Of A Gas Burner Gas Burner Parts List When ordering repair parts from your dealer or a. Only factory authorized parts are to be used. Do not attempt to repair defective parts. We have what you need. Find burner parts, gas meters and switches, propane burners, flame rods, propane vaporizers and more on our website. Browse our wide variety of spare parts that will suit your requirements !. Gas Burner Parts List.
From manualdbscantling.z21.web.core.windows.net
Gas Stove Burner Diagram Gas Burner Parts List Only factory authorized parts are to be used. At online appliance parts, you have access to a large range of gas oven and gas cooktop spare parts such as burners, burner caps, diffusers and igniters, to suit all the leading brands of. Find burner parts, gas meters and switches, propane burners, flame rods, propane vaporizers and more on our website.. Gas Burner Parts List.
From www.geapplianceparts.com
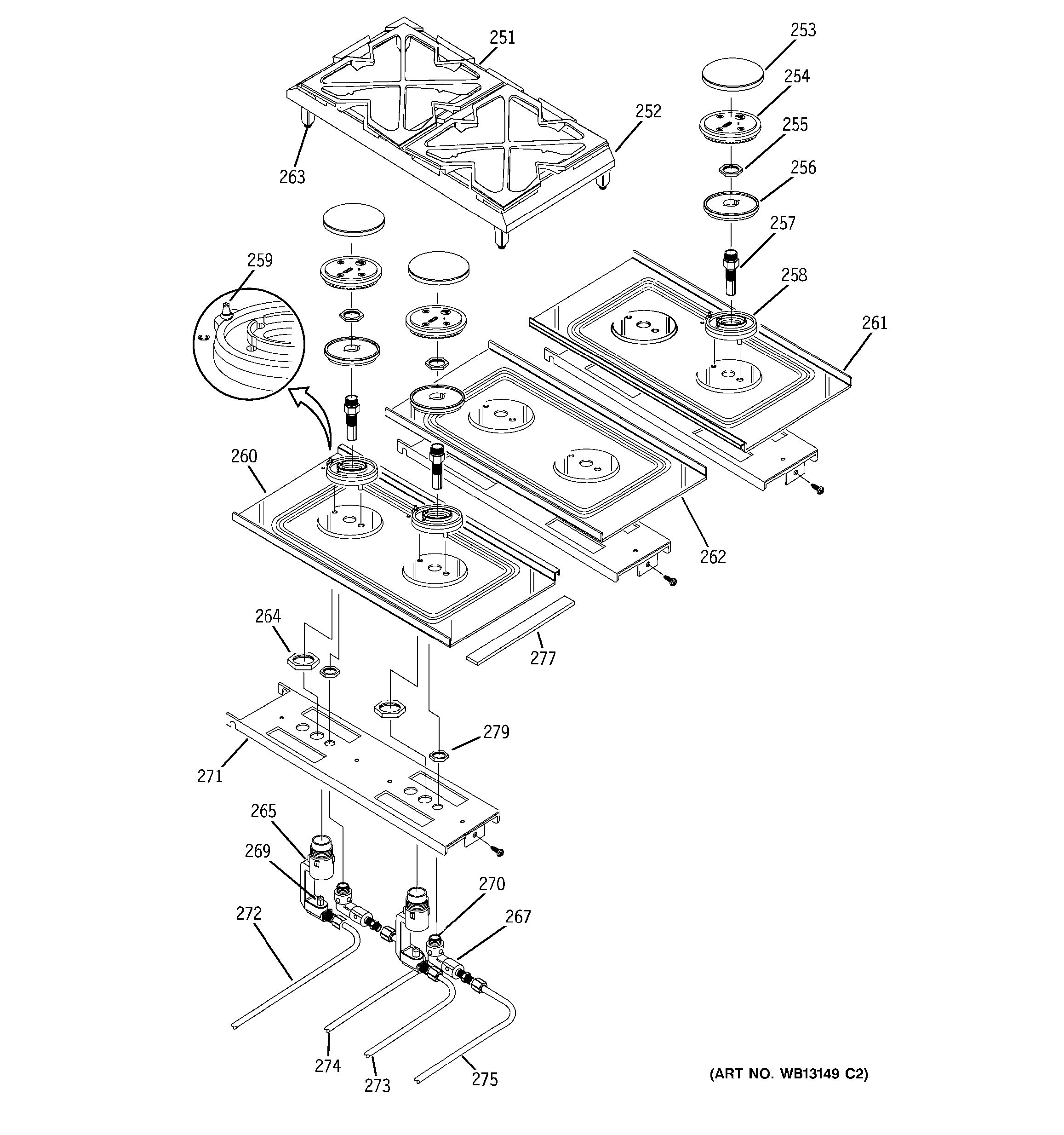
Assembly View for GAS & BURNER PARTS J2B918WEK3WW Gas Burner Parts List When ordering repair parts from your dealer or a. This search can be used to locate the spare part required or the correct manual / spare parts list for the burner code entered. Here you will find our burner spare parts lists. At online appliance parts, you have access to a large range of gas oven and gas cooktop spare. Gas Burner Parts List.
From manualdecoctions.z14.web.core.windows.net
Parts Of A Gas Stove Diagram Gas Burner Parts List Download spare parts catalogs for your bentone model. At online appliance parts, you have access to a large range of gas oven and gas cooktop spare parts such as burners, burner caps, diffusers and igniters, to suit all the leading brands of. This search can be used to locate the spare part required or the correct manual / spare parts. Gas Burner Parts List.
From www.geapplianceparts.com
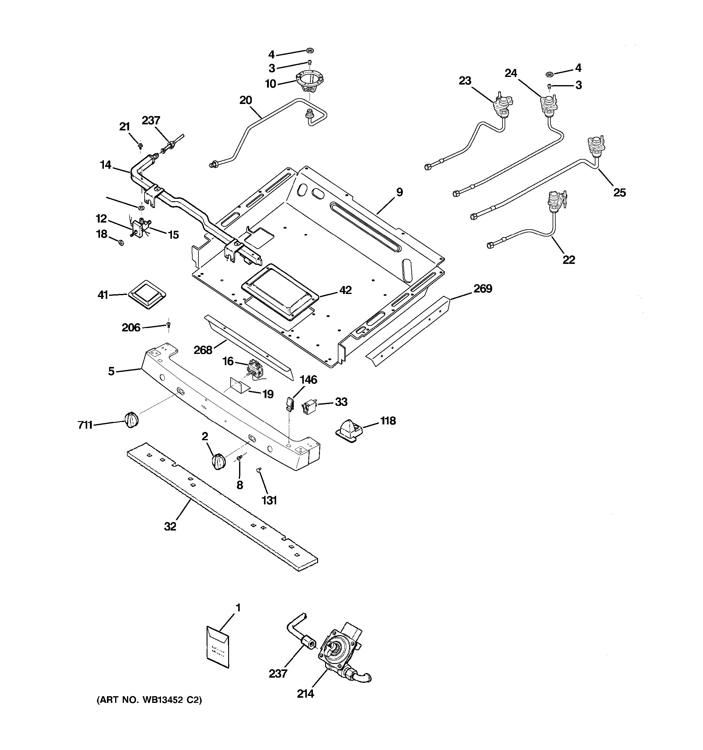
Assembly View for GAS & BURNER PARTS PGS908SEP3SS Gas Burner Parts List This search can be used to locate the spare part required or the correct manual / spare parts list for the burner code entered. Only factory authorized parts are to be used. Download spare parts catalogs for your bentone model. Find burner parts, gas meters and switches, propane burners, flame rods, propane vaporizers and more on our website. At online. Gas Burner Parts List.
From resolutionsforyou.com
The Ultimate Guide to Understanding GE Gas Stove Parts Diagrams Gas Burner Parts List Download spare parts catalogs for your bentone model. Here you will find our burner spare parts lists. We have what you need. When ordering repair parts from your dealer or a. Find burner parts, gas meters and switches, propane burners, flame rods, propane vaporizers and more on our website. This search can be used to locate the spare part required. Gas Burner Parts List.
From www.geapplianceparts.com
Assembly View for GAS & BURNER PARTS JGRP17BEW5BB Gas Burner Parts List Here you will find our burner spare parts lists. Do not attempt to repair defective parts. Find burner parts, gas meters and switches, propane burners, flame rods, propane vaporizers and more on our website. Download spare parts catalogs for your bentone model. Only factory authorized parts are to be used. This search can be used to locate the spare part. Gas Burner Parts List.
From gasburnerkakisen.blogspot.com
Gas Burner Gas Burner Diagram Gas Burner Parts List This search can be used to locate the spare part required or the correct manual / spare parts list for the burner code entered. Only factory authorized parts are to be used. Here you will find our burner spare parts lists. Do not attempt to repair defective parts. Find burner parts, gas meters and switches, propane burners, flame rods, propane. Gas Burner Parts List.
From www.geapplianceparts.com
Assembly View for GAS & BURNER PARTS CGP350SET3SS Gas Burner Parts List Find burner parts, gas meters and switches, propane burners, flame rods, propane vaporizers and more on our website. Here you will find our burner spare parts lists. When ordering repair parts from your dealer or a. Browse our wide variety of spare parts that will suit your requirements ! Download spare parts catalogs for your bentone model. Do not attempt. Gas Burner Parts List.
From www.geapplianceparts.com
Assembly View for GAS & BURNER PARTS JGRP20WEJ2WW Gas Burner Parts List This search can be used to locate the spare part required or the correct manual / spare parts list for the burner code entered. Browse our wide variety of spare parts that will suit your requirements ! Only factory authorized parts are to be used. Download spare parts catalogs for your bentone model. When ordering repair parts from your dealer. Gas Burner Parts List.
From www.geapplianceparts.com
Assembly View for GAS & BURNER PARTS ZDP36N6H1SS Gas Burner Parts List Browse our wide variety of spare parts that will suit your requirements ! Find burner parts, gas meters and switches, propane burners, flame rods, propane vaporizers and more on our website. When ordering repair parts from your dealer or a. This search can be used to locate the spare part required or the correct manual / spare parts list for. Gas Burner Parts List.
From www.geapplianceparts.com
Assembly View for GAS & BURNER PARTS JGP945SEK1SS Gas Burner Parts List This search can be used to locate the spare part required or the correct manual / spare parts list for the burner code entered. We have what you need. Do not attempt to repair defective parts. Browse our wide variety of spare parts that will suit your requirements ! Download spare parts catalogs for your bentone model. When ordering repair. Gas Burner Parts List.
From www.geapplianceparts.com
Assembly View for GAS & BURNER PARTS JGP628SEJ1SS Gas Burner Parts List Do not attempt to repair defective parts. At online appliance parts, you have access to a large range of gas oven and gas cooktop spare parts such as burners, burner caps, diffusers and igniters, to suit all the leading brands of. Only factory authorized parts are to be used. When ordering repair parts from your dealer or a. Download spare. Gas Burner Parts List.
From connertoncooking.com
Gas Range Top Cooking Section Parts List Connerton 80 Years of Gas Burner Parts List When ordering repair parts from your dealer or a. This search can be used to locate the spare part required or the correct manual / spare parts list for the burner code entered. Download spare parts catalogs for your bentone model. Do not attempt to repair defective parts. Only factory authorized parts are to be used. We have what you. Gas Burner Parts List.
From www.geapplianceparts.com
Assembly View for GAS & BURNER PARTS JGBP90MEB6BC Gas Burner Parts List Find burner parts, gas meters and switches, propane burners, flame rods, propane vaporizers and more on our website. Download spare parts catalogs for your bentone model. This search can be used to locate the spare part required or the correct manual / spare parts list for the burner code entered. We have what you need. When ordering repair parts from. Gas Burner Parts List.
From userdiagramhotches.z13.web.core.windows.net
Gas Heater Parts Diagram Gas Burner Parts List Download spare parts catalogs for your bentone model. Find burner parts, gas meters and switches, propane burners, flame rods, propane vaporizers and more on our website. Browse our wide variety of spare parts that will suit your requirements ! This search can be used to locate the spare part required or the correct manual / spare parts list for the. Gas Burner Parts List.
From www.geapplianceparts.com
Assembly View for GAS & BURNER PARTS PGP966SET1SS Gas Burner Parts List We have what you need. Find burner parts, gas meters and switches, propane burners, flame rods, propane vaporizers and more on our website. At online appliance parts, you have access to a large range of gas oven and gas cooktop spare parts such as burners, burner caps, diffusers and igniters, to suit all the leading brands of. Do not attempt. Gas Burner Parts List.
From www.geapplianceparts.com
Assembly View for GAS & BURNER PARTS PGP976SET1SS Gas Burner Parts List Find burner parts, gas meters and switches, propane burners, flame rods, propane vaporizers and more on our website. At online appliance parts, you have access to a large range of gas oven and gas cooktop spare parts such as burners, burner caps, diffusers and igniters, to suit all the leading brands of. We have what you need. When ordering repair. Gas Burner Parts List.
From heatingpartswarehouse.co.uk
Buy Warmflow Compatible Riello R40 G3 Burner Parts at Heating Parts Gas Burner Parts List We have what you need. Only factory authorized parts are to be used. This search can be used to locate the spare part required or the correct manual / spare parts list for the burner code entered. Download spare parts catalogs for your bentone model. Here you will find our burner spare parts lists. Do not attempt to repair defective. Gas Burner Parts List.
From www.homenish.com
The Main Parts of a Stove Explained (with Diagram) Homenish Gas Burner Parts List Browse our wide variety of spare parts that will suit your requirements ! Find burner parts, gas meters and switches, propane burners, flame rods, propane vaporizers and more on our website. When ordering repair parts from your dealer or a. This search can be used to locate the spare part required or the correct manual / spare parts list for. Gas Burner Parts List.
From fireplaceuniverse.com
Parts Of A Gas Fireplace (Explained With Real Examples) Gas Burner Parts List At online appliance parts, you have access to a large range of gas oven and gas cooktop spare parts such as burners, burner caps, diffusers and igniters, to suit all the leading brands of. When ordering repair parts from your dealer or a. Do not attempt to repair defective parts. Download spare parts catalogs for your bentone model. This search. Gas Burner Parts List.
From www.geapplianceparts.com
Assembly View for GAS & BURNER PARTS JGP940SEK1SS Gas Burner Parts List When ordering repair parts from your dealer or a. Download spare parts catalogs for your bentone model. Browse our wide variety of spare parts that will suit your requirements ! Do not attempt to repair defective parts. This search can be used to locate the spare part required or the correct manual / spare parts list for the burner code. Gas Burner Parts List.
From www.geapplianceparts.com
Assembly View for GAS & BURNER PARTS JGP336BED1BB Gas Burner Parts List Browse our wide variety of spare parts that will suit your requirements ! Download spare parts catalogs for your bentone model. When ordering repair parts from your dealer or a. Find burner parts, gas meters and switches, propane burners, flame rods, propane vaporizers and more on our website. We have what you need. Do not attempt to repair defective parts.. Gas Burner Parts List.
From www.geapplianceparts.com
Assembly View for GAS & BURNER PARTS JGP3030SL2SS Gas Burner Parts List Browse our wide variety of spare parts that will suit your requirements ! Download spare parts catalogs for your bentone model. When ordering repair parts from your dealer or a. Do not attempt to repair defective parts. Only factory authorized parts are to be used. This search can be used to locate the spare part required or the correct manual. Gas Burner Parts List.
From www.rielloburners.co.uk
Product Page Gas Burner Parts List Find burner parts, gas meters and switches, propane burners, flame rods, propane vaporizers and more on our website. When ordering repair parts from your dealer or a. Only factory authorized parts are to be used. Browse our wide variety of spare parts that will suit your requirements ! This search can be used to locate the spare part required or. Gas Burner Parts List.
From www.geapplianceparts.com
Assembly View for GAS & BURNER PARTS JGP970SEK1SS Gas Burner Parts List When ordering repair parts from your dealer or a. Find burner parts, gas meters and switches, propane burners, flame rods, propane vaporizers and more on our website. We have what you need. Download spare parts catalogs for your bentone model. This search can be used to locate the spare part required or the correct manual / spare parts list for. Gas Burner Parts List.
From www.indiamart.com
Gas Stove Parts LPG Stove and Cooker Spare Parts Plumbing Gas Burner Parts List Here you will find our burner spare parts lists. When ordering repair parts from your dealer or a. Browse our wide variety of spare parts that will suit your requirements ! At online appliance parts, you have access to a large range of gas oven and gas cooktop spare parts such as burners, burner caps, diffusers and igniters, to suit. Gas Burner Parts List.
From engineeringsadvice.com
Gas Stove Burner Parts Names And Functions Engineering's Advice Gas Burner Parts List Browse our wide variety of spare parts that will suit your requirements ! Do not attempt to repair defective parts. When ordering repair parts from your dealer or a. Find burner parts, gas meters and switches, propane burners, flame rods, propane vaporizers and more on our website. This search can be used to locate the spare part required or the. Gas Burner Parts List.
From www.geapplianceparts.com
Assembly View for GAS & BURNER PARTS JGAS02SEN4SS Gas Burner Parts List When ordering repair parts from your dealer or a. Do not attempt to repair defective parts. We have what you need. Here you will find our burner spare parts lists. Browse our wide variety of spare parts that will suit your requirements ! This search can be used to locate the spare part required or the correct manual / spare. Gas Burner Parts List.
From fireplaceuniverse.com
Parts Of A Gas Fireplace (Explained With Real Examples) Gas Burner Parts List Do not attempt to repair defective parts. This search can be used to locate the spare part required or the correct manual / spare parts list for the burner code entered. We have what you need. Find burner parts, gas meters and switches, propane burners, flame rods, propane vaporizers and more on our website. Browse our wide variety of spare. Gas Burner Parts List.
From stovessodovoe.blogspot.com
Stoves Gas Stove Parts Gas Burner Parts List Do not attempt to repair defective parts. When ordering repair parts from your dealer or a. At online appliance parts, you have access to a large range of gas oven and gas cooktop spare parts such as burners, burner caps, diffusers and igniters, to suit all the leading brands of. Find burner parts, gas meters and switches, propane burners, flame. Gas Burner Parts List.
From fixenginepmmetricists.z13.web.core.windows.net
Parts Of A Gas Stove Diagram Gas Burner Parts List We have what you need. Browse our wide variety of spare parts that will suit your requirements ! At online appliance parts, you have access to a large range of gas oven and gas cooktop spare parts such as burners, burner caps, diffusers and igniters, to suit all the leading brands of. Download spare parts catalogs for your bentone model.. Gas Burner Parts List.
From www.geapplianceparts.com
Assembly View for GAS & BURNER PARTS JGBP26WEV4WW Gas Burner Parts List This search can be used to locate the spare part required or the correct manual / spare parts list for the burner code entered. Here you will find our burner spare parts lists. When ordering repair parts from your dealer or a. We have what you need. At online appliance parts, you have access to a large range of gas. Gas Burner Parts List.
From gasstovebutsuyama.blogspot.com
Gas Stove Gas Stove Burner Parts Gas Burner Parts List This search can be used to locate the spare part required or the correct manual / spare parts list for the burner code entered. When ordering repair parts from your dealer or a. Browse our wide variety of spare parts that will suit your requirements ! Only factory authorized parts are to be used. At online appliance parts, you have. Gas Burner Parts List.