Adv7513 Hardware User Guide . You signed in with another tab or window. Attached are support files for the design and use of the adv7513 hdmi tx. File content product support adv7513 product page link You signed out in another tab or window. The tables in 4.3.2 define. The adv7513 is a high speed high definition multimedia interface (hdmi) transmitter that is capable of supporting an input data rate up to. For timing details for video capture, refer to the functional description section of the adv7513 hardware user guide. Reload to refresh your session. Reload to refresh your session.
from ez.analog.com
You signed in with another tab or window. Attached are support files for the design and use of the adv7513 hdmi tx. File content product support adv7513 product page link Reload to refresh your session. For timing details for video capture, refer to the functional description section of the adv7513 hardware user guide. You signed out in another tab or window. The tables in 4.3.2 define. Reload to refresh your session. The adv7513 is a high speed high definition multimedia interface (hdmi) transmitter that is capable of supporting an input data rate up to.
Cannot get ADV7180 to display video through ADV7513 Q&A Video EngineerZone
Adv7513 Hardware User Guide For timing details for video capture, refer to the functional description section of the adv7513 hardware user guide. You signed out in another tab or window. The adv7513 is a high speed high definition multimedia interface (hdmi) transmitter that is capable of supporting an input data rate up to. Attached are support files for the design and use of the adv7513 hdmi tx. The tables in 4.3.2 define. For timing details for video capture, refer to the functional description section of the adv7513 hardware user guide. Reload to refresh your session. You signed in with another tab or window. Reload to refresh your session. File content product support adv7513 product page link
From studylib.net
AD9889B to ADV7513 Changeover Guide Adv7513 Hardware User Guide Reload to refresh your session. The adv7513 is a high speed high definition multimedia interface (hdmi) transmitter that is capable of supporting an input data rate up to. For timing details for video capture, refer to the functional description section of the adv7513 hardware user guide. File content product support adv7513 product page link You signed out in another tab. Adv7513 Hardware User Guide.
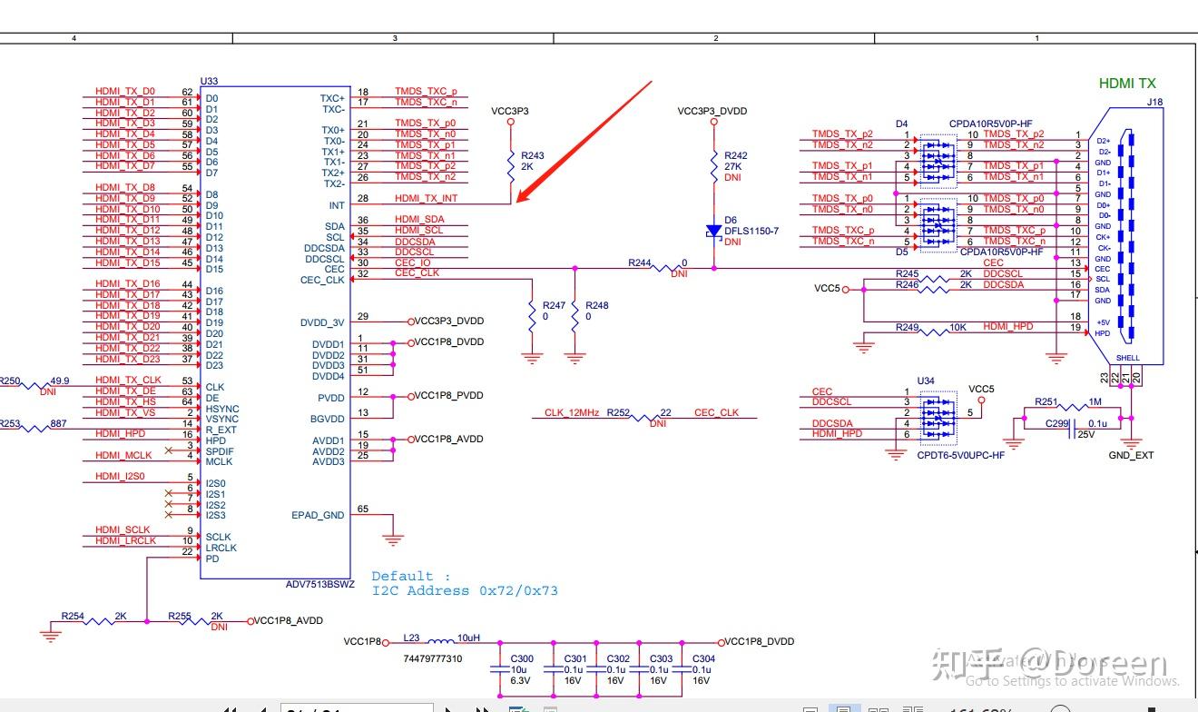
From www.elecfans.com
【ADV7513】产品参数介绍、ADV7513数据手册、中英文PDF资料下载ADI资料电子发烧友 Adv7513 Hardware User Guide The adv7513 is a high speed high definition multimedia interface (hdmi) transmitter that is capable of supporting an input data rate up to. For timing details for video capture, refer to the functional description section of the adv7513 hardware user guide. The tables in 4.3.2 define. You signed in with another tab or window. Attached are support files for the. Adv7513 Hardware User Guide.
From studylib.net
ADV7513 PROGRAMMING GUIDE Adv7513 Hardware User Guide Reload to refresh your session. The adv7513 is a high speed high definition multimedia interface (hdmi) transmitter that is capable of supporting an input data rate up to. You signed in with another tab or window. You signed out in another tab or window. The tables in 4.3.2 define. For timing details for video capture, refer to the functional description. Adv7513 Hardware User Guide.
From www.aliexpress.com
Adv7513bswz Adv7513 Lqfp64 Feet Audio And Video Encoder Chip Ic 100 New Original Imported Chips Adv7513 Hardware User Guide Reload to refresh your session. You signed out in another tab or window. You signed in with another tab or window. Attached are support files for the design and use of the adv7513 hdmi tx. For timing details for video capture, refer to the functional description section of the adv7513 hardware user guide. The tables in 4.3.2 define. Reload to. Adv7513 Hardware User Guide.
From zhuanlan.zhihu.com
基于FPGA控制的ADV7513芯片的I2C代码解析 知乎 Adv7513 Hardware User Guide File content product support adv7513 product page link For timing details for video capture, refer to the functional description section of the adv7513 hardware user guide. The adv7513 is a high speed high definition multimedia interface (hdmi) transmitter that is capable of supporting an input data rate up to. Attached are support files for the design and use of the. Adv7513 Hardware User Guide.
From ez.analog.com
How to start up ADV7513? Q&A Video EngineerZone Adv7513 Hardware User Guide For timing details for video capture, refer to the functional description section of the adv7513 hardware user guide. Attached are support files for the design and use of the adv7513 hdmi tx. The adv7513 is a high speed high definition multimedia interface (hdmi) transmitter that is capable of supporting an input data rate up to. Reload to refresh your session.. Adv7513 Hardware User Guide.
From www.slideserve.com
PPT HDMIenabled Designs Using the ADV7513 PowerPoint Presentation, free download ID5752671 Adv7513 Hardware User Guide Reload to refresh your session. Attached are support files for the design and use of the adv7513 hdmi tx. You signed out in another tab or window. The tables in 4.3.2 define. The adv7513 is a high speed high definition multimedia interface (hdmi) transmitter that is capable of supporting an input data rate up to. For timing details for video. Adv7513 Hardware User Guide.
From usermanual.wiki
FEATURES ADV7513 Hardware User's Guide R0 Adv7513 Hardware User Guide Reload to refresh your session. Attached are support files for the design and use of the adv7513 hdmi tx. The adv7513 is a high speed high definition multimedia interface (hdmi) transmitter that is capable of supporting an input data rate up to. File content product support adv7513 product page link You signed in with another tab or window. For timing. Adv7513 Hardware User Guide.
From www.cnblogs.com
ADV7513芯片控制解读及代码解析(中文版)——基于DE10Nano开发板——C5G 开发板 Doreen的FPGA自留地 博客园 Adv7513 Hardware User Guide The adv7513 is a high speed high definition multimedia interface (hdmi) transmitter that is capable of supporting an input data rate up to. For timing details for video capture, refer to the functional description section of the adv7513 hardware user guide. Reload to refresh your session. You signed out in another tab or window. Reload to refresh your session. You. Adv7513 Hardware User Guide.
From datasheetspdf.com
ADV7513 DataSheet Analog Devices Adv7513 Hardware User Guide You signed in with another tab or window. For timing details for video capture, refer to the functional description section of the adv7513 hardware user guide. The adv7513 is a high speed high definition multimedia interface (hdmi) transmitter that is capable of supporting an input data rate up to. You signed out in another tab or window. Attached are support. Adv7513 Hardware User Guide.
From slideplayer.com
HDMIenabled Designs Using the ADV ppt download Adv7513 Hardware User Guide The adv7513 is a high speed high definition multimedia interface (hdmi) transmitter that is capable of supporting an input data rate up to. The tables in 4.3.2 define. For timing details for video capture, refer to the functional description section of the adv7513 hardware user guide. Attached are support files for the design and use of the adv7513 hdmi tx.. Adv7513 Hardware User Guide.
From www.slideserve.com
PPT HDMIenabled Designs Using the ADV7513 PowerPoint Presentation, free download ID5752671 Adv7513 Hardware User Guide File content product support adv7513 product page link You signed out in another tab or window. You signed in with another tab or window. For timing details for video capture, refer to the functional description section of the adv7513 hardware user guide. Reload to refresh your session. The tables in 4.3.2 define. Attached are support files for the design and. Adv7513 Hardware User Guide.
From es.aliexpress.com
ADV7513 ADV7513BSWZCircuitos integrados AliExpress Adv7513 Hardware User Guide The adv7513 is a high speed high definition multimedia interface (hdmi) transmitter that is capable of supporting an input data rate up to. The tables in 4.3.2 define. File content product support adv7513 product page link For timing details for video capture, refer to the functional description section of the adv7513 hardware user guide. Reload to refresh your session. Reload. Adv7513 Hardware User Guide.
From datasheetspdf.com
ADV7513 DataSheet Analog Devices Adv7513 Hardware User Guide The tables in 4.3.2 define. You signed out in another tab or window. You signed in with another tab or window. Attached are support files for the design and use of the adv7513 hdmi tx. Reload to refresh your session. The adv7513 is a high speed high definition multimedia interface (hdmi) transmitter that is capable of supporting an input data. Adv7513 Hardware User Guide.
From www.analog.com
ADV7510 Datasheet and Product Info Analog Devices Adv7513 Hardware User Guide The adv7513 is a high speed high definition multimedia interface (hdmi) transmitter that is capable of supporting an input data rate up to. You signed out in another tab or window. Reload to refresh your session. The tables in 4.3.2 define. You signed in with another tab or window. File content product support adv7513 product page link For timing details. Adv7513 Hardware User Guide.
From www.digikey.co.uk
ADV7513 Datasheet by Analog Devices Inc. DigiKey Electronics Adv7513 Hardware User Guide Reload to refresh your session. You signed in with another tab or window. For timing details for video capture, refer to the functional description section of the adv7513 hardware user guide. Reload to refresh your session. The tables in 4.3.2 define. File content product support adv7513 product page link You signed out in another tab or window. Attached are support. Adv7513 Hardware User Guide.
From zhuanlan.zhihu.com
基于FPGA控制的ADV7513芯片的I2C代码解析 知乎 Adv7513 Hardware User Guide The adv7513 is a high speed high definition multimedia interface (hdmi) transmitter that is capable of supporting an input data rate up to. File content product support adv7513 product page link You signed out in another tab or window. Attached are support files for the design and use of the adv7513 hdmi tx. You signed in with another tab or. Adv7513 Hardware User Guide.
From www.cnblogs.com
ADV7513芯片控制解读及代码解析(中文版)——基于DE10Nano开发板——C5G 开发板 Doreen的FPGA自留地 博客园 Adv7513 Hardware User Guide File content product support adv7513 product page link Reload to refresh your session. Reload to refresh your session. You signed out in another tab or window. The adv7513 is a high speed high definition multimedia interface (hdmi) transmitter that is capable of supporting an input data rate up to. You signed in with another tab or window. For timing details. Adv7513 Hardware User Guide.
From www.aliexpress.com
2Pcs ADV7513BSWZ ADV7513BSW ADV7513 LQFP642pcs2pcs set AliExpress Adv7513 Hardware User Guide You signed in with another tab or window. You signed out in another tab or window. The adv7513 is a high speed high definition multimedia interface (hdmi) transmitter that is capable of supporting an input data rate up to. Reload to refresh your session. Reload to refresh your session. Attached are support files for the design and use of the. Adv7513 Hardware User Guide.
From ez.analog.com
ADV7513 HDCP 1080p Issue Flickering Static Snow and Loss of Signal Q&A Video EngineerZone Adv7513 Hardware User Guide You signed out in another tab or window. For timing details for video capture, refer to the functional description section of the adv7513 hardware user guide. The adv7513 is a high speed high definition multimedia interface (hdmi) transmitter that is capable of supporting an input data rate up to. Attached are support files for the design and use of the. Adv7513 Hardware User Guide.
From www.slideserve.com
PPT HDMIenabled Designs Using the ADV7513 PowerPoint Presentation, free download ID5752671 Adv7513 Hardware User Guide File content product support adv7513 product page link You signed out in another tab or window. The tables in 4.3.2 define. Reload to refresh your session. You signed in with another tab or window. The adv7513 is a high speed high definition multimedia interface (hdmi) transmitter that is capable of supporting an input data rate up to. Reload to refresh. Adv7513 Hardware User Guide.
From www.aliexpress.com
NEW 5PCS/LOT ADV7513BSWZ ADV7513 7513BSWZ QFP 64 ICBattery Accessories & Charger Accessories Adv7513 Hardware User Guide You signed in with another tab or window. The adv7513 is a high speed high definition multimedia interface (hdmi) transmitter that is capable of supporting an input data rate up to. You signed out in another tab or window. Reload to refresh your session. Attached are support files for the design and use of the adv7513 hdmi tx. File content. Adv7513 Hardware User Guide.
From www.digikey.co.uk
ADV7513 Datasheet by Analog Devices Inc. DigiKey Electronics Adv7513 Hardware User Guide The adv7513 is a high speed high definition multimedia interface (hdmi) transmitter that is capable of supporting an input data rate up to. You signed out in another tab or window. Reload to refresh your session. For timing details for video capture, refer to the functional description section of the adv7513 hardware user guide. Attached are support files for the. Adv7513 Hardware User Guide.
From ez.analog.com
Cannot get ADV7180 to display video through ADV7513 Q&A Video EngineerZone Adv7513 Hardware User Guide You signed out in another tab or window. The tables in 4.3.2 define. Reload to refresh your session. The adv7513 is a high speed high definition multimedia interface (hdmi) transmitter that is capable of supporting an input data rate up to. You signed in with another tab or window. Reload to refresh your session. File content product support adv7513 product. Adv7513 Hardware User Guide.
From www.scribd.com
Atmel AVR1923 XMEGAA3BU Xplained Hardware User Guide 8Bit Atmel Microcontrollers Application Adv7513 Hardware User Guide The tables in 4.3.2 define. You signed out in another tab or window. For timing details for video capture, refer to the functional description section of the adv7513 hardware user guide. You signed in with another tab or window. File content product support adv7513 product page link Attached are support files for the design and use of the adv7513 hdmi. Adv7513 Hardware User Guide.
From slideplayer.com
HDMIenabled Designs Using the ADV ppt download Adv7513 Hardware User Guide Reload to refresh your session. You signed in with another tab or window. File content product support adv7513 product page link Reload to refresh your session. The tables in 4.3.2 define. For timing details for video capture, refer to the functional description section of the adv7513 hardware user guide. Attached are support files for the design and use of the. Adv7513 Hardware User Guide.
From www.cnblogs.com
ADV7513芯片控制解读及代码解析(中文版)——基于DE10Nano开发板——C5G 开发板 Doreen的FPGA自留地 博客园 Adv7513 Hardware User Guide Attached are support files for the design and use of the adv7513 hdmi tx. File content product support adv7513 product page link For timing details for video capture, refer to the functional description section of the adv7513 hardware user guide. You signed out in another tab or window. Reload to refresh your session. Reload to refresh your session. The adv7513. Adv7513 Hardware User Guide.
From ez.analog.com
ADV7513 VIC15 SCRIPT Q&A Video EngineerZone Adv7513 Hardware User Guide The adv7513 is a high speed high definition multimedia interface (hdmi) transmitter that is capable of supporting an input data rate up to. The tables in 4.3.2 define. Attached are support files for the design and use of the adv7513 hdmi tx. Reload to refresh your session. File content product support adv7513 product page link Reload to refresh your session.. Adv7513 Hardware User Guide.
From www.slideserve.com
PPT HDMIenabled Designs Using the ADV7513 PowerPoint Presentation, free download ID5752671 Adv7513 Hardware User Guide The adv7513 is a high speed high definition multimedia interface (hdmi) transmitter that is capable of supporting an input data rate up to. File content product support adv7513 product page link Attached are support files for the design and use of the adv7513 hdmi tx. For timing details for video capture, refer to the functional description section of the adv7513. Adv7513 Hardware User Guide.
From www.cnblogs.com
ADV7513芯片控制解读及代码解析(中文版)——基于DE10Nano开发板——C5G 开发板 Doreen的FPGA自留地 博客园 Adv7513 Hardware User Guide Reload to refresh your session. Reload to refresh your session. You signed out in another tab or window. Attached are support files for the design and use of the adv7513 hdmi tx. You signed in with another tab or window. The tables in 4.3.2 define. For timing details for video capture, refer to the functional description section of the adv7513. Adv7513 Hardware User Guide.
From www.digikey.co.uk
ADV7513 Datasheet by Analog Devices Inc. DigiKey Electronics Adv7513 Hardware User Guide The tables in 4.3.2 define. You signed out in another tab or window. You signed in with another tab or window. Attached are support files for the design and use of the adv7513 hdmi tx. File content product support adv7513 product page link For timing details for video capture, refer to the functional description section of the adv7513 hardware user. Adv7513 Hardware User Guide.
From ez.analog.com
No video output from ADV7513 Q&A Video EngineerZone Adv7513 Hardware User Guide The tables in 4.3.2 define. File content product support adv7513 product page link Reload to refresh your session. You signed in with another tab or window. Attached are support files for the design and use of the adv7513 hdmi tx. You signed out in another tab or window. Reload to refresh your session. The adv7513 is a high speed high. Adv7513 Hardware User Guide.
From zhuanlan.zhihu.com
基于FPGA控制的ADV7513芯片的I2C代码解析 知乎 Adv7513 Hardware User Guide Reload to refresh your session. Attached are support files for the design and use of the adv7513 hdmi tx. The adv7513 is a high speed high definition multimedia interface (hdmi) transmitter that is capable of supporting an input data rate up to. File content product support adv7513 product page link You signed in with another tab or window. For timing. Adv7513 Hardware User Guide.
From item.taobao.com
ADV7513BSWZ ADV7513 贴片LQFP64 视频接口芯片 全新原装正品淘宝网 Adv7513 Hardware User Guide Reload to refresh your session. The tables in 4.3.2 define. You signed out in another tab or window. Attached are support files for the design and use of the adv7513 hdmi tx. File content product support adv7513 product page link Reload to refresh your session. The adv7513 is a high speed high definition multimedia interface (hdmi) transmitter that is capable. Adv7513 Hardware User Guide.
From www.taobao.com
RGB/BT1120/BT656输入转HDMI输出ADV7513开发板FPGA显示方案板Taobao Adv7513 Hardware User Guide Reload to refresh your session. The adv7513 is a high speed high definition multimedia interface (hdmi) transmitter that is capable of supporting an input data rate up to. File content product support adv7513 product page link The tables in 4.3.2 define. You signed in with another tab or window. Reload to refresh your session. Attached are support files for the. Adv7513 Hardware User Guide.