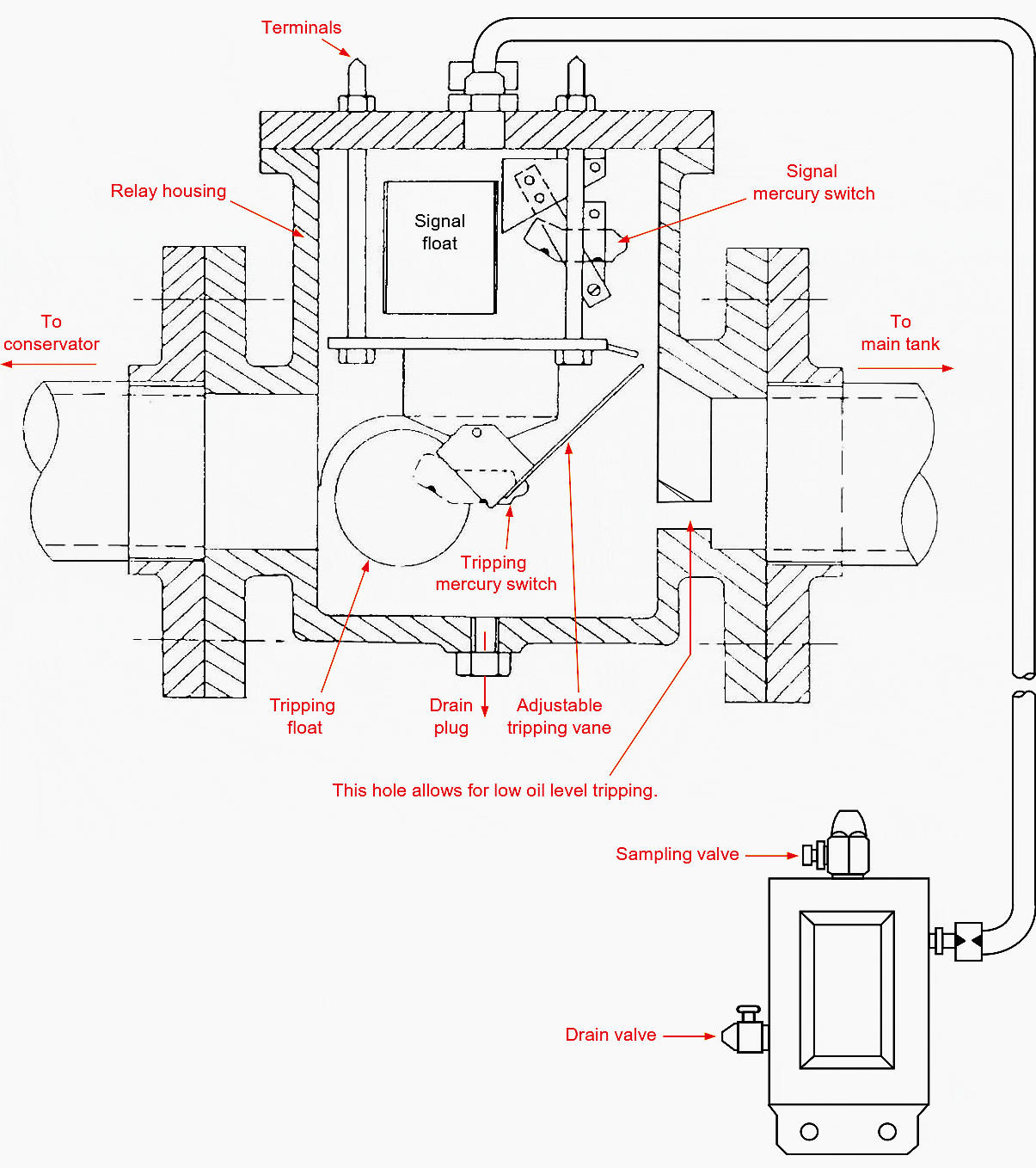
Explain Buchholz Relay With Diagram . a simple explanation of a buchholz relay. buchholz relay is a gas actuated relay. We also discuss how these relays. Learn how a buchholz relay. learn what a buchholz relay in transformers is, its working principle, and a diagram of a buchholz relay. A simple explanation of buchholz relays. The buchholz relay protects the transformer from internal faults. It was devised in the year 1921 by max buchholz, hence the name. buchholz relay, like any other relay, is a sensing device used to sense abnormal working of a transformer in a critical operation like a power transformer. It is connected to the conservator as shown in fig.
from www.circuitdiagram.co
buchholz relay is a gas actuated relay. a simple explanation of a buchholz relay. We also discuss how these relays. It is connected to the conservator as shown in fig. buchholz relay, like any other relay, is a sensing device used to sense abnormal working of a transformer in a critical operation like a power transformer. Learn how a buchholz relay. The buchholz relay protects the transformer from internal faults. learn what a buchholz relay in transformers is, its working principle, and a diagram of a buchholz relay. A simple explanation of buchholz relays. It was devised in the year 1921 by max buchholz, hence the name.
Schematic Diagram Of Buchholz Relays
Explain Buchholz Relay With Diagram The buchholz relay protects the transformer from internal faults. It is connected to the conservator as shown in fig. We also discuss how these relays. The buchholz relay protects the transformer from internal faults. learn what a buchholz relay in transformers is, its working principle, and a diagram of a buchholz relay. It was devised in the year 1921 by max buchholz, hence the name. a simple explanation of a buchholz relay. buchholz relay is a gas actuated relay. buchholz relay, like any other relay, is a sensing device used to sense abnormal working of a transformer in a critical operation like a power transformer. A simple explanation of buchholz relays. Learn how a buchholz relay.
From www.electricalvolt.com
Buchholz Relay Working Principle, Construction and Operation Explain Buchholz Relay With Diagram buchholz relay, like any other relay, is a sensing device used to sense abnormal working of a transformer in a critical operation like a power transformer. It is connected to the conservator as shown in fig. It was devised in the year 1921 by max buchholz, hence the name. buchholz relay is a gas actuated relay. We also. Explain Buchholz Relay With Diagram.
From www.circuitdiagram.co
Schematic Diagram Of Buchholz Relays Explain Buchholz Relay With Diagram Learn how a buchholz relay. learn what a buchholz relay in transformers is, its working principle, and a diagram of a buchholz relay. We also discuss how these relays. A simple explanation of buchholz relays. a simple explanation of a buchholz relay. The buchholz relay protects the transformer from internal faults. It is connected to the conservator as. Explain Buchholz Relay With Diagram.
From electricalmag.com
Buchholz Relay Working Principle ElectricalMag Explain Buchholz Relay With Diagram It is connected to the conservator as shown in fig. A simple explanation of buchholz relays. buchholz relay, like any other relay, is a sensing device used to sense abnormal working of a transformer in a critical operation like a power transformer. buchholz relay is a gas actuated relay. We also discuss how these relays. learn what. Explain Buchholz Relay With Diagram.
From www.electricaldesks.com
Buchholz Relay Construction, Working, Advantages, Disadvantages & Applications Explain Buchholz Relay With Diagram learn what a buchholz relay in transformers is, its working principle, and a diagram of a buchholz relay. We also discuss how these relays. It was devised in the year 1921 by max buchholz, hence the name. A simple explanation of buchholz relays. a simple explanation of a buchholz relay. Learn how a buchholz relay. buchholz relay,. Explain Buchholz Relay With Diagram.
From electricalgang.com
Buchholz Relay in Transformers The Definitive Guide Explain Buchholz Relay With Diagram A simple explanation of buchholz relays. Learn how a buchholz relay. a simple explanation of a buchholz relay. buchholz relay is a gas actuated relay. We also discuss how these relays. The buchholz relay protects the transformer from internal faults. buchholz relay, like any other relay, is a sensing device used to sense abnormal working of a. Explain Buchholz Relay With Diagram.
From electricalgang.com
Buchholz Relay in Transformers The Definitive Guide Explain Buchholz Relay With Diagram learn what a buchholz relay in transformers is, its working principle, and a diagram of a buchholz relay. a simple explanation of a buchholz relay. Learn how a buchholz relay. It is connected to the conservator as shown in fig. We also discuss how these relays. The buchholz relay protects the transformer from internal faults. buchholz relay. Explain Buchholz Relay With Diagram.
From diagramenginelarry101.z19.web.core.windows.net
Circuit Diagram Of Buchholz Relay Explain Buchholz Relay With Diagram A simple explanation of buchholz relays. It was devised in the year 1921 by max buchholz, hence the name. The buchholz relay protects the transformer from internal faults. learn what a buchholz relay in transformers is, its working principle, and a diagram of a buchholz relay. Learn how a buchholz relay. It is connected to the conservator as shown. Explain Buchholz Relay With Diagram.
From www.yourelectricalguide.com
Buchholz Relay Working Principle & Construction Your Electrical Guide Explain Buchholz Relay With Diagram It was devised in the year 1921 by max buchholz, hence the name. buchholz relay, like any other relay, is a sensing device used to sense abnormal working of a transformer in a critical operation like a power transformer. a simple explanation of a buchholz relay. The buchholz relay protects the transformer from internal faults. Learn how a. Explain Buchholz Relay With Diagram.
From www.vrogue.co
Buchholz Relay In Transformers Construction Of Buchho vrogue.co Explain Buchholz Relay With Diagram Learn how a buchholz relay. buchholz relay is a gas actuated relay. We also discuss how these relays. learn what a buchholz relay in transformers is, its working principle, and a diagram of a buchholz relay. buchholz relay, like any other relay, is a sensing device used to sense abnormal working of a transformer in a critical. Explain Buchholz Relay With Diagram.
From www.circuitdiagram.co
Schematic Diagram Of Buchholz Relays Explain Buchholz Relay With Diagram It was devised in the year 1921 by max buchholz, hence the name. buchholz relay, like any other relay, is a sensing device used to sense abnormal working of a transformer in a critical operation like a power transformer. The buchholz relay protects the transformer from internal faults. a simple explanation of a buchholz relay. buchholz relay. Explain Buchholz Relay With Diagram.
From electricalgang.com
Buchholz Relay in Transformers The Definitive Guide Explain Buchholz Relay With Diagram buchholz relay is a gas actuated relay. The buchholz relay protects the transformer from internal faults. A simple explanation of buchholz relays. It is connected to the conservator as shown in fig. It was devised in the year 1921 by max buchholz, hence the name. learn what a buchholz relay in transformers is, its working principle, and a. Explain Buchholz Relay With Diagram.
From electricaltopic.com
Buchholz relayworking function,diagram,alarm & trip setting. Explain Buchholz Relay With Diagram A simple explanation of buchholz relays. buchholz relay, like any other relay, is a sensing device used to sense abnormal working of a transformer in a critical operation like a power transformer. learn what a buchholz relay in transformers is, its working principle, and a diagram of a buchholz relay. a simple explanation of a buchholz relay.. Explain Buchholz Relay With Diagram.
From www.youtube.com
What Is a Buchholz Relay and How Does It Work? YouTube Explain Buchholz Relay With Diagram learn what a buchholz relay in transformers is, its working principle, and a diagram of a buchholz relay. It is connected to the conservator as shown in fig. The buchholz relay protects the transformer from internal faults. A simple explanation of buchholz relays. It was devised in the year 1921 by max buchholz, hence the name. We also discuss. Explain Buchholz Relay With Diagram.
From savree.com
Transformer Buchholz Relay Explained saVRee saVRee Explain Buchholz Relay With Diagram Learn how a buchholz relay. learn what a buchholz relay in transformers is, its working principle, and a diagram of a buchholz relay. It was devised in the year 1921 by max buchholz, hence the name. A simple explanation of buchholz relays. It is connected to the conservator as shown in fig. a simple explanation of a buchholz. Explain Buchholz Relay With Diagram.
From instrumentationtools.com
What is a Buchholz Relay? Working Principle Explain Buchholz Relay With Diagram a simple explanation of a buchholz relay. buchholz relay is a gas actuated relay. It is connected to the conservator as shown in fig. The buchholz relay protects the transformer from internal faults. It was devised in the year 1921 by max buchholz, hence the name. We also discuss how these relays. buchholz relay, like any other. Explain Buchholz Relay With Diagram.
From www.circuitdiagram.co
Schematic Diagram Of Buchholz Relay Circuit Diagram Explain Buchholz Relay With Diagram buchholz relay, like any other relay, is a sensing device used to sense abnormal working of a transformer in a critical operation like a power transformer. buchholz relay is a gas actuated relay. a simple explanation of a buchholz relay. A simple explanation of buchholz relays. It was devised in the year 1921 by max buchholz, hence. Explain Buchholz Relay With Diagram.
From pbwel.com
Single Element Diagrams for Buchholz Relay from PBwel Explain Buchholz Relay With Diagram learn what a buchholz relay in transformers is, its working principle, and a diagram of a buchholz relay. A simple explanation of buchholz relays. buchholz relay is a gas actuated relay. It is connected to the conservator as shown in fig. It was devised in the year 1921 by max buchholz, hence the name. buchholz relay, like. Explain Buchholz Relay With Diagram.
From electricalbaba.com
Buchholz Relay Construction and Working Principle Electrical Concepts Explain Buchholz Relay With Diagram A simple explanation of buchholz relays. The buchholz relay protects the transformer from internal faults. We also discuss how these relays. learn what a buchholz relay in transformers is, its working principle, and a diagram of a buchholz relay. buchholz relay is a gas actuated relay. a simple explanation of a buchholz relay. It is connected to. Explain Buchholz Relay With Diagram.
From www.electricalpaathshala.com
Buchholz relay Contruction and its operation Electrical Paathshala Explain Buchholz Relay With Diagram The buchholz relay protects the transformer from internal faults. learn what a buchholz relay in transformers is, its working principle, and a diagram of a buchholz relay. It is connected to the conservator as shown in fig. a simple explanation of a buchholz relay. It was devised in the year 1921 by max buchholz, hence the name. . Explain Buchholz Relay With Diagram.
From electricalgang.com
Buchholz Relay in Transformers The Definitive Guide Explain Buchholz Relay With Diagram Learn how a buchholz relay. buchholz relay, like any other relay, is a sensing device used to sense abnormal working of a transformer in a critical operation like a power transformer. learn what a buchholz relay in transformers is, its working principle, and a diagram of a buchholz relay. It was devised in the year 1921 by max. Explain Buchholz Relay With Diagram.
From www.electricaldesks.com
Buchholz Relay Construction, Working, Advantages, Disadvantages & Applications Explain Buchholz Relay With Diagram learn what a buchholz relay in transformers is, its working principle, and a diagram of a buchholz relay. The buchholz relay protects the transformer from internal faults. It is connected to the conservator as shown in fig. We also discuss how these relays. A simple explanation of buchholz relays. a simple explanation of a buchholz relay. Learn how. Explain Buchholz Relay With Diagram.
From diagramdiagramhumiston.z19.web.core.windows.net
Circuit Diagram Of Buchholz Relay Explain Buchholz Relay With Diagram buchholz relay, like any other relay, is a sensing device used to sense abnormal working of a transformer in a critical operation like a power transformer. A simple explanation of buchholz relays. learn what a buchholz relay in transformers is, its working principle, and a diagram of a buchholz relay. a simple explanation of a buchholz relay.. Explain Buchholz Relay With Diagram.
From www.youtube.com
How Buchholz Relay Works YouTube Explain Buchholz Relay With Diagram a simple explanation of a buchholz relay. It is connected to the conservator as shown in fig. It was devised in the year 1921 by max buchholz, hence the name. We also discuss how these relays. buchholz relay, like any other relay, is a sensing device used to sense abnormal working of a transformer in a critical operation. Explain Buchholz Relay With Diagram.
From www.circuitdiagram.co
Schematic Diagram Of Buchholz Relays Explain Buchholz Relay With Diagram We also discuss how these relays. A simple explanation of buchholz relays. buchholz relay is a gas actuated relay. learn what a buchholz relay in transformers is, its working principle, and a diagram of a buchholz relay. a simple explanation of a buchholz relay. It is connected to the conservator as shown in fig. buchholz relay,. Explain Buchholz Relay With Diagram.
From instrumentationtools.com
What is a Buchholz Relay? Working Principle Explain Buchholz Relay With Diagram Learn how a buchholz relay. We also discuss how these relays. buchholz relay is a gas actuated relay. It was devised in the year 1921 by max buchholz, hence the name. learn what a buchholz relay in transformers is, its working principle, and a diagram of a buchholz relay. The buchholz relay protects the transformer from internal faults.. Explain Buchholz Relay With Diagram.
From www.electronicsinfos.com
What is Buchholz Relay ? working ,construction Electronicsinfos Explain Buchholz Relay With Diagram The buchholz relay protects the transformer from internal faults. We also discuss how these relays. A simple explanation of buchholz relays. It is connected to the conservator as shown in fig. a simple explanation of a buchholz relay. It was devised in the year 1921 by max buchholz, hence the name. Learn how a buchholz relay. buchholz relay,. Explain Buchholz Relay With Diagram.
From www.circuitdiagram.co
Schematic Diagram Of Buchholz Relays Circuit Diagram Explain Buchholz Relay With Diagram learn what a buchholz relay in transformers is, its working principle, and a diagram of a buchholz relay. It was devised in the year 1921 by max buchholz, hence the name. a simple explanation of a buchholz relay. We also discuss how these relays. A simple explanation of buchholz relays. buchholz relay is a gas actuated relay.. Explain Buchholz Relay With Diagram.
From hustleengineering.tech.blog
Buchholz Relay Hustle Engineering (EE) Explain Buchholz Relay With Diagram It was devised in the year 1921 by max buchholz, hence the name. learn what a buchholz relay in transformers is, its working principle, and a diagram of a buchholz relay. a simple explanation of a buchholz relay. A simple explanation of buchholz relays. Learn how a buchholz relay. buchholz relay, like any other relay, is a. Explain Buchholz Relay With Diagram.
From www.electricalpaathshala.com
Buchholz relay Contruction and its operation Electrical Paathshala Explain Buchholz Relay With Diagram a simple explanation of a buchholz relay. We also discuss how these relays. It is connected to the conservator as shown in fig. learn what a buchholz relay in transformers is, its working principle, and a diagram of a buchholz relay. Learn how a buchholz relay. buchholz relay is a gas actuated relay. The buchholz relay protects. Explain Buchholz Relay With Diagram.
From instrumentationtools.com
What is a Buchholz Relay? Working Principle Explain Buchholz Relay With Diagram The buchholz relay protects the transformer from internal faults. A simple explanation of buchholz relays. We also discuss how these relays. buchholz relay, like any other relay, is a sensing device used to sense abnormal working of a transformer in a critical operation like a power transformer. a simple explanation of a buchholz relay. buchholz relay is. Explain Buchholz Relay With Diagram.
From circuitagolopetzin.z4.web.core.windows.net
Circuit Diagram Of Buchholz Relay Explain Buchholz Relay With Diagram The buchholz relay protects the transformer from internal faults. A simple explanation of buchholz relays. We also discuss how these relays. learn what a buchholz relay in transformers is, its working principle, and a diagram of a buchholz relay. buchholz relay, like any other relay, is a sensing device used to sense abnormal working of a transformer in. Explain Buchholz Relay With Diagram.
From www.vrogue.co
Buchholz Relaygas Actuated Relay In Transformers Cons vrogue.co Explain Buchholz Relay With Diagram A simple explanation of buchholz relays. buchholz relay is a gas actuated relay. It is connected to the conservator as shown in fig. It was devised in the year 1921 by max buchholz, hence the name. learn what a buchholz relay in transformers is, its working principle, and a diagram of a buchholz relay. buchholz relay, like. Explain Buchholz Relay With Diagram.
From www.circuitdiagram.co
Wiring Diagram Of Buchholz Relay » Circuit Diagram Explain Buchholz Relay With Diagram The buchholz relay protects the transformer from internal faults. It is connected to the conservator as shown in fig. buchholz relay, like any other relay, is a sensing device used to sense abnormal working of a transformer in a critical operation like a power transformer. learn what a buchholz relay in transformers is, its working principle, and a. Explain Buchholz Relay With Diagram.
From es.fusedlearning.com
¿Qué es un relé de buchholz y cómo funciona? Vástago 2024 Explain Buchholz Relay With Diagram We also discuss how these relays. A simple explanation of buchholz relays. Learn how a buchholz relay. buchholz relay, like any other relay, is a sensing device used to sense abnormal working of a transformer in a critical operation like a power transformer. It is connected to the conservator as shown in fig. a simple explanation of a. Explain Buchholz Relay With Diagram.
From usermanualtractors.z1.web.core.windows.net
Circuit Diagram Of Buchholz Relay Explain Buchholz Relay With Diagram buchholz relay, like any other relay, is a sensing device used to sense abnormal working of a transformer in a critical operation like a power transformer. It is connected to the conservator as shown in fig. a simple explanation of a buchholz relay. We also discuss how these relays. learn what a buchholz relay in transformers is,. Explain Buchholz Relay With Diagram.