Vw Polo Air Conditioning Problems . The compressor is the heart of the air conditioning system. the most common cause of a volkswagen air conditioner not working is a low refrigerant level. how to fix air conditioning by firstly checking and fixing any leaks and. This can be caused by a leak in the system, a faulty compressor, or a problem with the expansion valve. learn how to diagnose and fix common air conditioner issues in your polo, such as low cooling, no airflow, or leaks. Vw polo 9n air conditioning only working on 4/full. 109k views 6 years ago. The fan automatically increases its level. First, check the ac compressor clutch. what are the most common vw air conditioning problems? You can check the clutch by looking under the hood of your vehicle. the digital air conditioning panel on my 2021 polo life opens by itself. If the clutch is not engaging, the ac system will not be able to produce cool air. if your volkswagen ac system is not working, there are a few things you can do to troubleshoot the problem.
from www.youtube.com
if your volkswagen ac system is not working, there are a few things you can do to troubleshoot the problem. The fan automatically increases its level. You can check the clutch by looking under the hood of your vehicle. If the clutch is not engaging, the ac system will not be able to produce cool air. This can be caused by a leak in the system, a faulty compressor, or a problem with the expansion valve. 109k views 6 years ago. Vw polo 9n air conditioning only working on 4/full. The compressor is the heart of the air conditioning system. the digital air conditioning panel on my 2021 polo life opens by itself. First, check the ac compressor clutch.
Volkswagen Polo 00898 control circuit A/C Air conditioning compressor open circuit/short with
Vw Polo Air Conditioning Problems 109k views 6 years ago. learn how to diagnose and fix common air conditioner issues in your polo, such as low cooling, no airflow, or leaks. how to fix air conditioning by firstly checking and fixing any leaks and. This can be caused by a leak in the system, a faulty compressor, or a problem with the expansion valve. Vw polo 9n air conditioning only working on 4/full. The fan automatically increases its level. the most common cause of a volkswagen air conditioner not working is a low refrigerant level. First, check the ac compressor clutch. the digital air conditioning panel on my 2021 polo life opens by itself. if your volkswagen ac system is not working, there are a few things you can do to troubleshoot the problem. The compressor is the heart of the air conditioning system. 109k views 6 years ago. If the clutch is not engaging, the ac system will not be able to produce cool air. what are the most common vw air conditioning problems? You can check the clutch by looking under the hood of your vehicle.
From www.youtube.com
How to Fix Your Car AC! (BLOWER RESISTOR) EASY FIX VW POLO AIR CONDITIONER YouTube Vw Polo Air Conditioning Problems If the clutch is not engaging, the ac system will not be able to produce cool air. the digital air conditioning panel on my 2021 polo life opens by itself. what are the most common vw air conditioning problems? This can be caused by a leak in the system, a faulty compressor, or a problem with the expansion. Vw Polo Air Conditioning Problems.
From cults3d.com
STL file VW POLO AİR AIR CONDITIONING GRILL・3D printable model to download・Cults Vw Polo Air Conditioning Problems The compressor is the heart of the air conditioning system. This can be caused by a leak in the system, a faulty compressor, or a problem with the expansion valve. You can check the clutch by looking under the hood of your vehicle. if your volkswagen ac system is not working, there are a few things you can do. Vw Polo Air Conditioning Problems.
From workshop-manuals.com
Volkswagen Service and Repair Manuals > Polo Mk3 > Heating, ventilation, air Vw Polo Air Conditioning Problems First, check the ac compressor clutch. if your volkswagen ac system is not working, there are a few things you can do to troubleshoot the problem. learn how to diagnose and fix common air conditioner issues in your polo, such as low cooling, no airflow, or leaks. what are the most common vw air conditioning problems? . Vw Polo Air Conditioning Problems.
From workshop-manuals.com
Volkswagen Service and Repair Manuals > Polo Mk4 > Heating, ventilation, air Vw Polo Air Conditioning Problems how to fix air conditioning by firstly checking and fixing any leaks and. If the clutch is not engaging, the ac system will not be able to produce cool air. what are the most common vw air conditioning problems? You can check the clutch by looking under the hood of your vehicle. First, check the ac compressor clutch.. Vw Polo Air Conditioning Problems.
From workshop-manuals.com
Volkswagen Service and Repair Manuals > Polo Mk3 > Heating, ventilation, air Vw Polo Air Conditioning Problems You can check the clutch by looking under the hood of your vehicle. The compressor is the heart of the air conditioning system. learn how to diagnose and fix common air conditioner issues in your polo, such as low cooling, no airflow, or leaks. 109k views 6 years ago. if your volkswagen ac system is not working,. Vw Polo Air Conditioning Problems.
From www.youtube.com
2010 VW Polo wet passenger side footwell, air conditioning drain pipe location YouTube Vw Polo Air Conditioning Problems learn how to diagnose and fix common air conditioner issues in your polo, such as low cooling, no airflow, or leaks. Vw polo 9n air conditioning only working on 4/full. how to fix air conditioning by firstly checking and fixing any leaks and. the digital air conditioning panel on my 2021 polo life opens by itself. First,. Vw Polo Air Conditioning Problems.
From www.smb-sarl.com
Mise en garde Pur Lalphabétisation vw polo air conditioning aiguille Submerger comté Vw Polo Air Conditioning Problems If the clutch is not engaging, the ac system will not be able to produce cool air. learn how to diagnose and fix common air conditioner issues in your polo, such as low cooling, no airflow, or leaks. The fan automatically increases its level. the most common cause of a volkswagen air conditioner not working is a low. Vw Polo Air Conditioning Problems.
From workshop-manuals.com
Volkswagen Service and Repair Manuals > Polo Mk3 > Heating, ventilation, air Vw Polo Air Conditioning Problems Vw polo 9n air conditioning only working on 4/full. learn how to diagnose and fix common air conditioner issues in your polo, such as low cooling, no airflow, or leaks. the most common cause of a volkswagen air conditioner not working is a low refrigerant level. how to fix air conditioning by firstly checking and fixing any. Vw Polo Air Conditioning Problems.
From workshop-manuals.com
Volkswagen Service and Repair Manuals > Polo Mk3 > Heating, ventilation, air Vw Polo Air Conditioning Problems 109k views 6 years ago. if your volkswagen ac system is not working, there are a few things you can do to troubleshoot the problem. learn how to diagnose and fix common air conditioner issues in your polo, such as low cooling, no airflow, or leaks. Vw polo 9n air conditioning only working on 4/full. The fan. Vw Polo Air Conditioning Problems.
From www.youtube.com
How to diagnose AC (Air Conditioner) of Skoda Rapid, Fabia, Volkswagen Vento, Polo, Audi any car Vw Polo Air Conditioning Problems learn how to diagnose and fix common air conditioner issues in your polo, such as low cooling, no airflow, or leaks. 109k views 6 years ago. This can be caused by a leak in the system, a faulty compressor, or a problem with the expansion valve. First, check the ac compressor clutch. if your volkswagen ac system. Vw Polo Air Conditioning Problems.
From americanprime.com.br
Volkswagen Polo Air Conditioner, No Cooling, Repair And, 60 OFF Vw Polo Air Conditioning Problems The fan automatically increases its level. how to fix air conditioning by firstly checking and fixing any leaks and. if your volkswagen ac system is not working, there are a few things you can do to troubleshoot the problem. This can be caused by a leak in the system, a faulty compressor, or a problem with the expansion. Vw Polo Air Conditioning Problems.
From www.youtube.com
2005 VW Polo Airconditioning not working, case study. YouTube Vw Polo Air Conditioning Problems The compressor is the heart of the air conditioning system. First, check the ac compressor clutch. what are the most common vw air conditioning problems? 109k views 6 years ago. Vw polo 9n air conditioning only working on 4/full. The fan automatically increases its level. learn how to diagnose and fix common air conditioner issues in your. Vw Polo Air Conditioning Problems.
From workshop-manuals.com
Volkswagen Service and Repair Manuals > Polo Mk5 > Heating, ventilation, air Vw Polo Air Conditioning Problems This can be caused by a leak in the system, a faulty compressor, or a problem with the expansion valve. You can check the clutch by looking under the hood of your vehicle. the digital air conditioning panel on my 2021 polo life opens by itself. how to fix air conditioning by firstly checking and fixing any leaks. Vw Polo Air Conditioning Problems.
From www.youtube.com
VW POLO 9N AC NOT WORKING ( Easy Fix ) YouTube Vw Polo Air Conditioning Problems The fan automatically increases its level. You can check the clutch by looking under the hood of your vehicle. the digital air conditioning panel on my 2021 polo life opens by itself. how to fix air conditioning by firstly checking and fixing any leaks and. Vw polo 9n air conditioning only working on 4/full. This can be caused. Vw Polo Air Conditioning Problems.
From www.youtube.com
Volkswagen Polo Air conditioner, no cooling, Repair and diagnosis YouTube Vw Polo Air Conditioning Problems the digital air conditioning panel on my 2021 polo life opens by itself. If the clutch is not engaging, the ac system will not be able to produce cool air. Vw polo 9n air conditioning only working on 4/full. The compressor is the heart of the air conditioning system. The fan automatically increases its level. You can check the. Vw Polo Air Conditioning Problems.
From polo.blue
Removing heater and air conditioning unit polo.blue Vw Polo Air Conditioning Problems the digital air conditioning panel on my 2021 polo life opens by itself. learn how to diagnose and fix common air conditioner issues in your polo, such as low cooling, no airflow, or leaks. This can be caused by a leak in the system, a faulty compressor, or a problem with the expansion valve. Vw polo 9n air. Vw Polo Air Conditioning Problems.
From www.youtube.com
Volkswagen Polo 00898 control circuit A/C Air conditioning compressor open circuit/short with Vw Polo Air Conditioning Problems the digital air conditioning panel on my 2021 polo life opens by itself. The compressor is the heart of the air conditioning system. what are the most common vw air conditioning problems? if your volkswagen ac system is not working, there are a few things you can do to troubleshoot the problem. You can check the clutch. Vw Polo Air Conditioning Problems.
From americanprime.com.br
Volkswagen Polo Air Conditioner, No Cooling, Repair And, 60 OFF Vw Polo Air Conditioning Problems if your volkswagen ac system is not working, there are a few things you can do to troubleshoot the problem. You can check the clutch by looking under the hood of your vehicle. how to fix air conditioning by firstly checking and fixing any leaks and. the digital air conditioning panel on my 2021 polo life opens. Vw Polo Air Conditioning Problems.
From workshop-manuals.com
Volkswagen Service and Repair Manuals > Polo Mk5 > Heating, ventilation, air Vw Polo Air Conditioning Problems learn how to diagnose and fix common air conditioner issues in your polo, such as low cooling, no airflow, or leaks. what are the most common vw air conditioning problems? Vw polo 9n air conditioning only working on 4/full. 109k views 6 years ago. the most common cause of a volkswagen air conditioner not working is. Vw Polo Air Conditioning Problems.
From workshop-manuals.com
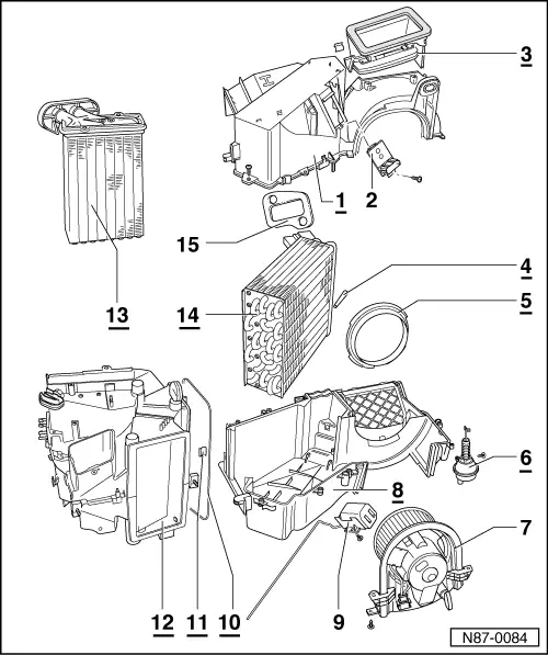
Volkswagen Manuals > Polo Mk3 > Heating, ventilation, air conditioning > Heating, air Vw Polo Air Conditioning Problems First, check the ac compressor clutch. learn how to diagnose and fix common air conditioner issues in your polo, such as low cooling, no airflow, or leaks. The compressor is the heart of the air conditioning system. This can be caused by a leak in the system, a faulty compressor, or a problem with the expansion valve. If the. Vw Polo Air Conditioning Problems.
From www.youtube.com
20092017 VW Intermittent AC Diagnosis and Repair How to Fix Volkswagen Air Conditioner YouTube Vw Polo Air Conditioning Problems This can be caused by a leak in the system, a faulty compressor, or a problem with the expansion valve. You can check the clutch by looking under the hood of your vehicle. First, check the ac compressor clutch. If the clutch is not engaging, the ac system will not be able to produce cool air. what are the. Vw Polo Air Conditioning Problems.
From www.vehiclehistory.com
VW Air Conditioning Problems VehicleHistory Vw Polo Air Conditioning Problems what are the most common vw air conditioning problems? You can check the clutch by looking under the hood of your vehicle. This can be caused by a leak in the system, a faulty compressor, or a problem with the expansion valve. how to fix air conditioning by firstly checking and fixing any leaks and. if your. Vw Polo Air Conditioning Problems.
From workshop-manuals.com
Volkswagen Service and Repair Manuals > Polo Mk4 > Heating, ventilation, air Vw Polo Air Conditioning Problems First, check the ac compressor clutch. how to fix air conditioning by firstly checking and fixing any leaks and. the digital air conditioning panel on my 2021 polo life opens by itself. if your volkswagen ac system is not working, there are a few things you can do to troubleshoot the problem. This can be caused by. Vw Polo Air Conditioning Problems.
From workshop-manuals.com
Volkswagen Manuals > Polo Mk3 > Heating, ventilation, air conditioning > Heating, air Vw Polo Air Conditioning Problems Vw polo 9n air conditioning only working on 4/full. how to fix air conditioning by firstly checking and fixing any leaks and. The compressor is the heart of the air conditioning system. If the clutch is not engaging, the ac system will not be able to produce cool air. The fan automatically increases its level. learn how to. Vw Polo Air Conditioning Problems.
From www.youtube.com
Fixing the VW Polo 9n's Air Conditioning Replacing the Resistor! Pointless Polo Project Vw Polo Air Conditioning Problems You can check the clutch by looking under the hood of your vehicle. if your volkswagen ac system is not working, there are a few things you can do to troubleshoot the problem. 109k views 6 years ago. Vw polo 9n air conditioning only working on 4/full. learn how to diagnose and fix common air conditioner issues. Vw Polo Air Conditioning Problems.
From www.ionhowto.com
VW Polo 9N Mk4 Air Recirculation Problem AC goes randomly cold to hot ION HowTo Vw Polo Air Conditioning Problems You can check the clutch by looking under the hood of your vehicle. the most common cause of a volkswagen air conditioner not working is a low refrigerant level. what are the most common vw air conditioning problems? learn how to diagnose and fix common air conditioner issues in your polo, such as low cooling, no airflow,. Vw Polo Air Conditioning Problems.
From polo.blue
Removing heater and air conditioning unit polo.blue Vw Polo Air Conditioning Problems The compressor is the heart of the air conditioning system. This can be caused by a leak in the system, a faulty compressor, or a problem with the expansion valve. The fan automatically increases its level. You can check the clutch by looking under the hood of your vehicle. First, check the ac compressor clutch. 109k views 6 years. Vw Polo Air Conditioning Problems.
From www.youtube.com
VW polo ac not working. car ac not working. ac not cooling. polo compressor not working. polo Vw Polo Air Conditioning Problems how to fix air conditioning by firstly checking and fixing any leaks and. The compressor is the heart of the air conditioning system. 109k views 6 years ago. if your volkswagen ac system is not working, there are a few things you can do to troubleshoot the problem. This can be caused by a leak in the. Vw Polo Air Conditioning Problems.
From workshop-manuals.com
Volkswagen Service and Repair Manuals > Polo Mk5 > Heating, ventilation, air Vw Polo Air Conditioning Problems if your volkswagen ac system is not working, there are a few things you can do to troubleshoot the problem. First, check the ac compressor clutch. If the clutch is not engaging, the ac system will not be able to produce cool air. how to fix air conditioning by firstly checking and fixing any leaks and. Vw polo. Vw Polo Air Conditioning Problems.
From workshop-manuals.com
Volkswagen Service and Repair Manuals > Polo Mk5 > Heating, ventilation, air Vw Polo Air Conditioning Problems learn how to diagnose and fix common air conditioner issues in your polo, such as low cooling, no airflow, or leaks. If the clutch is not engaging, the ac system will not be able to produce cool air. the digital air conditioning panel on my 2021 polo life opens by itself. 109k views 6 years ago. . Vw Polo Air Conditioning Problems.
From americanprime.com.br
Volkswagen Polo Air Conditioner, No Cooling, Repair And, 60 OFF Vw Polo Air Conditioning Problems if your volkswagen ac system is not working, there are a few things you can do to troubleshoot the problem. Vw polo 9n air conditioning only working on 4/full. how to fix air conditioning by firstly checking and fixing any leaks and. the most common cause of a volkswagen air conditioner not working is a low refrigerant. Vw Polo Air Conditioning Problems.
From workshop-manuals.com
Volkswagen Service and Repair Manuals > Polo Mk5 > Heating, ventilation, air Vw Polo Air Conditioning Problems The compressor is the heart of the air conditioning system. learn how to diagnose and fix common air conditioner issues in your polo, such as low cooling, no airflow, or leaks. what are the most common vw air conditioning problems? Vw polo 9n air conditioning only working on 4/full. if your volkswagen ac system is not working,. Vw Polo Air Conditioning Problems.
From www.youtube.com
Volkswagen Polo 1.2TSI Custom Air Intake YouTube Vw Polo Air Conditioning Problems You can check the clutch by looking under the hood of your vehicle. The fan automatically increases its level. what are the most common vw air conditioning problems? learn how to diagnose and fix common air conditioner issues in your polo, such as low cooling, no airflow, or leaks. the digital air conditioning panel on my 2021. Vw Polo Air Conditioning Problems.
From workshop-manuals.com
Volkswagen Manuals > Polo Mk3 > Heating, ventilation, air conditioning > Heating, air Vw Polo Air Conditioning Problems The compressor is the heart of the air conditioning system. This can be caused by a leak in the system, a faulty compressor, or a problem with the expansion valve. Vw polo 9n air conditioning only working on 4/full. learn how to diagnose and fix common air conditioner issues in your polo, such as low cooling, no airflow, or. Vw Polo Air Conditioning Problems.
From americanprime.com.br
Volkswagen Polo Air Conditioner, No Cooling, Repair And, 60 OFF Vw Polo Air Conditioning Problems You can check the clutch by looking under the hood of your vehicle. if your volkswagen ac system is not working, there are a few things you can do to troubleshoot the problem. This can be caused by a leak in the system, a faulty compressor, or a problem with the expansion valve. learn how to diagnose and. Vw Polo Air Conditioning Problems.