What Is Auto Volume Leveling On A Tv . — with the [auto volume] feature, you can reduce the volume difference between channels and. — the auto volume feature in samsung smart tv is a function that stabilizes the sound levels between different channels. — auto volume is a feature on samsung smart tvs that helps equalise. — auto volume control, also known as avc or volume leveling, is a feature in television sets that. you can adjust the volume level of broadcasts and external inputs in the sound or sound adjustments options: — auto volume helps avoid volume fluctuation when changing between. avl, short for automatic volume leveling, is a feature found on many modern televisions that aims to provide a consistent audio. — auto volume is a feature on samsung smart tvs that helps to avoid volume fluctuation when changing.
from www.techradar.com
avl, short for automatic volume leveling, is a feature found on many modern televisions that aims to provide a consistent audio. — with the [auto volume] feature, you can reduce the volume difference between channels and. — auto volume control, also known as avc or volume leveling, is a feature in television sets that. — auto volume helps avoid volume fluctuation when changing between. — auto volume is a feature on samsung smart tvs that helps to avoid volume fluctuation when changing. — the auto volume feature in samsung smart tv is a function that stabilizes the sound levels between different channels. — auto volume is a feature on samsung smart tvs that helps equalise. you can adjust the volume level of broadcasts and external inputs in the sound or sound adjustments options:
Gefen TV Auto Volume Stabiliser review TechRadar
What Is Auto Volume Leveling On A Tv — auto volume control, also known as avc or volume leveling, is a feature in television sets that. — with the [auto volume] feature, you can reduce the volume difference between channels and. you can adjust the volume level of broadcasts and external inputs in the sound or sound adjustments options: — auto volume is a feature on samsung smart tvs that helps to avoid volume fluctuation when changing. — auto volume helps avoid volume fluctuation when changing between. — the auto volume feature in samsung smart tv is a function that stabilizes the sound levels between different channels. — auto volume control, also known as avc or volume leveling, is a feature in television sets that. — auto volume is a feature on samsung smart tvs that helps equalise. avl, short for automatic volume leveling, is a feature found on many modern televisions that aims to provide a consistent audio.
From hitproducerstash.com
Secrets to Volume Leveling in Music Pro (Cheatsheet included) Hit What Is Auto Volume Leveling On A Tv — with the [auto volume] feature, you can reduce the volume difference between channels and. — auto volume is a feature on samsung smart tvs that helps equalise. — the auto volume feature in samsung smart tv is a function that stabilizes the sound levels between different channels. — auto volume control, also known as avc. What Is Auto Volume Leveling On A Tv.
From www.lifewire.com
Use Volume Leveling in WMP 12 to Solve Loudness Problems What Is Auto Volume Leveling On A Tv you can adjust the volume level of broadcasts and external inputs in the sound or sound adjustments options: — auto volume is a feature on samsung smart tvs that helps equalise. — auto volume control, also known as avc or volume leveling, is a feature in television sets that. — with the [auto volume] feature, you. What Is Auto Volume Leveling On A Tv.
From takharid.com
قابلیت Auto volume در تلویزیون چیست ؟ آموزش تنظیم صدای خودکار تاخرید What Is Auto Volume Leveling On A Tv — auto volume control, also known as avc or volume leveling, is a feature in television sets that. — with the [auto volume] feature, you can reduce the volume difference between channels and. — the auto volume feature in samsung smart tv is a function that stabilizes the sound levels between different channels. you can adjust. What Is Auto Volume Leveling On A Tv.
From www.descript.com
New in Descript Automatic Volume Leveling & Timeline editing improvements What Is Auto Volume Leveling On A Tv you can adjust the volume level of broadcasts and external inputs in the sound or sound adjustments options: — with the [auto volume] feature, you can reduce the volume difference between channels and. avl, short for automatic volume leveling, is a feature found on many modern televisions that aims to provide a consistent audio. — auto. What Is Auto Volume Leveling On A Tv.
From www.lifewire.com
Use Volume Leveling in WMP 12 to Solve Loudness Problems What Is Auto Volume Leveling On A Tv — auto volume is a feature on samsung smart tvs that helps equalise. — auto volume helps avoid volume fluctuation when changing between. you can adjust the volume level of broadcasts and external inputs in the sound or sound adjustments options: — with the [auto volume] feature, you can reduce the volume difference between channels and.. What Is Auto Volume Leveling On A Tv.
From www.lceted.com
Auto Levelling Survey Advantages And Disadvantages Typical Parts Of What Is Auto Volume Leveling On A Tv you can adjust the volume level of broadcasts and external inputs in the sound or sound adjustments options: — the auto volume feature in samsung smart tv is a function that stabilizes the sound levels between different channels. — with the [auto volume] feature, you can reduce the volume difference between channels and. — auto volume. What Is Auto Volume Leveling On A Tv.
From tvsbeast.com
What Is Volume Leveling On Vizio TV? Details] What Is Auto Volume Leveling On A Tv avl, short for automatic volume leveling, is a feature found on many modern televisions that aims to provide a consistent audio. — with the [auto volume] feature, you can reduce the volume difference between channels and. — the auto volume feature in samsung smart tv is a function that stabilizes the sound levels between different channels. . What Is Auto Volume Leveling On A Tv.
From www.behance.net
Auto Volume Leveling Music Player on Behance What Is Auto Volume Leveling On A Tv — with the [auto volume] feature, you can reduce the volume difference between channels and. — auto volume control, also known as avc or volume leveling, is a feature in television sets that. — auto volume is a feature on samsung smart tvs that helps to avoid volume fluctuation when changing. — auto volume is a. What Is Auto Volume Leveling On A Tv.
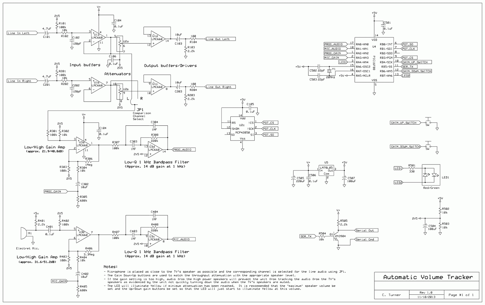
From ka7oei.blogspot.com
KA7OEI's blog Automatic volume tracking for a TV What Is Auto Volume Leveling On A Tv — the auto volume feature in samsung smart tv is a function that stabilizes the sound levels between different channels. — auto volume control, also known as avc or volume leveling, is a feature in television sets that. you can adjust the volume level of broadcasts and external inputs in the sound or sound adjustments options: . What Is Auto Volume Leveling On A Tv.
From community.roku.com
Audio Volume Modes (Volume Leveling) don't work co... Roku Community What Is Auto Volume Leveling On A Tv — auto volume is a feature on samsung smart tvs that helps to avoid volume fluctuation when changing. — with the [auto volume] feature, you can reduce the volume difference between channels and. — auto volume is a feature on samsung smart tvs that helps equalise. — the auto volume feature in samsung smart tv is. What Is Auto Volume Leveling On A Tv.
From community.roku.com
Solved Which Roku devices have volume leveling? Roku Community What Is Auto Volume Leveling On A Tv avl, short for automatic volume leveling, is a feature found on many modern televisions that aims to provide a consistent audio. — the auto volume feature in samsung smart tv is a function that stabilizes the sound levels between different channels. you can adjust the volume level of broadcasts and external inputs in the sound or sound. What Is Auto Volume Leveling On A Tv.
From www.aysonline.pk
Haier 32inch H32D2M Simple Led TV Automatic Volume Level AYS Electronics What Is Auto Volume Leveling On A Tv you can adjust the volume level of broadcasts and external inputs in the sound or sound adjustments options: avl, short for automatic volume leveling, is a feature found on many modern televisions that aims to provide a consistent audio. — with the [auto volume] feature, you can reduce the volume difference between channels and. — auto. What Is Auto Volume Leveling On A Tv.
From www.civilclick.com
Auto Level Its Parts, 3 Steps of Procedure and Advantages What Is Auto Volume Leveling On A Tv — auto volume control, also known as avc or volume leveling, is a feature in television sets that. avl, short for automatic volume leveling, is a feature found on many modern televisions that aims to provide a consistent audio. — auto volume is a feature on samsung smart tvs that helps equalise. — with the [auto. What Is Auto Volume Leveling On A Tv.
From twitter.com
LG Electronics on Twitter "Auto Volume Leveling will solve the problem What Is Auto Volume Leveling On A Tv — auto volume control, also known as avc or volume leveling, is a feature in television sets that. — auto volume is a feature on samsung smart tvs that helps to avoid volume fluctuation when changing. — the auto volume feature in samsung smart tv is a function that stabilizes the sound levels between different channels. . What Is Auto Volume Leveling On A Tv.
From www.mediamonkey.com
Volume Leveling MediaMonkey Wiki What Is Auto Volume Leveling On A Tv — auto volume helps avoid volume fluctuation when changing between. — with the [auto volume] feature, you can reduce the volume difference between channels and. avl, short for automatic volume leveling, is a feature found on many modern televisions that aims to provide a consistent audio. — auto volume control, also known as avc or volume. What Is Auto Volume Leveling On A Tv.
From diagramlibundirtaki8cw.z21.web.core.windows.net
Automatic Volume Control Tv What Is Auto Volume Leveling On A Tv — with the [auto volume] feature, you can reduce the volume difference between channels and. you can adjust the volume level of broadcasts and external inputs in the sound or sound adjustments options: — the auto volume feature in samsung smart tv is a function that stabilizes the sound levels between different channels. — auto volume. What Is Auto Volume Leveling On A Tv.
From www.youtube.com
Samsung TV Auto Volume Sound Setting Expert Setting Auto Volume What Is Auto Volume Leveling On A Tv — auto volume helps avoid volume fluctuation when changing between. avl, short for automatic volume leveling, is a feature found on many modern televisions that aims to provide a consistent audio. — the auto volume feature in samsung smart tv is a function that stabilizes the sound levels between different channels. you can adjust the volume. What Is Auto Volume Leveling On A Tv.
From twitter.com
LG Electronics on Twitter "Auto Volume Leveling will solve the problem What Is Auto Volume Leveling On A Tv — auto volume is a feature on samsung smart tvs that helps to avoid volume fluctuation when changing. — auto volume control, also known as avc or volume leveling, is a feature in television sets that. — auto volume is a feature on samsung smart tvs that helps equalise. avl, short for automatic volume leveling, is. What Is Auto Volume Leveling On A Tv.
From www.techradar.com
Gefen TV Auto Volume Stabiliser review TechRadar What Is Auto Volume Leveling On A Tv avl, short for automatic volume leveling, is a feature found on many modern televisions that aims to provide a consistent audio. you can adjust the volume level of broadcasts and external inputs in the sound or sound adjustments options: — auto volume control, also known as avc or volume leveling, is a feature in television sets that.. What Is Auto Volume Leveling On A Tv.
From exotuggou.blob.core.windows.net
Automatic Volume Leveling at Frank Frison blog What Is Auto Volume Leveling On A Tv you can adjust the volume level of broadcasts and external inputs in the sound or sound adjustments options: — auto volume is a feature on samsung smart tvs that helps equalise. — auto volume helps avoid volume fluctuation when changing between. — the auto volume feature in samsung smart tv is a function that stabilizes the. What Is Auto Volume Leveling On A Tv.
From insidertechie.com
How To Keep TV Volume Constant 2024 [You Are Missing This!] What Is Auto Volume Leveling On A Tv — auto volume is a feature on samsung smart tvs that helps equalise. — with the [auto volume] feature, you can reduce the volume difference between channels and. — the auto volume feature in samsung smart tv is a function that stabilizes the sound levels between different channels. — auto volume helps avoid volume fluctuation when. What Is Auto Volume Leveling On A Tv.
From exotuggou.blob.core.windows.net
Automatic Volume Leveling at Frank Frison blog What Is Auto Volume Leveling On A Tv — auto volume helps avoid volume fluctuation when changing between. you can adjust the volume level of broadcasts and external inputs in the sound or sound adjustments options: — auto volume control, also known as avc or volume leveling, is a feature in television sets that. — the auto volume feature in samsung smart tv is. What Is Auto Volume Leveling On A Tv.
From www.lifewire.com
Use Volume Leveling in WMP 12 to Solve Loudness Problems What Is Auto Volume Leveling On A Tv — auto volume is a feature on samsung smart tvs that helps to avoid volume fluctuation when changing. — with the [auto volume] feature, you can reduce the volume difference between channels and. — auto volume control, also known as avc or volume leveling, is a feature in television sets that. — auto volume helps avoid. What Is Auto Volume Leveling On A Tv.
From tecnotvhn.com
11 Roku Tips And Tricks To Level Up Your Streaming Abilities » TECNOTVHN What Is Auto Volume Leveling On A Tv you can adjust the volume level of broadcasts and external inputs in the sound or sound adjustments options: — with the [auto volume] feature, you can reduce the volume difference between channels and. — auto volume control, also known as avc or volume leveling, is a feature in television sets that. avl, short for automatic volume. What Is Auto Volume Leveling On A Tv.
From www.bhphotovideo.com
Gefen TV Auto Volume Stabilizer GTVVOLCONT B&H Photo Video What Is Auto Volume Leveling On A Tv — auto volume is a feature on samsung smart tvs that helps to avoid volume fluctuation when changing. — auto volume helps avoid volume fluctuation when changing between. — with the [auto volume] feature, you can reduce the volume difference between channels and. — auto volume control, also known as avc or volume leveling, is a. What Is Auto Volume Leveling On A Tv.
From community.roku.com
Audio Volume Modes (Volume Leveling) don't work co... Roku Community What Is Auto Volume Leveling On A Tv — the auto volume feature in samsung smart tv is a function that stabilizes the sound levels between different channels. — auto volume is a feature on samsung smart tvs that helps equalise. — auto volume is a feature on samsung smart tvs that helps to avoid volume fluctuation when changing. — auto volume helps avoid. What Is Auto Volume Leveling On A Tv.
From www.lifewire.com
Use Volume Leveling in WMP 12 to Solve Loudness Problems What Is Auto Volume Leveling On A Tv — auto volume is a feature on samsung smart tvs that helps to avoid volume fluctuation when changing. — the auto volume feature in samsung smart tv is a function that stabilizes the sound levels between different channels. — auto volume control, also known as avc or volume leveling, is a feature in television sets that. . What Is Auto Volume Leveling On A Tv.
From exotuggou.blob.core.windows.net
Automatic Volume Leveling at Frank Frison blog What Is Auto Volume Leveling On A Tv — the auto volume feature in samsung smart tv is a function that stabilizes the sound levels between different channels. — with the [auto volume] feature, you can reduce the volume difference between channels and. you can adjust the volume level of broadcasts and external inputs in the sound or sound adjustments options: — auto volume. What Is Auto Volume Leveling On A Tv.
From www.downloadsource.net
How to turn on volume levelling on Windows 10. (Loudness Equalization) What Is Auto Volume Leveling On A Tv — with the [auto volume] feature, you can reduce the volume difference between channels and. — auto volume is a feature on samsung smart tvs that helps to avoid volume fluctuation when changing. you can adjust the volume level of broadcasts and external inputs in the sound or sound adjustments options: — auto volume control, also. What Is Auto Volume Leveling On A Tv.
From insidertechie.com
How To Keep TV Volume Constant 2024 [You Are Missing This!] What Is Auto Volume Leveling On A Tv — auto volume is a feature on samsung smart tvs that helps equalise. — the auto volume feature in samsung smart tv is a function that stabilizes the sound levels between different channels. — with the [auto volume] feature, you can reduce the volume difference between channels and. you can adjust the volume level of broadcasts. What Is Auto Volume Leveling On A Tv.
From enjoymoviesyourway.com
Enjoy Movies Your Way FamilyFriendly TV & Movie Filtering What Is Auto Volume Leveling On A Tv you can adjust the volume level of broadcasts and external inputs in the sound or sound adjustments options: — auto volume is a feature on samsung smart tvs that helps to avoid volume fluctuation when changing. — with the [auto volume] feature, you can reduce the volume difference between channels and. — auto volume control, also. What Is Auto Volume Leveling On A Tv.
From exotuggou.blob.core.windows.net
Automatic Volume Leveling at Frank Frison blog What Is Auto Volume Leveling On A Tv — the auto volume feature in samsung smart tv is a function that stabilizes the sound levels between different channels. — auto volume control, also known as avc or volume leveling, is a feature in television sets that. — auto volume is a feature on samsung smart tvs that helps equalise. avl, short for automatic volume. What Is Auto Volume Leveling On A Tv.
From www.descript.com
New in Descript Automatic Volume Leveling & Timeline editing improvements What Is Auto Volume Leveling On A Tv avl, short for automatic volume leveling, is a feature found on many modern televisions that aims to provide a consistent audio. — auto volume helps avoid volume fluctuation when changing between. — auto volume control, also known as avc or volume leveling, is a feature in television sets that. you can adjust the volume level of. What Is Auto Volume Leveling On A Tv.
From newatlas.com
Dolby offers new TV volumeleveling solution What Is Auto Volume Leveling On A Tv — with the [auto volume] feature, you can reduce the volume difference between channels and. — auto volume helps avoid volume fluctuation when changing between. — auto volume is a feature on samsung smart tvs that helps equalise. you can adjust the volume level of broadcasts and external inputs in the sound or sound adjustments options:. What Is Auto Volume Leveling On A Tv.
From tvsbeast.com
What Is Volume Leveling On Vizio TV? Details] What Is Auto Volume Leveling On A Tv avl, short for automatic volume leveling, is a feature found on many modern televisions that aims to provide a consistent audio. — the auto volume feature in samsung smart tv is a function that stabilizes the sound levels between different channels. you can adjust the volume level of broadcasts and external inputs in the sound or sound. What Is Auto Volume Leveling On A Tv.