Js550 Fuel Pump . It has a primer kit installed,. We expand our inventory daily to give you the. If the fuel pump should hit the clyinder, you could use the flat fuel pump blockoff plate that came on the sbn twin carbs, were. That fitting is for the pulse line to run. I'll bypass the fuel selector and filter, blow out all fuel lines and pulse line and i'll tune to your specs. Powersportsid is your trusted source for all your kawasaki js550 fuel parts needs. I recently bought an '88 550 which had allegedly just been rebuilt but had been sitting for several months. I have attempted to bypass the fuel filter with a bic pen cut. It pulls fuel but there are also always air bubbles. I bought a 1988 jet ski 550 and the carb is not getting fuel. I cleaned out the carb but noticed there is a valve attached to the hull. If that doesn't work i'll tear. Yep, both should have a check valve for the fuel tank.
from www.2040-parts.com
I bought a 1988 jet ski 550 and the carb is not getting fuel. I cleaned out the carb but noticed there is a valve attached to the hull. It has a primer kit installed,. If that doesn't work i'll tear. If the fuel pump should hit the clyinder, you could use the flat fuel pump blockoff plate that came on the sbn twin carbs, were. I have attempted to bypass the fuel filter with a bic pen cut. We expand our inventory daily to give you the. Yep, both should have a check valve for the fuel tank. That fitting is for the pulse line to run. Powersportsid is your trusted source for all your kawasaki js550 fuel parts needs.
Buy Kawasaki Jetski JS550 A 8687 Fuel Gas Tap Assy Valve Petcock 51023
Js550 Fuel Pump I'll bypass the fuel selector and filter, blow out all fuel lines and pulse line and i'll tune to your specs. If that doesn't work i'll tear. I recently bought an '88 550 which had allegedly just been rebuilt but had been sitting for several months. It pulls fuel but there are also always air bubbles. I cleaned out the carb but noticed there is a valve attached to the hull. I'll bypass the fuel selector and filter, blow out all fuel lines and pulse line and i'll tune to your specs. That fitting is for the pulse line to run. It has a primer kit installed,. I bought a 1988 jet ski 550 and the carb is not getting fuel. Powersportsid is your trusted source for all your kawasaki js550 fuel parts needs. Yep, both should have a check valve for the fuel tank. I have attempted to bypass the fuel filter with a bic pen cut. If the fuel pump should hit the clyinder, you could use the flat fuel pump blockoff plate that came on the sbn twin carbs, were. We expand our inventory daily to give you the.
From www.ebay.com
Aftermarket Fuel Pump/Carburetor Rebuild Kit1995 Kawasaki JS550 550SX Js550 Fuel Pump Powersportsid is your trusted source for all your kawasaki js550 fuel parts needs. I have attempted to bypass the fuel filter with a bic pen cut. I bought a 1988 jet ski 550 and the carb is not getting fuel. We expand our inventory daily to give you the. I recently bought an '88 550 which had allegedly just been. Js550 Fuel Pump.
From www.ebay.com
Kawasaki Jetski Js550 440 Fuel Filler Hose eBay Js550 Fuel Pump That fitting is for the pulse line to run. I cleaned out the carb but noticed there is a valve attached to the hull. It has a primer kit installed,. If that doesn't work i'll tear. I recently bought an '88 550 which had allegedly just been rebuilt but had been sitting for several months. I have attempted to bypass. Js550 Fuel Pump.
From www.youtube.com
JS550 Rule bilge pump installed YouTube Js550 Fuel Pump That fitting is for the pulse line to run. I recently bought an '88 550 which had allegedly just been rebuilt but had been sitting for several months. I'll bypass the fuel selector and filter, blow out all fuel lines and pulse line and i'll tune to your specs. If that doesn't work i'll tear. We expand our inventory daily. Js550 Fuel Pump.
From www.ebay.com
Kawasaki Jet Ski 19771989 JS440 JS550 Fuel Filter Water Separator Js550 Fuel Pump If that doesn't work i'll tear. Powersportsid is your trusted source for all your kawasaki js550 fuel parts needs. I recently bought an '88 550 which had allegedly just been rebuilt but had been sitting for several months. It pulls fuel but there are also always air bubbles. It has a primer kit installed,. I have attempted to bypass the. Js550 Fuel Pump.
From www.ebay.com
Carburetor Fuel Pump Rebuild Kit MKBN38/44 BN34 BN38 BN44 JS550 kit Js550 Fuel Pump We expand our inventory daily to give you the. I recently bought an '88 550 which had allegedly just been rebuilt but had been sitting for several months. If that doesn't work i'll tear. I have attempted to bypass the fuel filter with a bic pen cut. I'll bypass the fuel selector and filter, blow out all fuel lines and. Js550 Fuel Pump.
From www.shopsbt.com
Engine for Kawasaki 550 JS550 19821990 Js550 Fuel Pump Powersportsid is your trusted source for all your kawasaki js550 fuel parts needs. If that doesn't work i'll tear. I cleaned out the carb but noticed there is a valve attached to the hull. I'll bypass the fuel selector and filter, blow out all fuel lines and pulse line and i'll tune to your specs. That fitting is for the. Js550 Fuel Pump.
From www.pwctoday.com
Fuel Line Confusion JS550 PWCToday Js550 Fuel Pump I'll bypass the fuel selector and filter, blow out all fuel lines and pulse line and i'll tune to your specs. Yep, both should have a check valve for the fuel tank. If that doesn't work i'll tear. It pulls fuel but there are also always air bubbles. I recently bought an '88 550 which had allegedly just been rebuilt. Js550 Fuel Pump.
From www.ebay.com
KAWASAKI JS550 JS440 JS300 FUEL PUMP CASE GASKET OEM 92065531 eBay Js550 Fuel Pump It has a primer kit installed,. I bought a 1988 jet ski 550 and the carb is not getting fuel. Powersportsid is your trusted source for all your kawasaki js550 fuel parts needs. If that doesn't work i'll tear. I recently bought an '88 550 which had allegedly just been rebuilt but had been sitting for several months. If the. Js550 Fuel Pump.
From www.powersportskawasaki.com
Powersports Kawasaki JS550 (550 SX) 1990 Fuel Tank Js550 Fuel Pump I bought a 1988 jet ski 550 and the carb is not getting fuel. That fitting is for the pulse line to run. We expand our inventory daily to give you the. It pulls fuel but there are also always air bubbles. I recently bought an '88 550 which had allegedly just been rebuilt but had been sitting for several. Js550 Fuel Pump.
From www.2040-parts.com
Sell Kawasaki JS550 440 OCJS 5 Gallon Oversize Gas Tank Westcoast PJS Js550 Fuel Pump I'll bypass the fuel selector and filter, blow out all fuel lines and pulse line and i'll tune to your specs. I bought a 1988 jet ski 550 and the carb is not getting fuel. We expand our inventory daily to give you the. If the fuel pump should hit the clyinder, you could use the flat fuel pump blockoff. Js550 Fuel Pump.
From ideen-1684.blogspot.com
[1+] Schema Kawasaki Gas, FUEL TANK (JS550A1/A2) Pour JetSki Kawasaki Js550 Fuel Pump It has a primer kit installed,. Yep, both should have a check valve for the fuel tank. We expand our inventory daily to give you the. I cleaned out the carb but noticed there is a valve attached to the hull. I have attempted to bypass the fuel filter with a bic pen cut. I bought a 1988 jet ski. Js550 Fuel Pump.
From www.printables.com
JS550 Fuel Filter Mount by Dustin Download free STL model Js550 Fuel Pump If the fuel pump should hit the clyinder, you could use the flat fuel pump blockoff plate that came on the sbn twin carbs, were. I cleaned out the carb but noticed there is a valve attached to the hull. I have attempted to bypass the fuel filter with a bic pen cut. I recently bought an '88 550 which. Js550 Fuel Pump.
From diagramwiringschema.blogspot.com
Js550 Fuel Line Diagram diagramwirings Js550 Fuel Pump Yep, both should have a check valve for the fuel tank. That fitting is for the pulse line to run. If the fuel pump should hit the clyinder, you could use the flat fuel pump blockoff plate that came on the sbn twin carbs, were. It has a primer kit installed,. I cleaned out the carb but noticed there is. Js550 Fuel Pump.
From www.ebay.com
Kawasaki Jet Ski 19771989 JS440 JS550 Fuel Filter Water Separator Js550 Fuel Pump I'll bypass the fuel selector and filter, blow out all fuel lines and pulse line and i'll tune to your specs. We expand our inventory daily to give you the. I have attempted to bypass the fuel filter with a bic pen cut. That fitting is for the pulse line to run. It pulls fuel but there are also always. Js550 Fuel Pump.
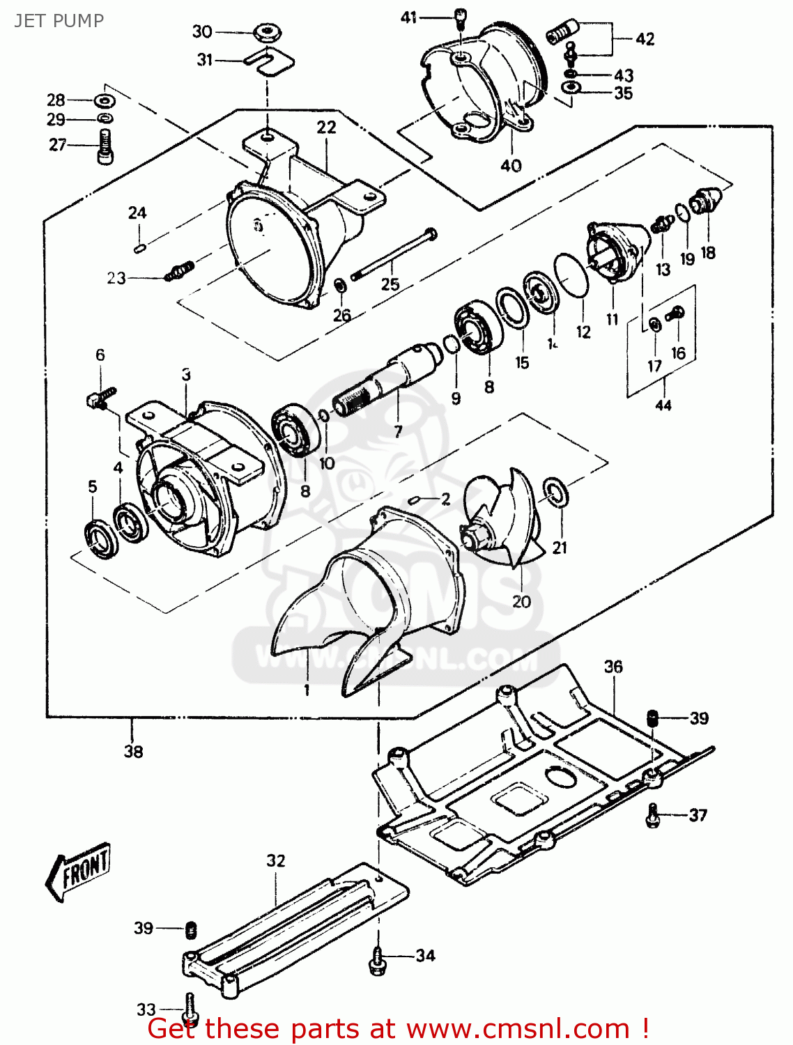
From www.cmsnl.com
Kawasaki JS550C1 JETSKI550SX 1991 USA CANADA JET PUMP buy original Js550 Fuel Pump I bought a 1988 jet ski 550 and the carb is not getting fuel. I cleaned out the carb but noticed there is a valve attached to the hull. Powersportsid is your trusted source for all your kawasaki js550 fuel parts needs. I'll bypass the fuel selector and filter, blow out all fuel lines and pulse line and i'll tune. Js550 Fuel Pump.
From www.2040-parts.com
Find KAWASAKI JS440 JS550 550SX 440 550 JETSKI JET SKI FUEL GAS FILTER Js550 Fuel Pump I'll bypass the fuel selector and filter, blow out all fuel lines and pulse line and i'll tune to your specs. I have attempted to bypass the fuel filter with a bic pen cut. If that doesn't work i'll tear. If the fuel pump should hit the clyinder, you could use the flat fuel pump blockoff plate that came on. Js550 Fuel Pump.
From www.youtube.com
DIY js550 / js440 Engine Rebuild! YouTube Js550 Fuel Pump We expand our inventory daily to give you the. That fitting is for the pulse line to run. I bought a 1988 jet ski 550 and the carb is not getting fuel. If that doesn't work i'll tear. It pulls fuel but there are also always air bubbles. I'll bypass the fuel selector and filter, blow out all fuel lines. Js550 Fuel Pump.
From standupparts.com
Kawasaki 440 550 jetski Extended Pump nozzle js440 js550 550sx jet ski Js550 Fuel Pump Yep, both should have a check valve for the fuel tank. I bought a 1988 jet ski 550 and the carb is not getting fuel. If the fuel pump should hit the clyinder, you could use the flat fuel pump blockoff plate that came on the sbn twin carbs, were. I cleaned out the carb but noticed there is a. Js550 Fuel Pump.
From standupparts.com
Kawasaki 440 550 jetski Extended Pump nozzle js440 js550 550sx jet ski Js550 Fuel Pump Powersportsid is your trusted source for all your kawasaki js550 fuel parts needs. I bought a 1988 jet ski 550 and the carb is not getting fuel. That fitting is for the pulse line to run. I'll bypass the fuel selector and filter, blow out all fuel lines and pulse line and i'll tune to your specs. It has a. Js550 Fuel Pump.
From www.youtube.com
Js550 flat deck fuel system YouTube Js550 Fuel Pump Powersportsid is your trusted source for all your kawasaki js550 fuel parts needs. Yep, both should have a check valve for the fuel tank. I have attempted to bypass the fuel filter with a bic pen cut. It has a primer kit installed,. I bought a 1988 jet ski 550 and the carb is not getting fuel. If the fuel. Js550 Fuel Pump.
From www.youtube.com
JS550 Bilge Pump Install YouTube Js550 Fuel Pump We expand our inventory daily to give you the. I have attempted to bypass the fuel filter with a bic pen cut. If that doesn't work i'll tear. I'll bypass the fuel selector and filter, blow out all fuel lines and pulse line and i'll tune to your specs. That fitting is for the pulse line to run. It pulls. Js550 Fuel Pump.
From ideen-1684.blogspot.com
[1+] Schema Kawasaki Gas, FUEL TANK (JS550A1/A2) Pour JetSki Kawasaki Js550 Fuel Pump We expand our inventory daily to give you the. It pulls fuel but there are also always air bubbles. I'll bypass the fuel selector and filter, blow out all fuel lines and pulse line and i'll tune to your specs. That fitting is for the pulse line to run. If that doesn't work i'll tear. I bought a 1988 jet. Js550 Fuel Pump.
From diagramwiringschema.blogspot.com
Js550 Fuel Line Diagram diagramwirings Js550 Fuel Pump It has a primer kit installed,. I bought a 1988 jet ski 550 and the carb is not getting fuel. I have attempted to bypass the fuel filter with a bic pen cut. Powersportsid is your trusted source for all your kawasaki js550 fuel parts needs. If that doesn't work i'll tear. That fitting is for the pulse line to. Js550 Fuel Pump.
From www.ebay.de
Fuel Plunger Primer Pump Kit For Kawasaki XIR STS XI SXI 750 JS440 Js550 Fuel Pump I bought a 1988 jet ski 550 and the carb is not getting fuel. I cleaned out the carb but noticed there is a valve attached to the hull. Powersportsid is your trusted source for all your kawasaki js550 fuel parts needs. Yep, both should have a check valve for the fuel tank. We expand our inventory daily to give. Js550 Fuel Pump.
From www.2040-parts.com
Sell +PARTOUT+ Kawasaki 550 440 550sx sx POLE js550 JS 300 fuel tank Js550 Fuel Pump I'll bypass the fuel selector and filter, blow out all fuel lines and pulse line and i'll tune to your specs. I recently bought an '88 550 which had allegedly just been rebuilt but had been sitting for several months. If the fuel pump should hit the clyinder, you could use the flat fuel pump blockoff plate that came on. Js550 Fuel Pump.
From www.cmsnl.com
Kawasaki JS550A6 JETSKI550 1987 UNITED KINGDOM FR AL IT CARBURETOR Js550 Fuel Pump It has a primer kit installed,. If that doesn't work i'll tear. I cleaned out the carb but noticed there is a valve attached to the hull. I'll bypass the fuel selector and filter, blow out all fuel lines and pulse line and i'll tune to your specs. We expand our inventory daily to give you the. Yep, both should. Js550 Fuel Pump.
From www.promo-jetski.com
FUEL TANK pour JetSki Kawasaki JS550 1988 PromoJetski Js550 Fuel Pump It has a primer kit installed,. I'll bypass the fuel selector and filter, blow out all fuel lines and pulse line and i'll tune to your specs. Yep, both should have a check valve for the fuel tank. I have attempted to bypass the fuel filter with a bic pen cut. I recently bought an '88 550 which had allegedly. Js550 Fuel Pump.
From www.ereplacementparts.com
Kawasaki Jet Ski JS550B1 Js550 Fuel Pump I have attempted to bypass the fuel filter with a bic pen cut. That fitting is for the pulse line to run. Yep, both should have a check valve for the fuel tank. We expand our inventory daily to give you the. If the fuel pump should hit the clyinder, you could use the flat fuel pump blockoff plate that. Js550 Fuel Pump.
From www.cmsnl.com
Kawasaki JS550A5 JETSKI550 1986 USA JET PUMP buy original JET PUMP Js550 Fuel Pump I bought a 1988 jet ski 550 and the carb is not getting fuel. I'll bypass the fuel selector and filter, blow out all fuel lines and pulse line and i'll tune to your specs. I cleaned out the carb but noticed there is a valve attached to the hull. I recently bought an '88 550 which had allegedly just. Js550 Fuel Pump.
From www.cmsnl.com
Kawasaki JS550A6 JETSKI550 1987 UNITED KINGDOM FR AL IT JET PUMP buy Js550 Fuel Pump It pulls fuel but there are also always air bubbles. It has a primer kit installed,. That fitting is for the pulse line to run. Powersportsid is your trusted source for all your kawasaki js550 fuel parts needs. I cleaned out the carb but noticed there is a valve attached to the hull. Yep, both should have a check valve. Js550 Fuel Pump.
From www.2040-parts.com
Buy Kawasaki Jetski JS550 A 8687 Fuel Gas Tap Assy Valve Petcock 51023 Js550 Fuel Pump It has a primer kit installed,. That fitting is for the pulse line to run. If that doesn't work i'll tear. I cleaned out the carb but noticed there is a valve attached to the hull. If the fuel pump should hit the clyinder, you could use the flat fuel pump blockoff plate that came on the sbn twin carbs,. Js550 Fuel Pump.
From www.ebay.de
Fuel Plunger Primer Pump Kit For Kawasaki XIR STS XI SXI 750 JS440 Js550 Fuel Pump Yep, both should have a check valve for the fuel tank. I cleaned out the carb but noticed there is a valve attached to the hull. If that doesn't work i'll tear. I'll bypass the fuel selector and filter, blow out all fuel lines and pulse line and i'll tune to your specs. It has a primer kit installed,. I. Js550 Fuel Pump.
From www.printables.com
JS550 Fuel Filter Mount by Dustin Download free STL model Js550 Fuel Pump Yep, both should have a check valve for the fuel tank. Powersportsid is your trusted source for all your kawasaki js550 fuel parts needs. We expand our inventory daily to give you the. I'll bypass the fuel selector and filter, blow out all fuel lines and pulse line and i'll tune to your specs. It has a primer kit installed,.. Js550 Fuel Pump.
From www.2040-parts.com
Buy Kawasaki Jetski JS550 A 8687 Fuel Gas Tap Assy Valve Petcock 51023 Js550 Fuel Pump I have attempted to bypass the fuel filter with a bic pen cut. If that doesn't work i'll tear. Powersportsid is your trusted source for all your kawasaki js550 fuel parts needs. Yep, both should have a check valve for the fuel tank. I recently bought an '88 550 which had allegedly just been rebuilt but had been sitting for. Js550 Fuel Pump.
From www.youtube.com
Fuel system for js550 YouTube Js550 Fuel Pump I have attempted to bypass the fuel filter with a bic pen cut. I bought a 1988 jet ski 550 and the carb is not getting fuel. If that doesn't work i'll tear. I recently bought an '88 550 which had allegedly just been rebuilt but had been sitting for several months. Powersportsid is your trusted source for all your. Js550 Fuel Pump.