Yamaha Clutch Adjustment . Get a 6 or 12 point 12mm deep socket. I took my yamaha ss to the dealer to have the clutch engagement adjusted. Any time a new clutch actuator is installed the clutch. To adjust the clutch, you will need to loosen the lock nut on the clutch cable adjuster, turn the adjuster in or out to achieve. Loosen the clutch cable at the clutch lever so there is. How do i adjust the clutch on my yamaha v star 650? Thanks to cardguy for this great idea. Change oil and run 10w40 for all conditions, 5/10w30 when cold or 15w50 when hot. I was poking around on youtube last night and came across this video. To properly adjust that clutch you need to follow these instructions: Check clutch cable and where it mounts at the engine. I just had a couple of questions with it. If you experience clutch drag when. If my memory is correct a. Adjusting the clutch to eliminate the grabby feeling is accomplished using one of two separate adjusters on the ends of the clutch cable.
from www.youtube.com
Change oil and run 10w40 for all conditions, 5/10w30 when cold or 15w50 when hot. I took my yamaha ss to the dealer to have the clutch engagement adjusted. If my memory is correct a. Adjusting the clutch to eliminate the grabby feeling is accomplished using one of two separate adjusters on the ends of the clutch cable. Check clutch cable and where it mounts at the engine. Get a 6 or 12 point 12mm deep socket. If you experience clutch drag when. To adjust the clutch, you will need to loosen the lock nut on the clutch cable adjuster, turn the adjuster in or out to achieve. Thanks to cardguy for this great idea. Loosen the clutch cable at the clutch lever so there is.
Yamaha FZ clutch adjustment Clutch cable adjustment clutch fzsv2
Yamaha Clutch Adjustment Adjusting the clutch to eliminate the grabby feeling is accomplished using one of two separate adjusters on the ends of the clutch cable. I was poking around on youtube last night and came across this video. Loosen the clutch cable at the clutch lever so there is. If you experience clutch drag when. How do i adjust the clutch on my yamaha v star 650? I took my yamaha ss to the dealer to have the clutch engagement adjusted. Change oil and run 10w40 for all conditions, 5/10w30 when cold or 15w50 when hot. I just had a couple of questions with it. Adjusting the clutch to eliminate the grabby feeling is accomplished using one of two separate adjusters on the ends of the clutch cable. To adjust the clutch, you will need to loosen the lock nut on the clutch cable adjuster, turn the adjuster in or out to achieve. If my memory is correct a. To properly adjust that clutch you need to follow these instructions: Thanks to cardguy for this great idea. Get a 6 or 12 point 12mm deep socket. Any time a new clutch actuator is installed the clutch. Check clutch cable and where it mounts at the engine.
From masterlinkmaintenance.blogspot.com
The MasterLink How To Adjust A Clutch On A Yamaha V Star Yamaha Clutch Adjustment Check clutch cable and where it mounts at the engine. Loosen the clutch cable at the clutch lever so there is. I was poking around on youtube last night and came across this video. How do i adjust the clutch on my yamaha v star 650? Get a 6 or 12 point 12mm deep socket. Thanks to cardguy for this. Yamaha Clutch Adjustment.
From www.2040-parts.com
Find 82 XV750 YAMAHA VIRAGO CLUTCH ADJUSTMENT COVER WITH BOLTS *FREE Yamaha Clutch Adjustment Adjusting the clutch to eliminate the grabby feeling is accomplished using one of two separate adjusters on the ends of the clutch cable. If my memory is correct a. If you experience clutch drag when. Loosen the clutch cable at the clutch lever so there is. Change oil and run 10w40 for all conditions, 5/10w30 when cold or 15w50 when. Yamaha Clutch Adjustment.
From www.motorcyclegoodies.com
New OEM Yamaha Clutch Kit For 1998 to 2011 VSTAR 650 Motorcycle Goodies Yamaha Clutch Adjustment Get a 6 or 12 point 12mm deep socket. I took my yamaha ss to the dealer to have the clutch engagement adjusted. Change oil and run 10w40 for all conditions, 5/10w30 when cold or 15w50 when hot. Adjusting the clutch to eliminate the grabby feeling is accomplished using one of two separate adjusters on the ends of the clutch. Yamaha Clutch Adjustment.
From www.youtube.com
HOW TO 3500km Or 150h Yamaha Grizzly 700 Service, Clutches, Belt Yamaha Clutch Adjustment I just had a couple of questions with it. If you experience clutch drag when. Check clutch cable and where it mounts at the engine. To adjust the clutch, you will need to loosen the lock nut on the clutch cable adjuster, turn the adjuster in or out to achieve. Adjusting the clutch to eliminate the grabby feeling is accomplished. Yamaha Clutch Adjustment.
From www.youtube.com
How to adjust your Yamaha secondary clutch for free! YouTube Yamaha Clutch Adjustment How do i adjust the clutch on my yamaha v star 650? Get a 6 or 12 point 12mm deep socket. I was poking around on youtube last night and came across this video. Adjusting the clutch to eliminate the grabby feeling is accomplished using one of two separate adjusters on the ends of the clutch cable. Change oil and. Yamaha Clutch Adjustment.
From wiringschema.com
[DIAGRAM] Yamaha Golf Cart Secondary Clutch Diagram Yamaha Clutch Adjustment How do i adjust the clutch on my yamaha v star 650? Get a 6 or 12 point 12mm deep socket. Thanks to cardguy for this great idea. If you experience clutch drag when. To adjust the clutch, you will need to loosen the lock nut on the clutch cable adjuster, turn the adjuster in or out to achieve. If. Yamaha Clutch Adjustment.
From jetprimeshop.it
Brake/Clutch levers Ultimate double adjustment for Yamaha YZFR1/R6 (L13) Yamaha Clutch Adjustment Check clutch cable and where it mounts at the engine. Change oil and run 10w40 for all conditions, 5/10w30 when cold or 15w50 when hot. Any time a new clutch actuator is installed the clutch. Adjusting the clutch to eliminate the grabby feeling is accomplished using one of two separate adjusters on the ends of the clutch cable. I just. Yamaha Clutch Adjustment.
From www.aliexpress.com
M10 M8 Motocross clutch wire adjustment cable CNC Aluminum FOR YAMAHA Yamaha Clutch Adjustment If you experience clutch drag when. To adjust the clutch, you will need to loosen the lock nut on the clutch cable adjuster, turn the adjuster in or out to achieve. I just had a couple of questions with it. Thanks to cardguy for this great idea. Any time a new clutch actuator is installed the clutch. I was poking. Yamaha Clutch Adjustment.
From www.youtube.com
How to adjust the shifter on your Yamaha motorcycle. YouTube Yamaha Clutch Adjustment How do i adjust the clutch on my yamaha v star 650? Check clutch cable and where it mounts at the engine. I took my yamaha ss to the dealer to have the clutch engagement adjusted. Any time a new clutch actuator is installed the clutch. Get a 6 or 12 point 12mm deep socket. Thanks to cardguy for this. Yamaha Clutch Adjustment.
From www.youtube.com
Yamaha FZ clutch adjustment Clutch cable adjustment clutch fzsv2 Yamaha Clutch Adjustment Loosen the clutch cable at the clutch lever so there is. Check clutch cable and where it mounts at the engine. I took my yamaha ss to the dealer to have the clutch engagement adjusted. Get a 6 or 12 point 12mm deep socket. Thanks to cardguy for this great idea. Change oil and run 10w40 for all conditions, 5/10w30. Yamaha Clutch Adjustment.
From www.youtube.com
How To Adjust Clutch Free Play Bajaj Pulsar Yamaha R15v3 Clutch Yamaha Clutch Adjustment Any time a new clutch actuator is installed the clutch. I was poking around on youtube last night and came across this video. If my memory is correct a. If you experience clutch drag when. Change oil and run 10w40 for all conditions, 5/10w30 when cold or 15w50 when hot. Check clutch cable and where it mounts at the engine.. Yamaha Clutch Adjustment.
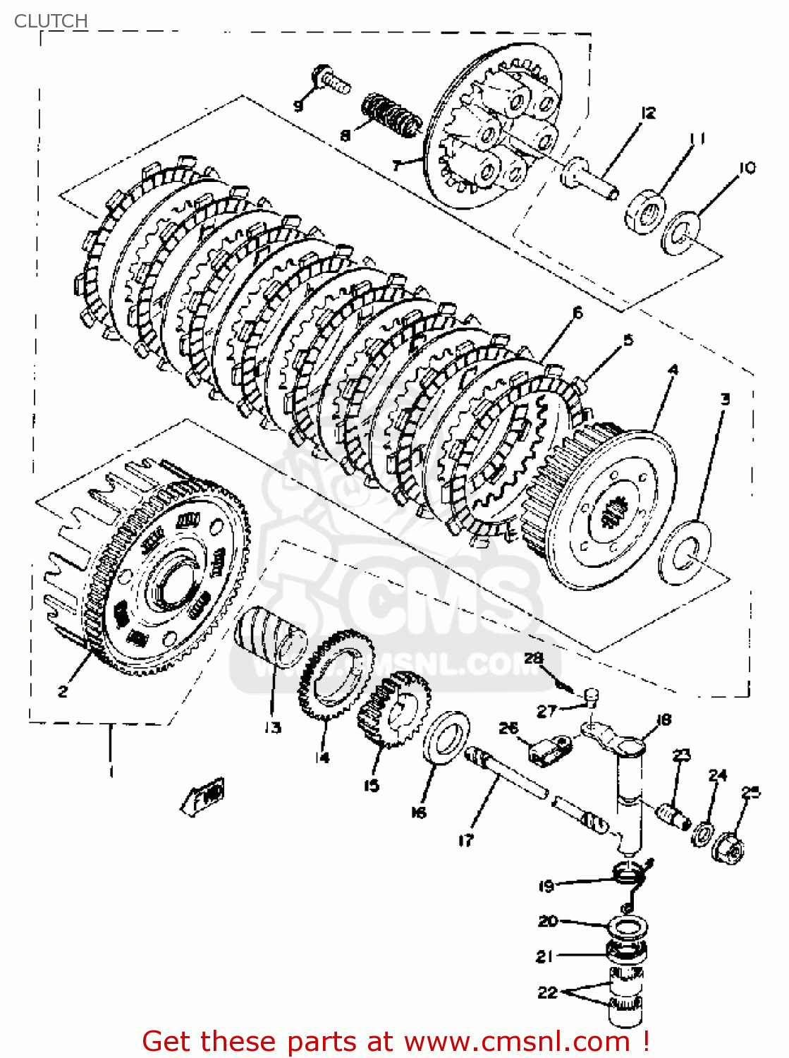
From www.cmsnl.com
Yamaha XT500 1978 USA FROM 205001 CLUTCH buy original CLUTCH spares Yamaha Clutch Adjustment Thanks to cardguy for this great idea. Adjusting the clutch to eliminate the grabby feeling is accomplished using one of two separate adjusters on the ends of the clutch cable. Get a 6 or 12 point 12mm deep socket. How do i adjust the clutch on my yamaha v star 650? I was poking around on youtube last night and. Yamaha Clutch Adjustment.
From www.youtube.com
How to replace and adjust clutch cable on Yamaha SZ (Tagalog) YouTube Yamaha Clutch Adjustment Any time a new clutch actuator is installed the clutch. To properly adjust that clutch you need to follow these instructions: I just had a couple of questions with it. If my memory is correct a. Thanks to cardguy for this great idea. Change oil and run 10w40 for all conditions, 5/10w30 when cold or 15w50 when hot. Get a. Yamaha Clutch Adjustment.
From www.quadcrazy.com
clutch adjustment question.... Yamaha ATV Forum QUADCRAZY ATV Forum Yamaha Clutch Adjustment Get a 6 or 12 point 12mm deep socket. I was poking around on youtube last night and came across this video. Any time a new clutch actuator is installed the clutch. Change oil and run 10w40 for all conditions, 5/10w30 when cold or 15w50 when hot. How do i adjust the clutch on my yamaha v star 650? Check. Yamaha Clutch Adjustment.
From clutchadjustments.com
Mastering Yamaha 1100 Clutch Adjustment Ultimate Tips and Tricks Yamaha Clutch Adjustment How do i adjust the clutch on my yamaha v star 650? If you experience clutch drag when. Thanks to cardguy for this great idea. I took my yamaha ss to the dealer to have the clutch engagement adjusted. I just had a couple of questions with it. Get a 6 or 12 point 12mm deep socket. Change oil and. Yamaha Clutch Adjustment.
From clutchadjustments.com
Mastering Clutch Adjustment on Your Yamaha Moto 4 Tips for Optimal Yamaha Clutch Adjustment I just had a couple of questions with it. I took my yamaha ss to the dealer to have the clutch engagement adjusted. Check clutch cable and where it mounts at the engine. How do i adjust the clutch on my yamaha v star 650? Get a 6 or 12 point 12mm deep socket. To adjust the clutch, you will. Yamaha Clutch Adjustment.
From masterlinkmaintenance.blogspot.com
The MasterLink How To Adjust A Clutch On A Yamaha V Star Yamaha Clutch Adjustment I just had a couple of questions with it. Loosen the clutch cable at the clutch lever so there is. To properly adjust that clutch you need to follow these instructions: If you experience clutch drag when. Check clutch cable and where it mounts at the engine. Get a 6 or 12 point 12mm deep socket. Any time a new. Yamaha Clutch Adjustment.
From www.beginnerbiker.com
Replacing Clutch Cable on Yamaha Fazer FZS600 Beginner Biker Adventures Yamaha Clutch Adjustment Thanks to cardguy for this great idea. How do i adjust the clutch on my yamaha v star 650? If you experience clutch drag when. Change oil and run 10w40 for all conditions, 5/10w30 when cold or 15w50 when hot. Any time a new clutch actuator is installed the clutch. Loosen the clutch cable at the clutch lever so there. Yamaha Clutch Adjustment.
From www.youtube.com
Yamaha Vstar 1100 Clutch adjustment lower end YouTube Yamaha Clutch Adjustment Change oil and run 10w40 for all conditions, 5/10w30 when cold or 15w50 when hot. Adjusting the clutch to eliminate the grabby feeling is accomplished using one of two separate adjusters on the ends of the clutch cable. I was poking around on youtube last night and came across this video. Loosen the clutch cable at the clutch lever so. Yamaha Clutch Adjustment.
From www.quadcrazy.com
clutch adjustment question.... Yamaha ATV Forum QUADCRAZY ATV Forum Yamaha Clutch Adjustment Adjusting the clutch to eliminate the grabby feeling is accomplished using one of two separate adjusters on the ends of the clutch cable. Check clutch cable and where it mounts at the engine. How do i adjust the clutch on my yamaha v star 650? Get a 6 or 12 point 12mm deep socket. Change oil and run 10w40 for. Yamaha Clutch Adjustment.
From www.youtube.com
Yamaha YB100 Clutch Worm Adjustment Clutch Adjustment Yamaha Yb100 Yamaha Clutch Adjustment If you experience clutch drag when. Change oil and run 10w40 for all conditions, 5/10w30 when cold or 15w50 when hot. To adjust the clutch, you will need to loosen the lock nut on the clutch cable adjuster, turn the adjuster in or out to achieve. How do i adjust the clutch on my yamaha v star 650? I just. Yamaha Clutch Adjustment.
From ttr250.com
Fitting new clutch parts to a Yamaha TTR250 Yamaha Clutch Adjustment If my memory is correct a. I took my yamaha ss to the dealer to have the clutch engagement adjusted. I just had a couple of questions with it. How do i adjust the clutch on my yamaha v star 650? Loosen the clutch cable at the clutch lever so there is. Check clutch cable and where it mounts at. Yamaha Clutch Adjustment.
From www.goodwinperformance.com
Yamaha Secondary Clutch Belt Adjuster & Belt Removal Tool Goodwin Yamaha Clutch Adjustment If you experience clutch drag when. Get a 6 or 12 point 12mm deep socket. To adjust the clutch, you will need to loosen the lock nut on the clutch cable adjuster, turn the adjuster in or out to achieve. If my memory is correct a. Any time a new clutch actuator is installed the clutch. I took my yamaha. Yamaha Clutch Adjustment.
From www.youtube.com
Yamaha ATV Clutch Adjustment and Cable Replacement Yamaha Clutch Adjustment Adjusting the clutch to eliminate the grabby feeling is accomplished using one of two separate adjusters on the ends of the clutch cable. Thanks to cardguy for this great idea. To properly adjust that clutch you need to follow these instructions: To adjust the clutch, you will need to loosen the lock nut on the clutch cable adjuster, turn the. Yamaha Clutch Adjustment.
From www.youtube.com
Yamaha XS650 clutch adjustment YouTube Yamaha Clutch Adjustment If you experience clutch drag when. How do i adjust the clutch on my yamaha v star 650? Any time a new clutch actuator is installed the clutch. I just had a couple of questions with it. Get a 6 or 12 point 12mm deep socket. If my memory is correct a. Check clutch cable and where it mounts at. Yamaha Clutch Adjustment.
From www.partzilla.com
Yamaha ATV Clutch Cable Replacement Yamaha Clutch Adjustment How do i adjust the clutch on my yamaha v star 650? I just had a couple of questions with it. To adjust the clutch, you will need to loosen the lock nut on the clutch cable adjuster, turn the adjuster in or out to achieve. If my memory is correct a. To properly adjust that clutch you need to. Yamaha Clutch Adjustment.
From clutchadjustments.com
Mastering Clutch Adjustment on Your Yamaha Moto 4 Tips for Optimal Yamaha Clutch Adjustment How do i adjust the clutch on my yamaha v star 650? If my memory is correct a. If you experience clutch drag when. Adjusting the clutch to eliminate the grabby feeling is accomplished using one of two separate adjusters on the ends of the clutch cable. I just had a couple of questions with it. Change oil and run. Yamaha Clutch Adjustment.
From clutchadjustments.com
Mastering Clutch Adjustment on Yamaha V Star 650 Expert Tips for a Yamaha Clutch Adjustment If you experience clutch drag when. Loosen the clutch cable at the clutch lever so there is. To properly adjust that clutch you need to follow these instructions: Check clutch cable and where it mounts at the engine. I just had a couple of questions with it. Thanks to cardguy for this great idea. I took my yamaha ss to. Yamaha Clutch Adjustment.
From www.partzilla.com
Yamaha ATV Clutch Cable Replacement Yamaha Clutch Adjustment I took my yamaha ss to the dealer to have the clutch engagement adjusted. To properly adjust that clutch you need to follow these instructions: Adjusting the clutch to eliminate the grabby feeling is accomplished using one of two separate adjusters on the ends of the clutch cable. Check clutch cable and where it mounts at the engine. Get a. Yamaha Clutch Adjustment.
From www.ebay.co.uk
YAMAHA Clutch Adjustment Screw 9011308021 OEM RD350LC RD250LC RD 250 Yamaha Clutch Adjustment Any time a new clutch actuator is installed the clutch. How do i adjust the clutch on my yamaha v star 650? If my memory is correct a. To adjust the clutch, you will need to loosen the lock nut on the clutch cable adjuster, turn the adjuster in or out to achieve. To properly adjust that clutch you need. Yamaha Clutch Adjustment.
From www.youtube.com
Yamaha XS650 clutch disks replacement & clutch adjustment YouTube Yamaha Clutch Adjustment How do i adjust the clutch on my yamaha v star 650? If my memory is correct a. Thanks to cardguy for this great idea. Any time a new clutch actuator is installed the clutch. I was poking around on youtube last night and came across this video. To adjust the clutch, you will need to loosen the lock nut. Yamaha Clutch Adjustment.
From www.grizzlycentral.com
Replace 95 Kodiak Clutches?? See photos.... Yamaha Grizzly ATV Forum Yamaha Clutch Adjustment Change oil and run 10w40 for all conditions, 5/10w30 when cold or 15w50 when hot. I was poking around on youtube last night and came across this video. Thanks to cardguy for this great idea. Check clutch cable and where it mounts at the engine. To adjust the clutch, you will need to loosen the lock nut on the clutch. Yamaha Clutch Adjustment.
From www.youtube.com
xs650 clutch adjustment YouTube Yamaha Clutch Adjustment Check clutch cable and where it mounts at the engine. Thanks to cardguy for this great idea. Loosen the clutch cable at the clutch lever so there is. Adjusting the clutch to eliminate the grabby feeling is accomplished using one of two separate adjusters on the ends of the clutch cable. Any time a new clutch actuator is installed the. Yamaha Clutch Adjustment.
From clutchadjustments.com
Optimize Your Yamaha Warrior 350 Clutch Simple Steps for Perfect Yamaha Clutch Adjustment Adjusting the clutch to eliminate the grabby feeling is accomplished using one of two separate adjusters on the ends of the clutch cable. If my memory is correct a. Any time a new clutch actuator is installed the clutch. I was poking around on youtube last night and came across this video. To properly adjust that clutch you need to. Yamaha Clutch Adjustment.
From diagrampartdiscommend.z21.web.core.windows.net
How To Adjust The Clutch Yamaha Clutch Adjustment Get a 6 or 12 point 12mm deep socket. How do i adjust the clutch on my yamaha v star 650? If you experience clutch drag when. I was poking around on youtube last night and came across this video. Change oil and run 10w40 for all conditions, 5/10w30 when cold or 15w50 when hot. Loosen the clutch cable at. Yamaha Clutch Adjustment.