Transmission Pontiac Grand Prix . Check these troubleshooting and repair guides for more help on your pontiac. We hope you find the lookup pontiac transmissions by model year guide helpful. Low levels of transmission fluid or transmission fluid leaks are by far the most common type of transmission problem. Use the transmission cross reference and interchange chart to find transmission compatibility. I drive a 2006 grand prix gxp, my transmission went out at 74k miles… needed a complete rebuild. You can also lookup pontiac transmission by vin using the decoder tool. Checking the transmission fluid is the first step you should take in diagnosing a pontiac grand prix that won’t shift.
from www.onallcylinders.com
Low levels of transmission fluid or transmission fluid leaks are by far the most common type of transmission problem. You can also lookup pontiac transmission by vin using the decoder tool. Checking the transmission fluid is the first step you should take in diagnosing a pontiac grand prix that won’t shift. Use the transmission cross reference and interchange chart to find transmission compatibility. I drive a 2006 grand prix gxp, my transmission went out at 74k miles… needed a complete rebuild. Check these troubleshooting and repair guides for more help on your pontiac. We hope you find the lookup pontiac transmissions by model year guide helpful.
Grand Prize Indeed Check Out This 1969 Pontiac Grand Prix SJ with a
Transmission Pontiac Grand Prix Checking the transmission fluid is the first step you should take in diagnosing a pontiac grand prix that won’t shift. Check these troubleshooting and repair guides for more help on your pontiac. You can also lookup pontiac transmission by vin using the decoder tool. Low levels of transmission fluid or transmission fluid leaks are by far the most common type of transmission problem. Checking the transmission fluid is the first step you should take in diagnosing a pontiac grand prix that won’t shift. We hope you find the lookup pontiac transmissions by model year guide helpful. I drive a 2006 grand prix gxp, my transmission went out at 74k miles… needed a complete rebuild. Use the transmission cross reference and interchange chart to find transmission compatibility.
From smclassiccars.com
389 Engine, Automatic Transmission Classic Pontiac Grand Prix 1965 Transmission Pontiac Grand Prix Checking the transmission fluid is the first step you should take in diagnosing a pontiac grand prix that won’t shift. You can also lookup pontiac transmission by vin using the decoder tool. I drive a 2006 grand prix gxp, my transmission went out at 74k miles… needed a complete rebuild. We hope you find the lookup pontiac transmissions by model. Transmission Pontiac Grand Prix.
From gtcarlot.com
2005 Pontiac Grand Prix GXP Sedan Transmission Photos Transmission Pontiac Grand Prix Use the transmission cross reference and interchange chart to find transmission compatibility. We hope you find the lookup pontiac transmissions by model year guide helpful. Low levels of transmission fluid or transmission fluid leaks are by far the most common type of transmission problem. You can also lookup pontiac transmission by vin using the decoder tool. I drive a 2006. Transmission Pontiac Grand Prix.
From www.cargurus.com
Pontiac Grand Prix Questions After changing the tranny filter and Transmission Pontiac Grand Prix We hope you find the lookup pontiac transmissions by model year guide helpful. Checking the transmission fluid is the first step you should take in diagnosing a pontiac grand prix that won’t shift. You can also lookup pontiac transmission by vin using the decoder tool. Use the transmission cross reference and interchange chart to find transmission compatibility. Check these troubleshooting. Transmission Pontiac Grand Prix.
From ar.inspiredpencil.com
Pontiac Grand Prix Transmission Transmission Pontiac Grand Prix Checking the transmission fluid is the first step you should take in diagnosing a pontiac grand prix that won’t shift. Low levels of transmission fluid or transmission fluid leaks are by far the most common type of transmission problem. You can also lookup pontiac transmission by vin using the decoder tool. Use the transmission cross reference and interchange chart to. Transmission Pontiac Grand Prix.
From gtcarlot.com
2005 Pontiac Grand Prix Sedan 4 Speed Automatic Transmission Photo Transmission Pontiac Grand Prix I drive a 2006 grand prix gxp, my transmission went out at 74k miles… needed a complete rebuild. Low levels of transmission fluid or transmission fluid leaks are by far the most common type of transmission problem. You can also lookup pontiac transmission by vin using the decoder tool. Checking the transmission fluid is the first step you should take. Transmission Pontiac Grand Prix.
From www.youtube.com
Transmission line repair Grand Prix YouTube Transmission Pontiac Grand Prix We hope you find the lookup pontiac transmissions by model year guide helpful. Use the transmission cross reference and interchange chart to find transmission compatibility. You can also lookup pontiac transmission by vin using the decoder tool. Check these troubleshooting and repair guides for more help on your pontiac. Low levels of transmission fluid or transmission fluid leaks are by. Transmission Pontiac Grand Prix.
From www.bonanza.com
Pontiac Grand Prix Transmission Shift Cable Repair Kit w/ bushing Easy Transmission Pontiac Grand Prix Check these troubleshooting and repair guides for more help on your pontiac. Use the transmission cross reference and interchange chart to find transmission compatibility. I drive a 2006 grand prix gxp, my transmission went out at 74k miles… needed a complete rebuild. Low levels of transmission fluid or transmission fluid leaks are by far the most common type of transmission. Transmission Pontiac Grand Prix.
From www.justanswer.com
I own a pontiac, 2007 grand prix 3.8l, My transmission won't engage in Transmission Pontiac Grand Prix Check these troubleshooting and repair guides for more help on your pontiac. Use the transmission cross reference and interchange chart to find transmission compatibility. We hope you find the lookup pontiac transmissions by model year guide helpful. I drive a 2006 grand prix gxp, my transmission went out at 74k miles… needed a complete rebuild. You can also lookup pontiac. Transmission Pontiac Grand Prix.
From nemigaparts.com
Pontiac Grand Prix W AUTOMATIC TRANSMISSION (MN7) PART 1 (4T65E Transmission Pontiac Grand Prix You can also lookup pontiac transmission by vin using the decoder tool. Checking the transmission fluid is the first step you should take in diagnosing a pontiac grand prix that won’t shift. I drive a 2006 grand prix gxp, my transmission went out at 74k miles… needed a complete rebuild. Use the transmission cross reference and interchange chart to find. Transmission Pontiac Grand Prix.
From store.allcomputerresources.com
24243901 2008 Pontiac Grand Prix TCU TCM Transmission Control Module Transmission Pontiac Grand Prix You can also lookup pontiac transmission by vin using the decoder tool. Low levels of transmission fluid or transmission fluid leaks are by far the most common type of transmission problem. We hope you find the lookup pontiac transmissions by model year guide helpful. Checking the transmission fluid is the first step you should take in diagnosing a pontiac grand. Transmission Pontiac Grand Prix.
From ar.inspiredpencil.com
Pontiac Grand Prix Transmission Transmission Pontiac Grand Prix Checking the transmission fluid is the first step you should take in diagnosing a pontiac grand prix that won’t shift. Low levels of transmission fluid or transmission fluid leaks are by far the most common type of transmission problem. I drive a 2006 grand prix gxp, my transmission went out at 74k miles… needed a complete rebuild. Use the transmission. Transmission Pontiac Grand Prix.
From www.surprisesavings.net
TRANSMISSION REBUILT 4T65E FOR 2005 2006 2007 2008 PONTIAC GRAND PRIX Transmission Pontiac Grand Prix I drive a 2006 grand prix gxp, my transmission went out at 74k miles… needed a complete rebuild. Use the transmission cross reference and interchange chart to find transmission compatibility. Low levels of transmission fluid or transmission fluid leaks are by far the most common type of transmission problem. Checking the transmission fluid is the first step you should take. Transmission Pontiac Grand Prix.
From www.youtube.com
05 and Up Grand Prix Transmission Flush YouTube Transmission Pontiac Grand Prix Check these troubleshooting and repair guides for more help on your pontiac. Use the transmission cross reference and interchange chart to find transmission compatibility. You can also lookup pontiac transmission by vin using the decoder tool. Checking the transmission fluid is the first step you should take in diagnosing a pontiac grand prix that won’t shift. I drive a 2006. Transmission Pontiac Grand Prix.
From www.hollanderparts.com
Used 2006 Pontiac Grand Prix Transmission Transmission At, 3.8l, Transmission Pontiac Grand Prix Check these troubleshooting and repair guides for more help on your pontiac. Use the transmission cross reference and interchange chart to find transmission compatibility. Checking the transmission fluid is the first step you should take in diagnosing a pontiac grand prix that won’t shift. Low levels of transmission fluid or transmission fluid leaks are by far the most common type. Transmission Pontiac Grand Prix.
From www.partshotlines.com
Pontiac Grand Prix Transmission Used Auto Parts Transmission Pontiac Grand Prix Low levels of transmission fluid or transmission fluid leaks are by far the most common type of transmission problem. You can also lookup pontiac transmission by vin using the decoder tool. We hope you find the lookup pontiac transmissions by model year guide helpful. Check these troubleshooting and repair guides for more help on your pontiac. Use the transmission cross. Transmission Pontiac Grand Prix.
From gtcarlot.com
2000 Pontiac Grand Prix GTP Sedan Transmission Photos Transmission Pontiac Grand Prix Use the transmission cross reference and interchange chart to find transmission compatibility. You can also lookup pontiac transmission by vin using the decoder tool. We hope you find the lookup pontiac transmissions by model year guide helpful. I drive a 2006 grand prix gxp, my transmission went out at 74k miles… needed a complete rebuild. Low levels of transmission fluid. Transmission Pontiac Grand Prix.
From www.walmart.com
4T65EHD 2005 Pontiac Grand Prix GXP 5.3L FWD Rebuilt Transmission Transmission Pontiac Grand Prix Use the transmission cross reference and interchange chart to find transmission compatibility. You can also lookup pontiac transmission by vin using the decoder tool. I drive a 2006 grand prix gxp, my transmission went out at 74k miles… needed a complete rebuild. Low levels of transmission fluid or transmission fluid leaks are by far the most common type of transmission. Transmission Pontiac Grand Prix.
From www.viajerosporelmundo.com
1998 Pontiac Grand Prix Gtp Supercharged Transmission Transmission Pontiac Grand Prix Checking the transmission fluid is the first step you should take in diagnosing a pontiac grand prix that won’t shift. Use the transmission cross reference and interchange chart to find transmission compatibility. You can also lookup pontiac transmission by vin using the decoder tool. Check these troubleshooting and repair guides for more help on your pontiac. I drive a 2006. Transmission Pontiac Grand Prix.
From www.onallcylinders.com
Grand Prize Indeed Check Out This 1969 Pontiac Grand Prix SJ with a Transmission Pontiac Grand Prix You can also lookup pontiac transmission by vin using the decoder tool. We hope you find the lookup pontiac transmissions by model year guide helpful. I drive a 2006 grand prix gxp, my transmission went out at 74k miles… needed a complete rebuild. Low levels of transmission fluid or transmission fluid leaks are by far the most common type of. Transmission Pontiac Grand Prix.
From www.cargurus.ca
ANSWERED 2000 Pontiac Grand Prix GTP Transmission Swap (Pontiac Grand Transmission Pontiac Grand Prix You can also lookup pontiac transmission by vin using the decoder tool. Checking the transmission fluid is the first step you should take in diagnosing a pontiac grand prix that won’t shift. We hope you find the lookup pontiac transmissions by model year guide helpful. Use the transmission cross reference and interchange chart to find transmission compatibility. I drive a. Transmission Pontiac Grand Prix.
From www.cargurus.com
Pontiac Grand Prix Questions I have a 2004 pontiac transmission for Transmission Pontiac Grand Prix I drive a 2006 grand prix gxp, my transmission went out at 74k miles… needed a complete rebuild. Use the transmission cross reference and interchange chart to find transmission compatibility. You can also lookup pontiac transmission by vin using the decoder tool. We hope you find the lookup pontiac transmissions by model year guide helpful. Low levels of transmission fluid. Transmission Pontiac Grand Prix.
From portal-diagnostov.com
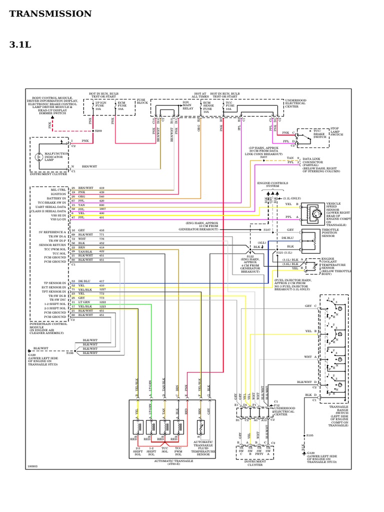
TRANSMISSION Pontiac Grand Prix GTP 2004 SYSTEM WIRING DIAGRAMS Transmission Pontiac Grand Prix We hope you find the lookup pontiac transmissions by model year guide helpful. Use the transmission cross reference and interchange chart to find transmission compatibility. Checking the transmission fluid is the first step you should take in diagnosing a pontiac grand prix that won’t shift. I drive a 2006 grand prix gxp, my transmission went out at 74k miles… needed. Transmission Pontiac Grand Prix.
From www.gminsidenews.com
2004 Grand Prix Transmission Issue Transmission Pontiac Grand Prix Use the transmission cross reference and interchange chart to find transmission compatibility. We hope you find the lookup pontiac transmissions by model year guide helpful. You can also lookup pontiac transmission by vin using the decoder tool. Checking the transmission fluid is the first step you should take in diagnosing a pontiac grand prix that won’t shift. I drive a. Transmission Pontiac Grand Prix.
From www.partshotlines.com
Pontiac Grand Prix Transmission Used Auto Parts Transmission Pontiac Grand Prix Checking the transmission fluid is the first step you should take in diagnosing a pontiac grand prix that won’t shift. We hope you find the lookup pontiac transmissions by model year guide helpful. Low levels of transmission fluid or transmission fluid leaks are by far the most common type of transmission problem. You can also lookup pontiac transmission by vin. Transmission Pontiac Grand Prix.
From www.2carpros.com
2000 Pontiac Grand Prix Transmission I Have a 2000 Pontiac Grand Transmission Pontiac Grand Prix Checking the transmission fluid is the first step you should take in diagnosing a pontiac grand prix that won’t shift. You can also lookup pontiac transmission by vin using the decoder tool. I drive a 2006 grand prix gxp, my transmission went out at 74k miles… needed a complete rebuild. Use the transmission cross reference and interchange chart to find. Transmission Pontiac Grand Prix.
From www.justanswer.com
Q&A Grand Prix Transmission 99 Grand Prix GT JustAnswer Transmission Pontiac Grand Prix Checking the transmission fluid is the first step you should take in diagnosing a pontiac grand prix that won’t shift. Low levels of transmission fluid or transmission fluid leaks are by far the most common type of transmission problem. We hope you find the lookup pontiac transmissions by model year guide helpful. You can also lookup pontiac transmission by vin. Transmission Pontiac Grand Prix.
From wiringdbgranivore.z19.web.core.windows.net
Pontiac Grand Prix Transmission Transmission Pontiac Grand Prix You can also lookup pontiac transmission by vin using the decoder tool. We hope you find the lookup pontiac transmissions by model year guide helpful. Check these troubleshooting and repair guides for more help on your pontiac. Low levels of transmission fluid or transmission fluid leaks are by far the most common type of transmission problem. Use the transmission cross. Transmission Pontiac Grand Prix.
From ar.inspiredpencil.com
Pontiac Grand Prix Transmission Transmission Pontiac Grand Prix Checking the transmission fluid is the first step you should take in diagnosing a pontiac grand prix that won’t shift. We hope you find the lookup pontiac transmissions by model year guide helpful. Check these troubleshooting and repair guides for more help on your pontiac. Use the transmission cross reference and interchange chart to find transmission compatibility. Low levels of. Transmission Pontiac Grand Prix.
From nemigaparts.com
Pontiac Grand Prix W AUTOMATIC TRANSMISSION (MN7) PART 5 (4T65E Transmission Pontiac Grand Prix Low levels of transmission fluid or transmission fluid leaks are by far the most common type of transmission problem. Check these troubleshooting and repair guides for more help on your pontiac. Use the transmission cross reference and interchange chart to find transmission compatibility. We hope you find the lookup pontiac transmissions by model year guide helpful. Checking the transmission fluid. Transmission Pontiac Grand Prix.
From www.scribd.com
TRANSMISSION Pontiac Grand Prix GTP 1997 SYSTEM WIRING DIAGRAMS PDF Transmission Pontiac Grand Prix You can also lookup pontiac transmission by vin using the decoder tool. Checking the transmission fluid is the first step you should take in diagnosing a pontiac grand prix that won’t shift. I drive a 2006 grand prix gxp, my transmission went out at 74k miles… needed a complete rebuild. Use the transmission cross reference and interchange chart to find. Transmission Pontiac Grand Prix.
From www.justanswer.com
Q&A Grand Prix Transmission 99 Grand Prix GT JustAnswer Transmission Pontiac Grand Prix You can also lookup pontiac transmission by vin using the decoder tool. Checking the transmission fluid is the first step you should take in diagnosing a pontiac grand prix that won’t shift. Check these troubleshooting and repair guides for more help on your pontiac. Low levels of transmission fluid or transmission fluid leaks are by far the most common type. Transmission Pontiac Grand Prix.
From nemigaparts.com
Pontiac Grand Prix W SHIFT CONTROL/AUTOMATIC TRANSMISSION FLOOR > EPC Transmission Pontiac Grand Prix We hope you find the lookup pontiac transmissions by model year guide helpful. Use the transmission cross reference and interchange chart to find transmission compatibility. Checking the transmission fluid is the first step you should take in diagnosing a pontiac grand prix that won’t shift. Check these troubleshooting and repair guides for more help on your pontiac. I drive a. Transmission Pontiac Grand Prix.
From ar.inspiredpencil.com
Pontiac Grand Prix Transmission Transmission Pontiac Grand Prix We hope you find the lookup pontiac transmissions by model year guide helpful. Checking the transmission fluid is the first step you should take in diagnosing a pontiac grand prix that won’t shift. You can also lookup pontiac transmission by vin using the decoder tool. Check these troubleshooting and repair guides for more help on your pontiac. Use the transmission. Transmission Pontiac Grand Prix.
From www.justanswer.com
How do you take out a transmission on a 99 grand prix GT Transmission Pontiac Grand Prix I drive a 2006 grand prix gxp, my transmission went out at 74k miles… needed a complete rebuild. You can also lookup pontiac transmission by vin using the decoder tool. Low levels of transmission fluid or transmission fluid leaks are by far the most common type of transmission problem. Use the transmission cross reference and interchange chart to find transmission. Transmission Pontiac Grand Prix.
From www.justanswer.com
Q&A Pontiac Grand Prix Transmission Controls 99 Pontiac Grand Prix Transmission Pontiac Grand Prix Check these troubleshooting and repair guides for more help on your pontiac. Checking the transmission fluid is the first step you should take in diagnosing a pontiac grand prix that won’t shift. Use the transmission cross reference and interchange chart to find transmission compatibility. I drive a 2006 grand prix gxp, my transmission went out at 74k miles… needed a. Transmission Pontiac Grand Prix.