Vw Passat Exhaust Gas Recirculation Control Circuit . So, what does the code p0403 mean? The egr system is crucial for reducing. Excessive resistance in control circuit (pcm. Look for common symptoms and. The dtc p0403 indicates that the powertrain control module (pcm) has detected a problem concerning the exhaust gas recirculation (egr). The p0403 code for volkswagen vehicles relates to the exhaust gas recirculation (egr) control circuit. The causes for a p0403 egr code could be any of the following: The p0403 code is an indication that the engine exhaust gas recirculation circuit (egr) has malfunctioned. It’s most likely an electrical issue, but it could be a sign that your egr system isn’t working properly. It affects the egr (exhaust gas recirculation system and technically means: Early exhaust gas recirculation (egr) systems component s include and egr valve,.
from www.carparts.com
Look for common symptoms and. The egr system is crucial for reducing. So, what does the code p0403 mean? The p0403 code for volkswagen vehicles relates to the exhaust gas recirculation (egr) control circuit. The causes for a p0403 egr code could be any of the following: Early exhaust gas recirculation (egr) systems component s include and egr valve,. The dtc p0403 indicates that the powertrain control module (pcm) has detected a problem concerning the exhaust gas recirculation (egr). It affects the egr (exhaust gas recirculation system and technically means: It’s most likely an electrical issue, but it could be a sign that your egr system isn’t working properly. Excessive resistance in control circuit (pcm.
P040D Code Exhaust Gas Recirculation Temperature Sensor "A" Circuit
Vw Passat Exhaust Gas Recirculation Control Circuit The p0403 code is an indication that the engine exhaust gas recirculation circuit (egr) has malfunctioned. The causes for a p0403 egr code could be any of the following: The egr system is crucial for reducing. Early exhaust gas recirculation (egr) systems component s include and egr valve,. Look for common symptoms and. The p0403 code for volkswagen vehicles relates to the exhaust gas recirculation (egr) control circuit. The dtc p0403 indicates that the powertrain control module (pcm) has detected a problem concerning the exhaust gas recirculation (egr). It’s most likely an electrical issue, but it could be a sign that your egr system isn’t working properly. Excessive resistance in control circuit (pcm. It affects the egr (exhaust gas recirculation system and technically means: So, what does the code p0403 mean? The p0403 code is an indication that the engine exhaust gas recirculation circuit (egr) has malfunctioned.
From schematicsparerib.z14.web.core.windows.net
Exhaust Gas Recirculation System Diagram Vw Passat Exhaust Gas Recirculation Control Circuit It affects the egr (exhaust gas recirculation system and technically means: It’s most likely an electrical issue, but it could be a sign that your egr system isn’t working properly. The dtc p0403 indicates that the powertrain control module (pcm) has detected a problem concerning the exhaust gas recirculation (egr). Excessive resistance in control circuit (pcm. Look for common symptoms. Vw Passat Exhaust Gas Recirculation Control Circuit.
From repairfrenchlumina.z21.web.core.windows.net
Toyota 3.4 Egr Valve Vw Passat Exhaust Gas Recirculation Control Circuit Early exhaust gas recirculation (egr) systems component s include and egr valve,. Excessive resistance in control circuit (pcm. Look for common symptoms and. The causes for a p0403 egr code could be any of the following: It’s most likely an electrical issue, but it could be a sign that your egr system isn’t working properly. The p0403 code is an. Vw Passat Exhaust Gas Recirculation Control Circuit.
From www.carparts.com
P0406 Code Exhaust Gas Recirculation Sensor A Circuit High In The Vw Passat Exhaust Gas Recirculation Control Circuit It affects the egr (exhaust gas recirculation system and technically means: Early exhaust gas recirculation (egr) systems component s include and egr valve,. So, what does the code p0403 mean? The causes for a p0403 egr code could be any of the following: The egr system is crucial for reducing. The p0403 code for volkswagen vehicles relates to the exhaust. Vw Passat Exhaust Gas Recirculation Control Circuit.
From repairmachinemetred.z1.web.core.windows.net
How To Check Egr Valve Is Working Vw Passat Exhaust Gas Recirculation Control Circuit Early exhaust gas recirculation (egr) systems component s include and egr valve,. The p0403 code is an indication that the engine exhaust gas recirculation circuit (egr) has malfunctioned. It’s most likely an electrical issue, but it could be a sign that your egr system isn’t working properly. The egr system is crucial for reducing. The causes for a p0403 egr. Vw Passat Exhaust Gas Recirculation Control Circuit.
From www.carparts.com
P0403 Code Exhaust Gas Recirculation “A” Control Circuit Malfunction Vw Passat Exhaust Gas Recirculation Control Circuit The egr system is crucial for reducing. So, what does the code p0403 mean? The causes for a p0403 egr code could be any of the following: The p0403 code for volkswagen vehicles relates to the exhaust gas recirculation (egr) control circuit. It affects the egr (exhaust gas recirculation system and technically means: It’s most likely an electrical issue, but. Vw Passat Exhaust Gas Recirculation Control Circuit.
From www.youtube.com
How to fix P0544 Sensor 1 for Exhaust Temp Bank 1 G235 Passat B6 2009 Vw Passat Exhaust Gas Recirculation Control Circuit Look for common symptoms and. It’s most likely an electrical issue, but it could be a sign that your egr system isn’t working properly. It affects the egr (exhaust gas recirculation system and technically means: So, what does the code p0403 mean? The egr system is crucial for reducing. Excessive resistance in control circuit (pcm. The p0403 code is an. Vw Passat Exhaust Gas Recirculation Control Circuit.
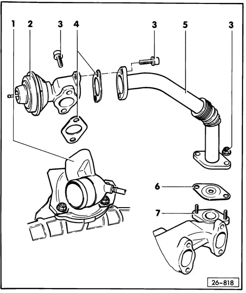
From workshop-manuals.com
Volkswagen Manuals > Passat (B3) > Power unit > 4Cyl. diesel Vw Passat Exhaust Gas Recirculation Control Circuit The egr system is crucial for reducing. The dtc p0403 indicates that the powertrain control module (pcm) has detected a problem concerning the exhaust gas recirculation (egr). The p0403 code for volkswagen vehicles relates to the exhaust gas recirculation (egr) control circuit. Excessive resistance in control circuit (pcm. The p0403 code is an indication that the engine exhaust gas recirculation. Vw Passat Exhaust Gas Recirculation Control Circuit.
From garagefixadresez6f.z21.web.core.windows.net
Car Fault Code P0401 Vw Passat Exhaust Gas Recirculation Control Circuit The p0403 code for volkswagen vehicles relates to the exhaust gas recirculation (egr) control circuit. The egr system is crucial for reducing. Early exhaust gas recirculation (egr) systems component s include and egr valve,. So, what does the code p0403 mean? It affects the egr (exhaust gas recirculation system and technically means: The p0403 code is an indication that the. Vw Passat Exhaust Gas Recirculation Control Circuit.
From schematicsparerib.z14.web.core.windows.net
Exhaust Gas Recirculation System Operation Vw Passat Exhaust Gas Recirculation Control Circuit The egr system is crucial for reducing. Early exhaust gas recirculation (egr) systems component s include and egr valve,. The dtc p0403 indicates that the powertrain control module (pcm) has detected a problem concerning the exhaust gas recirculation (egr). Excessive resistance in control circuit (pcm. It’s most likely an electrical issue, but it could be a sign that your egr. Vw Passat Exhaust Gas Recirculation Control Circuit.
From www.youtube.com
VW Passat Fuel Pump Pressure Regulator Suction Control Valve Location Vw Passat Exhaust Gas Recirculation Control Circuit Excessive resistance in control circuit (pcm. Look for common symptoms and. The p0403 code for volkswagen vehicles relates to the exhaust gas recirculation (egr) control circuit. The dtc p0403 indicates that the powertrain control module (pcm) has detected a problem concerning the exhaust gas recirculation (egr). Early exhaust gas recirculation (egr) systems component s include and egr valve,. It affects. Vw Passat Exhaust Gas Recirculation Control Circuit.
From www.justanswer.com
What is the Exhaust Gas Recirculation Control Circuit? Vw Passat Exhaust Gas Recirculation Control Circuit The p0403 code for volkswagen vehicles relates to the exhaust gas recirculation (egr) control circuit. The dtc p0403 indicates that the powertrain control module (pcm) has detected a problem concerning the exhaust gas recirculation (egr). The causes for a p0403 egr code could be any of the following: Early exhaust gas recirculation (egr) systems component s include and egr valve,.. Vw Passat Exhaust Gas Recirculation Control Circuit.
From workshop-manuals.com
Volkswagen Service and Repair Manuals > Passat (B3) > Power Vw Passat Exhaust Gas Recirculation Control Circuit The p0403 code is an indication that the engine exhaust gas recirculation circuit (egr) has malfunctioned. So, what does the code p0403 mean? Look for common symptoms and. It’s most likely an electrical issue, but it could be a sign that your egr system isn’t working properly. Early exhaust gas recirculation (egr) systems component s include and egr valve,. Excessive. Vw Passat Exhaust Gas Recirculation Control Circuit.
From webautocats.com
Volkswagen Passat/Variant (2006 2007) Exhaust gas recirculation Vw Passat Exhaust Gas Recirculation Control Circuit It affects the egr (exhaust gas recirculation system and technically means: So, what does the code p0403 mean? The causes for a p0403 egr code could be any of the following: Excessive resistance in control circuit (pcm. The p0403 code is an indication that the engine exhaust gas recirculation circuit (egr) has malfunctioned. Look for common symptoms and. Early exhaust. Vw Passat Exhaust Gas Recirculation Control Circuit.
From justgermanparts.co.uk
EGR Exhaust Gas Recirculation Cooler 1.6 2.0 TDI VW Golf Jetta Passat Vw Passat Exhaust Gas Recirculation Control Circuit The p0403 code is an indication that the engine exhaust gas recirculation circuit (egr) has malfunctioned. The causes for a p0403 egr code could be any of the following: The dtc p0403 indicates that the powertrain control module (pcm) has detected a problem concerning the exhaust gas recirculation (egr). So, what does the code p0403 mean? Look for common symptoms. Vw Passat Exhaust Gas Recirculation Control Circuit.
From www.f150forum.com
Replacing the Air Recirculation Actuation W/O removing dash possible Vw Passat Exhaust Gas Recirculation Control Circuit So, what does the code p0403 mean? The p0403 code for volkswagen vehicles relates to the exhaust gas recirculation (egr) control circuit. Early exhaust gas recirculation (egr) systems component s include and egr valve,. The dtc p0403 indicates that the powertrain control module (pcm) has detected a problem concerning the exhaust gas recirculation (egr). Excessive resistance in control circuit (pcm.. Vw Passat Exhaust Gas Recirculation Control Circuit.
From parts.cartervw.com
2015 Volkswagen Passat Exhaust Gas Recirculation (EGR) Valve Vw Passat Exhaust Gas Recirculation Control Circuit It affects the egr (exhaust gas recirculation system and technically means: The dtc p0403 indicates that the powertrain control module (pcm) has detected a problem concerning the exhaust gas recirculation (egr). Excessive resistance in control circuit (pcm. The p0403 code for volkswagen vehicles relates to the exhaust gas recirculation (egr) control circuit. Look for common symptoms and. The causes for. Vw Passat Exhaust Gas Recirculation Control Circuit.
From joimubcuk.blob.core.windows.net
Exhaust Gas Recirculation Throttle Position Control Circuit at Marie Vw Passat Exhaust Gas Recirculation Control Circuit It’s most likely an electrical issue, but it could be a sign that your egr system isn’t working properly. It affects the egr (exhaust gas recirculation system and technically means: The egr system is crucial for reducing. The dtc p0403 indicates that the powertrain control module (pcm) has detected a problem concerning the exhaust gas recirculation (egr). The p0403 code. Vw Passat Exhaust Gas Recirculation Control Circuit.
From www.linksautomotive.co.uk
VW Golf Exhaust Gas Recirculation Issue Fixed at Links Automotive Vw Passat Exhaust Gas Recirculation Control Circuit The p0403 code for volkswagen vehicles relates to the exhaust gas recirculation (egr) control circuit. It’s most likely an electrical issue, but it could be a sign that your egr system isn’t working properly. So, what does the code p0403 mean? Early exhaust gas recirculation (egr) systems component s include and egr valve,. The dtc p0403 indicates that the powertrain. Vw Passat Exhaust Gas Recirculation Control Circuit.
From engine-diagram.netlify.app
Simple Car Engine Parts Names With Diagram Vw Passat Exhaust Gas Recirculation Control Circuit The dtc p0403 indicates that the powertrain control module (pcm) has detected a problem concerning the exhaust gas recirculation (egr). It’s most likely an electrical issue, but it could be a sign that your egr system isn’t working properly. Look for common symptoms and. The p0403 code is an indication that the engine exhaust gas recirculation circuit (egr) has malfunctioned.. Vw Passat Exhaust Gas Recirculation Control Circuit.
From www.carparts.com
P0403 Code Exhaust Gas Recirculation “A” Control Circuit Malfunction Vw Passat Exhaust Gas Recirculation Control Circuit Excessive resistance in control circuit (pcm. Look for common symptoms and. So, what does the code p0403 mean? The p0403 code is an indication that the engine exhaust gas recirculation circuit (egr) has malfunctioned. The dtc p0403 indicates that the powertrain control module (pcm) has detected a problem concerning the exhaust gas recirculation (egr). The p0403 code for volkswagen vehicles. Vw Passat Exhaust Gas Recirculation Control Circuit.
From www.youtube.com
P0403 Exhaust Gas Recirculation Circuit Malfunction symptoms Causes Vw Passat Exhaust Gas Recirculation Control Circuit The causes for a p0403 egr code could be any of the following: Early exhaust gas recirculation (egr) systems component s include and egr valve,. Excessive resistance in control circuit (pcm. The egr system is crucial for reducing. The p0403 code for volkswagen vehicles relates to the exhaust gas recirculation (egr) control circuit. It affects the egr (exhaust gas recirculation. Vw Passat Exhaust Gas Recirculation Control Circuit.
From www.youtube.com
DTC P0403 Overview Exhaust Gas Recirculation “A” Control Circuit YouTube Vw Passat Exhaust Gas Recirculation Control Circuit It’s most likely an electrical issue, but it could be a sign that your egr system isn’t working properly. The p0403 code for volkswagen vehicles relates to the exhaust gas recirculation (egr) control circuit. The egr system is crucial for reducing. The dtc p0403 indicates that the powertrain control module (pcm) has detected a problem concerning the exhaust gas recirculation. Vw Passat Exhaust Gas Recirculation Control Circuit.
From parts.stonemountainvw.com
Volkswagen Passat Exhaust Muffler. Resonator AND pipe. Silencer. A Vw Passat Exhaust Gas Recirculation Control Circuit Look for common symptoms and. Excessive resistance in control circuit (pcm. It’s most likely an electrical issue, but it could be a sign that your egr system isn’t working properly. The p0403 code is an indication that the engine exhaust gas recirculation circuit (egr) has malfunctioned. It affects the egr (exhaust gas recirculation system and technically means: The egr system. Vw Passat Exhaust Gas Recirculation Control Circuit.
From exyykgmxy.blob.core.windows.net
How Does Exhaust System Work at Elizabeth Fluellen blog Vw Passat Exhaust Gas Recirculation Control Circuit The egr system is crucial for reducing. The dtc p0403 indicates that the powertrain control module (pcm) has detected a problem concerning the exhaust gas recirculation (egr). Excessive resistance in control circuit (pcm. Look for common symptoms and. It affects the egr (exhaust gas recirculation system and technically means: The p0403 code for volkswagen vehicles relates to the exhaust gas. Vw Passat Exhaust Gas Recirculation Control Circuit.
From www.youtube.com
How to fix P242A Exhaust gas temperature sensor B1 S3 G495 Passat B6 Vw Passat Exhaust Gas Recirculation Control Circuit It’s most likely an electrical issue, but it could be a sign that your egr system isn’t working properly. So, what does the code p0403 mean? Early exhaust gas recirculation (egr) systems component s include and egr valve,. The p0403 code is an indication that the engine exhaust gas recirculation circuit (egr) has malfunctioned. Look for common symptoms and. It. Vw Passat Exhaust Gas Recirculation Control Circuit.
From www.youtube.com
P0400 Exhaust Gas Recirculation Flow Malfunction Symptoms EGR Vw Passat Exhaust Gas Recirculation Control Circuit Look for common symptoms and. The egr system is crucial for reducing. The dtc p0403 indicates that the powertrain control module (pcm) has detected a problem concerning the exhaust gas recirculation (egr). Excessive resistance in control circuit (pcm. It’s most likely an electrical issue, but it could be a sign that your egr system isn’t working properly. Early exhaust gas. Vw Passat Exhaust Gas Recirculation Control Circuit.
From www.aliexpress.com
Exhaust Gas Recirculation EGR VALVE For VOLKSWAGEN VW Multivan Passat Vw Passat Exhaust Gas Recirculation Control Circuit The causes for a p0403 egr code could be any of the following: The egr system is crucial for reducing. It affects the egr (exhaust gas recirculation system and technically means: Excessive resistance in control circuit (pcm. So, what does the code p0403 mean? The p0403 code is an indication that the engine exhaust gas recirculation circuit (egr) has malfunctioned.. Vw Passat Exhaust Gas Recirculation Control Circuit.
From www.jimellisvwparts.com
2012 Volkswagen Passat TDI SE 2.0L TDI DIESEL A/T Exhaust pipe with Vw Passat Exhaust Gas Recirculation Control Circuit It’s most likely an electrical issue, but it could be a sign that your egr system isn’t working properly. Look for common symptoms and. Excessive resistance in control circuit (pcm. The causes for a p0403 egr code could be any of the following: The p0403 code is an indication that the engine exhaust gas recirculation circuit (egr) has malfunctioned. The. Vw Passat Exhaust Gas Recirculation Control Circuit.
From workshop-manuals.com
Volkswagen Service and Repair Manuals > Passat (B3) > Power Vw Passat Exhaust Gas Recirculation Control Circuit It affects the egr (exhaust gas recirculation system and technically means: It’s most likely an electrical issue, but it could be a sign that your egr system isn’t working properly. The egr system is crucial for reducing. The causes for a p0403 egr code could be any of the following: Early exhaust gas recirculation (egr) systems component s include and. Vw Passat Exhaust Gas Recirculation Control Circuit.
From www.carparts.com
P040D Code Exhaust Gas Recirculation Temperature Sensor "A" Circuit Vw Passat Exhaust Gas Recirculation Control Circuit So, what does the code p0403 mean? It affects the egr (exhaust gas recirculation system and technically means: Look for common symptoms and. The p0403 code for volkswagen vehicles relates to the exhaust gas recirculation (egr) control circuit. The dtc p0403 indicates that the powertrain control module (pcm) has detected a problem concerning the exhaust gas recirculation (egr). The p0403. Vw Passat Exhaust Gas Recirculation Control Circuit.
From joisguixf.blob.core.windows.net
Exhaust Gas Recirculation Control Circuit at Tiffanie Clayton blog Vw Passat Exhaust Gas Recirculation Control Circuit The egr system is crucial for reducing. Excessive resistance in control circuit (pcm. Look for common symptoms and. The p0403 code is an indication that the engine exhaust gas recirculation circuit (egr) has malfunctioned. The dtc p0403 indicates that the powertrain control module (pcm) has detected a problem concerning the exhaust gas recirculation (egr). It’s most likely an electrical issue,. Vw Passat Exhaust Gas Recirculation Control Circuit.
From x-engineer.org
Exhaust Gas Recirculation (EGR) complete guide components x Vw Passat Exhaust Gas Recirculation Control Circuit Early exhaust gas recirculation (egr) systems component s include and egr valve,. The causes for a p0403 egr code could be any of the following: The dtc p0403 indicates that the powertrain control module (pcm) has detected a problem concerning the exhaust gas recirculation (egr). So, what does the code p0403 mean? The p0403 code for volkswagen vehicles relates to. Vw Passat Exhaust Gas Recirculation Control Circuit.
From www.youtube.com
How Exhaust Gas Recirculation (EGR) System Works in Hindi YouTube Vw Passat Exhaust Gas Recirculation Control Circuit Look for common symptoms and. The egr system is crucial for reducing. The causes for a p0403 egr code could be any of the following: So, what does the code p0403 mean? The p0403 code for volkswagen vehicles relates to the exhaust gas recirculation (egr) control circuit. Excessive resistance in control circuit (pcm. The p0403 code is an indication that. Vw Passat Exhaust Gas Recirculation Control Circuit.
From www.youtube.com
How to remove V158 & V107 Air Recirculation Flap Positioning Motor VW Vw Passat Exhaust Gas Recirculation Control Circuit Excessive resistance in control circuit (pcm. The dtc p0403 indicates that the powertrain control module (pcm) has detected a problem concerning the exhaust gas recirculation (egr). The egr system is crucial for reducing. It’s most likely an electrical issue, but it could be a sign that your egr system isn’t working properly. Early exhaust gas recirculation (egr) systems component s. Vw Passat Exhaust Gas Recirculation Control Circuit.
From nemigaparts.com
Volkswagen Passat/Variant (2012 2015) exhaust gas recirculation Vw Passat Exhaust Gas Recirculation Control Circuit The p0403 code is an indication that the engine exhaust gas recirculation circuit (egr) has malfunctioned. It’s most likely an electrical issue, but it could be a sign that your egr system isn’t working properly. The p0403 code for volkswagen vehicles relates to the exhaust gas recirculation (egr) control circuit. Excessive resistance in control circuit (pcm. The causes for a. Vw Passat Exhaust Gas Recirculation Control Circuit.