Automotive Lighting System Wiring Diagram Pdf . 1 development of the automobile electrical system. drive leds in an automotive lighting application, it is important to consider led priorities, compare circuit design options,. — automotive lighting system wiring diagrams are used in the maintenance and repair of vehicle lighting systems. Vehicle lighting systems are very important, particularly where road safety is concerned. this chapter describes the interior and exterior lighting system that shall be provided on all car types. whether it’s adding fog lights, upgrading the stereo system, or installing a new alarm system, wiring diagrams provide the. an automotive lighting system wiring diagram is a schematic representation of the wiring and components that make up the.
from wiringdiagramall.blogspot.com
this chapter describes the interior and exterior lighting system that shall be provided on all car types. 1 development of the automobile electrical system. — automotive lighting system wiring diagrams are used in the maintenance and repair of vehicle lighting systems. Vehicle lighting systems are very important, particularly where road safety is concerned. whether it’s adding fog lights, upgrading the stereo system, or installing a new alarm system, wiring diagrams provide the. an automotive lighting system wiring diagram is a schematic representation of the wiring and components that make up the. drive leds in an automotive lighting application, it is important to consider led priorities, compare circuit design options,.
Automotive Lighting System Wiring Diagram
Automotive Lighting System Wiring Diagram Pdf — automotive lighting system wiring diagrams are used in the maintenance and repair of vehicle lighting systems. Vehicle lighting systems are very important, particularly where road safety is concerned. 1 development of the automobile electrical system. this chapter describes the interior and exterior lighting system that shall be provided on all car types. whether it’s adding fog lights, upgrading the stereo system, or installing a new alarm system, wiring diagrams provide the. drive leds in an automotive lighting application, it is important to consider led priorities, compare circuit design options,. an automotive lighting system wiring diagram is a schematic representation of the wiring and components that make up the. — automotive lighting system wiring diagrams are used in the maintenance and repair of vehicle lighting systems.
From wiringdiagramall.blogspot.com
Automotive Lighting System Wiring Diagram Automotive Lighting System Wiring Diagram Pdf Vehicle lighting systems are very important, particularly where road safety is concerned. drive leds in an automotive lighting application, it is important to consider led priorities, compare circuit design options,. — automotive lighting system wiring diagrams are used in the maintenance and repair of vehicle lighting systems. an automotive lighting system wiring diagram is a schematic representation. Automotive Lighting System Wiring Diagram Pdf.
From wiringdiagram.2bitboer.com
Wiring Diagram For Car Lighting System Wiring Diagram Automotive Lighting System Wiring Diagram Pdf an automotive lighting system wiring diagram is a schematic representation of the wiring and components that make up the. whether it’s adding fog lights, upgrading the stereo system, or installing a new alarm system, wiring diagrams provide the. this chapter describes the interior and exterior lighting system that shall be provided on all car types. drive. Automotive Lighting System Wiring Diagram Pdf.
From wiringlibraryschafer.z19.web.core.windows.net
Equipment Wiring Diagrams Automotive Lighting System Wiring Diagram Pdf whether it’s adding fog lights, upgrading the stereo system, or installing a new alarm system, wiring diagrams provide the. an automotive lighting system wiring diagram is a schematic representation of the wiring and components that make up the. Vehicle lighting systems are very important, particularly where road safety is concerned. 1 development of the automobile electrical system.. Automotive Lighting System Wiring Diagram Pdf.
From lelandpix.blogspot.com
Car Lighting System Wiring Diagram A Typical Car Lighting Circuit Automotive Lighting System Wiring Diagram Pdf — automotive lighting system wiring diagrams are used in the maintenance and repair of vehicle lighting systems. an automotive lighting system wiring diagram is a schematic representation of the wiring and components that make up the. 1 development of the automobile electrical system. drive leds in an automotive lighting application, it is important to consider led. Automotive Lighting System Wiring Diagram Pdf.
From wiringdiagramall.blogspot.com
Automotive Lighting System Wiring Diagram Automotive Lighting System Wiring Diagram Pdf whether it’s adding fog lights, upgrading the stereo system, or installing a new alarm system, wiring diagrams provide the. Vehicle lighting systems are very important, particularly where road safety is concerned. 1 development of the automobile electrical system. — automotive lighting system wiring diagrams are used in the maintenance and repair of vehicle lighting systems. this. Automotive Lighting System Wiring Diagram Pdf.
From partdiagramsleemnimbgg.z22.web.core.windows.net
Ford Auto Wiring Diagrams Lights Automotive Lighting System Wiring Diagram Pdf Vehicle lighting systems are very important, particularly where road safety is concerned. this chapter describes the interior and exterior lighting system that shall be provided on all car types. whether it’s adding fog lights, upgrading the stereo system, or installing a new alarm system, wiring diagrams provide the. — automotive lighting system wiring diagrams are used in. Automotive Lighting System Wiring Diagram Pdf.
From www.nisentra.com
Nissan Sentra Service Manual Wiring diagram Exterior lighting system Automotive Lighting System Wiring Diagram Pdf an automotive lighting system wiring diagram is a schematic representation of the wiring and components that make up the. Vehicle lighting systems are very important, particularly where road safety is concerned. this chapter describes the interior and exterior lighting system that shall be provided on all car types. drive leds in an automotive lighting application, it is. Automotive Lighting System Wiring Diagram Pdf.
From wiringdiagramall.blogspot.com
Automotive Lighting System Wiring Diagram Automotive Lighting System Wiring Diagram Pdf an automotive lighting system wiring diagram is a schematic representation of the wiring and components that make up the. 1 development of the automobile electrical system. — automotive lighting system wiring diagrams are used in the maintenance and repair of vehicle lighting systems. whether it’s adding fog lights, upgrading the stereo system, or installing a new. Automotive Lighting System Wiring Diagram Pdf.
From wiringdbstairwell.z5.web.core.windows.net
Diagram Of A Car Light Automotive Lighting System Wiring Diagram Pdf — automotive lighting system wiring diagrams are used in the maintenance and repair of vehicle lighting systems. 1 development of the automobile electrical system. drive leds in an automotive lighting application, it is important to consider led priorities, compare circuit design options,. this chapter describes the interior and exterior lighting system that shall be provided on. Automotive Lighting System Wiring Diagram Pdf.
From manualmanualclair.z19.web.core.windows.net
Automotive Electrical Wiring Diagrams Symbols Automotive Lighting System Wiring Diagram Pdf whether it’s adding fog lights, upgrading the stereo system, or installing a new alarm system, wiring diagrams provide the. this chapter describes the interior and exterior lighting system that shall be provided on all car types. — automotive lighting system wiring diagrams are used in the maintenance and repair of vehicle lighting systems. Vehicle lighting systems are. Automotive Lighting System Wiring Diagram Pdf.
From www.wiringdigital.com
Automotive Lighting System Wiring Diagram » Wiring Digital And Schematic Automotive Lighting System Wiring Diagram Pdf this chapter describes the interior and exterior lighting system that shall be provided on all car types. whether it’s adding fog lights, upgrading the stereo system, or installing a new alarm system, wiring diagrams provide the. Vehicle lighting systems are very important, particularly where road safety is concerned. — automotive lighting system wiring diagrams are used in. Automotive Lighting System Wiring Diagram Pdf.
From www.nisentra.com
Nissan Sentra Service Manual Wiring diagram Exterior lighting system Automotive Lighting System Wiring Diagram Pdf drive leds in an automotive lighting application, it is important to consider led priorities, compare circuit design options,. — automotive lighting system wiring diagrams are used in the maintenance and repair of vehicle lighting systems. this chapter describes the interior and exterior lighting system that shall be provided on all car types. 1 development of the. Automotive Lighting System Wiring Diagram Pdf.
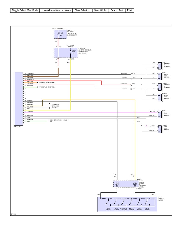
From www.scribd.com
Audio and Interior Lighting System Wiring Diagram PDF Rear Wheel Automotive Lighting System Wiring Diagram Pdf — automotive lighting system wiring diagrams are used in the maintenance and repair of vehicle lighting systems. an automotive lighting system wiring diagram is a schematic representation of the wiring and components that make up the. this chapter describes the interior and exterior lighting system that shall be provided on all car types. Vehicle lighting systems are. Automotive Lighting System Wiring Diagram Pdf.
From enginedatamystics.z13.web.core.windows.net
Diagram Of Wiring Leds To Diecast Cars Automotive Lighting System Wiring Diagram Pdf 1 development of the automobile electrical system. an automotive lighting system wiring diagram is a schematic representation of the wiring and components that make up the. — automotive lighting system wiring diagrams are used in the maintenance and repair of vehicle lighting systems. this chapter describes the interior and exterior lighting system that shall be provided. Automotive Lighting System Wiring Diagram Pdf.
From guidefixzayarimj.z22.web.core.windows.net
Understanding Automotive Wiring Diagrams Automotive Lighting System Wiring Diagram Pdf an automotive lighting system wiring diagram is a schematic representation of the wiring and components that make up the. whether it’s adding fog lights, upgrading the stereo system, or installing a new alarm system, wiring diagrams provide the. — automotive lighting system wiring diagrams are used in the maintenance and repair of vehicle lighting systems. 1. Automotive Lighting System Wiring Diagram Pdf.
From www.circuitdiagram.co
Wiring Diagram Lighting System Circuit Diagram Automotive Lighting System Wiring Diagram Pdf drive leds in an automotive lighting application, it is important to consider led priorities, compare circuit design options,. Vehicle lighting systems are very important, particularly where road safety is concerned. whether it’s adding fog lights, upgrading the stereo system, or installing a new alarm system, wiring diagrams provide the. an automotive lighting system wiring diagram is a. Automotive Lighting System Wiring Diagram Pdf.
From circuitfixhueber.z19.web.core.windows.net
Car Wiring Pdf Diagrams Automotive Lighting System Wiring Diagram Pdf Vehicle lighting systems are very important, particularly where road safety is concerned. drive leds in an automotive lighting application, it is important to consider led priorities, compare circuit design options,. — automotive lighting system wiring diagrams are used in the maintenance and repair of vehicle lighting systems. 1 development of the automobile electrical system. whether it’s. Automotive Lighting System Wiring Diagram Pdf.
From schematicmanualalan.z13.web.core.windows.net
Automotive Lighting System Wiring Diagram Automotive Lighting System Wiring Diagram Pdf — automotive lighting system wiring diagrams are used in the maintenance and repair of vehicle lighting systems. Vehicle lighting systems are very important, particularly where road safety is concerned. drive leds in an automotive lighting application, it is important to consider led priorities, compare circuit design options,. whether it’s adding fog lights, upgrading the stereo system, or. Automotive Lighting System Wiring Diagram Pdf.
From schematicprobadorydxr7.z21.web.core.windows.net
Automotive Electrical Wiring Diagrams Automotive Lighting System Wiring Diagram Pdf this chapter describes the interior and exterior lighting system that shall be provided on all car types. Vehicle lighting systems are very important, particularly where road safety is concerned. 1 development of the automobile electrical system. drive leds in an automotive lighting application, it is important to consider led priorities, compare circuit design options,. — automotive. Automotive Lighting System Wiring Diagram Pdf.
From schematiccobles.z13.web.core.windows.net
Car Lights Wiring Diagram Automotive Lighting System Wiring Diagram Pdf this chapter describes the interior and exterior lighting system that shall be provided on all car types. drive leds in an automotive lighting application, it is important to consider led priorities, compare circuit design options,. 1 development of the automobile electrical system. an automotive lighting system wiring diagram is a schematic representation of the wiring and. Automotive Lighting System Wiring Diagram Pdf.
From circuitlistgoldschmidt.z19.web.core.windows.net
Automotive Lighting System Circuit Automotive Lighting System Wiring Diagram Pdf Vehicle lighting systems are very important, particularly where road safety is concerned. this chapter describes the interior and exterior lighting system that shall be provided on all car types. an automotive lighting system wiring diagram is a schematic representation of the wiring and components that make up the. 1 development of the automobile electrical system. —. Automotive Lighting System Wiring Diagram Pdf.
From www.nisentra.com
Nissan Sentra Service Manual Wiring diagram Exterior lighting system Automotive Lighting System Wiring Diagram Pdf whether it’s adding fog lights, upgrading the stereo system, or installing a new alarm system, wiring diagrams provide the. an automotive lighting system wiring diagram is a schematic representation of the wiring and components that make up the. Vehicle lighting systems are very important, particularly where road safety is concerned. 1 development of the automobile electrical system.. Automotive Lighting System Wiring Diagram Pdf.
From wiringdiagramall.blogspot.com
Automotive Lighting System Wiring Diagram Automotive Lighting System Wiring Diagram Pdf whether it’s adding fog lights, upgrading the stereo system, or installing a new alarm system, wiring diagrams provide the. this chapter describes the interior and exterior lighting system that shall be provided on all car types. — automotive lighting system wiring diagrams are used in the maintenance and repair of vehicle lighting systems. 1 development of. Automotive Lighting System Wiring Diagram Pdf.
From wiringdiagramall.blogspot.com
Automotive Lighting System Wiring Diagram Automotive Lighting System Wiring Diagram Pdf whether it’s adding fog lights, upgrading the stereo system, or installing a new alarm system, wiring diagrams provide the. an automotive lighting system wiring diagram is a schematic representation of the wiring and components that make up the. this chapter describes the interior and exterior lighting system that shall be provided on all car types. Vehicle lighting. Automotive Lighting System Wiring Diagram Pdf.
From circuitlistgoldschmidt.z19.web.core.windows.net
Automotive Lighting System Circuit Pdf Automotive Lighting System Wiring Diagram Pdf this chapter describes the interior and exterior lighting system that shall be provided on all car types. an automotive lighting system wiring diagram is a schematic representation of the wiring and components that make up the. 1 development of the automobile electrical system. drive leds in an automotive lighting application, it is important to consider led. Automotive Lighting System Wiring Diagram Pdf.
From www.wiringboards.com
Automotive Lighting System Wiring Diagram Wiring Boards Automotive Lighting System Wiring Diagram Pdf whether it’s adding fog lights, upgrading the stereo system, or installing a new alarm system, wiring diagrams provide the. drive leds in an automotive lighting application, it is important to consider led priorities, compare circuit design options,. this chapter describes the interior and exterior lighting system that shall be provided on all car types. — automotive. Automotive Lighting System Wiring Diagram Pdf.
From guidemanualpassu.z13.web.core.windows.net
Automotive Lighting System Wiring Diagram Automotive Lighting System Wiring Diagram Pdf an automotive lighting system wiring diagram is a schematic representation of the wiring and components that make up the. Vehicle lighting systems are very important, particularly where road safety is concerned. — automotive lighting system wiring diagrams are used in the maintenance and repair of vehicle lighting systems. 1 development of the automobile electrical system. this. Automotive Lighting System Wiring Diagram Pdf.
From wiringwiringeisenhauer.z19.web.core.windows.net
Car Lighting System Diagram Automotive Lighting System Wiring Diagram Pdf whether it’s adding fog lights, upgrading the stereo system, or installing a new alarm system, wiring diagrams provide the. this chapter describes the interior and exterior lighting system that shall be provided on all car types. 1 development of the automobile electrical system. Vehicle lighting systems are very important, particularly where road safety is concerned. an. Automotive Lighting System Wiring Diagram Pdf.
From www.wiringdigital.com
Automotive Lighting System Wiring Diagram Wiring Digital and Schematic Automotive Lighting System Wiring Diagram Pdf 1 development of the automobile electrical system. an automotive lighting system wiring diagram is a schematic representation of the wiring and components that make up the. Vehicle lighting systems are very important, particularly where road safety is concerned. whether it’s adding fog lights, upgrading the stereo system, or installing a new alarm system, wiring diagrams provide the.. Automotive Lighting System Wiring Diagram Pdf.
From userdataleominster.z21.web.core.windows.net
Simple Automotive Wiring Diagrams Automotive Lighting System Wiring Diagram Pdf Vehicle lighting systems are very important, particularly where road safety is concerned. 1 development of the automobile electrical system. whether it’s adding fog lights, upgrading the stereo system, or installing a new alarm system, wiring diagrams provide the. this chapter describes the interior and exterior lighting system that shall be provided on all car types. an. Automotive Lighting System Wiring Diagram Pdf.
From userenginepropst.z19.web.core.windows.net
Car Wiring Diagrams Automotive Lighting System Wiring Diagram Pdf an automotive lighting system wiring diagram is a schematic representation of the wiring and components that make up the. drive leds in an automotive lighting application, it is important to consider led priorities, compare circuit design options,. 1 development of the automobile electrical system. — automotive lighting system wiring diagrams are used in the maintenance and. Automotive Lighting System Wiring Diagram Pdf.
From www.circuitdiagram.co
Automotive Lighting System Wiring Diagram Pdf Circuit Diagram Automotive Lighting System Wiring Diagram Pdf 1 development of the automobile electrical system. this chapter describes the interior and exterior lighting system that shall be provided on all car types. an automotive lighting system wiring diagram is a schematic representation of the wiring and components that make up the. whether it’s adding fog lights, upgrading the stereo system, or installing a new. Automotive Lighting System Wiring Diagram Pdf.
From userlibmarkus.z19.web.core.windows.net
1963 Chevrolet Wiring Schematics Automotive Lighting System Wiring Diagram Pdf — automotive lighting system wiring diagrams are used in the maintenance and repair of vehicle lighting systems. drive leds in an automotive lighting application, it is important to consider led priorities, compare circuit design options,. Vehicle lighting systems are very important, particularly where road safety is concerned. this chapter describes the interior and exterior lighting system that. Automotive Lighting System Wiring Diagram Pdf.
From schematiccapraukyho6.z13.web.core.windows.net
Tail Light Wire Diagram Automotive Lighting System Wiring Diagram Pdf drive leds in an automotive lighting application, it is important to consider led priorities, compare circuit design options,. this chapter describes the interior and exterior lighting system that shall be provided on all car types. 1 development of the automobile electrical system. whether it’s adding fog lights, upgrading the stereo system, or installing a new alarm. Automotive Lighting System Wiring Diagram Pdf.
From circuitmanualgrunewald.z21.web.core.windows.net
Simple Automotive Wiring Diagram With A Light Automotive Lighting System Wiring Diagram Pdf — automotive lighting system wiring diagrams are used in the maintenance and repair of vehicle lighting systems. drive leds in an automotive lighting application, it is important to consider led priorities, compare circuit design options,. this chapter describes the interior and exterior lighting system that shall be provided on all car types. Vehicle lighting systems are very. Automotive Lighting System Wiring Diagram Pdf.