Usb Cannot Enable Maybe The Usb Cable Is Bad . Note that the message appears multiple. Could also be a harmless power surge/energy issue during. Maybe the usb cable is bad? Boot a pi 3 b with this sd card, then follow the guide for enabling usb mass storage boot:. That's me unplugging and replugging a device in different places. If just with the 5.5 update try a downgrade to 5.4/the lts kernel. By unplugging an usb device at a time, i’ve narrowed it down to to only happen if i use any usb type c connectors on the pc. Maybe the usb cable is bad? Maybe the usb cable is bad? After replacing my laptop motherboard, i was getting this issue (bad cable) with my thunderbolt 4 cable to my docking. I'm using the dongle to connect my ethernet cable and i could access the internet but it kept printing.
from looneysamet1997.blogspot.com
By unplugging an usb device at a time, i’ve narrowed it down to to only happen if i use any usb type c connectors on the pc. Note that the message appears multiple. Could also be a harmless power surge/energy issue during. Boot a pi 3 b with this sd card, then follow the guide for enabling usb mass storage boot:. If just with the 5.5 update try a downgrade to 5.4/the lts kernel. That's me unplugging and replugging a device in different places. After replacing my laptop motherboard, i was getting this issue (bad cable) with my thunderbolt 4 cable to my docking. Maybe the usb cable is bad? I'm using the dongle to connect my ethernet cable and i could access the internet but it kept printing. Maybe the usb cable is bad?
How To Repair A Broken Usb Cable Looney Samet1997
Usb Cannot Enable Maybe The Usb Cable Is Bad I'm using the dongle to connect my ethernet cable and i could access the internet but it kept printing. By unplugging an usb device at a time, i’ve narrowed it down to to only happen if i use any usb type c connectors on the pc. That's me unplugging and replugging a device in different places. Note that the message appears multiple. I'm using the dongle to connect my ethernet cable and i could access the internet but it kept printing. Maybe the usb cable is bad? After replacing my laptop motherboard, i was getting this issue (bad cable) with my thunderbolt 4 cable to my docking. Maybe the usb cable is bad? Could also be a harmless power surge/energy issue during. If just with the 5.5 update try a downgrade to 5.4/the lts kernel. Boot a pi 3 b with this sd card, then follow the guide for enabling usb mass storage boot:. Maybe the usb cable is bad?
From www.reddit.com
Maybe the USB cable is bad? r/archlinux Usb Cannot Enable Maybe The Usb Cable Is Bad Boot a pi 3 b with this sd card, then follow the guide for enabling usb mass storage boot:. If just with the 5.5 update try a downgrade to 5.4/the lts kernel. Maybe the usb cable is bad? Maybe the usb cable is bad? I'm using the dongle to connect my ethernet cable and i could access the internet but. Usb Cannot Enable Maybe The Usb Cable Is Bad.
From ownthetechnology.com
Here's Why USB Cables go bad?[Answered] OwnTheTechnology Usb Cannot Enable Maybe The Usb Cable Is Bad Maybe the usb cable is bad? Maybe the usb cable is bad? After replacing my laptop motherboard, i was getting this issue (bad cable) with my thunderbolt 4 cable to my docking. That's me unplugging and replugging a device in different places. By unplugging an usb device at a time, i’ve narrowed it down to to only happen if i. Usb Cannot Enable Maybe The Usb Cable Is Bad.
From www.anyrecover.com
Top 8 Ways to Fix "USB Access Denied" Problem in Windows 11/10 Usb Cannot Enable Maybe The Usb Cable Is Bad Could also be a harmless power surge/energy issue during. Boot a pi 3 b with this sd card, then follow the guide for enabling usb mass storage boot:. By unplugging an usb device at a time, i’ve narrowed it down to to only happen if i use any usb type c connectors on the pc. If just with the 5.5. Usb Cannot Enable Maybe The Usb Cable Is Bad.
From github.com
Mikrotik wAP R ac usb usb2port1 Cannot enable. Maybe the USB cable Usb Cannot Enable Maybe The Usb Cable Is Bad Maybe the usb cable is bad? Maybe the usb cable is bad? Note that the message appears multiple. After replacing my laptop motherboard, i was getting this issue (bad cable) with my thunderbolt 4 cable to my docking. I'm using the dongle to connect my ethernet cable and i could access the internet but it kept printing. Maybe the usb. Usb Cannot Enable Maybe The Usb Cable Is Bad.
From www.youtube.com
Micro USB Fix Broken Micro USB Cable!!!!! YouTube Usb Cannot Enable Maybe The Usb Cable Is Bad That's me unplugging and replugging a device in different places. By unplugging an usb device at a time, i’ve narrowed it down to to only happen if i use any usb type c connectors on the pc. Maybe the usb cable is bad? After replacing my laptop motherboard, i was getting this issue (bad cable) with my thunderbolt 4 cable. Usb Cannot Enable Maybe The Usb Cable Is Bad.
From www.youtube.com
How to Fix Problem Ejecting USB Device (this device is currently in use Usb Cannot Enable Maybe The Usb Cable Is Bad I'm using the dongle to connect my ethernet cable and i could access the internet but it kept printing. Boot a pi 3 b with this sd card, then follow the guide for enabling usb mass storage boot:. Note that the message appears multiple. If just with the 5.5 update try a downgrade to 5.4/the lts kernel. That's me unplugging. Usb Cannot Enable Maybe The Usb Cable Is Bad.
From looneysamet1997.blogspot.com
How To Repair A Broken Usb Cable Looney Samet1997 Usb Cannot Enable Maybe The Usb Cable Is Bad If just with the 5.5 update try a downgrade to 5.4/the lts kernel. I'm using the dongle to connect my ethernet cable and i could access the internet but it kept printing. Boot a pi 3 b with this sd card, then follow the guide for enabling usb mass storage boot:. That's me unplugging and replugging a device in different. Usb Cannot Enable Maybe The Usb Cable Is Bad.
From www.youtube.com
Your USBC Cable probably SUCKS! Sooo is that Bad? YouTube Usb Cannot Enable Maybe The Usb Cable Is Bad I'm using the dongle to connect my ethernet cable and i could access the internet but it kept printing. Maybe the usb cable is bad? By unplugging an usb device at a time, i’ve narrowed it down to to only happen if i use any usb type c connectors on the pc. Could also be a harmless power surge/energy issue. Usb Cannot Enable Maybe The Usb Cable Is Bad.
From null-byte.wonderhowto.com
How to Make Your Own Bad USB « Null Byte Usb Cannot Enable Maybe The Usb Cable Is Bad Boot a pi 3 b with this sd card, then follow the guide for enabling usb mass storage boot:. Could also be a harmless power surge/energy issue during. Maybe the usb cable is bad? After replacing my laptop motherboard, i was getting this issue (bad cable) with my thunderbolt 4 cable to my docking. I'm using the dongle to connect. Usb Cannot Enable Maybe The Usb Cable Is Bad.
From www.reddit.com
usb usb1port5 Cannot enable. Maybe the USB cable is bad? r/linuxmint Usb Cannot Enable Maybe The Usb Cable Is Bad Could also be a harmless power surge/energy issue during. After replacing my laptop motherboard, i was getting this issue (bad cable) with my thunderbolt 4 cable to my docking. Note that the message appears multiple. Maybe the usb cable is bad? Maybe the usb cable is bad? Maybe the usb cable is bad? By unplugging an usb device at a. Usb Cannot Enable Maybe The Usb Cable Is Bad.
From www.youtube.com
How to fix USB device not recognizedUSB or Flash Drive not working in Usb Cannot Enable Maybe The Usb Cable Is Bad I'm using the dongle to connect my ethernet cable and i could access the internet but it kept printing. Could also be a harmless power surge/energy issue during. Maybe the usb cable is bad? That's me unplugging and replugging a device in different places. Boot a pi 3 b with this sd card, then follow the guide for enabling usb. Usb Cannot Enable Maybe The Usb Cable Is Bad.
From www.youtube.com
How To Resolve Usb Device Not Recognized Errors In Windows 10 YouTube Usb Cannot Enable Maybe The Usb Cable Is Bad That's me unplugging and replugging a device in different places. After replacing my laptop motherboard, i was getting this issue (bad cable) with my thunderbolt 4 cable to my docking. Maybe the usb cable is bad? If just with the 5.5 update try a downgrade to 5.4/the lts kernel. Boot a pi 3 b with this sd card, then follow. Usb Cannot Enable Maybe The Usb Cable Is Bad.
From techjaja.com
How to avoid using a bad USBC cable Techjaja Usb Cannot Enable Maybe The Usb Cable Is Bad By unplugging an usb device at a time, i’ve narrowed it down to to only happen if i use any usb type c connectors on the pc. After replacing my laptop motherboard, i was getting this issue (bad cable) with my thunderbolt 4 cable to my docking. I'm using the dongle to connect my ethernet cable and i could access. Usb Cannot Enable Maybe The Usb Cable Is Bad.
From www.reddit.com
Nonreversible USB 2.0 warnings on USBC cables bad cables or Usb Cannot Enable Maybe The Usb Cable Is Bad Note that the message appears multiple. Maybe the usb cable is bad? I'm using the dongle to connect my ethernet cable and i could access the internet but it kept printing. Could also be a harmless power surge/energy issue during. Maybe the usb cable is bad? Maybe the usb cable is bad? That's me unplugging and replugging a device in. Usb Cannot Enable Maybe The Usb Cable Is Bad.
From www.youtube.com
Working Solution for USB Drive Not Showing Up / USB Device not Usb Cannot Enable Maybe The Usb Cable Is Bad After replacing my laptop motherboard, i was getting this issue (bad cable) with my thunderbolt 4 cable to my docking. By unplugging an usb device at a time, i’ve narrowed it down to to only happen if i use any usb type c connectors on the pc. That's me unplugging and replugging a device in different places. Note that the. Usb Cannot Enable Maybe The Usb Cable Is Bad.
From odysee.com
Broken USB cable repair Usb Cannot Enable Maybe The Usb Cable Is Bad If just with the 5.5 update try a downgrade to 5.4/the lts kernel. Maybe the usb cable is bad? I'm using the dongle to connect my ethernet cable and i could access the internet but it kept printing. Maybe the usb cable is bad? After replacing my laptop motherboard, i was getting this issue (bad cable) with my thunderbolt 4. Usb Cannot Enable Maybe The Usb Cable Is Bad.
From blog.csdn.net
安装centos报错usb2port3 Cannot enable. Maybe the USB cable is bad?的垃圾解决办法 Usb Cannot Enable Maybe The Usb Cable Is Bad Maybe the usb cable is bad? After replacing my laptop motherboard, i was getting this issue (bad cable) with my thunderbolt 4 cable to my docking. That's me unplugging and replugging a device in different places. Note that the message appears multiple. If just with the 5.5 update try a downgrade to 5.4/the lts kernel. Could also be a harmless. Usb Cannot Enable Maybe The Usb Cable Is Bad.
From www.youtube.com
How to fix and strengthen a damaged USB charging cable and make it last Usb Cannot Enable Maybe The Usb Cable Is Bad After replacing my laptop motherboard, i was getting this issue (bad cable) with my thunderbolt 4 cable to my docking. Boot a pi 3 b with this sd card, then follow the guide for enabling usb mass storage boot:. Maybe the usb cable is bad? Note that the message appears multiple. That's me unplugging and replugging a device in different. Usb Cannot Enable Maybe The Usb Cable Is Bad.
From www.youtube.com
How To Fix This Device Couldn't Switch Problem Solve In USB Settings Usb Cannot Enable Maybe The Usb Cable Is Bad I'm using the dongle to connect my ethernet cable and i could access the internet but it kept printing. Note that the message appears multiple. Could also be a harmless power surge/energy issue during. By unplugging an usb device at a time, i’ve narrowed it down to to only happen if i use any usb type c connectors on the. Usb Cannot Enable Maybe The Usb Cable Is Bad.
From www.usbmemorydirect.com
4 Tips To Fix the USB Not Recognized Error Usb Cannot Enable Maybe The Usb Cable Is Bad Note that the message appears multiple. If just with the 5.5 update try a downgrade to 5.4/the lts kernel. Maybe the usb cable is bad? After replacing my laptop motherboard, i was getting this issue (bad cable) with my thunderbolt 4 cable to my docking. Could also be a harmless power surge/energy issue during. By unplugging an usb device at. Usb Cannot Enable Maybe The Usb Cable Is Bad.
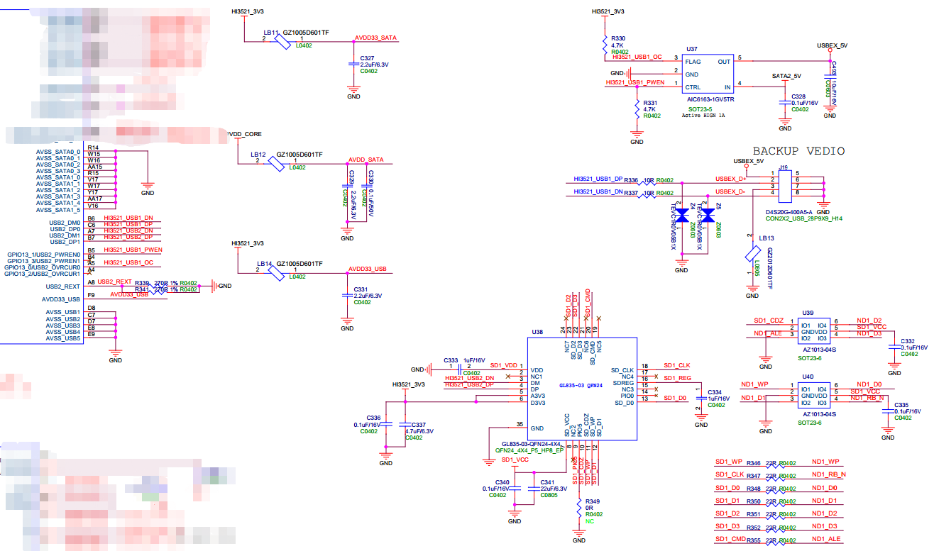
From blog.csdn.net
Hi3521DV100 USB无法识别问题分析_cannot enable. maybe the usb cable is bad?CSDN博客 Usb Cannot Enable Maybe The Usb Cable Is Bad Could also be a harmless power surge/energy issue during. Maybe the usb cable is bad? Maybe the usb cable is bad? I'm using the dongle to connect my ethernet cable and i could access the internet but it kept printing. Boot a pi 3 b with this sd card, then follow the guide for enabling usb mass storage boot:. By. Usb Cannot Enable Maybe The Usb Cable Is Bad.
From github.com
Continuous Linux kernel message "Cannot enable. Maybe the USB cable is Usb Cannot Enable Maybe The Usb Cable Is Bad If just with the 5.5 update try a downgrade to 5.4/the lts kernel. Maybe the usb cable is bad? Note that the message appears multiple. Maybe the usb cable is bad? By unplugging an usb device at a time, i’ve narrowed it down to to only happen if i use any usb type c connectors on the pc. Maybe the. Usb Cannot Enable Maybe The Usb Cable Is Bad.
From null-byte.wonderhowto.com
How to Make Your Own Bad USB « Null Byte Usb Cannot Enable Maybe The Usb Cable Is Bad Boot a pi 3 b with this sd card, then follow the guide for enabling usb mass storage boot:. That's me unplugging and replugging a device in different places. By unplugging an usb device at a time, i’ve narrowed it down to to only happen if i use any usb type c connectors on the pc. I'm using the dongle. Usb Cannot Enable Maybe The Usb Cable Is Bad.
From www.youtube.com
How To Fix USB Flash Drive Not Showing Up Windows 11/10/8/7 USB Not Usb Cannot Enable Maybe The Usb Cable Is Bad I'm using the dongle to connect my ethernet cable and i could access the internet but it kept printing. Maybe the usb cable is bad? After replacing my laptop motherboard, i was getting this issue (bad cable) with my thunderbolt 4 cable to my docking. Boot a pi 3 b with this sd card, then follow the guide for enabling. Usb Cannot Enable Maybe The Usb Cable Is Bad.
From github.com
Cannot enable. Maybe the USB cable is bad? · Issue 4031 · raspberrypi Usb Cannot Enable Maybe The Usb Cable Is Bad Maybe the usb cable is bad? That's me unplugging and replugging a device in different places. If just with the 5.5 update try a downgrade to 5.4/the lts kernel. Note that the message appears multiple. After replacing my laptop motherboard, i was getting this issue (bad cable) with my thunderbolt 4 cable to my docking. I'm using the dongle to. Usb Cannot Enable Maybe The Usb Cable Is Bad.
From blog.csdn.net
Hi3521DV100 USB无法识别问题分析_cannot enable. maybe the usb cable is bad?CSDN博客 Usb Cannot Enable Maybe The Usb Cable Is Bad Could also be a harmless power surge/energy issue during. That's me unplugging and replugging a device in different places. Boot a pi 3 b with this sd card, then follow the guide for enabling usb mass storage boot:. After replacing my laptop motherboard, i was getting this issue (bad cable) with my thunderbolt 4 cable to my docking. I'm using. Usb Cannot Enable Maybe The Usb Cable Is Bad.
From fstoppers.com
The Dangers of Using the Wrong USB Cable on Your Various Electronics Usb Cannot Enable Maybe The Usb Cable Is Bad Maybe the usb cable is bad? Maybe the usb cable is bad? That's me unplugging and replugging a device in different places. If just with the 5.5 update try a downgrade to 5.4/the lts kernel. By unplugging an usb device at a time, i’ve narrowed it down to to only happen if i use any usb type c connectors on. Usb Cannot Enable Maybe The Usb Cable Is Bad.
From www.reddit.com
'Usb11port6 Cannot enable. Maybe the USB cable is bad? ' 'usb 11.6 Usb Cannot Enable Maybe The Usb Cable Is Bad After replacing my laptop motherboard, i was getting this issue (bad cable) with my thunderbolt 4 cable to my docking. Could also be a harmless power surge/energy issue during. That's me unplugging and replugging a device in different places. By unplugging an usb device at a time, i’ve narrowed it down to to only happen if i use any usb. Usb Cannot Enable Maybe The Usb Cable Is Bad.
From newscrewdriver.com
Seagate Backup+ Hub External Drive 8TB (SRD0PV1) Teardown New Screwdriver Usb Cannot Enable Maybe The Usb Cable Is Bad If just with the 5.5 update try a downgrade to 5.4/the lts kernel. Maybe the usb cable is bad? Maybe the usb cable is bad? That's me unplugging and replugging a device in different places. Note that the message appears multiple. Could also be a harmless power surge/energy issue during. Boot a pi 3 b with this sd card, then. Usb Cannot Enable Maybe The Usb Cable Is Bad.
From www.youtube.com
2024 Fix USB Not Working in Windows 10 YouTube Usb Cannot Enable Maybe The Usb Cable Is Bad Boot a pi 3 b with this sd card, then follow the guide for enabling usb mass storage boot:. Note that the message appears multiple. I'm using the dongle to connect my ethernet cable and i could access the internet but it kept printing. If just with the 5.5 update try a downgrade to 5.4/the lts kernel. Maybe the usb. Usb Cannot Enable Maybe The Usb Cable Is Bad.
From quickfever.com
How To Fix Loose USB Cable at Your Home Usb Cannot Enable Maybe The Usb Cable Is Bad Boot a pi 3 b with this sd card, then follow the guide for enabling usb mass storage boot:. After replacing my laptop motherboard, i was getting this issue (bad cable) with my thunderbolt 4 cable to my docking. I'm using the dongle to connect my ethernet cable and i could access the internet but it kept printing. Could also. Usb Cannot Enable Maybe The Usb Cable Is Bad.
From counterespionage.com
Malicious USB Cables USB Hacking Cables Murray Associates Usb Cannot Enable Maybe The Usb Cable Is Bad Maybe the usb cable is bad? Could also be a harmless power surge/energy issue during. Boot a pi 3 b with this sd card, then follow the guide for enabling usb mass storage boot:. If just with the 5.5 update try a downgrade to 5.4/the lts kernel. Maybe the usb cable is bad? By unplugging an usb device at a. Usb Cannot Enable Maybe The Usb Cable Is Bad.
From blog.csdn.net
安装centos报错usb2port3 Cannot enable. Maybe the USB cable is bad?的垃圾解决办法 Usb Cannot Enable Maybe The Usb Cable Is Bad After replacing my laptop motherboard, i was getting this issue (bad cable) with my thunderbolt 4 cable to my docking. Maybe the usb cable is bad? That's me unplugging and replugging a device in different places. If just with the 5.5 update try a downgrade to 5.4/the lts kernel. Note that the message appears multiple. Could also be a harmless. Usb Cannot Enable Maybe The Usb Cable Is Bad.
From www.youtube.com
How to Fix Cannot Recognize the USB Connection by Printer 100 Works Usb Cannot Enable Maybe The Usb Cable Is Bad Maybe the usb cable is bad? That's me unplugging and replugging a device in different places. I'm using the dongle to connect my ethernet cable and i could access the internet but it kept printing. Maybe the usb cable is bad? Could also be a harmless power surge/energy issue during. Note that the message appears multiple. Boot a pi 3. Usb Cannot Enable Maybe The Usb Cable Is Bad.
From forum.openwrt.org
Netgear R7800 Cannot enable. Maybe the USB cable is bad? Installing Usb Cannot Enable Maybe The Usb Cable Is Bad Could also be a harmless power surge/energy issue during. Maybe the usb cable is bad? That's me unplugging and replugging a device in different places. After replacing my laptop motherboard, i was getting this issue (bad cable) with my thunderbolt 4 cable to my docking. Maybe the usb cable is bad? If just with the 5.5 update try a downgrade. Usb Cannot Enable Maybe The Usb Cable Is Bad.