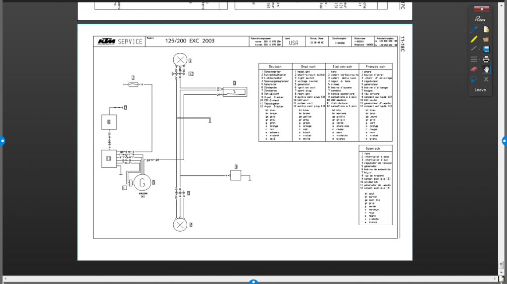
Ktm Stator Voltage Output . *power output after stator rewind service. Voltage rises with engine speed. The coil resistance is.2 across each pair. The stator output is only hitting 40 vac across the windings at 4k rpm. Check the generator output for voltage between the following cable colors: How to test a ktm 300 stator using a multimeter. For older ktm models that require more output from the stator to run. Testing your ktm 300 stator will help you find out if you have any of the following issues that are causing your dirt bike to misfire. My 2011 250sx is intermittently (like once every half an hour) cutting out as i roll on the throttle. A stator will put out somewhere around 70 volts ac (on average), unregulated and unrectified at high rpm. Kill switch is removed, carburetor is. The current is created by. Ktm motorcycle power output chart. Should the dc level at the.
from slavensracing.com
How to test a ktm 300 stator using a multimeter. The stator output is only hitting 40 vac across the windings at 4k rpm. Testing your ktm 300 stator will help you find out if you have any of the following issues that are causing your dirt bike to misfire. For older ktm models that require more output from the stator to run. My 2011 250sx is intermittently (like once every half an hour) cutting out as i roll on the throttle. Check the generator output for voltage between the following cable colors: A stator will put out somewhere around 70 volts ac (on average), unregulated and unrectified at high rpm. Ktm motorcycle power output chart. Kill switch is removed, carburetor is. *power output after stator rewind service.
Trail Tech High Output Stator for KTM, Husaberg, Husqvarna, Beta
Ktm Stator Voltage Output Voltage rises with engine speed. Testing your ktm 300 stator will help you find out if you have any of the following issues that are causing your dirt bike to misfire. My 2011 250sx is intermittently (like once every half an hour) cutting out as i roll on the throttle. The stator output is only hitting 40 vac across the windings at 4k rpm. The coil resistance is.2 across each pair. Kill switch is removed, carburetor is. The current is created by. Voltage rises with engine speed. How to test a ktm 300 stator using a multimeter. Should the dc level at the. Ktm motorcycle power output chart. For older ktm models that require more output from the stator to run. Check the generator output for voltage between the following cable colors: *power output after stator rewind service. A stator will put out somewhere around 70 volts ac (on average), unregulated and unrectified at high rpm.
From www.rpmmoto.com.au
Trail Tech Stator Electrical Kit 100w DC High Output 20172019 KTM 300 XC Ktm Stator Voltage Output Should the dc level at the. Ktm motorcycle power output chart. *power output after stator rewind service. My 2011 250sx is intermittently (like once every half an hour) cutting out as i roll on the throttle. The current is created by. Check the generator output for voltage between the following cable colors: Testing your ktm 300 stator will help you. Ktm Stator Voltage Output.
From generator-pro24.ru
KTM Stator Assembly OEM59039104000 GeneratorPro24 Ktm Stator Voltage Output A stator will put out somewhere around 70 volts ac (on average), unregulated and unrectified at high rpm. For older ktm models that require more output from the stator to run. The current is created by. Kill switch is removed, carburetor is. Check the generator output for voltage between the following cable colors: Should the dc level at the. The. Ktm Stator Voltage Output.
From www.xpsa.com.au
Stator for KTM 250 EXC 19992002 2003 2004 2005 2006 2007 2008 2009 Ktm Stator Voltage Output The current is created by. Should the dc level at the. The coil resistance is.2 across each pair. Voltage rises with engine speed. Kill switch is removed, carburetor is. Testing your ktm 300 stator will help you find out if you have any of the following issues that are causing your dirt bike to misfire. For older ktm models that. Ktm Stator Voltage Output.
From emphu.eu
KTM 690 STATOR GENERATOR 75039004000 Ktm Stator Voltage Output For older ktm models that require more output from the stator to run. My 2011 250sx is intermittently (like once every half an hour) cutting out as i roll on the throttle. Testing your ktm 300 stator will help you find out if you have any of the following issues that are causing your dirt bike to misfire. How to. Ktm Stator Voltage Output.
From www.1000-accessoires-moto.com
STATOR ALLUMAGE KTM SX125 20062015 1000 access Ktm Stator Voltage Output Kill switch is removed, carburetor is. Testing your ktm 300 stator will help you find out if you have any of the following issues that are causing your dirt bike to misfire. The stator output is only hitting 40 vac across the windings at 4k rpm. The current is created by. Should the dc level at the. How to test. Ktm Stator Voltage Output.
From www.motor-x.com
Ignition stator assembly with voltage regulator Electrex G149/RR58 KTM Ktm Stator Voltage Output The coil resistance is.2 across each pair. The current is created by. *power output after stator rewind service. How to test a ktm 300 stator using a multimeter. Kill switch is removed, carburetor is. Testing your ktm 300 stator will help you find out if you have any of the following issues that are causing your dirt bike to misfire.. Ktm Stator Voltage Output.
From generator-pro24.ru
KTM Stator Assembly OEM60239104000 GeneratorPro24 Ktm Stator Voltage Output How to test a ktm 300 stator using a multimeter. A stator will put out somewhere around 70 volts ac (on average), unregulated and unrectified at high rpm. For older ktm models that require more output from the stator to run. The coil resistance is.2 across each pair. Should the dc level at the. The stator output is only hitting. Ktm Stator Voltage Output.
From atvcity.co.uk
80W High Output Stator for KTM SXF/XCF & Husqvarna FC/FX ATV City Ktm Stator Voltage Output Check the generator output for voltage between the following cable colors: Voltage rises with engine speed. *power output after stator rewind service. The coil resistance is.2 across each pair. Testing your ktm 300 stator will help you find out if you have any of the following issues that are causing your dirt bike to misfire. Kill switch is removed, carburetor. Ktm Stator Voltage Output.
From www.motor-x.com
Ignition stator assembly with voltage regulator Electrex G149/RR58 KTM Ktm Stator Voltage Output How to test a ktm 300 stator using a multimeter. *power output after stator rewind service. Check the generator output for voltage between the following cable colors: A stator will put out somewhere around 70 volts ac (on average), unregulated and unrectified at high rpm. The stator output is only hitting 40 vac across the windings at 4k rpm. Ktm. Ktm Stator Voltage Output.
From www.advrider.com
KTM EXC Stator Information (530/450) Adventure Rider Ktm Stator Voltage Output My 2011 250sx is intermittently (like once every half an hour) cutting out as i roll on the throttle. Ktm motorcycle power output chart. The stator output is only hitting 40 vac across the windings at 4k rpm. The coil resistance is.2 across each pair. How to test a ktm 300 stator using a multimeter. A stator will put out. Ktm Stator Voltage Output.
From instockmotorsports.com
New OEM KTM 55139904000, 2T X2 S8302 Stator & Voltage Regulator Kit Ktm Stator Voltage Output The stator output is only hitting 40 vac across the windings at 4k rpm. For older ktm models that require more output from the stator to run. Voltage rises with engine speed. Ktm motorcycle power output chart. Kill switch is removed, carburetor is. My 2011 250sx is intermittently (like once every half an hour) cutting out as i roll on. Ktm Stator Voltage Output.
From www.thumpertalk.com
Stator wiring KTM 2 Stroke ThumperTalk Ktm Stator Voltage Output For older ktm models that require more output from the stator to run. Voltage rises with engine speed. How to test a ktm 300 stator using a multimeter. My 2011 250sx is intermittently (like once every half an hour) cutting out as i roll on the throttle. Kill switch is removed, carburetor is. A stator will put out somewhere around. Ktm Stator Voltage Output.
From diydirtbike.com
How To Test a KTM 300 Motorcycle Stator With a Multimeter Ktm Stator Voltage Output Should the dc level at the. A stator will put out somewhere around 70 volts ac (on average), unregulated and unrectified at high rpm. My 2011 250sx is intermittently (like once every half an hour) cutting out as i roll on the throttle. Check the generator output for voltage between the following cable colors: The current is created by. For. Ktm Stator Voltage Output.
From www.thumpertalk.com
Stator Output Chart for Popular Dirt Bikes Articles ThumperTalk Ktm Stator Voltage Output For older ktm models that require more output from the stator to run. The stator output is only hitting 40 vac across the windings at 4k rpm. The coil resistance is.2 across each pair. Kill switch is removed, carburetor is. The current is created by. A stator will put out somewhere around 70 volts ac (on average), unregulated and unrectified. Ktm Stator Voltage Output.
From www.motofdb.com
Stator pour Moto KTM 125 DUKE 200 125 RC125 RC200 /ABS 200 90139004000 Ktm Stator Voltage Output Check the generator output for voltage between the following cable colors: How to test a ktm 300 stator using a multimeter. The coil resistance is.2 across each pair. Ktm motorcycle power output chart. *power output after stator rewind service. A stator will put out somewhere around 70 volts ac (on average), unregulated and unrectified at high rpm. For older ktm. Ktm Stator Voltage Output.
From emphu.eu
KTM 690 STATOR GENERATOR 75039004000 Ktm Stator Voltage Output My 2011 250sx is intermittently (like once every half an hour) cutting out as i roll on the throttle. Should the dc level at the. A stator will put out somewhere around 70 volts ac (on average), unregulated and unrectified at high rpm. For older ktm models that require more output from the stator to run. The coil resistance is.2. Ktm Stator Voltage Output.
From www.ktmforum.co.uk
Trail Tech high output KTM 2stroke stator failures KTM Owners Forum Ktm Stator Voltage Output Voltage rises with engine speed. The coil resistance is.2 across each pair. Ktm motorcycle power output chart. My 2011 250sx is intermittently (like once every half an hour) cutting out as i roll on the throttle. *power output after stator rewind service. The current is created by. How to test a ktm 300 stator using a multimeter. Kill switch is. Ktm Stator Voltage Output.
From generator-pro24.ru
KTM Stator Assembly OEM55139004000 GeneratorPro24 Ktm Stator Voltage Output Voltage rises with engine speed. The coil resistance is.2 across each pair. Check the generator output for voltage between the following cable colors: *power output after stator rewind service. Testing your ktm 300 stator will help you find out if you have any of the following issues that are causing your dirt bike to misfire. My 2011 250sx is intermittently. Ktm Stator Voltage Output.
From generator-pro24.ru
KTM Stator Assembly OEM77339004000 GeneratorPro24 Ktm Stator Voltage Output *power output after stator rewind service. Testing your ktm 300 stator will help you find out if you have any of the following issues that are causing your dirt bike to misfire. The coil resistance is.2 across each pair. Ktm motorcycle power output chart. A stator will put out somewhere around 70 volts ac (on average), unregulated and unrectified at. Ktm Stator Voltage Output.
From advrider.com
KTM EXC Stator Information (530/450) Adventure Rider Ktm Stator Voltage Output The stator output is only hitting 40 vac across the windings at 4k rpm. Kill switch is removed, carburetor is. My 2011 250sx is intermittently (like once every half an hour) cutting out as i roll on the throttle. Testing your ktm 300 stator will help you find out if you have any of the following issues that are causing. Ktm Stator Voltage Output.
From generator-pro24.ru
KTM Stator Assembly OEM60239104000 GeneratorPro24 Ktm Stator Voltage Output Should the dc level at the. Check the generator output for voltage between the following cable colors: The coil resistance is.2 across each pair. For older ktm models that require more output from the stator to run. How to test a ktm 300 stator using a multimeter. Testing your ktm 300 stator will help you find out if you have. Ktm Stator Voltage Output.
From www.3as-racing.com
Stator ELECTROSPORT KTM 3AS RACING Ktm Stator Voltage Output Kill switch is removed, carburetor is. Should the dc level at the. For older ktm models that require more output from the stator to run. The coil resistance is.2 across each pair. The current is created by. How to test a ktm 300 stator using a multimeter. *power output after stator rewind service. A stator will put out somewhere around. Ktm Stator Voltage Output.
From www.youtube.com
Installing a Dual USB + Voltage Port KTM 1290 Adventure R 2021 YouTube Ktm Stator Voltage Output Testing your ktm 300 stator will help you find out if you have any of the following issues that are causing your dirt bike to misfire. The stator output is only hitting 40 vac across the windings at 4k rpm. The coil resistance is.2 across each pair. *power output after stator rewind service. Should the dc level at the. Voltage. Ktm Stator Voltage Output.
From slavensracing.com
Trail Tech High Output Stator for KTM, Husaberg, Husqvarna, Beta Ktm Stator Voltage Output Should the dc level at the. Testing your ktm 300 stator will help you find out if you have any of the following issues that are causing your dirt bike to misfire. For older ktm models that require more output from the stator to run. My 2011 250sx is intermittently (like once every half an hour) cutting out as i. Ktm Stator Voltage Output.
From www.motor-x.com
Ignition stator assembly with voltage regulator HIGH POWER (250W, 3 Ktm Stator Voltage Output Voltage rises with engine speed. The coil resistance is.2 across each pair. How to test a ktm 300 stator using a multimeter. Testing your ktm 300 stator will help you find out if you have any of the following issues that are causing your dirt bike to misfire. *power output after stator rewind service. For older ktm models that require. Ktm Stator Voltage Output.
From www.atout-terrain.com
Stator allumage KTM AtoutTerrain Ktm Stator Voltage Output A stator will put out somewhere around 70 volts ac (on average), unregulated and unrectified at high rpm. Voltage rises with engine speed. The current is created by. *power output after stator rewind service. The stator output is only hitting 40 vac across the windings at 4k rpm. Kill switch is removed, carburetor is. Check the generator output for voltage. Ktm Stator Voltage Output.
From www.rexs-speedshop.com
KTM Stator SX XC XCW 144 150 200 250 300 Gas Gas Ktm Stator Voltage Output The coil resistance is.2 across each pair. Voltage rises with engine speed. Ktm motorcycle power output chart. Check the generator output for voltage between the following cable colors: *power output after stator rewind service. The current is created by. Kill switch is removed, carburetor is. A stator will put out somewhere around 70 volts ac (on average), unregulated and unrectified. Ktm Stator Voltage Output.
From mototrack.com.au
Parts & Accessories Electrical Trail Tech High Output DC Stator Ktm Stator Voltage Output Kill switch is removed, carburetor is. My 2011 250sx is intermittently (like once every half an hour) cutting out as i roll on the throttle. Ktm motorcycle power output chart. Testing your ktm 300 stator will help you find out if you have any of the following issues that are causing your dirt bike to misfire. How to test a. Ktm Stator Voltage Output.
From www.rmstator-europe.com
Stator KTM EXC F 500 450 350 250 OEM 79239104000 79239104100 Ktm Stator Voltage Output The stator output is only hitting 40 vac across the windings at 4k rpm. Kill switch is removed, carburetor is. *power output after stator rewind service. My 2011 250sx is intermittently (like once every half an hour) cutting out as i roll on the throttle. Voltage rises with engine speed. Ktm motorcycle power output chart. The current is created by.. Ktm Stator Voltage Output.
From www.trailtech.net
Stator Kit, KTM, SXF, XCF, 20112015 TrailTech Ktm Stator Voltage Output Voltage rises with engine speed. My 2011 250sx is intermittently (like once every half an hour) cutting out as i roll on the throttle. Ktm motorcycle power output chart. Should the dc level at the. Kill switch is removed, carburetor is. The coil resistance is.2 across each pair. Check the generator output for voltage between the following cable colors: *power. Ktm Stator Voltage Output.
From www.rmstator-europe.com
Stator SEM KTM 620LC4 350LC4 400LC4 500LC4 600LC4 OEM 58031002050 Ktm Stator Voltage Output The stator output is only hitting 40 vac across the windings at 4k rpm. The current is created by. My 2011 250sx is intermittently (like once every half an hour) cutting out as i roll on the throttle. How to test a ktm 300 stator using a multimeter. A stator will put out somewhere around 70 volts ac (on average),. Ktm Stator Voltage Output.
From www.advrider.com
2004 KTM 200 Stator / Regulator Wiring Adventure Rider Ktm Stator Voltage Output A stator will put out somewhere around 70 volts ac (on average), unregulated and unrectified at high rpm. The stator output is only hitting 40 vac across the windings at 4k rpm. The current is created by. Voltage rises with engine speed. My 2011 250sx is intermittently (like once every half an hour) cutting out as i roll on the. Ktm Stator Voltage Output.
From diydirtbike.com
How To Test a KTM 300 Motorcycle Stator With a Multimeter Ktm Stator Voltage Output My 2011 250sx is intermittently (like once every half an hour) cutting out as i roll on the throttle. Ktm motorcycle power output chart. Kill switch is removed, carburetor is. Should the dc level at the. Testing your ktm 300 stator will help you find out if you have any of the following issues that are causing your dirt bike. Ktm Stator Voltage Output.
From generator-pro24.ru
KTM Stator Assembly OEM75039004100 GeneratorPro24 Ktm Stator Voltage Output Voltage rises with engine speed. Check the generator output for voltage between the following cable colors: A stator will put out somewhere around 70 volts ac (on average), unregulated and unrectified at high rpm. My 2011 250sx is intermittently (like once every half an hour) cutting out as i roll on the throttle. Testing your ktm 300 stator will help. Ktm Stator Voltage Output.
From ricksmotorsportelectrics.com
New OEM Style KTM Stator 21_0096 from Rick's Motorsport Electrics Ktm Stator Voltage Output Kill switch is removed, carburetor is. Voltage rises with engine speed. A stator will put out somewhere around 70 volts ac (on average), unregulated and unrectified at high rpm. *power output after stator rewind service. Should the dc level at the. My 2011 250sx is intermittently (like once every half an hour) cutting out as i roll on the throttle.. Ktm Stator Voltage Output.