Turn Signal Flasher Will Not Work . The hazard warning flasher and turn signal flasher. Left or right turn signals or the hazard warning light not working properly. If your turn signal isn’t working, the first step is to verify the bulb’s connectivity and darkness. Here's how to fix both of those. The most common symptom of a bad or failing turn signal / hazard flasher is hazards or turn signal lights that do not function. Start by checking the blinking frequency of the turn signal. If your turn signal stays permanently on instead of flashing on and off, it could be a sign that the relay has gone. Turn signal relay stays on. Look out for signs like fast blinking lights or no blinking at. Constantly on lights suggest a faulty flasher relay—promptly check and replace it. If your turn singles are not working, it could be either a bulb issue or a relay flasher problem. If your turn signals aren’t working correctly, start by locating the turn signal relay near the fuse box—it’s easy to access.
from 2020cadillac.com
If your turn signal stays permanently on instead of flashing on and off, it could be a sign that the relay has gone. If your turn singles are not working, it could be either a bulb issue or a relay flasher problem. If your turn signals aren’t working correctly, start by locating the turn signal relay near the fuse box—it’s easy to access. Turn signal relay stays on. If your turn signal isn’t working, the first step is to verify the bulb’s connectivity and darkness. The most common symptom of a bad or failing turn signal / hazard flasher is hazards or turn signal lights that do not function. Constantly on lights suggest a faulty flasher relay—promptly check and replace it. Look out for signs like fast blinking lights or no blinking at. Here's how to fix both of those. Start by checking the blinking frequency of the turn signal.
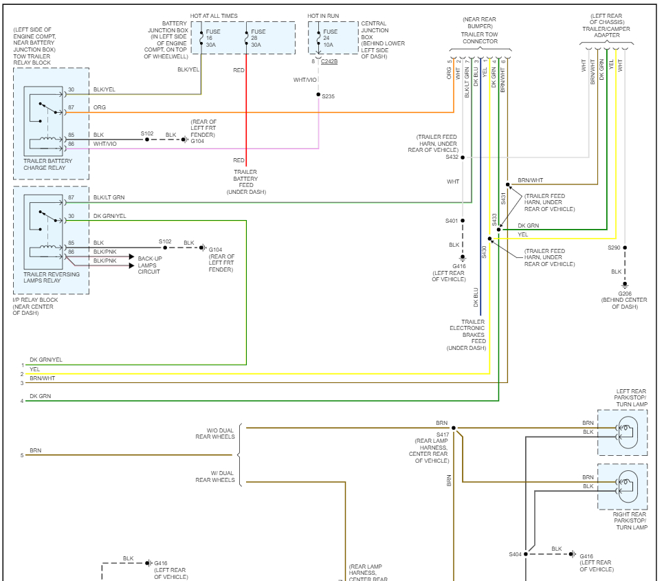
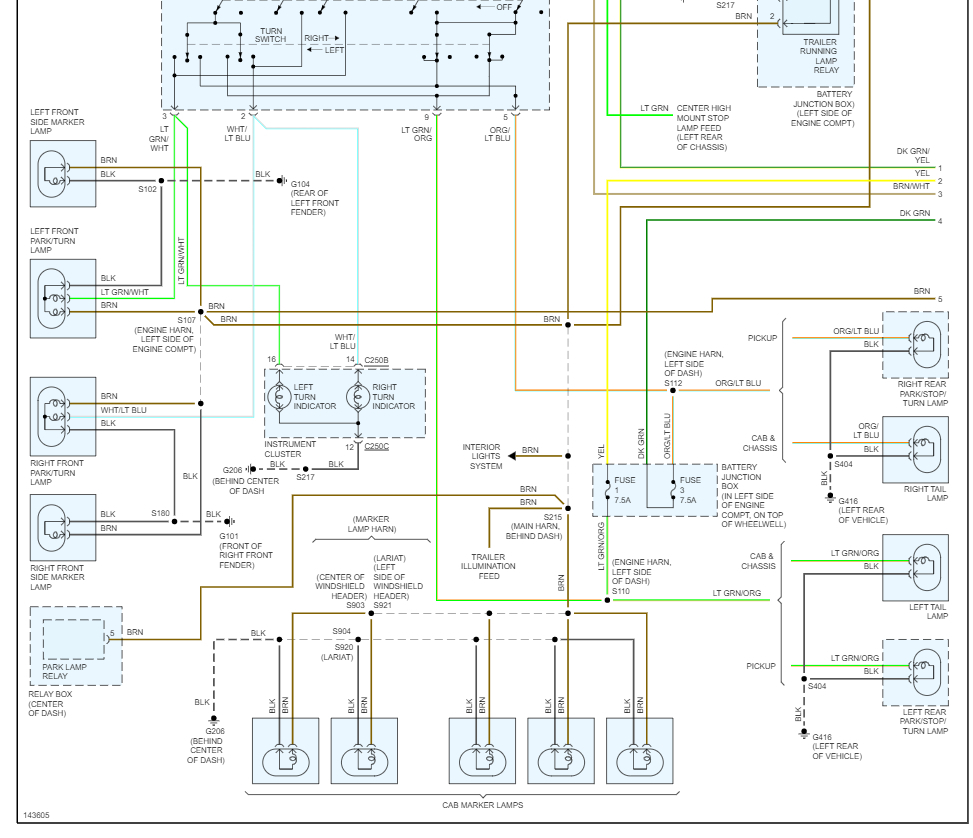
Flashers And Hazards Turn Signal Flasher Wiring Diagram Cadician's Blog
Turn Signal Flasher Will Not Work If your turn signal isn’t working, the first step is to verify the bulb’s connectivity and darkness. If your turn signal stays permanently on instead of flashing on and off, it could be a sign that the relay has gone. Left or right turn signals or the hazard warning light not working properly. Start by checking the blinking frequency of the turn signal. The hazard warning flasher and turn signal flasher. If your turn signals aren’t working correctly, start by locating the turn signal relay near the fuse box—it’s easy to access. Here's how to fix both of those. The most common symptom of a bad or failing turn signal / hazard flasher is hazards or turn signal lights that do not function. If your turn singles are not working, it could be either a bulb issue or a relay flasher problem. Look out for signs like fast blinking lights or no blinking at. If your turn signal isn’t working, the first step is to verify the bulb’s connectivity and darkness. Turn signal relay stays on. Constantly on lights suggest a faulty flasher relay—promptly check and replace it.
From www.2carpros.com
Turn Signals & Emergency Flasher Not Working Electrical Problem 6... Turn Signal Flasher Will Not Work If your turn signal stays permanently on instead of flashing on and off, it could be a sign that the relay has gone. If your turn singles are not working, it could be either a bulb issue or a relay flasher problem. Look out for signs like fast blinking lights or no blinking at. The most common symptom of a. Turn Signal Flasher Will Not Work.
From www.2carpros.com
Turn Signals and Flashers Not Working? My Turn Signals and Turn Signal Flasher Will Not Work Left or right turn signals or the hazard warning light not working properly. Look out for signs like fast blinking lights or no blinking at. If your turn signals aren’t working correctly, start by locating the turn signal relay near the fuse box—it’s easy to access. Here's how to fix both of those. The hazard warning flasher and turn signal. Turn Signal Flasher Will Not Work.
From www.2carpros.com
Turn Signal/hazard Flasher Not Working the Turn Signals and Turn Signal Flasher Will Not Work If your turn signal isn’t working, the first step is to verify the bulb’s connectivity and darkness. Start by checking the blinking frequency of the turn signal. If your turn singles are not working, it could be either a bulb issue or a relay flasher problem. Here's how to fix both of those. If your turn signals aren’t working correctly,. Turn Signal Flasher Will Not Work.
From userdiagramcoulomb.z4.web.core.windows.net
Turn Signal And Hazard Lights Not Working Turn Signal Flasher Will Not Work If your turn singles are not working, it could be either a bulb issue or a relay flasher problem. If your turn signals aren’t working correctly, start by locating the turn signal relay near the fuse box—it’s easy to access. If your turn signal stays permanently on instead of flashing on and off, it could be a sign that the. Turn Signal Flasher Will Not Work.
From www.youtube.com
No Turn Signals Blinkers Flasher F250 F350 F550 1999 2000 2001 Repair Turn Signal Flasher Will Not Work The hazard warning flasher and turn signal flasher. If your turn signals aren’t working correctly, start by locating the turn signal relay near the fuse box—it’s easy to access. Left or right turn signals or the hazard warning light not working properly. If your turn singles are not working, it could be either a bulb issue or a relay flasher. Turn Signal Flasher Will Not Work.
From humblemechanic.com
Why My Turn Signals Don’t Work Diagnosis Humble Mechanic Turn Signal Flasher Will Not Work Here's how to fix both of those. If your turn singles are not working, it could be either a bulb issue or a relay flasher problem. Constantly on lights suggest a faulty flasher relay—promptly check and replace it. The hazard warning flasher and turn signal flasher. If your turn signals aren’t working correctly, start by locating the turn signal relay. Turn Signal Flasher Will Not Work.
From www.2carpros.com
Turn Signal Flasher Location? Signals Not Working Turn Signal Flasher Will Not Work If your turn signal isn’t working, the first step is to verify the bulb’s connectivity and darkness. Look out for signs like fast blinking lights or no blinking at. The hazard warning flasher and turn signal flasher. If your turn singles are not working, it could be either a bulb issue or a relay flasher problem. If your turn signal. Turn Signal Flasher Will Not Work.
From www.2carpros.com
Turn Signals and Flashers Are Not Working? Turn Signal Flasher Will Not Work Turn signal relay stays on. The hazard warning flasher and turn signal flasher. Left or right turn signals or the hazard warning light not working properly. Start by checking the blinking frequency of the turn signal. Look out for signs like fast blinking lights or no blinking at. If your turn singles are not working, it could be either a. Turn Signal Flasher Will Not Work.
From www.ls1.com
How to replace your turn signal and hazard flashers Turn Signal Flasher Will Not Work If your turn signal isn’t working, the first step is to verify the bulb’s connectivity and darkness. If your turn signals aren’t working correctly, start by locating the turn signal relay near the fuse box—it’s easy to access. Here's how to fix both of those. The most common symptom of a bad or failing turn signal / hazard flasher is. Turn Signal Flasher Will Not Work.
From www.youtube.com
GMC Savana 2500 Turning Signal, Brake Light, not Working...How to Turn Signal Flasher Will Not Work Turn signal relay stays on. Look out for signs like fast blinking lights or no blinking at. Left or right turn signals or the hazard warning light not working properly. Start by checking the blinking frequency of the turn signal. The hazard warning flasher and turn signal flasher. Here's how to fix both of those. The most common symptom of. Turn Signal Flasher Will Not Work.
From www.cherokeeforum.com
Turn signals not working, flashers do Page 2 Jeep Cherokee Forum Turn Signal Flasher Will Not Work If your turn singles are not working, it could be either a bulb issue or a relay flasher problem. Constantly on lights suggest a faulty flasher relay—promptly check and replace it. The hazard warning flasher and turn signal flasher. The most common symptom of a bad or failing turn signal / hazard flasher is hazards or turn signal lights that. Turn Signal Flasher Will Not Work.
From guidepartpragmatic.z13.web.core.windows.net
Turn Signal Flasher Unit Turn Signal Flasher Will Not Work If your turn singles are not working, it could be either a bulb issue or a relay flasher problem. Look out for signs like fast blinking lights or no blinking at. The hazard warning flasher and turn signal flasher. If your turn signals aren’t working correctly, start by locating the turn signal relay near the fuse box—it’s easy to access.. Turn Signal Flasher Will Not Work.
From www.2carpros.com
Turn Signals and Flashers Not Working? My Turn Signals and Turn Signal Flasher Will Not Work The hazard warning flasher and turn signal flasher. If your turn signals aren’t working correctly, start by locating the turn signal relay near the fuse box—it’s easy to access. Left or right turn signals or the hazard warning light not working properly. If your turn signal isn’t working, the first step is to verify the bulb’s connectivity and darkness. Look. Turn Signal Flasher Will Not Work.
From www.2carpros.com
Turn Signals and Emergency Flasher Not Working and Will Not Start Turn Signal Flasher Will Not Work If your turn singles are not working, it could be either a bulb issue or a relay flasher problem. Left or right turn signals or the hazard warning light not working properly. If your turn signal stays permanently on instead of flashing on and off, it could be a sign that the relay has gone. Here's how to fix both. Turn Signal Flasher Will Not Work.
From 2020cadillac.com
Flashers And Hazards Turn Signal Flasher Wiring Diagram Cadician's Blog Turn Signal Flasher Will Not Work Constantly on lights suggest a faulty flasher relay—promptly check and replace it. Look out for signs like fast blinking lights or no blinking at. If your turn singles are not working, it could be either a bulb issue or a relay flasher problem. Turn signal relay stays on. If your turn signal stays permanently on instead of flashing on and. Turn Signal Flasher Will Not Work.
From www.yourmechanic.com
Symptoms of a Bad or Failing Hazard / Turn Signal Flasher Turn Signal Flasher Will Not Work Start by checking the blinking frequency of the turn signal. The hazard warning flasher and turn signal flasher. Constantly on lights suggest a faulty flasher relay—promptly check and replace it. If your turn signal stays permanently on instead of flashing on and off, it could be a sign that the relay has gone. Look out for signs like fast blinking. Turn Signal Flasher Will Not Work.
From www.youtube.com
How to locate and find the correct vehicle's flasher replay for turn Turn Signal Flasher Will Not Work Left or right turn signals or the hazard warning light not working properly. The hazard warning flasher and turn signal flasher. Start by checking the blinking frequency of the turn signal. Here's how to fix both of those. If your turn signals aren’t working correctly, start by locating the turn signal relay near the fuse box—it’s easy to access. If. Turn Signal Flasher Will Not Work.
From www.peachparts.com
Turn signals, flasher do not work '1985 300SD PeachParts Mercedes Turn Signal Flasher Will Not Work If your turn signals aren’t working correctly, start by locating the turn signal relay near the fuse box—it’s easy to access. The most common symptom of a bad or failing turn signal / hazard flasher is hazards or turn signal lights that do not function. Constantly on lights suggest a faulty flasher relay—promptly check and replace it. If your turn. Turn Signal Flasher Will Not Work.
From www.2carpros.com
Flasher My Turn Signals and Emergency Flashers Do Not Work. Where... Turn Signal Flasher Will Not Work Constantly on lights suggest a faulty flasher relay—promptly check and replace it. Left or right turn signals or the hazard warning light not working properly. The most common symptom of a bad or failing turn signal / hazard flasher is hazards or turn signal lights that do not function. If your turn signal isn’t working, the first step is to. Turn Signal Flasher Will Not Work.
From www.2carpros.com
Turn Signals and Flashers Are Not Working? Turn Signal Flasher Will Not Work If your turn signal isn’t working, the first step is to verify the bulb’s connectivity and darkness. The hazard warning flasher and turn signal flasher. If your turn singles are not working, it could be either a bulb issue or a relay flasher problem. Start by checking the blinking frequency of the turn signal. Turn signal relay stays on. Left. Turn Signal Flasher Will Not Work.
From www.2carpros.com
Turn Signals and Flashers Not Working? My Turn Signals and Turn Signal Flasher Will Not Work Turn signal relay stays on. Look out for signs like fast blinking lights or no blinking at. If your turn singles are not working, it could be either a bulb issue or a relay flasher problem. Here's how to fix both of those. The most common symptom of a bad or failing turn signal / hazard flasher is hazards or. Turn Signal Flasher Will Not Work.
From www.jeepforum.com
Where is my flasher relay? Jeep Enthusiast Forums Turn Signal Flasher Will Not Work The most common symptom of a bad or failing turn signal / hazard flasher is hazards or turn signal lights that do not function. Here's how to fix both of those. The hazard warning flasher and turn signal flasher. If your turn signal stays permanently on instead of flashing on and off, it could be a sign that the relay. Turn Signal Flasher Will Not Work.
From dodgeforum.com
Turn signal and flasher not working Page 2 Turn Signal Flasher Will Not Work Start by checking the blinking frequency of the turn signal. If your turn signal stays permanently on instead of flashing on and off, it could be a sign that the relay has gone. Constantly on lights suggest a faulty flasher relay—promptly check and replace it. Turn signal relay stays on. Here's how to fix both of those. The most common. Turn Signal Flasher Will Not Work.
From www.2carpros.com
What Are Possible Issues for Turn Signals and Flashers Not Working... Turn Signal Flasher Will Not Work If your turn singles are not working, it could be either a bulb issue or a relay flasher problem. Left or right turn signals or the hazard warning light not working properly. If your turn signal stays permanently on instead of flashing on and off, it could be a sign that the relay has gone. Start by checking the blinking. Turn Signal Flasher Will Not Work.
From www.youtube.com
Turn signal problem diagnosis! (turn signals not working) YouTube Turn Signal Flasher Will Not Work The most common symptom of a bad or failing turn signal / hazard flasher is hazards or turn signal lights that do not function. Constantly on lights suggest a faulty flasher relay—promptly check and replace it. If your turn signal isn’t working, the first step is to verify the bulb’s connectivity and darkness. Start by checking the blinking frequency of. Turn Signal Flasher Will Not Work.
From www.2carpros.com
Turn Signals and Flashers Are Not Working? Turn Signal Flasher Will Not Work Left or right turn signals or the hazard warning light not working properly. Here's how to fix both of those. Look out for signs like fast blinking lights or no blinking at. If your turn signal stays permanently on instead of flashing on and off, it could be a sign that the relay has gone. If your turn singles are. Turn Signal Flasher Will Not Work.
From fixengineemerson99.z21.web.core.windows.net
2014 Ford Escape Turn Signal Relay Location Turn Signal Flasher Will Not Work Here's how to fix both of those. If your turn signals aren’t working correctly, start by locating the turn signal relay near the fuse box—it’s easy to access. Look out for signs like fast blinking lights or no blinking at. If your turn signal stays permanently on instead of flashing on and off, it could be a sign that the. Turn Signal Flasher Will Not Work.
From www.advrider.com
Turn signals not working... Adventure Rider Turn Signal Flasher Will Not Work Here's how to fix both of those. If your turn signals aren’t working correctly, start by locating the turn signal relay near the fuse box—it’s easy to access. Turn signal relay stays on. The hazard warning flasher and turn signal flasher. Left or right turn signals or the hazard warning light not working properly. If your turn signal stays permanently. Turn Signal Flasher Will Not Work.
From fixenginebocnemorv.z22.web.core.windows.net
Turn Signal And Hazard Lights Not Working Turn Signal Flasher Will Not Work Turn signal relay stays on. If your turn signal stays permanently on instead of flashing on and off, it could be a sign that the relay has gone. Constantly on lights suggest a faulty flasher relay—promptly check and replace it. The most common symptom of a bad or failing turn signal / hazard flasher is hazards or turn signal lights. Turn Signal Flasher Will Not Work.
From www.benzworld.org
turn signals and emergency flasher not workinghow to fix? Mercedes Turn Signal Flasher Will Not Work Turn signal relay stays on. The most common symptom of a bad or failing turn signal / hazard flasher is hazards or turn signal lights that do not function. If your turn singles are not working, it could be either a bulb issue or a relay flasher problem. Here's how to fix both of those. The hazard warning flasher and. Turn Signal Flasher Will Not Work.
From sparkys-answers.com
Sparky's Answers 1999 Mercury Villager Turn Signals Do Not Work Turn Signal Flasher Will Not Work If your turn signal isn’t working, the first step is to verify the bulb’s connectivity and darkness. If your turn signals aren’t working correctly, start by locating the turn signal relay near the fuse box—it’s easy to access. Turn signal relay stays on. If your turn signal stays permanently on instead of flashing on and off, it could be a. Turn Signal Flasher Will Not Work.
From www.youtube.com
peterbilt 379 turn signals not working YouTube Turn Signal Flasher Will Not Work Turn signal relay stays on. If your turn singles are not working, it could be either a bulb issue or a relay flasher problem. The hazard warning flasher and turn signal flasher. Left or right turn signals or the hazard warning light not working properly. The most common symptom of a bad or failing turn signal / hazard flasher is. Turn Signal Flasher Will Not Work.
From www.justanswer.com
My turn signals don't work or flashers ,replace multi function switch 3 Turn Signal Flasher Will Not Work Left or right turn signals or the hazard warning light not working properly. If your turn signal stays permanently on instead of flashing on and off, it could be a sign that the relay has gone. The hazard warning flasher and turn signal flasher. Start by checking the blinking frequency of the turn signal. Turn signal relay stays on. If. Turn Signal Flasher Will Not Work.
From www.2carpros.com
Turn Signal Flasher Location? Signals Not Working Turn Signal Flasher Will Not Work The most common symptom of a bad or failing turn signal / hazard flasher is hazards or turn signal lights that do not function. If your turn singles are not working, it could be either a bulb issue or a relay flasher problem. Turn signal relay stays on. Left or right turn signals or the hazard warning light not working. Turn Signal Flasher Will Not Work.
From www.2carpros.com
Turn Signals and Flashers Not Working? My Turn Signals and Turn Signal Flasher Will Not Work Constantly on lights suggest a faulty flasher relay—promptly check and replace it. If your turn singles are not working, it could be either a bulb issue or a relay flasher problem. Turn signal relay stays on. Look out for signs like fast blinking lights or no blinking at. If your turn signal isn’t working, the first step is to verify. Turn Signal Flasher Will Not Work.