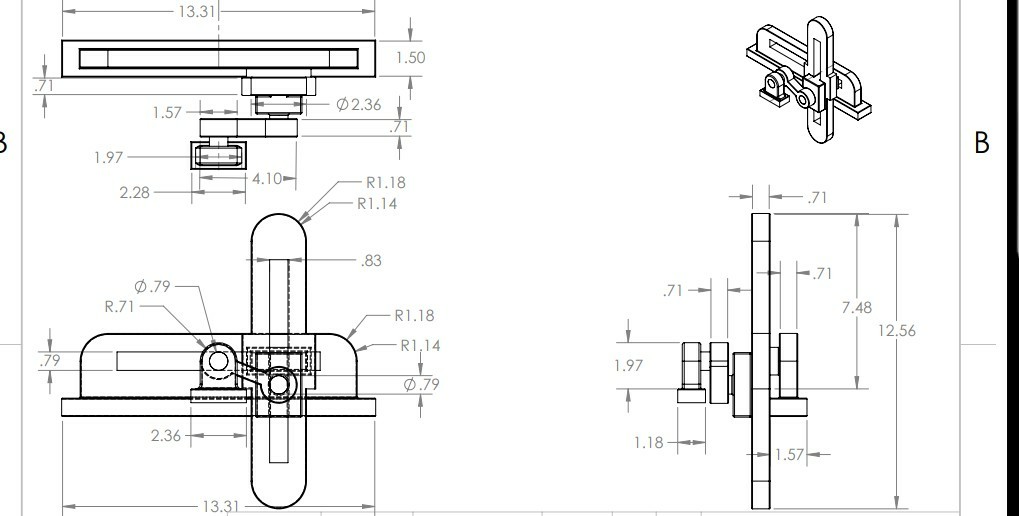
Crank Slider Drawing . The diagram (below), shows how a piston pushes and pulls. this video teaches you, from scratch, how to draw and understand the. a crank and slider mechanism / linkage, takes rotary motion and coverts it to linear motion. we will study to draw the locus traced by the slider crank mechanism. For a given constant rotation rate , find the velocity and acceleration terms of the piston for one cycle of θ.
from www.chegg.com
this video teaches you, from scratch, how to draw and understand the. we will study to draw the locus traced by the slider crank mechanism. a crank and slider mechanism / linkage, takes rotary motion and coverts it to linear motion. For a given constant rotation rate , find the velocity and acceleration terms of the piston for one cycle of θ. The diagram (below), shows how a piston pushes and pulls.
Solved QUESTION 1 A basic slidercrank mechanism is shown in
Crank Slider Drawing For a given constant rotation rate , find the velocity and acceleration terms of the piston for one cycle of θ. this video teaches you, from scratch, how to draw and understand the. For a given constant rotation rate , find the velocity and acceleration terms of the piston for one cycle of θ. we will study to draw the locus traced by the slider crank mechanism. a crank and slider mechanism / linkage, takes rotary motion and coverts it to linear motion. The diagram (below), shows how a piston pushes and pulls.
From www.wikihow.com
How to Build a Crank and Slider Mechanism 11 Steps Crank Slider Drawing we will study to draw the locus traced by the slider crank mechanism. For a given constant rotation rate , find the velocity and acceleration terms of the piston for one cycle of θ. a crank and slider mechanism / linkage, takes rotary motion and coverts it to linear motion. this video teaches you, from scratch, how. Crank Slider Drawing.
From www.youtube.com
Acceleration analysis of a slider crank mechanism(Graphical method Crank Slider Drawing For a given constant rotation rate , find the velocity and acceleration terms of the piston for one cycle of θ. a crank and slider mechanism / linkage, takes rotary motion and coverts it to linear motion. we will study to draw the locus traced by the slider crank mechanism. this video teaches you, from scratch, how. Crank Slider Drawing.
From circuitenginehecate.z19.web.core.windows.net
Draw A Slider Crank Quick Return Mechanism Crank Slider Drawing we will study to draw the locus traced by the slider crank mechanism. The diagram (below), shows how a piston pushes and pulls. a crank and slider mechanism / linkage, takes rotary motion and coverts it to linear motion. this video teaches you, from scratch, how to draw and understand the. For a given constant rotation rate. Crank Slider Drawing.
From www.youtube.com
Inversion of SliderCrank Mechanism with Higher Pair Joints YouTube Crank Slider Drawing The diagram (below), shows how a piston pushes and pulls. we will study to draw the locus traced by the slider crank mechanism. this video teaches you, from scratch, how to draw and understand the. a crank and slider mechanism / linkage, takes rotary motion and coverts it to linear motion. For a given constant rotation rate. Crank Slider Drawing.
From www.youtube.com
⚙ Engineering Animation Double Crank Mechanism YouTube Crank Slider Drawing we will study to draw the locus traced by the slider crank mechanism. For a given constant rotation rate , find the velocity and acceleration terms of the piston for one cycle of θ. The diagram (below), shows how a piston pushes and pulls. this video teaches you, from scratch, how to draw and understand the. a. Crank Slider Drawing.
From www.youtube.com
Slider Crank Mechanism Animation in Solidworks YouTube Crank Slider Drawing a crank and slider mechanism / linkage, takes rotary motion and coverts it to linear motion. this video teaches you, from scratch, how to draw and understand the. For a given constant rotation rate , find the velocity and acceleration terms of the piston for one cycle of θ. we will study to draw the locus traced. Crank Slider Drawing.
From library3dengineer.blogspot.com
5008. Learn mechanism to design Slidercrank mechanism with added Crank Slider Drawing The diagram (below), shows how a piston pushes and pulls. a crank and slider mechanism / linkage, takes rotary motion and coverts it to linear motion. we will study to draw the locus traced by the slider crank mechanism. this video teaches you, from scratch, how to draw and understand the. For a given constant rotation rate. Crank Slider Drawing.
From www.myxxgirl.com
A Slider Crank Mechanism Model B Schematic Representation Of A My XXX Crank Slider Drawing a crank and slider mechanism / linkage, takes rotary motion and coverts it to linear motion. The diagram (below), shows how a piston pushes and pulls. For a given constant rotation rate , find the velocity and acceleration terms of the piston for one cycle of θ. this video teaches you, from scratch, how to draw and understand. Crank Slider Drawing.
From www.numerade.com
SOLVED Draw the Acceleration diagram for the following slider crank Crank Slider Drawing we will study to draw the locus traced by the slider crank mechanism. a crank and slider mechanism / linkage, takes rotary motion and coverts it to linear motion. For a given constant rotation rate , find the velocity and acceleration terms of the piston for one cycle of θ. this video teaches you, from scratch, how. Crank Slider Drawing.
From www.youtube.com
Engineering Drawing Slider crank mechanism 1 Easy drawing Crank Slider Drawing a crank and slider mechanism / linkage, takes rotary motion and coverts it to linear motion. we will study to draw the locus traced by the slider crank mechanism. For a given constant rotation rate , find the velocity and acceleration terms of the piston for one cycle of θ. this video teaches you, from scratch, how. Crank Slider Drawing.
From www.studypool.com
SOLUTION Slider crank mechanism Studypool Crank Slider Drawing we will study to draw the locus traced by the slider crank mechanism. The diagram (below), shows how a piston pushes and pulls. For a given constant rotation rate , find the velocity and acceleration terms of the piston for one cycle of θ. this video teaches you, from scratch, how to draw and understand the. a. Crank Slider Drawing.
From exozrmehr.blob.core.windows.net
What Is A Crank And Slider Linkage at Shane Hardy blog Crank Slider Drawing The diagram (below), shows how a piston pushes and pulls. For a given constant rotation rate , find the velocity and acceleration terms of the piston for one cycle of θ. this video teaches you, from scratch, how to draw and understand the. a crank and slider mechanism / linkage, takes rotary motion and coverts it to linear. Crank Slider Drawing.
From www.researchgate.net
3D slidercrank mechanism with one nonideal revolute joint Download Crank Slider Drawing a crank and slider mechanism / linkage, takes rotary motion and coverts it to linear motion. we will study to draw the locus traced by the slider crank mechanism. this video teaches you, from scratch, how to draw and understand the. The diagram (below), shows how a piston pushes and pulls. For a given constant rotation rate. Crank Slider Drawing.
From mechanicaljungle.com
Inversion of Double Slider Crank Mechanism Crank Slider Drawing For a given constant rotation rate , find the velocity and acceleration terms of the piston for one cycle of θ. we will study to draw the locus traced by the slider crank mechanism. The diagram (below), shows how a piston pushes and pulls. this video teaches you, from scratch, how to draw and understand the. a. Crank Slider Drawing.
From www.chegg.com
Solved QUESTION 1 A basic slidercrank mechanism is shown in Crank Slider Drawing we will study to draw the locus traced by the slider crank mechanism. a crank and slider mechanism / linkage, takes rotary motion and coverts it to linear motion. The diagram (below), shows how a piston pushes and pulls. For a given constant rotation rate , find the velocity and acceleration terms of the piston for one cycle. Crank Slider Drawing.
From dxogoodvh.blob.core.windows.net
Crank Handle Pump at Terrence Landry blog Crank Slider Drawing this video teaches you, from scratch, how to draw and understand the. For a given constant rotation rate , find the velocity and acceleration terms of the piston for one cycle of θ. we will study to draw the locus traced by the slider crank mechanism. The diagram (below), shows how a piston pushes and pulls. a. Crank Slider Drawing.
From www.chegg.com
Solved For the inline slider crank mechanism shown in Fig. Crank Slider Drawing we will study to draw the locus traced by the slider crank mechanism. The diagram (below), shows how a piston pushes and pulls. this video teaches you, from scratch, how to draw and understand the. For a given constant rotation rate , find the velocity and acceleration terms of the piston for one cycle of θ. a. Crank Slider Drawing.
From www.youtube.com
Slider crank mechanism Works YouTube Crank Slider Drawing we will study to draw the locus traced by the slider crank mechanism. a crank and slider mechanism / linkage, takes rotary motion and coverts it to linear motion. this video teaches you, from scratch, how to draw and understand the. The diagram (below), shows how a piston pushes and pulls. For a given constant rotation rate. Crank Slider Drawing.
From www.shutterstock.com
Slider Crank Mechanism Stock Vector (Royalty Free) 1146579758 Crank Slider Drawing For a given constant rotation rate , find the velocity and acceleration terms of the piston for one cycle of θ. we will study to draw the locus traced by the slider crank mechanism. a crank and slider mechanism / linkage, takes rotary motion and coverts it to linear motion. this video teaches you, from scratch, how. Crank Slider Drawing.
From www.chegg.com
Solved For the slider crank, draw free body diagrams and Crank Slider Drawing The diagram (below), shows how a piston pushes and pulls. For a given constant rotation rate , find the velocity and acceleration terms of the piston for one cycle of θ. a crank and slider mechanism / linkage, takes rotary motion and coverts it to linear motion. we will study to draw the locus traced by the slider. Crank Slider Drawing.
From www.youtube.com
Inversions of single slider crank Chain/Mechanism YouTube Crank Slider Drawing a crank and slider mechanism / linkage, takes rotary motion and coverts it to linear motion. The diagram (below), shows how a piston pushes and pulls. this video teaches you, from scratch, how to draw and understand the. we will study to draw the locus traced by the slider crank mechanism. For a given constant rotation rate. Crank Slider Drawing.
From www.researchgate.net
3D crank slider mechanism with dimensions Download Scientific Diagram Crank Slider Drawing a crank and slider mechanism / linkage, takes rotary motion and coverts it to linear motion. The diagram (below), shows how a piston pushes and pulls. this video teaches you, from scratch, how to draw and understand the. For a given constant rotation rate , find the velocity and acceleration terms of the piston for one cycle of. Crank Slider Drawing.
From www.youtube.com
How to Evaluate Slider Crank Mechanisms Using Scale Drawings YouTube Crank Slider Drawing this video teaches you, from scratch, how to draw and understand the. For a given constant rotation rate , find the velocity and acceleration terms of the piston for one cycle of θ. a crank and slider mechanism / linkage, takes rotary motion and coverts it to linear motion. we will study to draw the locus traced. Crank Slider Drawing.
From unibenela.blogspot.com
AM222 (a) Slider Crank Mechanism Crank Slider Drawing a crank and slider mechanism / linkage, takes rotary motion and coverts it to linear motion. this video teaches you, from scratch, how to draw and understand the. we will study to draw the locus traced by the slider crank mechanism. For a given constant rotation rate , find the velocity and acceleration terms of the piston. Crank Slider Drawing.
From www.youtube.com
How to draw crankshaft. engine drawing. engine_drawing. YouTube Crank Slider Drawing a crank and slider mechanism / linkage, takes rotary motion and coverts it to linear motion. we will study to draw the locus traced by the slider crank mechanism. For a given constant rotation rate , find the velocity and acceleration terms of the piston for one cycle of θ. this video teaches you, from scratch, how. Crank Slider Drawing.
From www.wikihow.com
How to Build a Crank and Slider Mechanism 11 Steps Crank Slider Drawing this video teaches you, from scratch, how to draw and understand the. For a given constant rotation rate , find the velocity and acceleration terms of the piston for one cycle of θ. The diagram (below), shows how a piston pushes and pulls. a crank and slider mechanism / linkage, takes rotary motion and coverts it to linear. Crank Slider Drawing.
From grabcad.com
how to model a slider crank mechanism GrabCAD Tutorials Crank Slider Drawing The diagram (below), shows how a piston pushes and pulls. this video teaches you, from scratch, how to draw and understand the. a crank and slider mechanism / linkage, takes rotary motion and coverts it to linear motion. For a given constant rotation rate , find the velocity and acceleration terms of the piston for one cycle of. Crank Slider Drawing.
From draweasy8.blogspot.com
What Is Slider Crank Mechanism Draw Easy Crank Slider Drawing For a given constant rotation rate , find the velocity and acceleration terms of the piston for one cycle of θ. a crank and slider mechanism / linkage, takes rotary motion and coverts it to linear motion. this video teaches you, from scratch, how to draw and understand the. we will study to draw the locus traced. Crank Slider Drawing.
From learn.adafruit.com
Build the Slider Crank Slider Crank Mechanism from Cardboard and Crank Slider Drawing we will study to draw the locus traced by the slider crank mechanism. this video teaches you, from scratch, how to draw and understand the. The diagram (below), shows how a piston pushes and pulls. a crank and slider mechanism / linkage, takes rotary motion and coverts it to linear motion. For a given constant rotation rate. Crank Slider Drawing.
From www.researchgate.net
Schematic illustration of the slidercrank mechanism Download Crank Slider Drawing The diagram (below), shows how a piston pushes and pulls. we will study to draw the locus traced by the slider crank mechanism. For a given constant rotation rate , find the velocity and acceleration terms of the piston for one cycle of θ. a crank and slider mechanism / linkage, takes rotary motion and coverts it to. Crank Slider Drawing.
From sites.esm.psu.edu
Kinematics of a Slider Crank Crank Slider Drawing we will study to draw the locus traced by the slider crank mechanism. a crank and slider mechanism / linkage, takes rotary motion and coverts it to linear motion. The diagram (below), shows how a piston pushes and pulls. this video teaches you, from scratch, how to draw and understand the. For a given constant rotation rate. Crank Slider Drawing.
From draweasy8.blogspot.com
What Is Slider Crank Mechanism Draw Easy Crank Slider Drawing this video teaches you, from scratch, how to draw and understand the. The diagram (below), shows how a piston pushes and pulls. we will study to draw the locus traced by the slider crank mechanism. For a given constant rotation rate , find the velocity and acceleration terms of the piston for one cycle of θ. a. Crank Slider Drawing.
From www.caeuniversity.com
crank slider mechanism CAE University Crank Slider Drawing For a given constant rotation rate , find the velocity and acceleration terms of the piston for one cycle of θ. a crank and slider mechanism / linkage, takes rotary motion and coverts it to linear motion. we will study to draw the locus traced by the slider crank mechanism. this video teaches you, from scratch, how. Crank Slider Drawing.
From www.youtube.com
Solidworks tutorial slider crank mechanism in solidworks YouTube Crank Slider Drawing we will study to draw the locus traced by the slider crank mechanism. this video teaches you, from scratch, how to draw and understand the. a crank and slider mechanism / linkage, takes rotary motion and coverts it to linear motion. The diagram (below), shows how a piston pushes and pulls. For a given constant rotation rate. Crank Slider Drawing.
From www.researchgate.net
The slidercrank mechanism. (a) The physical model of a slidercrank Crank Slider Drawing The diagram (below), shows how a piston pushes and pulls. this video teaches you, from scratch, how to draw and understand the. For a given constant rotation rate , find the velocity and acceleration terms of the piston for one cycle of θ. a crank and slider mechanism / linkage, takes rotary motion and coverts it to linear. Crank Slider Drawing.